大咖秀 | PLD/FPGA結構與原理,其實很簡單
發布時間:2018-03-22 責任編輯:lina
【導讀】采用這種結構的PLD芯片有:Altera的MAX7000,MAX3000係列(EEPROM工藝),Xilinx的XC9500係列(Flash工藝)和Lattice,Cypress的大部分產品(EEPROM工藝)。
一.基於乘積項(Product-Term)的PLD結構
采用這種結構的PLD芯片有:Altera的MAX7000,MAX3000係列(EEPROM工藝),Xilinx的XC9500係列(Flash工藝)和Lattice,Cypress的大部分產品(EEPROM工藝)

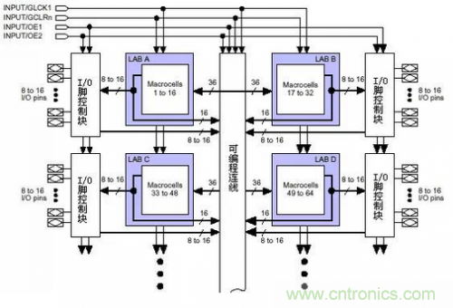
我們先看一下這種PLD的總體結構(以MAX7000為例,其他型號的結構與此都非常相似):

圖1 基於乘積項的PLD內部結構
這種PLD可分為三塊結構:宏單元(Marocell),可編程連線 (PIA)和I/O控製塊。 宏單元是PLD的基本結構,由它來實現基本的邏輯功能。圖1中蘭色部分是多個宏單元的集合(因為宏單元較多,沒有一一畫出)。可編程連線負責信號傳遞,連 接所有的宏單元。I/O控製塊負責輸入輸出的電氣特性控製,比如可以設定集電極開路輸出,擺率控製,三態輸出等。 圖1 左上的INPUT/GCLK1,INPUT/GCLRn,INPUT/OE1,INPUT/OE2 是全局時鍾,清零和輸出使能信號,這幾個信號有專用連線與PLD中每個宏單元相連,信號到每個宏單元的延時相同並且延時最短。
宏單元的具體結構見下圖:

圖2 宏單元結構
左側是乘積項陣列,實際就是一個與或陣列,每一個交叉點都是一個可編程 熔絲,如果導通就是實現“與”邏輯。後麵的乘積項選擇矩陣是一個“或”陣列。兩者一起完成組合邏輯。圖右側是一個可編程D觸發器,它的時鍾,清零輸入都可 以編程選擇,可以使用專用的全局清零和全局時鍾,也可以使用內部邏輯(乘積項陣列)產生的時鍾和清零。如果不需要觸發器,也可以將此觸發器旁路,信號直接 輸給PIA或輸出到I/O腳。
二.乘積項結構PLD的邏輯實現原理
下麵我們以一個簡單的電路為例,具體說明PLD是如何利用以上結構實現邏輯的,電路如下圖:

圖3
假設組合邏輯的輸出(AND3的輸出)為f,則f=(A+B)*C*(!D)=A*C*!D + B*C*!D ( 我們以!D表示D的“非”)
PLD將以下麵的方式來實現組合邏輯f:

圖4
A,B,C,D由PLD芯片的管腳輸入後進入可編程連線陣列 (PIA),在內部會產生A,A反,B,B反,C,C反,D,D反8個輸出。圖中每一個叉表示相連(可編程熔絲導通),所以得到:f= f1 + f2 = (A*C*!D) + (B*C*!D) 。這樣組合邏輯就實現了。 圖3電路中D觸發器的實現比較簡單,直接利用宏單元中的可編程D觸發器來實現。時鍾信號CLK由I/O腳輸入後進入芯片內部的全局時鍾專用通道,直接連接 到可編程觸發器的時鍾端。可編程觸發器的輸出與I/O腳相連,把結果輸出到芯片管腳。這樣PLD就完成了圖3所示電路的功能。(以上這些步驟都是由軟件自 動完成的,不需要人為幹預)
圖3的(de)電(dian)路(lu)是(shi)一(yi)個(ge)很(hen)簡(jian)單(dan)的(de)例(li)子(zi),隻(zhi)需(xu)要(yao)一(yi)個(ge)宏(hong)單(dan)元(yuan)就(jiu)可(ke)以(yi)完(wan)成(cheng)。但(dan)對(dui)於(yu)一(yi)個(ge)複(fu)雜(za)的(de)電(dian)路(lu),一(yi)個(ge)宏(hong)單(dan)元(yuan)是(shi)不(bu)能(neng)實(shi)現(xian)的(de),這(zhe)時(shi)就(jiu)需(xu)要(yao)通(tong)過(guo)並(bing)聯(lian)擴(kuo)展(zhan)項(xiang)和(he)共(gong)享(xiang)擴(kuo)展(zhan)項(xiang)將(jiang)多(duo)個(ge)宏(hong)單(dan)元(yuan)相(xiang)連(lian),宏(hong)單(dan)元(yuan)的(de)輸(shu)出(chu)也(ye)可(ke)以(yi)連(lian)接(jie)到(dao)可(ke)編(bian)程(cheng)連(lian)線(xian)陣(zhen)列(lie),再(zai)做(zuo)為(wei)另(ling)一(yi)個(ge)宏(hong)單(dan)元(yuan)的(de)輸(shu)入(ru)。這(zhe)樣(yang)PLD就可以實現更複雜邏輯。
這種基於乘積項的PLD基本都是由EEPROM和Flash工藝製造的,一上電就可以工作,無需其他芯片配合。
特別推薦
- 噪聲中提取真值!瑞盟科技推出MSA2240電流檢測芯片賦能多元高端測量場景
- 10MHz高頻運行!氮矽科技發布集成驅動GaN芯片,助力電源能效再攀新高
- 失真度僅0.002%!力芯微推出超低內阻、超低失真4PST模擬開關
- 一“芯”雙電!聖邦微電子發布雙輸出電源芯片,簡化AFE與音頻設計
- 一機適配萬端:金升陽推出1200W可編程電源,賦能高端裝備製造
技術文章更多>>
- 築基AI4S:摩爾線程全功能GPU加速中國生命科學自主生態
- 一秒檢測,成本降至萬分之一,光引科技把幾十萬的台式光譜儀“搬”到了手腕上
- AI服務器電源機櫃Power Rack HVDC MW級測試方案
- 突破工藝邊界,奎芯科技LPDDR5X IP矽驗證通過,速率達9600Mbps
- 通過直接、準確、自動測量超低範圍的氯殘留來推動反滲透膜保護
技術白皮書下載更多>>
- 車規與基於V2X的車輛協同主動避撞技術展望
- 數字隔離助力新能源汽車安全隔離的新挑戰
- 汽車模塊拋負載的解決方案
- 車用連接器的安全創新應用
- Melexis Actuators Business Unit
- Position / Current Sensors - Triaxis Hall
熱門搜索
微波功率管
微波開關
微波連接器
微波器件
微波三極管
微波振蕩器
微電機
微調電容
微動開關
微蜂窩
位置傳感器
溫度保險絲
溫度傳感器
溫控開關
溫控可控矽
聞泰
穩壓電源
穩壓二極管
穩壓管
無焊端子
無線充電
無線監控
無源濾波器
五金工具
物聯網
顯示模塊
顯微鏡結構
線圈
線繞電位器
線繞電阻



