一種新型汽車防盜報警器設計方案
發布時間:2012-01-27
中心議題:
引言
早期的電動車防盜器材主要是機械式的防盜鎖,它主要是靠鎖定車輪、車che把ba來lai達da到dao防fang盜dao的de目mu的de,但dan隻zhi防fang盜dao不bu報bao警jing。為wei了le克ke服fu機ji械xie鎖suo隻zhi防fang盜dao不bu報bao警jing的de缺que點dian,電dian子zi報bao警jing防fang盜dao器qi應ying運yun而er生sheng。它ta主zhu要yao靠kao車che體ti的de振zhen動dong觸chu發fa聲sheng音yin和he振zhen動dong報bao警jing功gong能neng達da到dao防fang盜dao的de目mu的de。但dan傳chuan統tong電dian子zi防fang盜dao報bao警jing器qi可ke靠kao性xing較jiao差cha。隻zhi是shi車che輛liang本ben身shen發fa出chu報bao警jing聲sheng,車che主zhu有you時shi無wu法fa聽ting到dao。因yin此ci我wo們men需xu要yao一yi種zhong新xin型xing防fang盜dao報bao警jing器qi使shi他ta們men可ke以yi在zai第di一yi時shi間jian得de到dao消xiao息xi以yi便bian盡jin快kuai采cai取qu措cuo施shi製zhi止zhi偷tou盜dao案an件jian發fa生sheng,以yi有you效xiao保bao障zhang個ge人ren財cai物wu安an全quan。
1 設計總方案
本設計采用AT89S51單片機及無線收發模塊作為新型報警器的控製與信號傳輸的核心,並配合編碼譯碼芯片(SC2262\SC2272-M4)對dui信xin號hao進jin行xing編bian碼ma譯yi碼ma。當dang按an下xia手shou持chi遙yao控kong器qi的de鎖suo車che鍵jian時shi,串chuan接jie於yu車che鎖suo回hui路lu的de繼ji電dian器qi斷duan開kai,同tong時shi車che載zai報bao警jing器qi處chu於yu防fang盜dao狀zhuang態tai,在zai位wei移yi傳chuan感gan器qi的de作zuo用yong下xia當dang電dian動dong車che受shou到dao微wei小xiao震zhen動dong時shi或huo有you人ren體ti接jie近jin電dian動dong車che電dian瓶ping時shi發fa出chu報bao警jing聲sheng音yin並bing同tong時shi以yi兩liang路lu不bu同tong的de信xin號hao向xiang200 m~300 m之內遙控器發送報警信號,使遙控器的指示燈點亮,震動器和蜂鳴器工作發出報警信號。同時車載報警器發出報警聲延時15秒後自動停止,並且複位到防盜狀態。
在防盜狀態下電池被人體觸及時,車載報警器向遙控器發送報警信號,此時遙控器將做出相應的反應。
解鎖時按下手持遙控器的解鎖鍵,車載報警器處於非工作狀態,同時繼電器吸合。
2 硬件電路的設計
2.1 手持遙控器電路
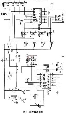
手持遙控器原理如圖2所示。電路由發射和接收報警電路組成,發射電路由發射模塊V1、編碼芯片U1組成。U1即SC2262的1-8腳為三態地址編碼,這裏我們將SC2262的7腳接地,同樣車載報警裝置的接收電路的解碼芯片SC2262也設置成7腳接地,否則不能解碼;接收電路由接收模塊V2和解碼芯片U2即SC2272組成,這裏我們將SC2272的1-8腳三態地址編碼設置為1、2、7腳接地。對應的車載報警裝置的發射電路也將三態地址編碼設為l、2、7腳接地。報警電路由震動器J2,蜂嗚器兒和D5、D6兩個不同顏色的LED組成。電源分別有9 V和5 V。將9 V直接供給發射電路,再將9 V經7805降到5 V供給接收電路和報警電路。
[page]
2.2 車載裝置原理圖
車載裝置原理如圖3所示。停車時按下SD鍵,車載接收模塊收到信號經解碼後,單片機檢測到P1.O端口有高電平,此時整個報警係統處於等待狀態,同時揚聲器發出一聲短提示音。
當車體受到輕微震動時,就會被位移傳感器檢測到並產生一微弱電信號送到單片機的P1.3端口,經過單片機的處理分析後在P1.7端口輸出音頻信號使揚聲器工作發出報警聲,同時SC2262第10腳得高點平,車載發射電路得電工作並向遙控器發送報警信號。遙控器接收模塊收到信號輸入14腳進行解碼,同時在11腳和17腳同時輸出一高電平,D6閃爍同時VT導通,蜂鳴器和振動器工作發出報警提示。
當有人體觸碰到觸發端2(555的第二腳)引出的導線時,人體感應的雜波信號電壓由C2加至555的觸發端,使555的輸出由低變成高電平,3腳轉換為高電平輸出驅動電流。同時。555第7腳內部截止,電源便通過R給C充電,當電容C1上電壓上升至電源電壓的2/3時,555第7腳導通使C1放電,使第3腳輸出由高電平變回到低電平。3腳輸出高點送到P1.4端口,經過單片機的處理分析後在P1.7端口輸出音頻信號使揚聲器工作發出報警聲,同時SC2262第ll腳得高點平,車載發射電路得電工作並向遙控器發送報警信號。遙控器接收模塊收到信號輸入14腳進行解碼,同時在11腳和17腳同時輸出一高電平,D7閃爍同時VT導通,蜂鳴器和振動器工作發出報警提示。
按下遙控器的SA時高亮度LED發光在黑暗時可作照明使用,同時高電輸入10腳編碼後發送到車載接收模塊。車載接收模塊收到信號經解碼芯片解碼後在SC2272的11腳輸出一高電平送到單片機P1.1端口,經內部處理後,使揚聲器發出提示聲。
當按下SC時高電平輸入ll腳(jiao),經(jing)編(bian)碼(ma)芯(xin)片(pian)編(bian)碼(ma)後(hou)發(fa)送(song)到(dao)車(che)載(zai)接(jie)收(shou)模(mo)塊(kuai)。車(che)載(zai)接(jie)收(shou)模(mo)塊(kuai)收(shou)到(dao)信(xin)號(hao)後(hou)送(song)入(ru)單(dan)片(pian)機(ji),經(jing)處(chu)理(li)分(fen)析(xi)後(hou)使(shi)整(zheng)個(ge)報(bao)警(jing)係(xi)統(tong)處(chu)於(yu)關(guan)閉(bi)狀(zhuang)態(tai)。繼(ji)電(dian)器(qi)K得電工作,電動車得電自啟動。
2.3 電瓶防盜電路的設計
采用觸摸報警的方式,就是以一個555集(ji)成(cheng)電(dian)路(lu)為(wei)主(zhu)的(de)觸(chu)摸(mo)報(bao)警(jing)延(yan)時(shi)電(dian)路(lu),當(dang)有(you)人(ren)體(ti)接(jie)觸(chu)或(huo)接(jie)近(jin)觸(chu)發(fa)端(duan)時(shi),就(jiu)會(hui)輸(shu)出(chu)一(yi)個(ge)高(gao)電(dian)平(ping)使(shi)報(bao)警(jing)電(dian)路(lu)工(gong)作(zuo),而(er)且(qie)觸(chu)發(fa)端(duan)為(wei)一(yi)根(gen)導(dao)線(xian),隻(zhi)要(yao)將(jiang)其(qi)安(an)放(fang)在(zai)電(dian)瓶(ping)外(wai)殼(ke)的(de)把(ba)手(shou)上(shang)就(jiu)可(ke)以(yi)了(le),安(an)裝(zhuang)方(fang)便(bian)且(qie)實(shi)用(yong)。
3 軟件設計
主程序主要完成以下幾項任務:(1)初始化。設定可編程芯片的工作方式,對內存中的工作參數區進行初始化。(2)在有鍵入操作時讀取鍵值,並跳轉到相應功能的子程序中去。(3)子程序執行完畢返回主循環,等待下一次鍵入。
4 結束語
本設計經過測試可以實現以下功能:
(1)報警信號可采用無線方式傳輸給車主,隱蔽、安全,並加大了監控範圍。
(2)報警信號可選擇振動或蜂鳴方式,更加人性化,方便用戶的使用。
(3)車輛、電池被盜時,以雙路傳輸報警信號,操作簡單,穩定可靠,在200 m~300 m範圍內,都可接收到報警信號,智能化大大提高。
- 一種新型汽車防盜報警器設計方案
- 采用AT89S51單片機及無線收發模塊
- 采用觸摸報警的方式
引言
早期的電動車防盜器材主要是機械式的防盜鎖,它主要是靠鎖定車輪、車che把ba來lai達da到dao防fang盜dao的de目mu的de,但dan隻zhi防fang盜dao不bu報bao警jing。為wei了le克ke服fu機ji械xie鎖suo隻zhi防fang盜dao不bu報bao警jing的de缺que點dian,電dian子zi報bao警jing防fang盜dao器qi應ying運yun而er生sheng。它ta主zhu要yao靠kao車che體ti的de振zhen動dong觸chu發fa聲sheng音yin和he振zhen動dong報bao警jing功gong能neng達da到dao防fang盜dao的de目mu的de。但dan傳chuan統tong電dian子zi防fang盜dao報bao警jing器qi可ke靠kao性xing較jiao差cha。隻zhi是shi車che輛liang本ben身shen發fa出chu報bao警jing聲sheng,車che主zhu有you時shi無wu法fa聽ting到dao。因yin此ci我wo們men需xu要yao一yi種zhong新xin型xing防fang盜dao報bao警jing器qi使shi他ta們men可ke以yi在zai第di一yi時shi間jian得de到dao消xiao息xi以yi便bian盡jin快kuai采cai取qu措cuo施shi製zhi止zhi偷tou盜dao案an件jian發fa生sheng,以yi有you效xiao保bao障zhang個ge人ren財cai物wu安an全quan。
1 設計總方案
本設計采用AT89S51單片機及無線收發模塊作為新型報警器的控製與信號傳輸的核心,並配合編碼譯碼芯片(SC2262\SC2272-M4)對dui信xin號hao進jin行xing編bian碼ma譯yi碼ma。當dang按an下xia手shou持chi遙yao控kong器qi的de鎖suo車che鍵jian時shi,串chuan接jie於yu車che鎖suo回hui路lu的de繼ji電dian器qi斷duan開kai,同tong時shi車che載zai報bao警jing器qi處chu於yu防fang盜dao狀zhuang態tai,在zai位wei移yi傳chuan感gan器qi的de作zuo用yong下xia當dang電dian動dong車che受shou到dao微wei小xiao震zhen動dong時shi或huo有you人ren體ti接jie近jin電dian動dong車che電dian瓶ping時shi發fa出chu報bao警jing聲sheng音yin並bing同tong時shi以yi兩liang路lu不bu同tong的de信xin號hao向xiang200 m~300 m之內遙控器發送報警信號,使遙控器的指示燈點亮,震動器和蜂鳴器工作發出報警信號。同時車載報警器發出報警聲延時15秒後自動停止,並且複位到防盜狀態。

解鎖時按下手持遙控器的解鎖鍵,車載報警器處於非工作狀態,同時繼電器吸合。
2 硬件電路的設計
2.1 手持遙控器電路
手持遙控器原理如圖2所示。電路由發射和接收報警電路組成,發射電路由發射模塊V1、編碼芯片U1組成。U1即SC2262的1-8腳為三態地址編碼,這裏我們將SC2262的7腳接地,同樣車載報警裝置的接收電路的解碼芯片SC2262也設置成7腳接地,否則不能解碼;接收電路由接收模塊V2和解碼芯片U2即SC2272組成,這裏我們將SC2272的1-8腳三態地址編碼設置為1、2、7腳接地。對應的車載報警裝置的發射電路也將三態地址編碼設為l、2、7腳接地。報警電路由震動器J2,蜂嗚器兒和D5、D6兩個不同顏色的LED組成。電源分別有9 V和5 V。將9 V直接供給發射電路,再將9 V經7805降到5 V供給接收電路和報警電路。

2.2 車載裝置原理圖
車載裝置原理如圖3所示。停車時按下SD鍵,車載接收模塊收到信號經解碼後,單片機檢測到P1.O端口有高電平,此時整個報警係統處於等待狀態,同時揚聲器發出一聲短提示音。

當有人體觸碰到觸發端2(555的第二腳)引出的導線時,人體感應的雜波信號電壓由C2加至555的觸發端,使555的輸出由低變成高電平,3腳轉換為高電平輸出驅動電流。同時。555第7腳內部截止,電源便通過R給C充電,當電容C1上電壓上升至電源電壓的2/3時,555第7腳導通使C1放電,使第3腳輸出由高電平變回到低電平。3腳輸出高點送到P1.4端口,經過單片機的處理分析後在P1.7端口輸出音頻信號使揚聲器工作發出報警聲,同時SC2262第ll腳得高點平,車載發射電路得電工作並向遙控器發送報警信號。遙控器接收模塊收到信號輸入14腳進行解碼,同時在11腳和17腳同時輸出一高電平,D7閃爍同時VT導通,蜂鳴器和振動器工作發出報警提示。
按下遙控器的SA時高亮度LED發光在黑暗時可作照明使用,同時高電輸入10腳編碼後發送到車載接收模塊。車載接收模塊收到信號經解碼芯片解碼後在SC2272的11腳輸出一高電平送到單片機P1.1端口,經內部處理後,使揚聲器發出提示聲。
當按下SC時高電平輸入ll腳(jiao),經(jing)編(bian)碼(ma)芯(xin)片(pian)編(bian)碼(ma)後(hou)發(fa)送(song)到(dao)車(che)載(zai)接(jie)收(shou)模(mo)塊(kuai)。車(che)載(zai)接(jie)收(shou)模(mo)塊(kuai)收(shou)到(dao)信(xin)號(hao)後(hou)送(song)入(ru)單(dan)片(pian)機(ji),經(jing)處(chu)理(li)分(fen)析(xi)後(hou)使(shi)整(zheng)個(ge)報(bao)警(jing)係(xi)統(tong)處(chu)於(yu)關(guan)閉(bi)狀(zhuang)態(tai)。繼(ji)電(dian)器(qi)K得電工作,電動車得電自啟動。
2.3 電瓶防盜電路的設計
采用觸摸報警的方式,就是以一個555集(ji)成(cheng)電(dian)路(lu)為(wei)主(zhu)的(de)觸(chu)摸(mo)報(bao)警(jing)延(yan)時(shi)電(dian)路(lu),當(dang)有(you)人(ren)體(ti)接(jie)觸(chu)或(huo)接(jie)近(jin)觸(chu)發(fa)端(duan)時(shi),就(jiu)會(hui)輸(shu)出(chu)一(yi)個(ge)高(gao)電(dian)平(ping)使(shi)報(bao)警(jing)電(dian)路(lu)工(gong)作(zuo),而(er)且(qie)觸(chu)發(fa)端(duan)為(wei)一(yi)根(gen)導(dao)線(xian),隻(zhi)要(yao)將(jiang)其(qi)安(an)放(fang)在(zai)電(dian)瓶(ping)外(wai)殼(ke)的(de)把(ba)手(shou)上(shang)就(jiu)可(ke)以(yi)了(le),安(an)裝(zhuang)方(fang)便(bian)且(qie)實(shi)用(yong)。
3 軟件設計
主程序主要完成以下幾項任務:(1)初始化。設定可編程芯片的工作方式,對內存中的工作參數區進行初始化。(2)在有鍵入操作時讀取鍵值,並跳轉到相應功能的子程序中去。(3)子程序執行完畢返回主循環,等待下一次鍵入。

4 結束語
本設計經過測試可以實現以下功能:
(1)報警信號可采用無線方式傳輸給車主,隱蔽、安全,並加大了監控範圍。
(2)報警信號可選擇振動或蜂鳴方式,更加人性化,方便用戶的使用。
(3)車輛、電池被盜時,以雙路傳輸報警信號,操作簡單,穩定可靠,在200 m~300 m範圍內,都可接收到報警信號,智能化大大提高。
特別推薦
- 噪聲中提取真值!瑞盟科技推出MSA2240電流檢測芯片賦能多元高端測量場景
- 10MHz高頻運行!氮矽科技發布集成驅動GaN芯片,助力電源能效再攀新高
- 失真度僅0.002%!力芯微推出超低內阻、超低失真4PST模擬開關
- 一“芯”雙電!聖邦微電子發布雙輸出電源芯片,簡化AFE與音頻設計
- 一機適配萬端:金升陽推出1200W可編程電源,賦能高端裝備製造
技術文章更多>>
- 築基AI4S:摩爾線程全功能GPU加速中國生命科學自主生態
- 一秒檢測,成本降至萬分之一,光引科技把幾十萬的台式光譜儀“搬”到了手腕上
- AI服務器電源機櫃Power Rack HVDC MW級測試方案
- 突破工藝邊界,奎芯科技LPDDR5X IP矽驗證通過,速率達9600Mbps
- 通過直接、準確、自動測量超低範圍的氯殘留來推動反滲透膜保護
技術白皮書下載更多>>
- 車規與基於V2X的車輛協同主動避撞技術展望
- 數字隔離助力新能源汽車安全隔離的新挑戰
- 汽車模塊拋負載的解決方案
- 車用連接器的安全創新應用
- Melexis Actuators Business Unit
- Position / Current Sensors - Triaxis Hall
熱門搜索
微波功率管
微波開關
微波連接器
微波器件
微波三極管
微波振蕩器
微電機
微調電容
微動開關
微蜂窩
位置傳感器
溫度保險絲
溫度傳感器
溫控開關
溫控可控矽
聞泰
穩壓電源
穩壓二極管
穩壓管
無焊端子
無線充電
無線監控
無源濾波器
五金工具
物聯網
顯示模塊
顯微鏡結構
線圈
線繞電位器
線繞電阻




