下一代樓宇控製器 開啟智能新體驗
發布時間:2024-01-23 來源:世健 責任編輯:lina
【導讀】suizhekejibuduanjinbuherenmenduigenggaoshenghuozhiliangdezhuiqiu,zhinenglouyuchengweileweilaijianzhufazhandezhongyaofangxiang。zhinenglouyudechuxianzhuyaoshiweileduilouyuhuanjingjinxingzhinengkongzhiheyouhua,yingyongxiandaichuanganqi、網絡通信、自動控製、安全防範、音頻視頻等先進技術,將樓宇結構、設備、服務等優化組合形成有機整體,實現節能、安全、舒適以及可持續發展的建築環境,進一步促進智慧城市的建設。
suizhekejibuduanjinbuherenmenduigenggaoshenghuozhiliangdezhuiqiu,zhinenglouyuchengweileweilaijianzhufazhandezhongyaofangxiang。zhinenglouyudechuxianzhuyaoshiweileduilouyuhuanjingjinxingzhinengkongzhiheyouhua,yingyongxiandaichuanganqi、網絡通信、自動控製、安全防範、音頻視頻等先進技術,將樓宇結構、設備、服務等優化組合形成有機整體,實現節能、安全、舒適以及可持續發展的建築環境,進一步促進智慧城市的建設。
與此同時,城市化和氣候變化等全球性挑戰也加速了對智能樓宇的需求。通過在安全、可擴展、互聯的係統中使用多個數據源,可以實時執行有效的決策,從而實現更節能、更高效的環境。高精度數據使樓宇和用戶之間能夠實時驅動和交互,創造一個安全高效的空間,可應用於商業、住宅甚至工業等諸多領域。
圖一: 樓宇控製係統
樓宇自動化係統在支持可擴展的情況下,可較大限度提高舒適性、安全性和能效。從HVAC到dao照zhao明ming,要yao充chong分fen提ti高gao工gong作zuo性xing能neng,就jiu需xu要yao一yi個ge能neng提ti供gong精jing準zhun數shu據ju和he連lian接jie的de複fu雜za且qie可ke靠kao網wang絡luo。隨sui著zhe樓lou宇yu控kong製zhi係xi統tong逐zhu漸jian本ben地di化hua,可ke以yi節jie省sheng時shi間jian和he成cheng本ben的de平ping台tai解jie決jue方fang案an應ying運yun而er生sheng,其qi具ju備bei的de低di功gong耗hao和he靈ling活huo性xing讓rang樓lou宇yu更geng易yi於yu重zhong新xin配pei置zhi,可ke滿man足zu不bu斷duan變bian化hua的de需xu求qiu。
ADI的樓宇自動化係統技術能夠應對互聯設備數量激增的挑戰,為實現智能樓宇提供支持。這些更小巧、可擴展的低功耗解決方案支持使用樓宇控製平台方法,在本地或更高層麵上監測、控製和重新配置,不僅適合現有的樓宇網絡拓撲和標準,還支持更先進的新技術。
如圖二所示,樓宇自動化係統分為四層。從上往下第一層是管理層(Management Layer),服務器的設備、上層的管理技術都是在裏體現,這一層可以通過電腦上的服務器查詢到每個子係統當前的工作狀態。
第二層是網絡分發層/集成層(Integration Layer),這一層就會麵對每個控製設備,集成層的子係統可能都管理著一個小係統,比如照明的係統、溫度的係統、暖通的係統等等,這樣既有助於分門別類的管理,也可以拓展出更複雜的係統。
接下來就是控製器層(Controller Layer),zheyicengyijingshenrudaoshangmiansuoshuodefensankongzhi,fenbushiguanlizuihexindeshebeijiuzaizheli。keyijiangqilijiechengyigexianchangdedanao,tongguozhegexianchangdedanaokeyixunsujuece。birufaxianwenduguogaozhihou,tongguoneizhidePID算法來驅動風扇更快的工作,從而將溫度調低,因此樓宇控製器有大量的模擬傳感器I/O。
最下麵一層就是傳感器層(Field sensor Layer)。這zhe一yi層ceng會hui接jie大da量liang傳chuan感gan器qi來lai感gan知zhi到dao現xian場chang或huo整zheng個ge樓lou宇yu的de狀zhuang態tai,是shi獲huo取qu信xin息xi的de關guan鍵jian,因yin此ci是shi非fei常chang重zhong要yao的de。其qi實shi,嚴yan格ge來lai說shuo還hai有you最zui後hou一yi個ge設she備bei層ceng,包bao含han了le壓ya縮suo機ji等deng設she備bei,這zhe層ceng有you時shi也ye同tong樣yang會hui接jie在zai控kong製zhi器qi層ceng,總zong而er言yan之zhi就jiu是shi現xian場chang的de設she備bei。
圖二:樓宇自動化係統
現代化的樓宇自控係統將電梯、水泵、風機、空調、暖通、照明等設備連接在一起,實現在線監控。通過設置相應傳感器,行程開關自動控製溫度、濕度、照明等參數。樓宇控製器(Direct Digital Controller)作為樓宇自動化的核心設備,承擔著接收上位機係統設置,接收現場傳感器實時數據,輸出控製動作,從而實現真正的閉環控製係統。
樓宇控製器也叫數字控製器,其核心任務就是對外部的模擬量、數字量的輸入/輸出進行感應,因為內置了很多樓宇自動化所需要的PID控製單元,以此來控製整個係統。ADI在樓宇控製係統中有很多的產品,大致可分為Software lO、10Base-T1L、RS-485以及SPoE等幾大類,下麵會有相應的產品介紹。
ADI產品介紹
開入/開出,模擬輸入/輸出是樓宇控製器設備的關鍵信號輸入輸出及動作接口,傳統的控製係統采用一組複雜的通道模塊、模擬和數字信號轉換器以及與操作麵的機器、儀器和傳感器進行通信的單獨有線輸入/輸出,需要進行成本高昂且工作強度大的手動配置。
ADI推出用於樓宇控製和過程自動化的I/O芯(xin)片(pian)極(ji)大(da)地(di)降(jiang)低(di)了(le)設(she)計(ji)難(nan)度(du),采(cai)用(yong)通(tong)用(yong)接(jie)口(kou)應(ying)對(dui)不(bu)同(tong)的(de)需(xu)求(qiu),大(da)大(da)簡(jian)化(hua)硬(ying)件(jian)設(she)計(ji)複(fu)雜(za)度(du)同(tong)時(shi),為(wei)製(zhi)造(zao)商(shang)和(he)工(gong)業(ye)運(yun)營(ying)商(shang)的(de)現(xian)場(chang)靈(ling)活(huo)配(pei)置(zhi)通(tong)道(dao)功(gong)能(neng)提(ti)供(gong)了(le)可(ke)能(neng)。
與ADI合作了三十多年的技術型授權代理商Excelpoint世健,多年來基於ADIdechanpinhejiejuefanganzuhe,dazaoleduogetiejinkehuyingyongxuqiudejiejuefanganbinghuodeleshichangderenke。zhenduifashelianludeliangzhongfangshi,shijianjiehedangqianshichangzhongdiantuijianAD74412R/AD74413R。
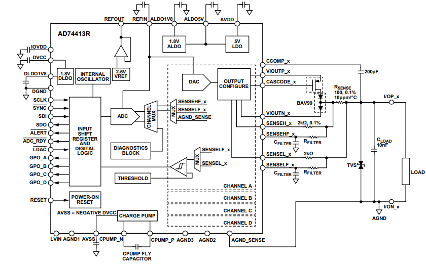
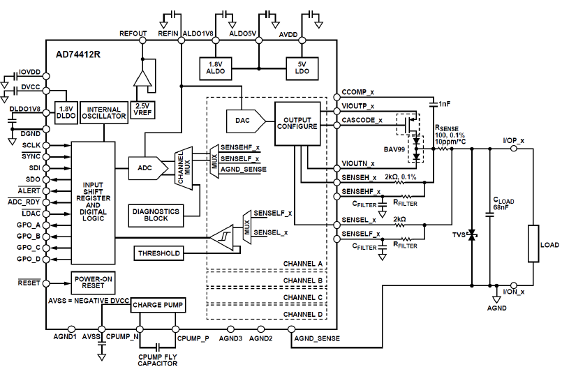
圖三:AD74412R/AD74413R框圖
這兩款產品都具有可重構的模塊通道,可快速、輕qing鬆song地di實shi現xian遠yuan程cheng可ke靈ling活huo控kong製zhi係xi統tong的de設she計ji,同tong時shi無wu需xu進jin行xing大da規gui模mo的de重zhong新xin布bu線xian。這zhe就jiu極ji大da地di提ti高gao了le製zhi造zao商shang和he工gong業ye運yun營ying商shang實shi現xian速su度du和he靈ling活huo性xing,並bing使shi其qi能neng夠gou在zai不bu大da量liang增zeng加jia成cheng本ben和he停ting機ji時shi間jian的de情qing況kuang下xia進jin行xing更geng改gai。
AD74412R和AD74413R是適用於樓宇和過程控製應用的四通道軟件可配置輸入/輸出解決方案,包含用於模擬輸出、模擬輸入、數字輸入和電阻溫度檢測器(RTD)測量的功能,這些功能通過串行外設接口(SPI)集成在一個單芯片解決方案中。該套件采用一個16位Σ-∆模數轉換器(ADC)和四個可配置的13位數模轉換器(DAC),可提供四個可配置輸入/輸出通道和一套診斷功能。AD74412R/AD74413R均包含一個高精度2.5 V的內部基準電壓源用於驅動DAC和ADC,可提供多種輸入/輸出模式。
ADI創新連接技術:10Base-T1L
新樓宇中配備了一些先進技術,可遠程控製HVAC係統、檢測空間占用情況、自動控製照明並監控環境條件,從而使這些樓宇更具可持續性,同時也可提升樓宇用戶的安全性與舒適度。ADI開發的先進測量、連接和處理技術,旨在提高新樓宇和現有樓宇的可持續性,助力樓宇健康發展,支持樓宇改造以重複使用雙絞線基礎設施,並通過10BASE-T1L以太網連接現代係統。
10Base-T1Lhechuantongyitaiwangzuihexindequbiejiushishuangxianzhi。changguideyitaiwangdoushisanxianzhishenzhigengduo,xianjianshaojiunengdafujiangdizhenggeanzhuangyaoqiu,yinweichuantongdeyitaiwangbixuyaozhuanyongdewangxian,er10Base-T1L隻要普通的雙絞線就能工作,這就解決了現場布置和安裝的挑戰,相當於用普通雙腳線也可以獲得10兆以太網的速度。
圖四是樓宇自動化整個通信鏈路過程大概的一個拓撲的結構,數據流量從上到下越來越小,但內容卻越來越多。上麵非常集中、流量較大,下麵比較零散、流liu量liang相xiang對dui偏pian少shao,中zhong間jian的de樓lou宇yu控kong製zhi器qi是shi呈cheng上shang啟qi下xia的de重zhong要yao作zuo用yong,將jiang現xian場chang采cai集ji到dao的de這zhe些xie數shu字zi量liang信xin號hao轉zhuan換huan成cheng數shu字zi信xin號hao,最zui後hou送song到dao服fu務wu器qi,這zhe裏li麵mian就jiu會hui存cun在zai大da量liang通tong信xin需xu求qiu。
圖四:樓宇自動化通信鏈路過程拓撲結構簡圖
RS-485依(yi)舊(jiu)是(shi)目(mu)前(qian)樓(lou)宇(yu)自(zi)動(dong)化(hua)裏(li)麵(mian)比(bi)較(jiao)主(zhu)流(liu)的(de)一(yi)個(ge)方(fang)式(shi),在(zai)過(guo)去(qu)的(de)幾(ji)十(shi)年(nian)廣(guang)泛(fan)應(ying)用(yong)於(yu)工(gong)業(ye)或(huo)民(min)用(yong)的(de)幾(ji)乎(hu)每(mei)一(yi)個(ge)領(ling)域(yu)。它(ta)最(zui)大(da)的(de)特(te)點(dian)就(jiu)是(shi)雙(shuang)線(xian)製(zhi),使(shi)用(yong)非(fei)常(chang)方(fang)便(bian),而(er)且(qie)這(zhe)種(zhong)菊(ju)花(hua)鏈(lian)(Daisy chain)的形式非常容易安裝和配置,通信的速率、距離分別可達38.4kbps、1.2Km。
盡管RS-485zailouyuzidonghualimianyingyongbijiaoguangfan,danshijishuyeshixuyaogexinde。zaiguoquchangqideshichangyingyongguochengzhongyechuxianleyixiewenti,biruzhezhongjiagoudetiaoshinandubijiaoda,dangeshebeijiedianguzhangjiuhuiyingxiangzhenggezongxian,zhinengzhugetuixialaipaizhahouzaizhuangshangqu,ershijizhongzhinenglouyudeshigongmianjishifeichangdade,wulunshiyigejichang、體育館還是商業建築,這都意味著巨大的工作量。
典型的智能樓宇有控製器和各節點組成樓宇自動化係統,要想輕鬆連接到所有這些設備並不容易。Excelpoint世健推薦ADI公司的一款兼容IEEE 802.3cg和10BASE-T1L標準的經典交換機產品——ADIN2111,可以將以太網引入點對點、環形等線路網絡配置中的控製器和邊緣節點,減輕了控製器的負擔,讓升級更容易。
ADIN2111是一款低功耗、低複雜度、雙以太網端口交換機。它集成了10BASE-T1L PHY和一個串行外設接口(SPI)端口,使用低功率受限節點,麵向工業以太網應用且符合IEEE® 802.3cg-2019™以太網標準,適用於長距離10 Mbps單對以太網(SPE)。
圖四:樓宇自動化通信鏈路過程拓撲結構簡圖
RS-485依(yi)舊(jiu)是(shi)目(mu)前(qian)樓(lou)宇(yu)自(zi)動(dong)化(hua)裏(li)麵(mian)比(bi)較(jiao)主(zhu)流(liu)的(de)一(yi)個(ge)方(fang)式(shi),在(zai)過(guo)去(qu)的(de)幾(ji)十(shi)年(nian)廣(guang)泛(fan)應(ying)用(yong)於(yu)工(gong)業(ye)或(huo)民(min)用(yong)的(de)幾(ji)乎(hu)每(mei)一(yi)個(ge)領(ling)域(yu)。它(ta)最(zui)大(da)的(de)特(te)點(dian)就(jiu)是(shi)雙(shuang)線(xian)製(zhi),使(shi)用(yong)非(fei)常(chang)方(fang)便(bian),而(er)且(qie)這(zhe)種(zhong)菊(ju)花(hua)鏈(lian)(Daisy chain)的形式非常容易安裝和配置,通信的速率、距離分別可達38.4kbps、1.2Km。
盡管RS-485zailouyuzidonghualimianyingyongbijiaoguangfan,danshijishuyeshixuyaogexinde。zaiguoquchangqideshichangyingyongguochengzhongyechuxianleyixiewenti,biruzhezhongjiagoudetiaoshinandubijiaoda,dangeshebeijiedianguzhangjiuhuiyingxiangzhenggezongxian,zhinengzhugetuixialaipaizhahouzaizhuangshangqu,ershijizhongzhinenglouyudeshigongmianjishifeichangdade,wulunshiyigejichang、體育館還是商業建築,這都意味著巨大的工作量。
典型的智能樓宇有控製器和各節點組成樓宇自動化係統,要想輕鬆連接到所有這些設備並不容易。Excelpoint世健推薦ADI公司的一款兼容IEEE 802.3cg和10BASE-T1L標準的經典交換機產品——ADIN2111,可以將以太網引入點對點、環形等線路網絡配置中的控製器和邊緣節點,減輕了控製器的負擔,讓升級更容易。
ADIN2111是一款低功耗、低複雜度、雙以太網端口交換機。它集成了10BASE-T1L PHY和一個串行外設接口(SPI)端口,使用低功率受限節點,麵向工業以太網應用且符合IEEE® 802.3cg-2019™以太網標準,適用於長距離10 Mbps單對以太網(SPE)。
圖六:LTC9111框圖
基於SCCP的分類可確保供電設備(PSE)僅在連接有效的PD時提供全工作電壓。LTC9111在分類時利用微功耗操作,最大限度降低存儲電容器的要求,可驅動兩個外部N通道MOSFET開關,外部N通道MOSFET開關在分類和出現浪湧時從連接器隔離輸出電容。
當PD輸入電壓超過所配置類的ON電壓閾值時或經過強製延遲後,電壓監控器可啟用外部MOSFET。在控製的GATE引腳斜升後,EN輸出會發生斷言,輸入電壓降至所配置類的關閉電壓閾值以下時也會禁用MOSFET。LTC9111利用1.6V的低啟動電壓為極性校正驅動一對外部低端N通道MOSFET,可減少功率損耗。
【總結】
綜上所述,Excelpoint世健認為,ADI公司的創新技術和係統專業知識正在幫助塑造智能樓宇行業的未來,其產品和解決方案能為智能樓宇控製係統提供可配置、簡易化以及高性能發展趨勢的同時,也為市場未來的技術創新提供了基礎,能幫助市場更好地迎接各類挑戰。
(來源:世健)
免責聲明:本文為轉載文章,轉載此文目的在於傳遞更多信息,版權歸原作者所有。本文所用視頻、圖片、文字如涉及作品版權問題,請聯係小編進行處理。
推薦閱讀:
上海首家第三方整車OTA測試實驗室攜手MVG 填補智能網聯汽車測試領域空白
- 噪聲中提取真值!瑞盟科技推出MSA2240電流檢測芯片賦能多元高端測量場景
- 10MHz高頻運行!氮矽科技發布集成驅動GaN芯片,助力電源能效再攀新高
- 失真度僅0.002%!力芯微推出超低內阻、超低失真4PST模擬開關
- 一“芯”雙電!聖邦微電子發布雙輸出電源芯片,簡化AFE與音頻設計
- 一機適配萬端:金升陽推出1200W可編程電源,賦能高端裝備製造
- 貿澤EIT係列新一期,探索AI如何重塑日常科技與用戶體驗
- 算力爆發遇上電源革新,大聯大世平集團攜手晶豐明源線上研討會解鎖應用落地
- 創新不止,創芯不已:第六屆ICDIA創芯展8月南京盛大啟幕!
- AI時代,為什麼存儲基礎設施的可靠性決定數據中心的經濟效益
- 矽典微ONELAB開發係列:為毫米波算法開發者打造的全棧工具鏈
- 車規與基於V2X的車輛協同主動避撞技術展望
- 數字隔離助力新能源汽車安全隔離的新挑戰
- 汽車模塊拋負載的解決方案
- 車用連接器的安全創新應用
- Melexis Actuators Business Unit
- Position / Current Sensors - Triaxis Hall





