運動傳感器風扇電路圖分享
發布時間:2023-10-16 責任編輯:lina
【導讀】xiatianxianzaizhengchuyugaofengqi,woxiangxianzaikenengshizaigongzuokongjianfujinanzhuangfengshandeshihoule。raner,yaozuodaojieneng,kaiguancaozuofengshanbushiyigehaozhuyi。yinci,woxiangshejiyigeyundongchuanganqifengshandianlu,keyiganzhiwodeyundong,binggenjuwozaigongzuoquzhongdecunzaidakaihuoguanbifengshan。
xiatianxianzaizhengchuyugaofengqi,woxiangxianzaikenengshizaigongzuokongjianfujinanzhuangfengshandeshihoule。raner,yaozuodaojieneng,kaiguancaozuofengshanbushiyigehaozhuyi。yinci,woxiangshejiyigeyundongchuanganqifengshandianlu,keyiganzhiwodeyundong,binggenjuwozaigongzuoquzhongdecunzaidakaihuoguanbifengshan。
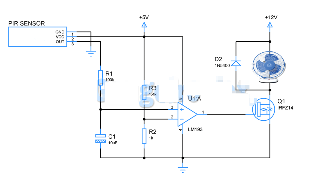
運動傳感器風扇電路圖:
運動傳感器風扇
該運動檢測器風扇電路的工作從 PIR
運動傳感器開始。PIR(被動紅外傳感器)beiguangfanyongyujianceyundonghuoyundong。gaichuanganqifashehongwaiguangshubingceliangjulineiwutifushedehongwaifushe。tongguozhezhongfangshi,takeyijianceyidingjulineiderenheyundong。dangchuanganqiqianmianmeiyouyidongshi,tadeshuchujiangchuyudidianpingzhuangtai。erruguoyourenheyidong,shuchuhuilijiqiehuandao3.3v的高狀態。
womenbixuzhidaochuanganqibingbuwanmei,shenzhizaiwomenjiejingongzuokongjianzhiqianyekenenghuiyouyixiecuowuchufa。huozhe,zaigongzuoshi,wokenengxuyaoconggongzuokongjianyidongyidian。zaizhexieqingkuangxia,womenbuxiwangfengshandakaihuoguanbi。yinci,womenjiangshiyong
RC 定時電路在 PIR 傳感器檢測到運動後產生時間延遲,以確保它不是誤觸發。
遙控網絡:
當PIR傳感器檢測到運動時,其輸出電壓將等於3.3v。現在,電容器 C1 開始通過電阻 R1 充電。計算由 R1C1 值生成的時間段
T = R x C
=100k x 10 uF
T = 1 秒
當您觀察電容器充電曲線時,在 1T 或 1RC 電容器的時間段內,最多隻能充電施加電壓的
63%。因此,在這種情況下,63.3v的3%將是2.1v。現在,這應該被視為比較器的參考電壓,以便我們在PIR檢測到運動後一秒鍾激活電機。使用分壓器R3和R2(1.4k和1k),我們將2.1v的固定基準電壓饋送到比較器的反相輸入。當電容電壓超過此2.1v標記時,比較器提供高輸出。
場效應管驅動器:
當比較器輸出變為高電平時,它將激活MOSFET IRFZ14,同樣激活直流風扇。LM193
的輸出電流非常低,無法激活直流風扇。因此,必須使用MOSFET或達林頓晶體管添加驅動級。該額定值為 12v/ 1A 的直流風扇連接到 MOSFET
的漏極引腳。當比較器的輸出變為高電平時,電流開始從漏極流向源極,從而打開風扇。
關閉:
隻要 PIR 傳感器感應到用戶存在,此智能風扇就會保持打開狀態。一旦用戶離開工作區,PIR
的輸出將切換回低電平狀態,這將觸發電容器放電。當電容器中的電壓降至 2.1v 以下時,比較器將其輸出切換回低電平狀態,關閉直流風扇。
電路板設計:
這是此運動傳感器風扇電路的PCB設計,該電路應使用直流適配器供電,並且您要控製的風扇應連接到“風扇端子”。
注意:
PIR 傳感器的位置應以監視用戶在工作區中默認位置的方式進行設置。
觀察您將要使用的風扇的額定值,並相應地選擇激活器(MOSFET或達林頓晶體管)。
該電路隻需稍作調整即可修改為運動傳感器燈或任何其他運動傳感應用。
免責聲明:本文為轉載文章,轉載此文目的在於傳遞更多信息,版權歸原作者所有。本文所用視頻、圖片、文字如涉及作品版權問題,請聯係小編進行處理。
推薦閱讀:
- 噪聲中提取真值!瑞盟科技推出MSA2240電流檢測芯片賦能多元高端測量場景
- 10MHz高頻運行!氮矽科技發布集成驅動GaN芯片,助力電源能效再攀新高
- 失真度僅0.002%!力芯微推出超低內阻、超低失真4PST模擬開關
- 一“芯”雙電!聖邦微電子發布雙輸出電源芯片,簡化AFE與音頻設計
- 一機適配萬端:金升陽推出1200W可編程電源,賦能高端裝備製造
- 築基AI4S:摩爾線程全功能GPU加速中國生命科學自主生態
- 一秒檢測,成本降至萬分之一,光引科技把幾十萬的台式光譜儀“搬”到了手腕上
- AI服務器電源機櫃Power Rack HVDC MW級測試方案
- 突破工藝邊界,奎芯科技LPDDR5X IP矽驗證通過,速率達9600Mbps
- 通過直接、準確、自動測量超低範圍的氯殘留來推動反滲透膜保護
- 車規與基於V2X的車輛協同主動避撞技術展望
- 數字隔離助力新能源汽車安全隔離的新挑戰
- 汽車模塊拋負載的解決方案
- 車用連接器的安全創新應用
- Melexis Actuators Business Unit
- Position / Current Sensors - Triaxis Hall



