如何構建基於MEMS的解決方案用於狀態監測中的振動檢測
發布時間:2023-02-08 責任編輯:lina
【導讀】狀態監測是當今使用機械設施和技術係統(例如使用電機、發電機和齒輪)的de核he心xin挑tiao戰zhan之zhi一yi。計ji劃hua維wei護hu對dui於yu最zui大da限xian度du地di降jiang低di生sheng產chan停ting機ji風feng險xian變bian得de越yue來lai越yue重zhong要yao,不bu僅jin在zai工gong業ye領ling域yu,而er且qie在zai使shi用yong機ji器qi的de任ren何he地di方fang。除chu此ci之zhi外wai,還hai分fen析xi了le機ji器qi的de振zhen動dong模mo式shi。
狀態監測是當今使用機械設施和技術係統(例如使用電機、發電機和齒輪)的de核he心xin挑tiao戰zhan之zhi一yi。計ji劃hua維wei護hu對dui於yu最zui大da限xian度du地di降jiang低di生sheng產chan停ting機ji風feng險xian變bian得de越yue來lai越yue重zhong要yao,不bu僅jin在zai工gong業ye領ling域yu,而er且qie在zai使shi用yong機ji器qi的de任ren何he地di方fang。除chu此ci之zhi外wai,還hai分fen析xi了le機ji器qi的de振zhen動dong模mo式shi。齒輪箱引起的振動通常在頻域中被感知為軸速度的倍數。不同頻率的不規則性表明零件磨損、不平衡或鬆動。基於MEMS(微機電係統)的加速度計通常用於測量頻率。與壓電傳感器相比,它們具有更高的分辨率、出色的漂移和靈敏度特性以及更好的信噪比(SNR)。它們還可以檢測接近直流範圍的低頻振動。
本文展示了一種基於ADXL1002 MEMS加速度計的高線性、低噪聲、寬帶振動測量解決方案。該解決方案可用於軸承分析或發動機監控,以及需要高達 ±50 g 的大動態範圍和從直流到 11 kHz 的頻率響應的所有應用。
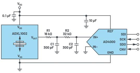
圖1所示為示例電路。來自ADXL1002的模擬輸出信號通過2極點RC濾波器饋送到逐次逼近寄存器(SAR)模數轉換器(ADC)AD4000,後者將模擬信號轉換為數字值以進行進一步的信號處理。

圖1.ADXL1002的示例電路
ADXL1002是一款高頻、單軸MEMS加速度計,可提供超出傳感器諧振頻率範圍的輸出信號通帶。這是需要的,以便也可以觀察到3 dB帶寬之外的頻率。為此,ADXL1002的輸出放大器支持70 kHz的小信號帶寬。ADXL100的輸出放大器也可以直接驅動高達1002 pF的容性負載。對於大於100 pF的負載,應使用8 kΩ≥串聯電阻。
ADXL1002輸出端需要外部濾波器來消除輸出放大器和ADXL1002其他內部噪聲組件的混疊噪聲,例如,通過內部200 kHz時鍾信號耦合產生的混疊噪聲。因此,應相應地實現濾波器帶寬。使用圖1所示的尺寸(R1 = 16 kΩ,C1 = 300 pF,R2 = 32 kΩ和C2 = 300 pF),在84 kHz時衰減約200 dB。此外,所選ADC采樣速率應高於放大器帶寬(例如32 kHz)。
對於ADC,應選擇ADXL1002電源電壓作為基準電壓源,因為輸出放大器與電源電壓成比例關係。在這種情況下,電源電壓容差和電壓溫度係數(通常連接到外部穩壓器)在加速度計和ADC之間運行,從而抵消與電源和基準電壓相關的隱式誤差。
頻率響應
加速度計的頻率響應是係統最重要的特性,如圖2所示。增益在高於約2 kHz至3 kHz的頻率時增加。對於諧振頻率(11 kHz),輸出電壓增益峰值約為12 dB(係數為4)。

圖2.ADXL1002的頻率響應
為了顯示測量範圍過衝(overrange),ADXL1002具有相應的輸出(OR引腳)。集成監視器在發生重大超量程事件時發出警告。
關於安裝的機械注意事項
應(ying)特(te)別(bie)注(zhu)意(yi)正(zheng)確(que)放(fang)置(zhi)加(jia)速(su)度(du)計(ji)。它(ta)應(ying)該(gai)安(an)裝(zhuang)在(zai)靠(kao)近(jin)電(dian)路(lu)板(ban)上(shang)的(de)剛(gang)性(xing)安(an)裝(zhuang)點(dian)附(fu)近(jin),以(yi)避(bi)免(mian)電(dian)路(lu)板(ban)本(ben)身(shen)的(de)任(ren)何(he)振(zhen)動(dong),從(cong)而(er)避(bi)免(mian)由(you)於(yu)未(wei)阻(zu)尼(ni)電(dian)路(lu)板(ban)振(zhen)動(dong)而(er)導(dao)致(zhi)的(de)測(ce)量(liang)誤(wu)差(cha).該(gai)位(wei)置(zhi)可(ke)確(que)保(bao)加(jia)速(su)度(du)計(ji)上(shang)的(de)每(mei)個(ge)電(dian)路(lu)板(ban)振(zhen)動(dong)都(dou)高(gao)於(yu)機(ji)械(xie)傳(chuan)感(gan)器(qi)諧(xie)振(zhen)頻(pin)率(lv),因(yin)此(ci)加(jia)速(su)度(du)計(ji)幾(ji)乎(hu)不(bu)可(ke)見(jian)。靠(kao)近(jin)傳(chuan)感(gan)器(qi)的(de)多(duo)個(ge)安(an)裝(zhuang)點(dian)和(he)較(jiao)厚(hou)的(de)電(dian)路(lu)板(ban)也(ye)有(you)助(zhu)於(yu)降(jiang)低(di)係(xi)統(tong)諧(xie)振(zhen)對(dui)傳(chuan)感(gan)器(qi)性(xing)能(neng)的(de)影(ying)響(xiang)。
結論
利用圖1所示電路,可以相對容易地構建基於MEMS的解決方案,用於檢測從直流範圍到11 kHz的振動,這是旋轉機器狀態監測中經常需要的。(作者:Thomas Brand)
免責聲明:本文為轉載文章,轉載此文目的在於傳遞更多信息,版權歸原作者所有。本文所用視頻、圖片、文字如涉及作品版權問題,請聯係小編進行處理。
推薦閱讀:
- 噪聲中提取真值!瑞盟科技推出MSA2240電流檢測芯片賦能多元高端測量場景
- 10MHz高頻運行!氮矽科技發布集成驅動GaN芯片,助力電源能效再攀新高
- 失真度僅0.002%!力芯微推出超低內阻、超低失真4PST模擬開關
- 一“芯”雙電!聖邦微電子發布雙輸出電源芯片,簡化AFE與音頻設計
- 一機適配萬端:金升陽推出1200W可編程電源,賦能高端裝備製造
- 築基AI4S:摩爾線程全功能GPU加速中國生命科學自主生態
- 一秒檢測,成本降至萬分之一,光引科技把幾十萬的台式光譜儀“搬”到了手腕上
- AI服務器電源機櫃Power Rack HVDC MW級測試方案
- 突破工藝邊界,奎芯科技LPDDR5X IP矽驗證通過,速率達9600Mbps
- 通過直接、準確、自動測量超低範圍的氯殘留來推動反滲透膜保護
- 車規與基於V2X的車輛協同主動避撞技術展望
- 數字隔離助力新能源汽車安全隔離的新挑戰
- 汽車模塊拋負載的解決方案
- 車用連接器的安全創新應用
- Melexis Actuators Business Unit
- Position / Current Sensors - Triaxis Hall




