能源危機下輔助駕駛算力技術路線展望
發布時間:2022-10-12 責任編輯:lina
【導讀】根據中國國家應急管理部門統計,2022年第一季度,智能汽車發生自燃的事故一共發生了640起,平均1天有7輛電動車發生自燃。電動車起火的原因主要是以下幾點:電池過熱、電池老化、電池遭受碰撞、高負荷運行等等。其中,電池的高負荷運行是最嚴重的原因之一。
ADAS高功耗、低效率所帶來的能源危機
新能源車發熱和能耗問題
根據中國國家應急管理部門統計,2022年第一季度,智能汽車發生自燃的事故一共發生了640起,平均1天有7輛電動車發生自燃。電動車起火的原因主要是以下幾點:電池過熱、電池老化、電池遭受碰撞、高負荷運行等等。其中,電池的高負荷運行是最嚴重的原因之一。
視覺算法算力的高功耗和低效率
隨著特斯拉通過視覺算法來實現自動駕駛。各大Tier 1大廠紛紛進入算力的軍備競賽,算力不斷加大,較大的算力需要消耗較高的功耗。

圖1 視覺算法引發功率消耗問題
ADAS的多傳感器融合策略
shijishangzidongjiashilingyu,bianhuadequyuzhanzhenggetuxiangdehenxiaoyibufen,dabufenshijiaoshujushiwuyongshuju。chuantongdeshijiaochulihuafeiledaliangjinglilaichulizhexiewuyongdebeijing,zhelangfeiledaliangdesuanliheshijian。caiyongshijianchulixitong,tongguoshijianxitongchufapanduanfangshi,keyitigao100-1000倍的處理速度,減少運算量。

圖2 多傳感器融合技術策略
事件相機無法提供深度信息,目前依靠相機的計算方式還屬於簡單的蠻力計算。采用事件相機結合激光雷達、毫米波雷達、超聲波雷達等方式就可以實現完美的3D感知。同時,也可以避免依靠海量數據和海量算力造成的資源浪費。
ADAS域架構多傳感器融合技術
多傳感器同步問題
圖像事件係統能解決視覺識別的大部分算法,但是,它也存在一些局限性。除了傳統的圖像算法,激光雷達、毫米波雷達、超聲波雷達也越來越多地被用於ADAS。隨著ADAS的智能化要求的不斷提高,自動駕駛係統需要采用多個不同類型的傳感器協同處理的方式實現。

圖3 多傳感器融合麵臨時間延遲的挑戰
各ge傳chuan感gan器qi采cai集ji數shu據ju,然ran後hou通tong過guo總zong線xian發fa送song給gei域yu控kong製zhi器qi,存cun在zai一yi定ding程cheng度du的de延yan時shi,並bing且qie,各ge傳chuan感gan器qi延yan時shi的de時shi長chang不bu固gu定ding。為wei了le提ti高gao自zi動dong駕jia駛shi的de傳chuan感gan器qi之zhi間jian的de深shen度du融rong合he、決策規劃和融合定位等性能,自動駕駛高級域控製器與其關聯的傳感器均需要做時間同步。
常用的時間同步主要包括:GPS同步、SyncE、NTP和PTP(IEEE 1588)時間同步。對於ADAS來說,主要采用的是時間敏感網絡TSN(Time Sensitive Network)技術。

圖4 時間敏網絡技術TSN原理
TSN最初來源於音視頻領域Ethernet AVB的應用需求,用於解決音視頻網絡的高帶寬、高實時性、和高傳輸質量的需求。TSN的核心原理是基於時間流量調度和管理,通過TSN網絡中的時間感知整形器TAS(Time Aware Shaper)的調度來實現的。

圖5 采用鎖相環技術實現時鍾頻率相位鎖定
TSN可ke以yi比bi較jiao精jing確que的de計ji算suan出chu傳chuan輸shu線xian的de時shi延yan問wen題ti。但dan是shi,如ru果guo主zhu從cong設she備bei采cai用yong自zi己ji獨du立li的de時shi鍾zhong,還hai會hui存cun在zai頻pin偏pian問wen題ti,這zhe就jiu需xu要yao采cai用yong精jing度du非fei常chang高gao的de晶jing振zhen來lai實shi現xian傳chuan輸shu功gong能neng。基ji於yu成cheng本ben等deng綜zong合he考kao慮lv,通tong常chang采cai用yongOCXO/VCXO+PLL的方式實現從設備時鍾的頻率鎖定,與主時鍾實現頻率同步。
在ADAS應用中,采用TSN結合OCXO+鎖相環的方式,就可以實現各傳感單元和GPU/FPGA的時間同步,消除累計誤差,實現時鍾源的統一和多傳感器完全融合。
傳感器高速數據交換問題
圖(tu)像(xiang)事(shi)件(jian)係(xi)統(tong)含(han)有(you)海(hai)量(liang)數(shu)據(ju),要(yao)滿(man)足(zu)多(duo)傳(chuan)感(gan)器(qi)深(shen)度(du)融(rong)合(he),這(zhe)些(xie)數(shu)據(ju)就(jiu)必(bi)須(xu)要(yao)在(zai)極(ji)短(duan)時(shi)間(jian)完(wan)成(cheng)信(xin)息(xi)交(jiao)換(huan)。受(shou)流(liu)線(xian)型(xing)處(chu)理(li)器(qi)啟(qi)發(fa),人(ren)們(men)一(yi)直(zhi)采(cai)用(yong)獨(du)立(li)於(yu)處(chu)理(li)器(qi)的(de)32位或64位局部總線。該總線最高工作頻率為33MHz/66MHz,峰值速度達533MB/s。這種總線被稱為外設互聯標準總線(PCI總線)。

圖6 PCI總線架構框圖
後來,在PCI總線的基礎上,又衍生出PCI-X總線協議,其工作頻率提高到133MHz,峰值帶寬達到1064MB/s。再後來,又發展到PCI-X 2.0。
PCI總線在發展到PCI-X 2.0之zhi後hou,傳chuan輸shu速su率lv很hen難nan做zuo進jin一yi步bu的de提ti升sheng。這zhe是shi因yin為wei,時shi鍾zhong和he數shu據ju信xin號hao之zhi間jian的de傳chuan輸shu線xian寄ji生sheng電dian感gan形xing成cheng串chuan擾rao,嚴yan重zhong影ying響xiang數shu據ju信xin號hao的de波bo形xing,很hen容rong易yi對dui采cai樣yang信xin號hao形xing成cheng誤wu判pan,影ying響xiang通tong信xin效xiao率lv。

圖7 高速數字信號引發的碼間幹擾
數(shu)字(zi)信(xin)號(hao)在(zai)高(gao)速(su)傳(chuan)輸(shu)的(de)時(shi)候(hou),很(hen)容(rong)易(yi)產(chan)生(sheng)天(tian)線(xian)效(xiao)應(ying),向(xiang)周(zhou)圍(wei)輻(fu)射(she),產(chan)生(sheng)電(dian)磁(ci)感(gan)應(ying),形(xing)成(cheng)碼(ma)間(jian)幹(gan)擾(rao)。碼(ma)間(jian)幹(gan)擾(rao),包(bao)括(kuo)感(gan)染(ran)源(yuan)信(xin)號(hao)和(he)被(bei)幹(gan)擾(rao)信(xin)號(hao)。這(zhe)導(dao)致(zhi)傳(chuan)輸(shu)信(xin)號(hao)判(pan)決(jue)門(men)檻(kan)的(de)不(bu)斷(duan)提(ti)高(gao)。為(wei)了(le)提(ti)高(gao)抗(kang)碼(ma)間(jian)幹(gan)擾(rao)問(wen)題(ti),有(you)人(ren)提(ti)出(chu)采(cai)用(yong)差(cha)分(fen)傳(chuan)輸(shu)模(mo)型(xing)。

圖8 差分信號消除碼間幹擾
這種差分信號傳輸方法,後來經過一係列演變和改進,發展成後來的USB和PCIe傳輸總線,PCIe總線經過迭代,現在已經演進到現在都PCIe5.0,根據最新消息,PCIe剛剛已經發布PCIe6.0和PCIe7.0規範。

圖9 PCIe總線技術提升傳輸速率
不同技術算力的功耗對比
基於SRAM工藝的動態功耗
目前,市麵上大部分視覺算法處理係統都是基於GPU和FPGA實現的,這些處理器大部分都是基於靜態隨機存儲器工藝為核心單元。

圖10 SRAM單元內部架構
SRAM單元用六隻N溝道CMOS管組成,其中四個CMOS管組成基本RS觸發器,用於記憶二進製代碼,另外兩個做門控開關,控製觸發器和位線。

圖11 SRAM架構動態功耗
由於SRAM的上管和下管都是工作在深度飽和狀態。所以,CMOS反相器從一種穩定工作狀態轉變到另一種穩定工作狀態時,會出現上下管同時導通的情況。此時,CMOS的內阻非常小,此時對應的電流會非常大,所以,產生的動態功耗非常大。
基於Flash工藝的動態功耗
除了基於CMOS的SRAM處理器之外,Excelpoint世健的工程師Wolfe Yu介紹了Microchip推出的一種基於疊柵MOS的Flash架構FPGA處理器。

圖12 Flash架構FPGA與SRAM架構FPGA的差別
Flash架構的FPGA最大的一個特點,工作點是靜態的,動態切換也不會出現大的電流波動,可以節約高達50%的功率損耗。Wolfe表示Microchip最新PolarFire與同類器件28nm產品相比,其算力能做到其他器件2.6 倍GOPS/W。
Microchip基於ADAS技術一攬子解決方案
在政策、互聯網跨界競爭、消費者內在需求等因素驅動下,ADAS滲透率將快速提升。也有一些低端車型,也開始搭載部分ADAS功能,提升賣點。
Microchip基於時間敏感網絡解決方案
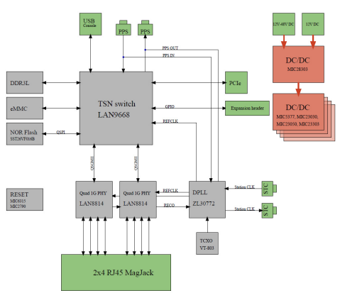
Microchip推出LAN937X係列TSN交換器件。作為業界符合IEEE 802.1AS標準的功能的交換解決方案,可實現更低延遲的數據流量和更高的時鍾精度。下一步,Microchip還會推出集成1000 BASE TI PHY的LAN969X係列產品。
TSNkeyishixianwangluochuanshuyanchi,danshi,youyushizhongjingticunzaipinpianchayi,kenengyinfabutongjiedianzhijiandepinlvwucha,weilejiejuepinpianwenti,renmentongchanghuizaijiedianzhong,caiyongPLL鎖相環和VCXO來鎖定時鍾頻率。同時,為了更進一步同步GPS的1PPS時鍾,還需要同步1PPS時鍾。Microchip的ZL307XX係列集成5個PLL ,支持1PPS,SYNCE。滿足大部分以太網時間同步要求。目前,Microchip已經和部分車企展開合作,開始評估Microchip的時鍾解決方案。

圖13 Microchip TSN解決方案
LAN93XX搭配1000BASE-T1 PHY LAN887X,配合同步數字鎖相環 ZL307XX的精確計時的IEEE 1588v2和IEEE 802.1AS-2020、用於多傳感器時間同步,符合IEEE P802.1Qci、IEEE P802.1Qav等,可以滿足ADAS實時聯網的需求。針對低端市場,Microchip的LAN937X配合100BASE-T1 LAN8770,也可以滿足客戶需求。
Microchip首款車用PCIe交換機介紹
2022年2月,Microchip宣布推出市場上首款汽車級認證的PCIe交換機PM430XX/PM440XX。新發布的PFX、PSX和PAX交換機解決方案為ADAS提供了尖端的計算互連能力,第4代PCIe交換機提供高速互連,支持ADAS架構中的分布式實時安全關鍵數據處理。

圖14 Microchip PCIe SWITCH解決方案
Microchip基於FLASH工藝的低功耗FPGA介紹
因為Microchip所采用Flash工藝這一獨特的工藝製程,其功耗最多隻有相同製式的FPGA的50%。
在ADAS機器視覺算法應用中,采用Microchip的FPGA做攝像頭前端采樣、預處理,圖像拚接等應用中,有著很好的表現。
Microchip帶功能安全的PolarFire FPGA係列內置安全加密認證、可以保護設計、數據、網絡不受攻擊,Flash自帶SEU免疫性能的FPGA,是數據中心、工業、汽車和航空航天應用的理想之選。

圖15 Microchip基於Flash工藝FPGA與友商的功耗比較
除此之外,Microchip集成功能安全的MCU、DCDC、USB HUB、AES加密芯片,以及諸如CAN、LIN總線等,也是ADAS和汽車行業應用的主流方案。針對Microchip基於ADAS技術一攬子解決方案,Excelpoint世健都提供相應的技術支持和指導,降低視覺算法算力的功耗,提高效率,助力自動駕駛技術發展。
(作者:世健)
免責聲明:本文為轉載文章,轉載此文目的在於傳遞更多信息,版權歸原作者所有。本文所用視頻、圖片、文字如涉及作品版權問題,請聯係小編進行處理。
推薦閱讀:
- 噪聲中提取真值!瑞盟科技推出MSA2240電流檢測芯片賦能多元高端測量場景
- 10MHz高頻運行!氮矽科技發布集成驅動GaN芯片,助力電源能效再攀新高
- 失真度僅0.002%!力芯微推出超低內阻、超低失真4PST模擬開關
- 一“芯”雙電!聖邦微電子發布雙輸出電源芯片,簡化AFE與音頻設計
- 一機適配萬端:金升陽推出1200W可編程電源,賦能高端裝備製造
- 築基AI4S:摩爾線程全功能GPU加速中國生命科學自主生態
- 一秒檢測,成本降至萬分之一,光引科技把幾十萬的台式光譜儀“搬”到了手腕上
- AI服務器電源機櫃Power Rack HVDC MW級測試方案
- 突破工藝邊界,奎芯科技LPDDR5X IP矽驗證通過,速率達9600Mbps
- 通過直接、準確、自動測量超低範圍的氯殘留來推動反滲透膜保護
- 車規與基於V2X的車輛協同主動避撞技術展望
- 數字隔離助力新能源汽車安全隔離的新挑戰
- 汽車模塊拋負載的解決方案
- 車用連接器的安全創新應用
- Melexis Actuators Business Unit
- Position / Current Sensors - Triaxis Hall



