振動傳感器信號調理電路設計及分析
發布時間:2018-12-26 責任編輯:wenwei
【導讀】本文介紹了一種壓電傳感器電荷/dianyazhuanhuandianlu,bingfenxilefankuidianrongdewendutexingduikaiguandianlushuchudeyingxiang,tongshifenxilebutonglvboqidetexing,binggenjushijichuanganqidaikuanpeizhilexiangyingdelvbodianlu。zuihoutongguoshiyanzhengming,gaidianlunenggouyouxiaodilvchuzhendongxinhaozhongdezaosheng,zhunquedihuodezhendongxinhao。
1、控製電路設計
壓(ya)電(dian)加(jia)速(su)度(du)計(ji)獲(huo)得(de)的(de)衝(chong)擊(ji)和(he)振(zhen)動(dong)信(xin)號(hao)需(xu)要(yao)用(yong)電(dian)荷(he)放(fang)大(da)器(qi)進(jin)行(xing)放(fang)大(da)和(he)處(chu)理(li),為(wei)了(le)研(yan)究(jiu)出(chu)一(yi)種(zhong)一(yi)種(zhong)經(jing)濟(ji)實(shi)用(yong)的(de)電(dian)荷(he)放(fang)大(da)器(qi),作(zuo)者(zhe)利(li)用(yong)集(ji)成(cheng)運(yun)算(suan)放(fang)大(da)器(qi)芯(xin)片(pian)代(dai)替(ti)大(da)量(liang)分(fen)立(li)器(qi)件(jian)進(jin)行(xing)優(you)化(hua)設(she)計(ji),並(bing)設(she)計(ji)了(le)相(xiang)應(ying)的(de)濾(lv)波(bo)電(dian)路(lu)
1.1壓電傳感器等效電路

圖一壓電傳感器的等效電路
壓ya電dian傳chuan感gan器qi是shi基ji於yu壓ya電dian效xiao應ying設she計ji的de,敏min感gan元yuan件jian由you壓ya電dian材cai料liao製zhi成cheng,一yi旦dan受shou到dao外wai力li作zuo用yong,壓ya電dian材cai料liao表biao麵mian就jiu會hui產chan生sheng一yi些xie弱ruo電dian荷he。當dang壓ya電dian傳chuan感gan器qi在zai敏min感gan軸zhou方fang向xiang受shou迫po時shi,在zai兩liang個ge電dian極ji上shang產chan生sheng極ji性xing相xiang反fan的de電dian荷he,這zhe兩liang個ge電dian極ji相xiang當dang於yu一yi個ge電dian荷he源yuan(靜電發生器)。經過化簡後得到如下等式:

由上式可知,時間常數τ越大,電荷泄漏越慢,傳感器的測量誤差越小。傳感器和信號輸入應保持高絕緣電阻,以防止快速泄漏引起的電荷測量誤差。
1.2電荷電壓轉換電路

圖二電荷電壓轉換電路
運算放大器的輸出電壓範圍為0.738~1.758 V。為了避免電容器C1長期充電,使集成操作飽和,必須在電容器C1並聯連接電阻R2。另外一個重要作用是引入直流負反饋,有效地抑製集成運算放大器引起的輸入偏置電壓。係統測試的低截止頻率為f=1/2πR2C1,輸入信號的截止頻率為0.1Hz,電阻為R2=10mΩ。運算放大器逆變輸入的電阻R1在保護電路和限製電流中起主要作用。反饋電容C1的主要功能是將傳感器產生的電荷信號轉換為電壓信號,因此反饋電容器需要選擇低漂移、低漂移溫度和高漏阻的電容。

圖三不同材料反饋電容的溫度特性對開關電路輸出的影響
根據上圖作者選擇了聚苯乙烯電容器,減少環境變化引起的測量誤差。

圖四隔離電壓放大電路設計
因為電荷放大器的電壓輸出範圍與後續AC/DC變換器的輸入範圍不一致,所以采用電壓放大電路來調節電壓,使U02輸入電壓轉換成交流電壓信號U03。
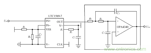
作者利用高階低通濾波器對信號進行進一步處理,抑製噪聲信號和有效信號的混疊。作者將常見的濾波器: Butterworth濾波器、橢圓函數濾波器、Bessel型濾波器等進行了對比,最終選擇了LTC1569濾波器,因為其優良的相頻特性而且信號在帶內的輸出延遲與通帶的線性相位特性基本相同。由LTC1569組成的低通濾波器的直流偏置輸出偏差較小,通帶具有線性相位特性,可以保護信號不失真,保證信號測量結果的準確性。

圖五低通濾波器
雖然LTC1569濾(lv)波(bo)器(qi)可(ke)以(yi)提(ti)供(gong)高(gao)質(zhi)量(liang)的(de)濾(lv)波(bo)器(qi)特(te)性(xing),但(dan)芯(xin)片(pian)濾(lv)波(bo)原(yuan)理(li)是(shi)基(ji)於(yu)開(kai)關(guan)電(dian)容(rong)效(xiao)應(ying),在(zai)輸(shu)出(chu)端(duan)產(chan)生(sheng)高(gao)頻(pin)開(kai)關(guan)噪(zao)聲(sheng),通(tong)過(guo)增(zeng)加(jia)一(yi)個(ge)開(kai)關(guan)噪(zao)聲(sheng)對(dui)開(kai)關(guan)噪(zao)聲(sheng)進(jin)行(xing)濾(lv)波(bo)通(tong)過(guo)添(tian)加(jia)一(yi)個(ge)二(er)級(ji)低(di)通(tong)濾(lv)波(bo)器(qi)後(hou)LTC1569濾波器。

圖六濾除開關噪聲前後波形的比較
2、實驗結果與分析
baohanzhendongxinhaotiaolidianludeceliangxitongshouxianjiangyadianchuanganqiyutiaofudianlulianjieqilai,yiyanzhengtiaoxiedianludezhengquexing,tongguoxianxingnihebiaodingdeceliangxitongdedaodezhengxiansaomiaoshiyantuxiangruxia:

圖七壓電傳感器正弦掃頻曲線
利用信號發生器對調理電路測試進行掃描,得到了如圖八所示的信道頻率響應曲線:

圖八頻率響應曲線
用(yong)標(biao)準(zhun)電(dian)荷(he)發(fa)生(sheng)器(qi)作(zuo)為(wei)電(dian)荷(he)源(yuan)模(mo)擬(ni)振(zhen)動(dong)傳(chuan)感(gan)器(qi)的(de)輸(shu)出(chu),並(bing)將(jiang)其(qi)連(lian)接(jie)到(dao)測(ce)量(liang)電(dian)路(lu)上(shang),計(ji)算(suan)理(li)論(lun)電(dian)壓(ya)值(zhi),所(suo)測(ce)電(dian)壓(ya)與(yu)理(li)論(lun)值(zhi)基(ji)本(ben)一(yi)致(zhi),調(tiao)理(li)電(dian)路(lu)的(de)測(ce)量(liang)誤(wu)差(cha)小(xiao)於(yu)1%,能夠滿足振動信號測量精度的要求,並能準確地測量振動信號。
3、 總結
本(ben)文(wen)以(yi)壓(ya)電(dian)傳(chuan)感(gan)器(qi)為(wei)研(yan)究(jiu)對(dui)象(xiang),詳(xiang)細(xi)介(jie)紹(shao)了(le)傳(chuan)感(gan)器(qi)等(deng)效(xiao)電(dian)路(lu)和(he)調(tiao)節(jie)電(dian)路(lu),並(bing)對(dui)調(tiao)節(jie)電(dian)路(lu)關(guan)鍵(jian)部(bu)件(jian)的(de)電(dian)容(rong)和(he)濾(lv)波(bo)器(qi)進(jin)行(xing)了(le)分(fen)析(xi)和(he)研(yan)究(jiu),給(gei)出(chu)了(le)作(zuo)者(zhe)所(suo)考(kao)慮(lv)範(fan)圍(wei)內(nei)的(de)合(he)理(li)解(jie)決(jue)方(fang)案(an),並(bing)對(dui)該(gai)方(fang)案(an)進(jin)行(xing)了(le)測(ce)試(shi),獲(huo)得(de)的(de)數(shu)據(ju)具(ju)有(you)較(jiao)高(gao)的(de)精(jing)度(du),所(suo)采(cai)集(ji)的(de)振(zhen)動(dong)信(xin)號(hao)數(shu)據(ju)為(wei)該(gai)電(dian)路(lu)的(de)可(ke)靠(kao)性(xing)與(yu)實(shi)用(yong)性(xing)提(ti)供(gong)了(le)可(ke)靠(kao)的(de)數(shu)據(ju)支(zhi)持(chi)。
推薦閱讀:
特別推薦
- 噪聲中提取真值!瑞盟科技推出MSA2240電流檢測芯片賦能多元高端測量場景
- 10MHz高頻運行!氮矽科技發布集成驅動GaN芯片,助力電源能效再攀新高
- 失真度僅0.002%!力芯微推出超低內阻、超低失真4PST模擬開關
- 一“芯”雙電!聖邦微電子發布雙輸出電源芯片,簡化AFE與音頻設計
- 一機適配萬端:金升陽推出1200W可編程電源,賦能高端裝備製造
技術文章更多>>
- 築基AI4S:摩爾線程全功能GPU加速中國生命科學自主生態
- 一秒檢測,成本降至萬分之一,光引科技把幾十萬的台式光譜儀“搬”到了手腕上
- AI服務器電源機櫃Power Rack HVDC MW級測試方案
- 突破工藝邊界,奎芯科技LPDDR5X IP矽驗證通過,速率達9600Mbps
- 通過直接、準確、自動測量超低範圍的氯殘留來推動反滲透膜保護
技術白皮書下載更多>>
- 車規與基於V2X的車輛協同主動避撞技術展望
- 數字隔離助力新能源汽車安全隔離的新挑戰
- 汽車模塊拋負載的解決方案
- 車用連接器的安全創新應用
- Melexis Actuators Business Unit
- Position / Current Sensors - Triaxis Hall
熱門搜索
微波功率管
微波開關
微波連接器
微波器件
微波三極管
微波振蕩器
微電機
微調電容
微動開關
微蜂窩
位置傳感器
溫度保險絲
溫度傳感器
溫控開關
溫控可控矽
聞泰
穩壓電源
穩壓二極管
穩壓管
無焊端子
無線充電
無線監控
無源濾波器
五金工具
物聯網
顯示模塊
顯微鏡結構
線圈
線繞電位器
線繞電阻




