DIY必備,信號尋跡能力超強的集成電路設計
發布時間:2014-03-24 責任編輯:sherryyu
該集成電路信號尋跡器電路簡單,僅需一片小功率集成功放電路LM386和5gedianrongjiunengzuchengzhengji,erqiexunjinenglijiqiang。congtiaoxiehuiluzhigongfangdianlu,dounengfangbiandijianchuguzhangsuozai,youyushengyinhongliang,zaijianzhazhongfangjidifangdianlushi,haikeyiyonglabafangyin,wuxulaoguazheerji,shiyonghenfangbian。

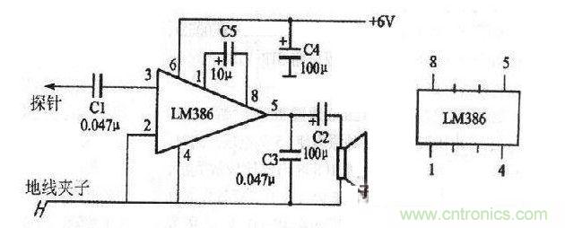
電路原理如上圖所示。Cl為隔直電容;C2是輸出電容;C3的作用是防止自激;C4是電源濾波電容。
信號經Cl從集成電路LM386的③腳輸入,由於LM386的輸入端是微電流偏置,而且有很寬的頻響,所以不需外接二極管就能完成檢波。信號經放大後由LM386⑤腳輸出。LM386的①腳和⑧腳是增益控製,直接用10μF的電容把兩腳連接起來,就可獲得最高的增益。

這款超簡單的集成電路信號尋跡器電路設計,是不是很合你的心意,如果有誰diy了實物,希望能夠大家分享下製作過程和心得!
相關閱讀:
專家支招:如何減少集成電路中的天線效應
http://m.0-fzl.cn/rf-art/80022399
經驗分享:檢修集成電路時的五種拆卸方法
http://m.0-fzl.cn/cp-art/80021753
集成電路測試的方法及其問題解決
http://m.0-fzl.cn/gptech-art/80022538
- 噪聲中提取真值!瑞盟科技推出MSA2240電流檢測芯片賦能多元高端測量場景
- 10MHz高頻運行!氮矽科技發布集成驅動GaN芯片,助力電源能效再攀新高
- 失真度僅0.002%!力芯微推出超低內阻、超低失真4PST模擬開關
- 一“芯”雙電!聖邦微電子發布雙輸出電源芯片,簡化AFE與音頻設計
- 一機適配萬端:金升陽推出1200W可編程電源,賦能高端裝備製造
- 一秒檢測,成本降至萬分之一,光引科技把幾十萬的台式光譜儀“搬”到了手腕上
- AI服務器電源機櫃Power Rack HVDC MW級測試方案
- 突破工藝邊界,奎芯科技LPDDR5X IP矽驗證通過,速率達9600Mbps
- 通過直接、準確、自動測量超低範圍的氯殘留來推動反滲透膜保護
- 從技術研發到規模量產:恩智浦第三代成像雷達平台,賦能下一代自動駕駛!
- 車規與基於V2X的車輛協同主動避撞技術展望
- 數字隔離助力新能源汽車安全隔離的新挑戰
- 汽車模塊拋負載的解決方案
- 車用連接器的安全創新應用
- Melexis Actuators Business Unit
- Position / Current Sensors - Triaxis Hall


