DC/DC電源模塊在醫用傳感器電路中的應用
發布時間:2011-12-28
中心議題:
- 心電檢測電路的應用
- 隔離型DC/DC電源模塊的選用
- 使用DC/DC電源模塊應注意的問題
本文主要介紹了DC/DC模塊電源在醫療電子行業中,特別是傳感器檢測電路中的特點、應用及選用的DC/DC模塊電源應注意的事項,目前市場上DC/DC模塊電源很多,但是由於醫療電子屬於特殊行業,對其電源的要求非常高,為保證人體及設備的安全性能,選擇的DC/DC模塊電源尤為重要。
一、引言
目mu前qian,隨sui著zhe現xian代dai醫yi療liao器qi械xie的de不bu斷duan發fa展zhan,特te別bie是shi直zhi接jie與yu人ren體ti相xiang連lian接jie的de電dian子zi儀yi器qi,除chu了le對dui儀yi器qi本ben身shen性xing能neng的de要yao求qiu越yue來lai越yue高gao之zhi外wai,對dui人ren體ti安an全quan方fang麵mian的de考kao慮lv也ye越yue來lai越yue倍bei受shou關guan注zhu,例li如ru生sheng命ming監jian護hu儀yi、母嬰監護儀、嬰兒保溫儀等等一些與人體緊密接觸的儀器,也就是說病人在使用儀器時不能因為使用的儀器而對人體造成有觸電或其他方麵的危險。
二、心電檢測電路的應用
以下以普通型的心電檢測電路為例做一簡單介紹,如圖1:

圖1:普通型心電檢測電路。
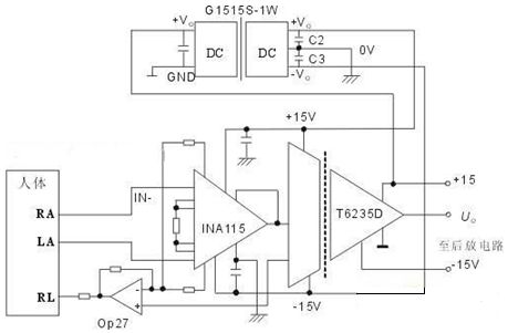
圖1是INA115在心電檢測電路中的實用電路。放大器的正負輸入通過心電傳感器分別接到人體的左臂(LA)與右臂(RA)上,與運放N和電阻R1~R4組成的驅動網絡接到人體的右腿(RL)上,構成“浮地”。由於生物信號很弱,加之有極化電位,所以該級的放大倍數不宜太高,一般取在10~100之(zhi)間(jian),並(bing)且(qie)隻(zhi)能(neng)作(zuo)為(wei)前(qian)置(zhi)放(fang)大(da)用(yong),為(wei)了(le)檢(jian)測(ce)安(an)全(quan),後(hou)級(ji)一(yi)般(ban)應(ying)再(zai)采(cai)用(yong)隔(ge)離(li)放(fang)大(da)電(dian)路(lu)進(jin)行(xing)隔(ge)離(li),且(qie)該(gai)級(ji)的(de)電(dian)源(yuan)電(dian)壓(ya)最(zui)好(hao)應(ying)采(cai)用(yong)隔(ge)離(li)電(dian)源(yuan)模(mo)塊(kuai)進(jin)行(xing)提(ti)供(gong),以(yi)達(da)到(dao)電(dian)源(yuan)及(ji)信(xin)號(hao)的(de)完(wan)全(quan)隔(ge)離(li)。如(ru)圖(tu)2所示,

圖2:隔離型心電檢測前置放大電路。
以上電路是由漢為公司的T6235D與INA 115等組成的隔離型心電檢測前置放大電路,該電路由於其具有輸入阻抗高、漏電流小、檢(jian)測(ce)精(jing)度(du)高(gao)和(he)滿(man)足(zu)人(ren)體(ti)安(an)全(quan)等(deng)指(zhi)標(biao)完(wan)全(quan)可(ke)以(yi)達(da)到(dao)醫(yi)療(liao)器(qi)械(xie)使(shi)用(yong)的(de)要(yao)求(qiu)標(biao)準(zhun)。該(gai)電(dian)路(lu)一(yi)般(ban)作(zuo)為(wei)前(qian)置(zhi)放(fang)大(da)電(dian)路(lu),器(qi)件(jian)直(zhi)接(jie)與(yu)人(ren)體(ti)接(jie)觸(chu),並(bing)拾(shi)取(qu)心(xin)電(dian)信(xin)號(hao)後(hou)通(tong)過(guo)INA115進行放大,最後由ISO122隔離傳輸到後置放大電路,實現人體信號與輸出及電源的隔離放大。
放fang大da器qi的de工gong作zuo電dian源yuan應ying用yong選xuan擇ze有you足zu夠gou的de安an全quan爬pa電dian距ju離li,較jiao高gao的de隔ge離li電dian壓ya特te性xing以yi及ji極ji低di的de隔ge離li電dian容rong值zhi,使shi到dao係xi統tong的de安an全quan性xing能neng得de到dao較jiao好hao的de保bao障zhang,此ci處chu推tui薦jian采cai用yong金jin升sheng陽yang公gong司si6000VDC隔離G係列(定壓輸入,隔離6000VDC正負電壓輸出)或H係列產品(定壓輸入,隔離6000VDC單路電壓輸出),該係列產品由於其極高的隔離電壓特性(6000VDC)且其具有極低的隔離電容值(≤10pF)被廣泛地應用於醫療電子器械行業中。采用G1515S-1W使得INA115與人體相接觸的地線與輸入電源線真正意義上斷開了,達到完全隔離的效果,即電源與信號的完全隔離。
[page]
三、隔離型DC/DC電源模塊的選用

圖3:方案。
說明:以上方案是以隔離放大器的工作電壓為±15V的條件下作出的,如其工作電壓為±5V、±12或其他電壓隻要選擇相應輸出電壓的產品即可。
四、使用DC/DC電源模塊應注意的問題
使用DC/DC電源模塊的過程中應注意以下幾個問題:
1、 DC/DC電源模塊的外接電容C2、C3采用低內阻的鉭電容,容值推薦0.47uF,應避免容值過大,以防止由於電容過大造成啟動瞬間過流而損壞模塊;
2、 為保證模塊長期工作的可靠性應使到模塊工作在10%額(e)定(ding)功(gong)率(lv)以(yi)上(shang),以(yi)防(fang)止(zhi)模(mo)塊(kuai)由(you)於(yu)空(kong)載(zai)或(huo)輕(qing)載(zai)導(dao)致(zhi)輸(shu)出(chu)電(dian)壓(ya)不(bu)穩(wen)而(er)影(ying)響(xiang)電(dian)路(lu)工(gong)作(zuo),如(ru)果(guo)負(fu)載(zai)功(gong)耗(hao)確(que)實(shi)較(jiao)小(xiao),可(ke)以(yi)采(cai)和(he)外(wai)接(jie)假(jia)負(fu)載(zai)的(de)方(fang)式(shi)在(zai)輸(shu)出(chu)端(duan)的(de)+Vo與0V及-Vo與0V之間並上一10%額定功率的假負載(電阻),以提高產品的可靠性。
3、 由於DC/DC電源模塊是采用開關振蕩電路來實現的,其自身也會產生共模、差模噪聲的幹擾,對於對紋波噪聲要求較高的場合可在DC/DC電源模塊的輸出端外接無源LC濾波網絡或RC(損耗較大),以進一步降低電源紋波噪聲,但是要注意L自(zi)身(shen)諧(xie)振(zhen)頻(pin)率(lv)要(yao)遠(yuan)高(gao)於(yu)模(mo)塊(kuai)的(de)開(kai)關(guan)頻(pin)率(lv),允(yun)許(xu)通(tong)過(guo)的(de)電(dian)流(liu)值(zhi)最(zui)好(hao)在(zai)模(mo)塊(kuai)輸(shu)入(ru)電(dian)流(liu)的(de)兩(liang)倍(bei)以(yi)上(shang),內(nei)阻(zu)要(yao)小(xiao),以(yi)降(jiang)低(di)直(zhi)流(liu)損(sun)耗(hao)。具(ju)體(ti)可(ke)參(can)考(kao)下(xia)圖(tu):

- 噪聲中提取真值!瑞盟科技推出MSA2240電流檢測芯片賦能多元高端測量場景
- 10MHz高頻運行!氮矽科技發布集成驅動GaN芯片,助力電源能效再攀新高
- 失真度僅0.002%!力芯微推出超低內阻、超低失真4PST模擬開關
- 一“芯”雙電!聖邦微電子發布雙輸出電源芯片,簡化AFE與音頻設計
- 一機適配萬端:金升陽推出1200W可編程電源,賦能高端裝備製造
- 邊緣AI的發展為更智能、更可持續的技術鋪平道路
- 每台智能體PC,都是AI時代的新入口
- IAR作為Qt Group獨立BU攜兩項重磅汽車電子應用開發方案首秀北京車展
- 構建具有網絡彈性的嵌入式係統:來自行業領袖的洞見
- 數字化的線性穩壓器
- 車規與基於V2X的車輛協同主動避撞技術展望
- 數字隔離助力新能源汽車安全隔離的新挑戰
- 汽車模塊拋負載的解決方案
- 車用連接器的安全創新應用
- Melexis Actuators Business Unit
- Position / Current Sensors - Triaxis Hall



