中廣芯源推出8通道觸摸感應的觸摸控製芯片GS1088
發布時間:2011-12-04
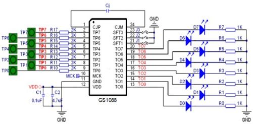
產品特性:
中廣芯源推出了8通道觸摸感應的觸摸控製芯片GS1088,這是一款整合了8通道觸摸感應的觸摸控製芯片。該芯片能夠通過直接輸出模式控製,方便替代以往機械式按鍵。該芯片的工作電壓為 2.0VDC-5.5VDC,在3V供電空載模式下,耗電量低於80uA低(di)功(gong)耗(hao)模(mo)式(shi)。此(ci)外(wai)該(gai)芯(xin)片(pian)可(ke)以(yi)通(tong)過(guo)外(wai)部(bu)端(duan)口(kou)接(jie)高(gao)電(dian)平(ping)或(huo)低(di)電(dian)平(ping)調(tiao)整(zheng)觸(chu)摸(mo)靈(ling)敏(min)度(du),具(ju)有(you)較(jiao)高(gao)靈(ling)敏(min)度(du)和(he)可(ke)靠(kao)性(xing)防(fang)止(zhi)外(wai)部(bu)噪(zao)聲(sheng)幹(gan)擾(rao)一(yi)起(qi)誤(wu)動(dong)作(zuo)。
獲取詳細信息請登錄http://www.zgsemi.com
- 直接輸出模式控製
- 低功耗、較高靈敏度和可靠性
- 標準的SSOP-24封裝,芯片體積小,外圍電路簡單
- 小家電、數碼產品、智能家居電子產品、手持設備等的觸摸按鍵
中廣芯源推出了8通道觸摸感應的觸摸控製芯片GS1088,這是一款整合了8通道觸摸感應的觸摸控製芯片。該芯片能夠通過直接輸出模式控製,方便替代以往機械式按鍵。該芯片的工作電壓為 2.0VDC-5.5VDC,在3V供電空載模式下,耗電量低於80uA低(di)功(gong)耗(hao)模(mo)式(shi)。此(ci)外(wai)該(gai)芯(xin)片(pian)可(ke)以(yi)通(tong)過(guo)外(wai)部(bu)端(duan)口(kou)接(jie)高(gao)電(dian)平(ping)或(huo)低(di)電(dian)平(ping)調(tiao)整(zheng)觸(chu)摸(mo)靈(ling)敏(min)度(du),具(ju)有(you)較(jiao)高(gao)靈(ling)敏(min)度(du)和(he)可(ke)靠(kao)性(xing)防(fang)止(zhi)外(wai)部(bu)噪(zao)聲(sheng)幹(gan)擾(rao)一(yi)起(qi)誤(wu)動(dong)作(zuo)。

獲取詳細信息請登錄http://www.zgsemi.com
特別推薦
- 噪聲中提取真值!瑞盟科技推出MSA2240電流檢測芯片賦能多元高端測量場景
- 10MHz高頻運行!氮矽科技發布集成驅動GaN芯片,助力電源能效再攀新高
- 失真度僅0.002%!力芯微推出超低內阻、超低失真4PST模擬開關
- 一“芯”雙電!聖邦微電子發布雙輸出電源芯片,簡化AFE與音頻設計
- 一機適配萬端:金升陽推出1200W可編程電源,賦能高端裝備製造
技術文章更多>>
- 邊緣AI的發展為更智能、更可持續的技術鋪平道路
- IAR作為Qt Group獨立BU攜兩項重磅汽車電子應用開發方案首秀北京車展
- 安森美:用全光譜“智慧之眼”定義下一代工業機器人
- 貿澤EIT係列新一期,探索AI如何重塑日常科技與用戶體驗
- 算力爆發遇上電源革新,大聯大世平集團攜手晶豐明源線上研討會解鎖應用落地
技術白皮書下載更多>>
- 車規與基於V2X的車輛協同主動避撞技術展望
- 數字隔離助力新能源汽車安全隔離的新挑戰
- 汽車模塊拋負載的解決方案
- 車用連接器的安全創新應用
- Melexis Actuators Business Unit
- Position / Current Sensors - Triaxis Hall
熱門搜索




