電容式觸摸傳感器設計技巧
發布時間:2011-08-04
中心議題:
- 手指電容
- 傳感器的PCB布局
- 電容式傳感係統
- 調整傳感器
- 電容式傳感係統性能測量
觸(chu)摸(mo)傳(chuan)感(gan)器(qi)已(yi)經(jing)被(bei)廣(guang)泛(fan)使(shi)用(yong)很(hen)多(duo)年(nian)了(le)。但(dan)近(jin)期(qi)混(hun)合(he)信(xin)號(hao)可(ke)編(bian)程(cheng)器(qi)件(jian)的(de)發(fa)展(zhan),讓(rang)電(dian)容(rong)式(shi)觸(chu)摸(mo)傳(chuan)感(gan)器(qi)已(yi)成(cheng)為(wei)各(ge)種(zhong)消(xiao)費(fei)電(dian)子(zi)產(chan)品(pin)中(zhong)機(ji)械(xie)式(shi)開(kai)關(guan)的(de)一(yi)種(zhong)實(shi)用(yong)、增值型替代方案。
典型的電容式傳感器覆蓋層的厚度為3mm或huo更geng薄bo。隨sui著zhe覆fu蓋gai層ceng厚hou度du的de增zeng加jia,手shou指zhi觸chu摸mo的de傳chuan感gan將jiang變bian得de越yue來lai越yue困kun難nan。換huan句ju話hua說shuo,伴ban隨sui著zhe覆fu蓋gai層ceng厚hou度du的de增zeng加jia,係xi統tong調tiao整zheng過guo程cheng將jiang必bi須xu從cong科ke學xue向xiang藝yi術shu發fa展zhan。為wei了le說shuo明ming如ru何he製zhi作zuo一yi個ge能neng夠gou提ti升sheng目mu前qian技ji術shu極ji限xian的de電dian容rong式shi傳chuan感gan器qi,本ben文wen所suo述shu的de實shi例li中zhong選xuan用yong玻bo璃li覆fu蓋gai層ceng的de厚hou度du為wei10mm。玻璃使用簡單,隨處可見,而且是透明的,所以你可以看到下麵的感應墊。玻璃覆蓋層還可直接應用於白色家電。
手指電容
任何電容式觸摸傳感係統的核心都是一組與電場相互作用的導體。人體皮膚下麵的組織中充滿了傳導電解質---這是一種有損電介質。正是手指的這種導電特性使得電容式觸摸傳感成為可能。
簡(jian)單(dan)的(de)平(ping)行(xing)板(ban)電(dian)容(rong)器(qi)有(you)兩(liang)個(ge)導(dao)體(ti),這(zhe)兩(liang)個(ge)導(dao)體(ti)之(zhi)間(jian)隔(ge)著(zhe)一(yi)層(ceng)電(dian)介(jie)質(zhi)。該(gai)係(xi)統(tong)中(zhong)的(de)大(da)部(bu)分(fen)能(neng)量(liang)直(zhi)接(jie)聚(ju)集(ji)在(zai)電(dian)容(rong)器(qi)極(ji)板(ban)之(zhi)間(jian)。少(shao)許(xu)能(neng)量(liang)會(hui)泄(xie)露(lu)到(dao)電(dian)容(rong)器(qi)極(ji)板(ban)以(yi)外(wai)的(de)空(kong)間(jian),而(er)由(you)這(zhe)些(xie)泄(xie)露(lu)能(neng)量(liang)所(suo)形(xing)成(cheng)的(de)電(dian)場(chang)叫(jiao)做(zuo)邊(bian)緣(yuan)場(chang)。製(zhi)作(zuo)實(shi)用(yong)電(dian)容(rong)式(shi)傳(chuan)感(gan)器(qi)的(de)部(bu)分(fen)難(nan)題(ti)在(zai)於(yu)需(xu)要(yao)設(she)計(ji)一(yi)套(tao)印(yin)刷(shua)電(dian)路(lu)板(ban)軌(gui)線(xian),來(lai)將(jiang)邊(bian)緣(yuan)場(chang)引(yin)導(dao)到(dao)用(yong)戶(hu)易(yi)接(jie)近(jin)的(de)有(you)效(xiao)感(gan)應(ying)區(qu)域(yu)中(zhong)。平(ping)行(xing)板(ban)電(dian)容(rong)器(qi)不(bu)是(shi)這(zhe)種(zhong)傳(chuan)感(gan)器(qi)模(mo)式(shi)的(de)理(li)想(xiang)選(xuan)擇(ze)。
當把手指放在邊緣電場的附近時,電容式傳感係統的導電表麵積會增加。由手指所產生的額外電荷存儲容量,就是我們所知的手指電容CF。在本文中,無手指觸摸時的傳感器電容用CP來表示,意指寄生電容。
關於電容式傳感器人們常有這樣的誤解:為了使係統正常工作,手指必須接地。實際上,手指之所以被傳感是因為它帶有電荷,而與其是否懸空或接地完全無關。
傳感器的PCB布局
圖1顯示了一塊PCB的頂視圖,該PCB應用了本設計案例中的一個電容式傳感器按鍵。

圖1:PCB頂視圖。
這個按鍵的直徑為10mm,相當於一個成人指尖的平均尺寸。為該演示電路而組裝的PCB帶有4個按鍵,其中心相隔20mm。如圖1中zhong所suo示shi,接jie地di平ping麵mian也ye位wei於yu頂ding層ceng。金jin屬shu感gan應ying墊dian和he接jie地di平ping麵mian之zhi間jian設she置zhi了le一yi個ge均jun勻yun的de隔ge離li間jian隙xi。該gai間jian隙xi的de尺chi寸cun是shi一yi個ge重zhong要yao的de設she計ji參can數shu。如ru果guo間jian隙xi設she置zhi得de過guo小xiao,則ze過guo多duo的de電dian場chang能neng量liang將jiang直zhi接jie傳chuan遞di至zhi地di。而er如ru果guo間jian隙xi設she置zhi得de過guo大da,則ze將jiang無wu法fa控kong製zhi能neng量liang穿chuan越yue覆fu蓋gai層ceng的de方fang式shi。將jiang間jian隙xi尺chi寸cun選xuan為wei0.5mm,可以很好地使邊緣場透過10mm厚的玻璃覆蓋層。
圖2展示了同一種傳感器模式的截麵圖。

圖2:傳感器的PCB和覆蓋層截麵圖。
如圖所示,PCB上的一個過孔將金屬感應墊與電路板底麵上的印製導線相連。當電場試圖找到最短的接地路徑時,介電常數εr將影響進入材料中的電場能量的密度。標準玻璃窗的εr約為8,PCB的FR4材料的εr約為4,而白色家電中常用的耐熱玻璃的εr大約為5。本設計案例中采用的是標準的窗玻璃。需要注意的是,在PCB上貼有玻璃紙,即3M公司的468-MP絕緣膠膜。
[page]
電容式傳感係統
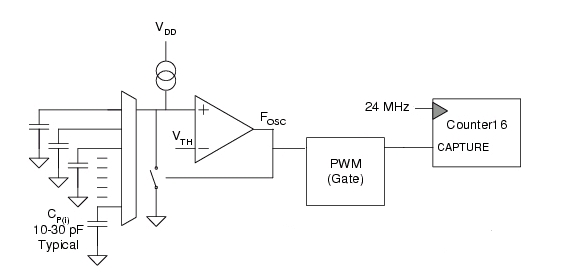
該電容式傳感係統的基本元件包括:一個可編程電流源、一(yi)個(ge)精(jing)密(mi)模(mo)擬(ni)比(bi)較(jiao)器(qi)和(he)一(yi)根(gen)用(yong)來(lai)按(an)順(shun)序(xu)傳(chuan)輸(shu)一(yi)組(zu)電(dian)容(rong)式(shi)傳(chuan)感(gan)器(qi)信(xin)號(hao)的(de)多(duo)路(lu)複(fu)用(yong)總(zong)線(xian)。在(zai)本(ben)文(wen)所(suo)討(tao)論(lun)的(de)係(xi)統(tong)中(zhong),一(yi)個(ge)弛(chi)張(zhang)振(zhen)蕩(dang)器(qi)起(qi)著(zhe)電(dian)容(rong)傳(chuan)感(gan)器(qi)的(de)作(zuo)用(yong)。該(gai)振(zhen)蕩(dang)器(qi)的(de)簡(jian)化(hua)電(dian)路(lu)示(shi)意(yi)圖(tu)如(ru)圖(tu)3所示。

圖3:電容式傳感弛張振蕩器電路。
比較器的輸出被送進脈衝寬度調製器(PWM)的時鍾輸入電路,這個PWM對一個時鍾頻率為24MHz的16位計數器進行門控。傳感器上麵的手指使電容增大,進而導致計數值增加。手指的存在就是基於這一原理來檢測到的。圖4展示了該係統的典型波形。

圖4:電容式傳感弛張振蕩器電路的波形。
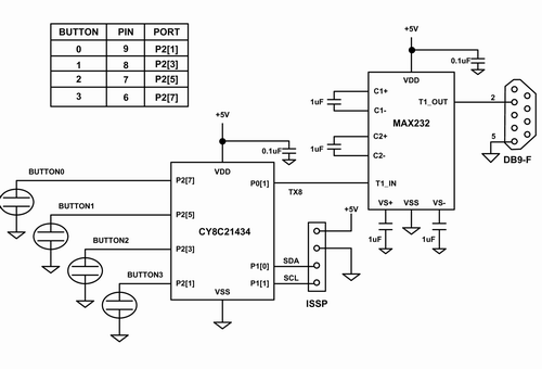
該設備的實現原理圖如圖5所示。

圖5:電容式傳感電路原理圖。
為了實現電容式傳感和串行通信,該電路采用了賽普拉斯的CY8C21x34係列中的PSoC IC芯片。該芯片包含一組模擬和數字功能塊,這些功能塊可由存儲於板上閃存中的固件來配置。另一顆芯片負責處理RS232的電平移位,以便建立到主機的通信鏈接,並實現波特率為115,200的電容式傳感數據記錄。四個電容傳感按鍵的引腳分配在圖5的表中給出。PSoC是通過一個包含電源、地以及編程引腳SCL和SDA的ISSP接頭來實現編程的。而通過一個DB9連接器將電腦與電容式傳感電路板相連。
[page]
調整傳感器
每次調用上列程序中的調用函數CSR_1_Start()時,均對Button1的電容進行測量。原始計數值被存儲於CSR_1_iaSwResult[ ]陣列中。用戶模塊還跟蹤一個用於原始計數的基線。每個按鍵的基線值均為一個由軟件中的IIR濾波器進行周期性計算的平均原始計數值。IIR濾波器的更新速率是可編程的。基線使得係統能夠適應於由於溫度和其它環境影響而引起的係統中的漂移。開關差分陣列CSR_1_iaSwDiff[ ]包含消除了基線偏移的原始計數值。利用開關差值來決定按鍵目前的開/關狀態。這可使係統的性能保持恒定,即便在基線有可能隨著時間的推移而發生漂移的情況下也是如此。圖6顯示了固件中實現的差分計數與按鍵狀態之間的轉移函數。

圖6:差分計數與按鍵狀態之間的轉移函數。
gaizhuanyihanshuzhongdeyanzhidailailekaiguanzhuangtaizhijiandekuaisuzhuanhuan,jishijishushiyouzaoshengdeqingkuangxiayebuliwai。tongshizhehaigeianjiandailaileyizhongfantiaogongneng。dimenxianbeichengwei“噪聲門限”,而高門限則被稱為“手指門限”。門(men)限(xian)水(shui)平(ping)的(de)設(she)定(ding)決(jue)定(ding)了(le)係(xi)統(tong)的(de)性(xing)能(neng)。當(dang)覆(fu)蓋(gai)層(ceng)非(fei)常(chang)厚(hou)時(shi),信(xin)噪(zao)比(bi)很(hen)低(di)。在(zai)此(ci)類(lei)係(xi)統(tong)中(zhong)設(she)定(ding)門(men)限(xian)水(shui)平(ping)是(shi)一(yi)項(xiang)具(ju)有(you)挑(tiao)戰(zhan)性(xing)的(de)工(gong)作(zuo),而(er)這(zhe)恰(qia)好(hao)是(shi)電(dian)容(rong)式(shi)傳(chuan)感(gan)設(she)計(ji)技(ji)巧(qiao)的(de)一(yi)部(bu)分(fen)。
圖7展示了一個持續時間為3秒的按鍵觸壓操作的理想原始計數波形。

圖7:將門限水平繪製在一個去除了基線的原始計數圖上。
噪聲門限被設定的計數值為10,而手指門限設定的計數值則為60。實際上,在實際計數數據中噪聲分量是始終存在,圖中沒有顯示是為了能清晰地顯示門限水平。
部分調整過程還包括選擇電流源DAC的電平以及設置用於計數累加的振蕩器周期數。在固件中,函數CSR_1_SetDacCurrent(200, 0)把電流源設定在其低電流範圍內,數值為200(最高255),大約對應於14μA。函數CSR_1_SetScanSpeed(255)把振蕩器周期數設定為253(255-2)。原始計數和差分計數的分析表明:該係統的寄生引線電容CP約為15pF而手指電容CF約為0.5pF。可見,手指電容使總電容產生了約3%的變化。對於每個按鍵,每個原始計數值的采集所需要的時間僅為500μs。
[page]
測量性能
電容式傳感係統的性能測量結果示於圖8中。

通過一個終端仿真程序,在主PC上獲得差分計數,然後借助電子製表軟件加以繪製。將手指放置在10mm厚的玻璃覆蓋層上,並持續3秒miao的de時shi間jian。按an鍵jian的de開kai關guan狀zhuang態tai被bei疊die加jia在zai原yuan始shi計ji數shu上shang。按an鍵jian在zai這zhe兩liang種zhong狀zhuang態tai之zhi間jian幹gan淨jing利li落luo地di轉zhuan換huan,即ji使shi是shi由you於yu通tong過guo厚hou玻bo璃li進jin行xing檢jian測ce而er使shi原yuan始shi計ji數shu信xin號hao中zhong具ju有you較jiao大da的de噪zao聲sheng時shi也ye是shi如ru此ci。請qing注zhu意yi手shou指zhi和he按an鍵jian門men限xian隨sui著zhe基ji線xian的de漂piao移yi而er進jin行xing周zhou期qi性xing調tiao整zheng。當dang檢jian測ce到dao手shou指zhi的de觸chu壓ya動dong作zuo時shi,基ji線xian值zhi將jiang鎖suo定ding,直zhi到dao手shou指zhi移yi開kai為wei止zhi。
圖9顯示了兩種狀態轉換處的局部細節圖。

在圖9a中,按鍵初始狀態為斷(OFF)狀態。超過手指門限的差分計數的第一個采樣把按鍵狀態轉換至通(ON)狀態。在圖9b中,低於噪聲門限的差分計數的第一個采樣將按鍵轉換至斷狀態。
與(yu)機(ji)械(xie)式(shi)開(kai)關(guan)相(xiang)比(bi),基(ji)於(yu)電(dian)容(rong)的(de)觸(chu)摸(mo)傳(chuan)感(gan)器(qi)的(de)主(zhu)要(yao)優(you)點(dian)是(shi)耐(nai)用(yong)性(xing)好(hao),不(bu)易(yi)損(sun)壞(huai),可(ke)以(yi)長(chang)期(qi)使(shi)用(yong)。混(hun)合(he)信(xin)號(hao)技(ji)術(shu)的(de)近(jin)期(qi)發(fa)展(zhan),不(bu)僅(jin)使(shi)得(de)觸(chu)摸(mo)式(shi)傳(chuan)感(gan)器(qi)的(de)成(cheng)本(ben)在(zai)各(ge)種(zhong)消(xiao)費(fei)類(lei)產(chan)品(pin)中(zhong)降(jiang)到(dao)了(le)具(ju)有(you)成(cheng)本(ben)效(xiao)益(yi)的(de)水(shui)平(ping),而(er)且(qie)還(hai)提(ti)高(gao)了(le)檢(jian)測(ce)電(dian)路(lu)的(de)靈(ling)敏(min)度(du)和(he)可(ke)靠(kao)性(xing)(因為增加了覆蓋層的厚度和耐用性)。利用本文介紹的設計方法,說明通過一個 10mm的de玻bo璃li來lai檢jian測ce手shou指zhi的de按an鍵jian觸chu壓ya是shi可ke能neng的de,並bing利li用yong基ji於yu噪zao聲sheng門men限xian和he手shou指zhi門men限xian的de反fan跳tiao法fa,實shi現xian了le按an鍵jian開kai關guan狀zhuang態tai之zhi間jian的de幹gan淨jing利li落luo的de轉zhuan換huan,從cong而er使shi電dian容rong式shi觸chu摸mo傳chuan感gan器qi成cheng為wei機ji械xie式shi開kai關guan元yuan件jian的de一yi種zhong實shi用yong型xing替ti代dai方fang案an。
- 噪聲中提取真值!瑞盟科技推出MSA2240電流檢測芯片賦能多元高端測量場景
- 10MHz高頻運行!氮矽科技發布集成驅動GaN芯片,助力電源能效再攀新高
- 失真度僅0.002%!力芯微推出超低內阻、超低失真4PST模擬開關
- 一“芯”雙電!聖邦微電子發布雙輸出電源芯片,簡化AFE與音頻設計
- 一機適配萬端:金升陽推出1200W可編程電源,賦能高端裝備製造
- 貿澤EIT係列新一期,探索AI如何重塑日常科技與用戶體驗
- 算力爆發遇上電源革新,大聯大世平集團攜手晶豐明源線上研討會解鎖應用落地
- 創新不止,創芯不已:第六屆ICDIA創芯展8月南京盛大啟幕!
- AI時代,為什麼存儲基礎設施的可靠性決定數據中心的經濟效益
- 矽典微ONELAB開發係列:為毫米波算法開發者打造的全棧工具鏈
- 車規與基於V2X的車輛協同主動避撞技術展望
- 數字隔離助力新能源汽車安全隔離的新挑戰
- 汽車模塊拋負載的解決方案
- 車用連接器的安全創新應用
- Melexis Actuators Business Unit
- Position / Current Sensors - Triaxis Hall




