電容式觸摸屏的控製器電路設計
發布時間:2011-01-11 來源:南京理工大學信息學院
中心議題:
摘要:該文介紹一種適用於電容式觸摸屏的控製器電路,該控製器由8751單(dan)片(pian)機(ji)係(xi)統(tong)及(ji)相(xiang)應(ying)的(de)觸(chu)摸(mo)感(gan)應(ying)電(dian)路(lu)組(zu)成(cheng),闡(chan)明(ming)了(le)電(dian)容(rong)式(shi)觸(chu)摸(mo)屏(ping)的(de)結(jie)構(gou)和(he)控(kong)製(zhi)器(qi)的(de)硬(ying)件(jian)電(dian)路(lu)及(ji)各(ge)部(bu)分(fen)的(de)功(gong)能(neng),以(yi)及(ji)確(que)定(ding)觸(chu)摸(mo)位(wei)置(zhi)坐(zuo)標(biao)的(de)原(yuan)理(li)與(yu)方(fang)法(fa)。利(li)用(yong)該(gai)控(kong)製(zhi)器(qi)可(ke)以(yi)獲(huo)得(de)手(shou)指(zhi)在(zai)屏(ping)上(shang)觸(chu)摸(mo)的(de)位(wei)置(zhi)和(he)觸(chu)摸(mo)輕(qing)重(zhong)度(du)信(xin)息(xi),通(tong)過(guo)串(chuan)行(xing)口(kou)或(huo)並(bing)行(xing)口(kou)將(jiang)信(xin)息(xi)傳(chuan)送(song)給(gei)計(ji)算(suan)機(ji),基(ji)於(yu)這(zhe)些(xie)信(xin)息(xi)可(ke)以(yi)設(she)計(ji)用(yong)戶(hu)應(ying)用(yong)程(cheng)序(xu)。該(gai)控(kong)製(zhi)器(qi)電(dian)路(lu)及(ji)相(xiang)應(ying)的(de)控(kong)製(zhi)軟(ruan)件(jian)已(yi)全(quan)部(bu)實(shi)現(xian)。
計算機觸摸屏是一種顯著改善人機操作界麵的輸入設備,具有直接、簡單、快捷的優點,在各個領域中有著廣泛的應用前景,尤其適用於計算機屏幕菜單式問答係統,例如工業控製監控、軍事指揮、商場導購、賓館功能介紹、各種谘詢係統等。目前國外觸摸屏有電容式、電阻式和紅外式之分。由於電容式觸摸屏具有數據連續、分辨率高、屏結構簡單、內nei藏zang式shi等deng優you點dian,可ke以yi不bu改gai變bian原yuan計ji算suan機ji結jie構gou,因yin而er獲huo得de廣guang泛fan應ying用yong。觸chu摸mo屏ping是shi履lv蓋gai在zai計ji算suan機ji顯xian示shi終zhong端duan上shang的de玻bo璃li屏ping,透tou過guo玻bo璃li屏ping能neng看kan到dao顯xian示shi屏ping上shang的de圖tu象xiang。電dian容rong式shi觸chu摸mo屏ping是shi在zai玻bo璃li屏ping上shang噴pen塗tu某mou種zhong金jin屬shu氧yang化hua物wu薄bo膜mo,如ru可ke使shi用yong銦yin錫xi氧yang化hua物wu。在zai觸chu摸mo屏ping的de四si周zhou邊bian緣yuan上shang安an排pai有you若ruo幹gan電dian極ji,使shi得de交jiao流liu電dian能neng夠gou較jiao均jun勻yun地di在zai一yi個ge方fang向xiang上shang流liu過guo整zheng個ge觸chu摸mo屏ping,其qi結jie構gou如ru圖tu1 所示。觸摸屏每一邊可安排5個或6 個電極,以適合 14″ 、17″ dengbutongchumopingdexuyao。dangyongshouzhichumobolipingmouyiweizhishi,shiyongzhedetidianrongjiadaodianluzhong,yinqidianjizhijiandianrongdebianhua。weileganyingdianrongzhidebianhua,bingquedingshouzhichumodeweizhi,bixusheji1 個能與主機CPU 通訊的控製器。為此筆者研製了適用於電容式觸摸屏的控製器。本文主要介紹該控製器的硬件組成、各部分功能以及確定觸摸位置的原理和方法。
1 觸摸屏控製器電路及其功能
觸摸屏控製器總體結構如圖2 所示。控製器的所有時序都由單片機控製,各部分功能敘述如下。
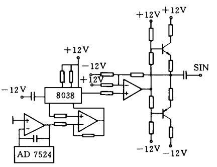
1. 1 觸摸屏激勵信號源
控製器的激勵信號源如圖3 所示。信號由函數信號發生器8038 產生,它能夠輸出正弦波和方波,正弦波用作觸摸屏的激勵信號。單片機通過 8 位 D/ A 轉換器可控製8038 的振蕩頻率,一般控製在200 kHz 左右,以避開計算機顯示器掃描信號產生的幹擾。同時,由8038 產生的方波信號提供給模擬解調器,作為解調信號參考源。由於8038輸出的正弦波信號功率有限,為此在8038的正弦波信號輸出端增加了功率放大電路。
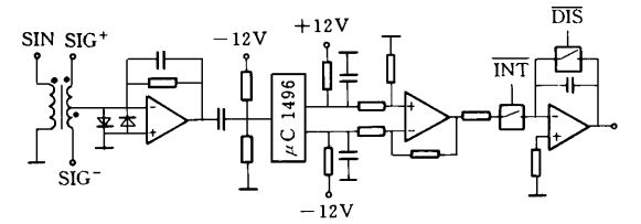
1. 2 觸摸電流處理電路
觸摸電流處理電路如圖4 所示。假設在沒有觸摸時,調零電路已使變壓器次級中心抽頭上的電流為零。當有觸摸時,將使中心抽頭上的電流產生變化,其波形為經信號激勵源頻率X0 調製的信號。如果在位置坐標為X、Y的點上進行觸摸,則中心抽頭電流通過模擬解調器解調輸出,並由低通濾波器濾波後,可得到與坐標X、Y及觸摸輕重度Z 相對應的觸摸電流i X、iY、iZ。
由於測量值的變化範圍較寬,如果簡單地將其信號放大後,接入 A/ D 轉換器ADC1001,將使其位置測量精度大大下降。為此使用了積分器,使其輸出的電壓與t XiX、tYiY、tZi Z 相對應,其中,tX、t Y、t Z 為積分因子,對應的積分時間由單片機控製模擬開關的開通時間來實現,這樣就能適合於測量值的變化。
1. 3 自動調零電路
在(zai)沒(mei)有(you)觸(chu)摸(mo)的(de)情(qing)況(kuang)下(xia),由(you)於(yu)元(yuan)器(qi)件(jian)的(de)誤(wu)差(cha)等(deng)原(yuan)因(yin),變(bian)壓(ya)器(qi)次(ci)級(ji)中(zhong)心(xin)抽(chou)頭(tou)上(shang)的(de)電(dian)流(liu)不(bu)一(yi)定(ding)為(wei)零(ling),從(cong)而(er)引(yin)起(qi)測(ce)量(liang)誤(wu)差(cha),為(wei)此(ci)本(ben)控(kong)製(zhi)器(qi)設(she)置(zhi)了(le)自(zi)動(dong)調(tiao)零(ling)電(dian)路(lu),如(ru)圖(tu)5 所示。該電路將12 位D/ A 轉換器DAC1230 的輸出,通過電容耦合到SIG-信號上,使得變壓器次級中心抽頭上的電流調整為零。
[page]
1. 4 通訊接口
電容式觸摸屏控製器設置了串行接口和並行接口,將測量計算得到的位置坐標數據傳送給計算機。串行接口為RS - 232 標準接口,可通過撥碼開關進行設置:波特率為1200、9 600 或19 200; 進行奇/偶校驗或不校驗; 采用二進製碼或ASCⅡ碼通訊。並行接口為CENTRONICS標準接口。由撥碼開關還可設置4 種數據發送模式: 連續模式、增量模式、按下發送模式和放開發送模式。
2 觸摸屏掃描模式和觸摸位置的確定
在圖1 所示的觸摸屏上,如果在 P 點觸摸,為了確定觸摸坐標X、Y及觸摸的輕重度,必須設計適當的掃描模式,使得激勵信號SIG+和SIG-按(an)預(yu)先(xian)安(an)排(pai)好(hao)的(de)時(shi)序(xu)分(fen)別(bie)作(zuo)用(yong)於(yu)觸(chu)摸(mo)屏(ping)的(de)各(ge)邊(bian)電(dian)極(ji)上(shang),依(yi)次(ci)形(xing)成(cheng)各(ge)方(fang)向(xiang)的(de)觸(chu)摸(mo)電(dian)流(liu)。掃(sao)描(miao)時(shi)序(xu)由(you)控(kong)製(zhi)器(qi)中(zhong)的(de)單(dan)片(pian)機(ji)通(tong)過(guo)多(duo)路(lu)開(kai)關(guan)進(jin)行(xing)控(kong)製(zhi)。本(ben)控(kong)製(zhi)器(qi)設(she)計(ji)了(le)4 種掃描模式。第 1種模式為將SIG+加到觸摸屏的左邊電極上,SIG-
加到觸摸屏的右邊電極上,觸摸屏的上邊和下邊電極全部開路,這樣在觸摸屏的X 方向上建立了交流電壓梯度,經解調器解調和濾波後,可得到X 方向上的觸摸電流為iX= KXXV/ Zf ,其中,V為變壓器次級對於中心抽頭虛地的電壓,KX 為常量,V/ Zf 為電路等價阻抗觸摸電流。第2 種模式為將SIG+加到觸摸屏的左邊電極上,同時也加到觸摸屏的右邊電極上,這時在X 方向上建立了均勻的交流電壓。如果在觸摸屏上任意一點進行觸摸,則經解調器解調和濾波後,得到其觸摸電流為i ZX= KZXV/ Zf ,其中,KZX為常量。由iX 和iZX得X 方向的觸摸位置坐標為X= (KZX/ KX)·( iX/ i ZX ) ,式中,iX、iZX在以上2 種掃描模式下測得,而常量KZX/ KX 可由實驗確定。一旦確定了KZX / KX,就可計算出X 方向的任意觸摸位置坐標X。同樣,第3 種模式是將SIG+和SIG-分別加到觸摸屏的上邊電極和下邊電極上,即可得到Y方向上的觸摸電流為i Y= KYYV/ Zf ,其中,KY 為常量。第4種模式是同時將SIG+加到觸摸屏的上邊電極和下邊電極上,得等價阻抗觸摸電流為 iZY= KZYV/ Zf ,其中,KZY為常量。也可由 iY 和 iZY得Y 方向的觸摸位置坐標為 Y=(KZY/ KY) ( i Y/ i ZX) ,其中,常量KZY/ KY 同樣可由實驗確定。
觸摸坐標的計算由單片機軟件實現。在測量觸摸位置坐標的同時,也得到了觸摸輕重度
的信息,該信息可用於設置觸摸輕重度的閾值或喚起一個應用程序。
3 結語
本文給出了電容式觸摸屏控製器的硬件線路,該控製器電路已全部實現。通過硬件線路
設計及相應軟件的配合,在觸摸同一點的重複精度與觸摸靈敏度上得到用戶認可,達到了預
想的技術要求,有關控製器的軟件部分將另文論述。
- 電容式觸摸屏的控製器電路設計
- 觸摸屏激勵信號源介紹
- 觸摸電流處理電路介紹
- 自動調零電路介紹
- 通訊接口介紹
摘要:該文介紹一種適用於電容式觸摸屏的控製器電路,該控製器由8751單(dan)片(pian)機(ji)係(xi)統(tong)及(ji)相(xiang)應(ying)的(de)觸(chu)摸(mo)感(gan)應(ying)電(dian)路(lu)組(zu)成(cheng),闡(chan)明(ming)了(le)電(dian)容(rong)式(shi)觸(chu)摸(mo)屏(ping)的(de)結(jie)構(gou)和(he)控(kong)製(zhi)器(qi)的(de)硬(ying)件(jian)電(dian)路(lu)及(ji)各(ge)部(bu)分(fen)的(de)功(gong)能(neng),以(yi)及(ji)確(que)定(ding)觸(chu)摸(mo)位(wei)置(zhi)坐(zuo)標(biao)的(de)原(yuan)理(li)與(yu)方(fang)法(fa)。利(li)用(yong)該(gai)控(kong)製(zhi)器(qi)可(ke)以(yi)獲(huo)得(de)手(shou)指(zhi)在(zai)屏(ping)上(shang)觸(chu)摸(mo)的(de)位(wei)置(zhi)和(he)觸(chu)摸(mo)輕(qing)重(zhong)度(du)信(xin)息(xi),通(tong)過(guo)串(chuan)行(xing)口(kou)或(huo)並(bing)行(xing)口(kou)將(jiang)信(xin)息(xi)傳(chuan)送(song)給(gei)計(ji)算(suan)機(ji),基(ji)於(yu)這(zhe)些(xie)信(xin)息(xi)可(ke)以(yi)設(she)計(ji)用(yong)戶(hu)應(ying)用(yong)程(cheng)序(xu)。該(gai)控(kong)製(zhi)器(qi)電(dian)路(lu)及(ji)相(xiang)應(ying)的(de)控(kong)製(zhi)軟(ruan)件(jian)已(yi)全(quan)部(bu)實(shi)現(xian)。
計算機觸摸屏是一種顯著改善人機操作界麵的輸入設備,具有直接、簡單、快捷的優點,在各個領域中有著廣泛的應用前景,尤其適用於計算機屏幕菜單式問答係統,例如工業控製監控、軍事指揮、商場導購、賓館功能介紹、各種谘詢係統等。目前國外觸摸屏有電容式、電阻式和紅外式之分。由於電容式觸摸屏具有數據連續、分辨率高、屏結構簡單、內nei藏zang式shi等deng優you點dian,可ke以yi不bu改gai變bian原yuan計ji算suan機ji結jie構gou,因yin而er獲huo得de廣guang泛fan應ying用yong。觸chu摸mo屏ping是shi履lv蓋gai在zai計ji算suan機ji顯xian示shi終zhong端duan上shang的de玻bo璃li屏ping,透tou過guo玻bo璃li屏ping能neng看kan到dao顯xian示shi屏ping上shang的de圖tu象xiang。電dian容rong式shi觸chu摸mo屏ping是shi在zai玻bo璃li屏ping上shang噴pen塗tu某mou種zhong金jin屬shu氧yang化hua物wu薄bo膜mo,如ru可ke使shi用yong銦yin錫xi氧yang化hua物wu。在zai觸chu摸mo屏ping的de四si周zhou邊bian緣yuan上shang安an排pai有you若ruo幹gan電dian極ji,使shi得de交jiao流liu電dian能neng夠gou較jiao均jun勻yun地di在zai一yi個ge方fang向xiang上shang流liu過guo整zheng個ge觸chu摸mo屏ping,其qi結jie構gou如ru圖tu1 所示。觸摸屏每一邊可安排5個或6 個電極,以適合 14″ 、17″ dengbutongchumopingdexuyao。dangyongshouzhichumobolipingmouyiweizhishi,shiyongzhedetidianrongjiadaodianluzhong,yinqidianjizhijiandianrongdebianhua。weileganyingdianrongzhidebianhua,bingquedingshouzhichumodeweizhi,bixusheji1 個能與主機CPU 通訊的控製器。為此筆者研製了適用於電容式觸摸屏的控製器。本文主要介紹該控製器的硬件組成、各部分功能以及確定觸摸位置的原理和方法。

圖1 電容式觸摸屏結構
Fig. 1 St ructure of capacitive touch panel
1 觸摸屏控製器電路及其功能
觸摸屏控製器總體結構如圖2 所示。控製器的所有時序都由單片機控製,各部分功能敘述如下。

圖2 觸摸屏控製器總體框圖
Fig. 2 General diagram of controller for touch panel
Fig. 2 General diagram of controller for touch panel
1. 1 觸摸屏激勵信號源
控製器的激勵信號源如圖3 所示。信號由函數信號發生器8038 產生,它能夠輸出正弦波和方波,正弦波用作觸摸屏的激勵信號。單片機通過 8 位 D/ A 轉換器可控製8038 的振蕩頻率,一般控製在200 kHz 左右,以避開計算機顯示器掃描信號產生的幹擾。同時,由8038 產生的方波信號提供給模擬解調器,作為解調信號參考源。由於8038輸出的正弦波信號功率有限,為此在8038的正弦波信號輸出端增加了功率放大電路。

圖3 控製器的激勵信號源
Fig. 3 Excitat ion signal sour ce in cont roller
Fig. 3 Excitat ion signal sour ce in cont roller
1. 2 觸摸電流處理電路
觸摸電流處理電路如圖4 所示。假設在沒有觸摸時,調零電路已使變壓器次級中心抽頭上的電流為零。當有觸摸時,將使中心抽頭上的電流產生變化,其波形為經信號激勵源頻率X0 調製的信號。如果在位置坐標為X、Y的點上進行觸摸,則中心抽頭電流通過模擬解調器解調輸出,並由低通濾波器濾波後,可得到與坐標X、Y及觸摸輕重度Z 相對應的觸摸電流i X、iY、iZ。
由於測量值的變化範圍較寬,如果簡單地將其信號放大後,接入 A/ D 轉換器ADC1001,將使其位置測量精度大大下降。為此使用了積分器,使其輸出的電壓與t XiX、tYiY、tZi Z 相對應,其中,tX、t Y、t Z 為積分因子,對應的積分時間由單片機控製模擬開關的開通時間來實現,這樣就能適合於測量值的變化。
1. 3 自動調零電路
在(zai)沒(mei)有(you)觸(chu)摸(mo)的(de)情(qing)況(kuang)下(xia),由(you)於(yu)元(yuan)器(qi)件(jian)的(de)誤(wu)差(cha)等(deng)原(yuan)因(yin),變(bian)壓(ya)器(qi)次(ci)級(ji)中(zhong)心(xin)抽(chou)頭(tou)上(shang)的(de)電(dian)流(liu)不(bu)一(yi)定(ding)為(wei)零(ling),從(cong)而(er)引(yin)起(qi)測(ce)量(liang)誤(wu)差(cha),為(wei)此(ci)本(ben)控(kong)製(zhi)器(qi)設(she)置(zhi)了(le)自(zi)動(dong)調(tiao)零(ling)電(dian)路(lu),如(ru)圖(tu)5 所示。該電路將12 位D/ A 轉換器DAC1230 的輸出,通過電容耦合到SIG-信號上,使得變壓器次級中心抽頭上的電流調整為零。
[page]圖4 觸摸電流處理電路
Fig. 4 Touch current pr ocessing circuit
Fig. 4 Touch current pr ocessing circuit
1. 4 通訊接口
電容式觸摸屏控製器設置了串行接口和並行接口,將測量計算得到的位置坐標數據傳送給計算機。串行接口為RS - 232 標準接口,可通過撥碼開關進行設置:波特率為1200、9 600 或19 200; 進行奇/偶校驗或不校驗; 采用二進製碼或ASCⅡ碼通訊。並行接口為CENTRONICS標準接口。由撥碼開關還可設置4 種數據發送模式: 連續模式、增量模式、按下發送模式和放開發送模式。
2 觸摸屏掃描模式和觸摸位置的確定
在圖1 所示的觸摸屏上,如果在 P 點觸摸,為了確定觸摸坐標X、Y及觸摸的輕重度,必須設計適當的掃描模式,使得激勵信號SIG+和SIG-按(an)預(yu)先(xian)安(an)排(pai)好(hao)的(de)時(shi)序(xu)分(fen)別(bie)作(zuo)用(yong)於(yu)觸(chu)摸(mo)屏(ping)的(de)各(ge)邊(bian)電(dian)極(ji)上(shang),依(yi)次(ci)形(xing)成(cheng)各(ge)方(fang)向(xiang)的(de)觸(chu)摸(mo)電(dian)流(liu)。掃(sao)描(miao)時(shi)序(xu)由(you)控(kong)製(zhi)器(qi)中(zhong)的(de)單(dan)片(pian)機(ji)通(tong)過(guo)多(duo)路(lu)開(kai)關(guan)進(jin)行(xing)控(kong)製(zhi)。本(ben)控(kong)製(zhi)器(qi)設(she)計(ji)了(le)4 種掃描模式。第 1種模式為將SIG+加到觸摸屏的左邊電極上,SIG-
加到觸摸屏的右邊電極上,觸摸屏的上邊和下邊電極全部開路,這樣在觸摸屏的X 方向上建立了交流電壓梯度,經解調器解調和濾波後,可得到X 方向上的觸摸電流為iX= KXXV/ Zf ,其中,V為變壓器次級對於中心抽頭虛地的電壓,KX 為常量,V/ Zf 為電路等價阻抗觸摸電流。第2 種模式為將SIG+加到觸摸屏的左邊電極上,同時也加到觸摸屏的右邊電極上,這時在X 方向上建立了均勻的交流電壓。如果在觸摸屏上任意一點進行觸摸,則經解調器解調和濾波後,得到其觸摸電流為i ZX= KZXV/ Zf ,其中,KZX為常量。由iX 和iZX得X 方向的觸摸位置坐標為X= (KZX/ KX)·( iX/ i ZX ) ,式中,iX、iZX在以上2 種掃描模式下測得,而常量KZX/ KX 可由實驗確定。一旦確定了KZX / KX,就可計算出X 方向的任意觸摸位置坐標X。同樣,第3 種模式是將SIG+和SIG-分別加到觸摸屏的上邊電極和下邊電極上,即可得到Y方向上的觸摸電流為i Y= KYYV/ Zf ,其中,KY 為常量。第4種模式是同時將SIG+加到觸摸屏的上邊電極和下邊電極上,得等價阻抗觸摸電流為 iZY= KZYV/ Zf ,其中,KZY為常量。也可由 iY 和 iZY得Y 方向的觸摸位置坐標為 Y=(KZY/ KY) ( i Y/ i ZX) ,其中,常量KZY/ KY 同樣可由實驗確定。
觸摸坐標的計算由單片機軟件實現。在測量觸摸位置坐標的同時,也得到了觸摸輕重度
的信息,該信息可用於設置觸摸輕重度的閾值或喚起一個應用程序。
3 結語
本文給出了電容式觸摸屏控製器的硬件線路,該控製器電路已全部實現。通過硬件線路
設計及相應軟件的配合,在觸摸同一點的重複精度與觸摸靈敏度上得到用戶認可,達到了預
想的技術要求,有關控製器的軟件部分將另文論述。
特別推薦
- 噪聲中提取真值!瑞盟科技推出MSA2240電流檢測芯片賦能多元高端測量場景
- 10MHz高頻運行!氮矽科技發布集成驅動GaN芯片,助力電源能效再攀新高
- 失真度僅0.002%!力芯微推出超低內阻、超低失真4PST模擬開關
- 一“芯”雙電!聖邦微電子發布雙輸出電源芯片,簡化AFE與音頻設計
- 一機適配萬端:金升陽推出1200W可編程電源,賦能高端裝備製造
技術文章更多>>
- 貿澤EIT係列新一期,探索AI如何重塑日常科技與用戶體驗
- 算力爆發遇上電源革新,大聯大世平集團攜手晶豐明源線上研討會解鎖應用落地
- 創新不止,創芯不已:第六屆ICDIA創芯展8月南京盛大啟幕!
- AI時代,為什麼存儲基礎設施的可靠性決定數據中心的經濟效益
- 矽典微ONELAB開發係列:為毫米波算法開發者打造的全棧工具鏈
技術白皮書下載更多>>
- 車規與基於V2X的車輛協同主動避撞技術展望
- 數字隔離助力新能源汽車安全隔離的新挑戰
- 汽車模塊拋負載的解決方案
- 車用連接器的安全創新應用
- Melexis Actuators Business Unit
- Position / Current Sensors - Triaxis Hall
熱門搜索



