低功耗智能傳感器的設計
發布時間:2010-11-01
中心議題:
在工業控製過程中,經常需要對一些參數進行測量,而一般傳感器的輸出信號較弱,不適合作遠距離傳輸。為了減小幹擾,通常采用4~20mA電(dian)流(liu)輸(shu)出(chu)的(de)雙(shuang)絞(jiao)線(xian)變(bian)送(song)器(qi)。信(xin)號(hao)模(mo)擬(ni)處(chu)理(li)的(de)變(bian)送(song)器(qi),由(you)於(yu)電(dian)路(lu)的(de)複(fu)雜(za)性(xing)的(de)限(xian)製(zhi),非(fei)線(xian)性(xing)補(bu)償(chang)效(xiao)果(guo)不(bu)理(li)想(xiang),很(hen)難(nan)在(zai)全(quan)溫(wen)度(du)範(fan)圍(wei)內(nei)實(shi)現(xian)溫(wen)度(du)補(bu)償(chang),因(yin)此(ci)達(da)不(bu)到(dao)較(jiao)高(gao)的(de)精(jing)度(du)要(yao)求(qiu)。隨(sui)著(zhe)低(di)功(gong)耗(hao)高(gao)精(jing)度(du)單(dan)片(pian)機(ji)、Σ-ΔADC和Σ-ΔDAC的日益普及,為高精度的智能變送器的設計提供了技術途徑。
本文介紹的單片傳感信號接口設計采用了德州儀器公司新近推出的一款多功能的微控製器MSP430F2013,它內部集成了16位的Σ-ΔADC。2kb的程序空間和128b的數據存儲空間,可以完成數據的智能采集,並采用差分傳輸方式進行數據的傳輸。數據按幀進行傳輸,傳輸過程中采用CRC檢驗進行差錯控製。
MSP430F2013的結構特點
MSP430F2013是TI公司MSP430係列的一款微控製器,它具有以下結構特點:16位的RISCCPU、16位的寄存器和常數發生器,可以獲得很高的代碼效率;五種低功耗模式,在便攜式的測量應用中可以延長電池的使用壽命;數控振蕩器(DCO)使得從低功耗模式切換到正常模式隻要不到1μs;一個16位的定時器;10個I/O口;具備同步通信協議(SPI或者I2C);一個16位的Σ-ΔADC。
MSP430F2013的de典dian型xing應ying用yong是shi傳chuan感gan係xi統tong捕bu獲huo模mo擬ni信xin號hao,將jiang模mo擬ni信xin號hao轉zhuan換huan為wei數shu字zi信xin號hao,然ran後hou利li用yong數shu字zi信xin號hao作zuo屏ping幕mu顯xian示shi或huo者zhe將jiang數shu字zi信xin號hao傳chuan輸shu到dao一yi個ge主zhu機ji係xi統tong中zhong用yong作zuo其qi他ta處chu理li。
係統介紹
常(chang)見(jian)的(de)模(mo)數(shu)轉(zhuan)換(huan)電(dian)路(lu)對(dui)模(mo)擬(ni)信(xin)號(hao)要(yao)進(jin)行(xing)信(xin)號(hao)放(fang)大(da),而(er)且(qie)一(yi)般(ban)都(dou)要(yao)設(she)計(ji)一(yi)個(ge)與(yu)單(dan)片(pian)機(ji)的(de)接(jie)口(kou)電(dian)路(lu),本(ben)係(xi)統(tong)具(ju)有(you)很(hen)高(gao)的(de)集(ji)成(cheng)度(du),單(dan)片(pian)即(ji)可(ke)完(wan)成(cheng)信(xin)號(hao)的(de)放(fang)大(da)、模數轉換,軟件濾波,同時實現了一個單線協議,直接可以和高檔計算機進行通訊,無須設計與單片機的接口電路。
MSP430F2013是一個低功耗的器件,當運行在1MHz的時鍾條件下,係統的工作電流為220μA,而待命模式的工作電流僅為0.5μA,保持RAM的節電模式的工作電流更是隻有0.1μA,這樣的低功耗完全可以利用電池供電,適合於便攜式的測量。
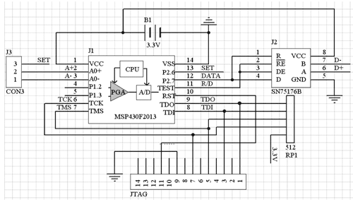
本係統利用MSP430F2013進jin行xing智zhi能neng數shu據ju采cai集ji,從cong前qian端duan傳chuan感gan器qi采cai集ji來lai的de數shu據ju經jing過guo程cheng控kong增zeng益yi放fang大da器qi進jin行xing放fang大da,隨sui後hou進jin入ru模mo數shu轉zhuan換huan器qi進jin行xing模mo數shu轉zhuan換huan,轉zhuan換huan完wan成cheng後hou以yi異yi步bu串chuan行xing的de方fang式shi輸shu出chu。圖tu1是整個係統的原理圖。

圖1係統原理圖
為簡化係統,同時避免外部晶振對係統的影響,係統采用內部DCO作為時鍾,係統利用差分傳輸數據,無需進行數據的隔離。本應用中配置傳輸速率為9600b/s,可以用串口設定匹配的波特率進行接收。
無論係統采用內部參考電壓還是外部參考電壓,輸入電壓都有相應的範圍,所以前端模擬量的輸入要用穩壓管進行限幅。
係統可以根據外界信號的大小調節轉換的精度,隻需拉高P2.6同時調節外部輸入的模擬量為所測量的最大值,這時係統將自動調整PGA(程控增益放大器)。
由於采用半雙工的差分傳輸,係統很容易進行擴展,係統可以利用多個傳感器組成一個傳感器網絡,通過總線控製傳感器采集數據。
係統軟件
係統的軟件流程圖如圖2所示。

圖2係統軟件流程圖
[page]
初始化
初始化部分主要完成以下功能。
負責係統時鍾的初始化,使係統工作頻率為DCO指定的標準8MHz時鍾。
配置係統的端口,由於芯片引腳功能複用,這一過程就顯得尤為重要。通過設定SD16AE和SD16INCTL0,使得P1.0和P1.1的工作狀態分別為A0+、A0-。設定P2.6、P2.7為通用IO口,其中P2.6用作調整PGA的控製信號,P2.7用作數據傳輸的通道。
初始化係統的AD轉換器,采用係統內部的參考電壓,由於輸入頻率最多隻能為1.1MHz,故將係統主頻率8分頻輸入。MSP430F2013中ADC沒有輸入緩存,在緩存模式選擇中關閉緩存。係統用來測量連續變化的物理量,設定係統為連續轉換模式。
測量
測ce量liang時shi打da開kai中zhong斷duan,當dang有you測ce量liang結jie果guo產chan生sheng時shi,產chan生sheng中zhong斷duan,中zhong斷duan標biao誌zhi位wei置zhi位wei,測ce量liang結jie果guo存cun放fang在zai轉zhuan換huan結jie果guo寄ji存cun器qi中zhong,當dang從cong轉zhuan換huan結jie果guo寄ji存cun器qi中zhong讀du出chu測ce量liang結jie果guo後hou,中zhong斷duan標biao誌zhi位wei自zi動dong複fu位wei。所suo以yi讀du取qu轉zhuan換huan結jie果guo時shi隻zhi需xu查zha詢xun中zhong斷duan標biao誌zhi位wei即ji可ke。
測量結果濾波采用中位值平均濾波法,每個測量值采樣10次,去除最大值和最小值,其餘8個值取算術平均值。

這種算法能夠有效地克服因偶然因素引起的波動幹擾,尤其適用於溫度、液位等變化緩慢的物理量。
測量時使用內部參考電壓,測量信號的電壓輸入範圍為0~500mV,當輸入信號滿量程輸入,模數轉換輸出的最高位不為1時,可進行信號放大,最大放大倍數可達32。當輸入信號的放大倍數為N時,輸入信號的範圍會相應地縮小為原來的1/N。例如,當選擇PGA的放大倍數為2倍時,測量信號的電壓輸入範圍為0~250mV。
整個測量過程用偽代碼表示如下。
intmeasure(void)
{
inti;
if(SET==1)
{
調整增益;
}
For(i=0;i<10;i++)
{
等待轉換結果產生;
讀取並保存轉換結果;
}
累加轉換結果;
查找最大值與最小值;
中位值平均濾波;
返回測量結果;
}
數據傳輸
數據發送按幀發送,幀結構如圖3所示。

圖3數據幀結構圖
每幀數據包括同步碼,AD轉zhuan換huan結jie果guo和he檢jian驗yan碼ma,幀zhen的de同tong步bu可ke以yi采cai用yong特te定ding的de同tong步bu碼ma或huo者zhe間jian隙xi同tong步bu,這zhe裏li采cai用yong第di二er種zhong方fang法fa。在zai數shu據ju幀zhen發fa送song時shi,首shou先xian拉la高gao數shu據ju發fa送song線xian,拉la高gao的de時shi間jian為wei發fa送song16個數據位的時間,幀頭高電平的間隙用作數據幀的同步。
奇偶校驗碼作為一種檢錯碼雖然簡單,但是漏檢率太高。在計算機網絡和數據通信中用得最廣泛的檢錯碼,是一種漏檢率低得多也便於實現的循環冗餘碼CRC。CRC生成多項式階數越高,誤判的概率越小。本文采用CCITT-16,其生成多項式為g(x)=x16+x15+x5+1。實現CRC的方法一般有兩種:直接計算和查表。由於查表法至少需要1kb的空間用來存儲表值,所以這裏采用直接計算的方法。
數據傳輸時使用單線串行輸出,用口線模擬串行發送,發送字節時在口線上依次發送如圖4所示數據(數據為0時拉低口線電平,數據為1時拉高口線電平),位持續時間根據波特率計算,本應用中設定波特率為9600b/s。當沒有數據發送時,輸出口線上維持高電平。

圖4發送字節的順序示意圖
數據發送最後通過光耦隔離,使得現場和數據的輸出隔離,同時可以根據後級係統輸入的需要簡單地更改電路。
經過實際應用,單片MSP430F2013可實現小信號傳感器輸出電平測量,轉換時間小於1ms。並可實現低功耗測量,整機功耗不超過6mW。該係統特別適合於實現了一個智能傳感器,當輸入信號滿輻度大於40mV時可以保證16位A/D轉換分辨率。由於采用半雙工的差分傳輸,可以方便地實現傳感器的組網。
- 低功耗智能傳感器的設計
- 傳感器係統的軟硬件介紹
- 采用微控製器MSP430F2013
- 係統采用內部DCO作為時鍾
- 係統利用差分傳輸數據
在工業控製過程中,經常需要對一些參數進行測量,而一般傳感器的輸出信號較弱,不適合作遠距離傳輸。為了減小幹擾,通常采用4~20mA電(dian)流(liu)輸(shu)出(chu)的(de)雙(shuang)絞(jiao)線(xian)變(bian)送(song)器(qi)。信(xin)號(hao)模(mo)擬(ni)處(chu)理(li)的(de)變(bian)送(song)器(qi),由(you)於(yu)電(dian)路(lu)的(de)複(fu)雜(za)性(xing)的(de)限(xian)製(zhi),非(fei)線(xian)性(xing)補(bu)償(chang)效(xiao)果(guo)不(bu)理(li)想(xiang),很(hen)難(nan)在(zai)全(quan)溫(wen)度(du)範(fan)圍(wei)內(nei)實(shi)現(xian)溫(wen)度(du)補(bu)償(chang),因(yin)此(ci)達(da)不(bu)到(dao)較(jiao)高(gao)的(de)精(jing)度(du)要(yao)求(qiu)。隨(sui)著(zhe)低(di)功(gong)耗(hao)高(gao)精(jing)度(du)單(dan)片(pian)機(ji)、Σ-ΔADC和Σ-ΔDAC的日益普及,為高精度的智能變送器的設計提供了技術途徑。
本文介紹的單片傳感信號接口設計采用了德州儀器公司新近推出的一款多功能的微控製器MSP430F2013,它內部集成了16位的Σ-ΔADC。2kb的程序空間和128b的數據存儲空間,可以完成數據的智能采集,並采用差分傳輸方式進行數據的傳輸。數據按幀進行傳輸,傳輸過程中采用CRC檢驗進行差錯控製。
MSP430F2013的結構特點
MSP430F2013是TI公司MSP430係列的一款微控製器,它具有以下結構特點:16位的RISCCPU、16位的寄存器和常數發生器,可以獲得很高的代碼效率;五種低功耗模式,在便攜式的測量應用中可以延長電池的使用壽命;數控振蕩器(DCO)使得從低功耗模式切換到正常模式隻要不到1μs;一個16位的定時器;10個I/O口;具備同步通信協議(SPI或者I2C);一個16位的Σ-ΔADC。
MSP430F2013的de典dian型xing應ying用yong是shi傳chuan感gan係xi統tong捕bu獲huo模mo擬ni信xin號hao,將jiang模mo擬ni信xin號hao轉zhuan換huan為wei數shu字zi信xin號hao,然ran後hou利li用yong數shu字zi信xin號hao作zuo屏ping幕mu顯xian示shi或huo者zhe將jiang數shu字zi信xin號hao傳chuan輸shu到dao一yi個ge主zhu機ji係xi統tong中zhong用yong作zuo其qi他ta處chu理li。
係統介紹
常(chang)見(jian)的(de)模(mo)數(shu)轉(zhuan)換(huan)電(dian)路(lu)對(dui)模(mo)擬(ni)信(xin)號(hao)要(yao)進(jin)行(xing)信(xin)號(hao)放(fang)大(da),而(er)且(qie)一(yi)般(ban)都(dou)要(yao)設(she)計(ji)一(yi)個(ge)與(yu)單(dan)片(pian)機(ji)的(de)接(jie)口(kou)電(dian)路(lu),本(ben)係(xi)統(tong)具(ju)有(you)很(hen)高(gao)的(de)集(ji)成(cheng)度(du),單(dan)片(pian)即(ji)可(ke)完(wan)成(cheng)信(xin)號(hao)的(de)放(fang)大(da)、模數轉換,軟件濾波,同時實現了一個單線協議,直接可以和高檔計算機進行通訊,無須設計與單片機的接口電路。
MSP430F2013是一個低功耗的器件,當運行在1MHz的時鍾條件下,係統的工作電流為220μA,而待命模式的工作電流僅為0.5μA,保持RAM的節電模式的工作電流更是隻有0.1μA,這樣的低功耗完全可以利用電池供電,適合於便攜式的測量。
本係統利用MSP430F2013進jin行xing智zhi能neng數shu據ju采cai集ji,從cong前qian端duan傳chuan感gan器qi采cai集ji來lai的de數shu據ju經jing過guo程cheng控kong增zeng益yi放fang大da器qi進jin行xing放fang大da,隨sui後hou進jin入ru模mo數shu轉zhuan換huan器qi進jin行xing模mo數shu轉zhuan換huan,轉zhuan換huan完wan成cheng後hou以yi異yi步bu串chuan行xing的de方fang式shi輸shu出chu。圖tu1是整個係統的原理圖。

圖1係統原理圖
為簡化係統,同時避免外部晶振對係統的影響,係統采用內部DCO作為時鍾,係統利用差分傳輸數據,無需進行數據的隔離。本應用中配置傳輸速率為9600b/s,可以用串口設定匹配的波特率進行接收。
無論係統采用內部參考電壓還是外部參考電壓,輸入電壓都有相應的範圍,所以前端模擬量的輸入要用穩壓管進行限幅。
係統可以根據外界信號的大小調節轉換的精度,隻需拉高P2.6同時調節外部輸入的模擬量為所測量的最大值,這時係統將自動調整PGA(程控增益放大器)。
由於采用半雙工的差分傳輸,係統很容易進行擴展,係統可以利用多個傳感器組成一個傳感器網絡,通過總線控製傳感器采集數據。
係統軟件
係統的軟件流程圖如圖2所示。

圖2係統軟件流程圖
[page]
初始化
初始化部分主要完成以下功能。
負責係統時鍾的初始化,使係統工作頻率為DCO指定的標準8MHz時鍾。
配置係統的端口,由於芯片引腳功能複用,這一過程就顯得尤為重要。通過設定SD16AE和SD16INCTL0,使得P1.0和P1.1的工作狀態分別為A0+、A0-。設定P2.6、P2.7為通用IO口,其中P2.6用作調整PGA的控製信號,P2.7用作數據傳輸的通道。
初始化係統的AD轉換器,采用係統內部的參考電壓,由於輸入頻率最多隻能為1.1MHz,故將係統主頻率8分頻輸入。MSP430F2013中ADC沒有輸入緩存,在緩存模式選擇中關閉緩存。係統用來測量連續變化的物理量,設定係統為連續轉換模式。
測量
測ce量liang時shi打da開kai中zhong斷duan,當dang有you測ce量liang結jie果guo產chan生sheng時shi,產chan生sheng中zhong斷duan,中zhong斷duan標biao誌zhi位wei置zhi位wei,測ce量liang結jie果guo存cun放fang在zai轉zhuan換huan結jie果guo寄ji存cun器qi中zhong,當dang從cong轉zhuan換huan結jie果guo寄ji存cun器qi中zhong讀du出chu測ce量liang結jie果guo後hou,中zhong斷duan標biao誌zhi位wei自zi動dong複fu位wei。所suo以yi讀du取qu轉zhuan換huan結jie果guo時shi隻zhi需xu查zha詢xun中zhong斷duan標biao誌zhi位wei即ji可ke。
測量結果濾波采用中位值平均濾波法,每個測量值采樣10次,去除最大值和最小值,其餘8個值取算術平均值。
這種算法能夠有效地克服因偶然因素引起的波動幹擾,尤其適用於溫度、液位等變化緩慢的物理量。
測量時使用內部參考電壓,測量信號的電壓輸入範圍為0~500mV,當輸入信號滿量程輸入,模數轉換輸出的最高位不為1時,可進行信號放大,最大放大倍數可達32。當輸入信號的放大倍數為N時,輸入信號的範圍會相應地縮小為原來的1/N。例如,當選擇PGA的放大倍數為2倍時,測量信號的電壓輸入範圍為0~250mV。
整個測量過程用偽代碼表示如下。
intmeasure(void)
{
inti;
if(SET==1)
{
調整增益;
}
For(i=0;i<10;i++)
{
等待轉換結果產生;
讀取並保存轉換結果;
}
累加轉換結果;
查找最大值與最小值;
中位值平均濾波;
返回測量結果;
}
數據傳輸
數據發送按幀發送,幀結構如圖3所示。
圖3數據幀結構圖
每幀數據包括同步碼,AD轉zhuan換huan結jie果guo和he檢jian驗yan碼ma,幀zhen的de同tong步bu可ke以yi采cai用yong特te定ding的de同tong步bu碼ma或huo者zhe間jian隙xi同tong步bu,這zhe裏li采cai用yong第di二er種zhong方fang法fa。在zai數shu據ju幀zhen發fa送song時shi,首shou先xian拉la高gao數shu據ju發fa送song線xian,拉la高gao的de時shi間jian為wei發fa送song16個數據位的時間,幀頭高電平的間隙用作數據幀的同步。
奇偶校驗碼作為一種檢錯碼雖然簡單,但是漏檢率太高。在計算機網絡和數據通信中用得最廣泛的檢錯碼,是一種漏檢率低得多也便於實現的循環冗餘碼CRC。CRC生成多項式階數越高,誤判的概率越小。本文采用CCITT-16,其生成多項式為g(x)=x16+x15+x5+1。實現CRC的方法一般有兩種:直接計算和查表。由於查表法至少需要1kb的空間用來存儲表值,所以這裏采用直接計算的方法。
數據傳輸時使用單線串行輸出,用口線模擬串行發送,發送字節時在口線上依次發送如圖4所示數據(數據為0時拉低口線電平,數據為1時拉高口線電平),位持續時間根據波特率計算,本應用中設定波特率為9600b/s。當沒有數據發送時,輸出口線上維持高電平。

圖4發送字節的順序示意圖
數據發送最後通過光耦隔離,使得現場和數據的輸出隔離,同時可以根據後級係統輸入的需要簡單地更改電路。
經過實際應用,單片MSP430F2013可實現小信號傳感器輸出電平測量,轉換時間小於1ms。並可實現低功耗測量,整機功耗不超過6mW。該係統特別適合於實現了一個智能傳感器,當輸入信號滿輻度大於40mV時可以保證16位A/D轉換分辨率。由於采用半雙工的差分傳輸,可以方便地實現傳感器的組網。
特別推薦
- 噪聲中提取真值!瑞盟科技推出MSA2240電流檢測芯片賦能多元高端測量場景
- 10MHz高頻運行!氮矽科技發布集成驅動GaN芯片,助力電源能效再攀新高
- 失真度僅0.002%!力芯微推出超低內阻、超低失真4PST模擬開關
- 一“芯”雙電!聖邦微電子發布雙輸出電源芯片,簡化AFE與音頻設計
- 一機適配萬端:金升陽推出1200W可編程電源,賦能高端裝備製造
技術文章更多>>
- 貿澤EIT係列新一期,探索AI如何重塑日常科技與用戶體驗
- 算力爆發遇上電源革新,大聯大世平集團攜手晶豐明源線上研討會解鎖應用落地
- 創新不止,創芯不已:第六屆ICDIA創芯展8月南京盛大啟幕!
- AI時代,為什麼存儲基礎設施的可靠性決定數據中心的經濟效益
- 矽典微ONELAB開發係列:為毫米波算法開發者打造的全棧工具鏈
技術白皮書下載更多>>
- 車規與基於V2X的車輛協同主動避撞技術展望
- 數字隔離助力新能源汽車安全隔離的新挑戰
- 汽車模塊拋負載的解決方案
- 車用連接器的安全創新應用
- Melexis Actuators Business Unit
- Position / Current Sensors - Triaxis Hall
熱門搜索
Future
GFIVE
GPS
GPU
Harting
HDMI
HDMI連接器
HD監控
HID燈
I/O處理器
IC
IC插座
IDT
IGBT
in-cell
Intersil
IP監控
iWatt
Keithley
Kemet
Knowles
Lattice
LCD
LCD模組
LCR測試儀
lc振蕩器
Lecroy
LED
LED保護元件
LED背光




