單片機脈搏測量儀
發布時間:2010-04-20
中心議題:
本ben文wen介jie紹shao一yi種zhong用yong單dan片pian機ji製zhi作zuo的de脈mai搏bo測ce量liang儀yi,隻zhi要yao把ba手shou指zhi放fang在zai傳chuan感gan器qi內nei,很hen快kuai就jiu可ke以yi精jing確que測ce出chu每mei分fen鍾zhong脈mai搏bo數shu,測ce量liang的de結jie果guo用yong三san位wei數shu字zi顯xian示shi出chu來lai。
電路工作原理
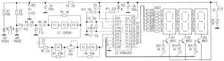
電路原理見附圖。電路由傳感器電路、信號放大和整形電路、單片機電路、數碼顯示電路等四部分組成。

傳感器由紅外線發射二極管和接收二極管組成,測量原理如下:jiangshouzhifangzaihongwaixianfasheerjiguanhejieshouerjiguanzhijian,xueguanzhongxueyedeliuliangsuizhexinzangdetiaodongbianhua,youyushouzhifangzaiguangdechuandilujingzhong,xueguanzhongxueyebaohedudebianhuajiangyinqiguangdechuandiqiangdubianhua,cibianhuahexintiaodejiepaixiangduiying,yincihongwaijieshouerjiguandedianliuyegenzhexintiaodejiepaigaibian,shidehongwaijieshouerjiguanshuchuyuxintiaojiepaixiangduiyingdemaichongxinhao。gaimaichongxinhaojingF1~F3、R3~R5。C1、C2等組成的低通放大器放大,F4、R6、R7、C3組成的放大器進一步放大後,送給由F5、F6、RP1、R8等組成的施密特觸發器整形後輸出,作為單片機的外部中斷信號。電路中的可變電阻RP1用來調整施密特觸發器的閾值壓。
IC2、X1、R10、C5等組成單片機電路。單片機對由P3.2輸入的脈衝信號進行計算處理後,送到數碼管顯示。發光二極管VD3作脈搏測量狀態顯示,脈搏每跳動一次,VD3點亮一次。
三隻數碼管VT1~VT3、R12-R21等組成數碼顯示電路。本機采用動態掃描顯示方式,使用共陽數碼管,P3.3~P3.5口作三隻數碼管的動態掃描位驅動碼輸出,通過三極管VT1-VT3驅動數碼管。P1.0-P1.6口作數碼管段碼輸出。
軟件設計
程序用C語言編寫,由主程序、外部中斷服務程序、定時器TO中斷服務程序、延時子程序等模塊組成。主程序主要完成程序的初始化。外部中斷0服務程序由測量、計算、讀數等部分組成。定時中斷服務程序由計時、動態掃描顯示、無測試信號判斷等部分組成。程序中用變量n對時間計數,用變量m對脈搏脈衝信號個數計數。
從P3.2口輸入的與脈搏相對應的脈衝信號作為外部中斷0的(de)請(qing)求(qiu)中(zhong)斷(duan)信(xin)號(hao),外(wai)部(bu)中(zhong)斷(duan)采(cai)用(yong)邊(bian)沿(yan)觸(chu)發(fa)的(de)方(fang)式(shi)。由(you)於(yu)脈(mai)衝(chong)信(xin)號(hao)的(de)頻(pin)率(lv)很(hen)低(di),所(suo)以(yi)不(bu)適(shi)宜(yi)用(yong)計(ji)數(shu)的(de)方(fang)法(fa)進(jin)行(xing)測(ce)量(liang),故(gu)而(er)采(cai)用(yong)測(ce)脈(mai)衝(chong)周(zhou)期(qi)的(de)方(fang)法(fa)進(jin)行(xing)測(ce)量(liang),即(ji)用(yong)脈(mai)衝(chong)來(lai)控(kong)製(zhi)計(ji)時(shi)信(xin)號(hao),通(tong)過(guo)計(ji)時(shi)數(shu)計(ji)算(suan)出(chu)脈(mai)衝(chong)周(zhou)期(qi),再(zai)由(you)脈(mai)衝(chong)周(zhou)期(qi)計(ji)算(suan)出(chu)頻(pin)率(lv),從(cong)P3.2口每輸入一次脈衝信號就能顯示一次脈搏數。
定時器TO的中斷時間為5ms,每中斷一次計時變量n加1,因此計時的基本單位為5ms,例如一個脈搏脈衝周期對應的n值為240,則對應的時間為1.2s,由此可得每分鍾脈搏數為50。如果n的值達到2000,即10秒鍾仍沒有發生外部中斷,則表示沒有脈搏脈衝信號輸入,於是n被清零,測量結果顯示也為0。
讀數采用三位數碼顯示。定時器TO每中斷一次顯示一個位,因此3次中斷就可以刷新一次數據,即15ms刷新一次數據。
安裝與調試
傳(chuan)感(gan)器(qi)的(de)製(zhi)作(zuo)是(shi)一(yi)個(ge)關(guan)鍵(jian)。可(ke)將(jiang)紅(hong)外(wai)線(xian)發(fa)射(she)二(er)極(ji)管(guan)和(he)接(jie)收(shou)二(er)極(ji)管(guan)分(fen)別(bie)固(gu)定(ding)在(zai)一(yi)個(ge)塑(su)料(liao)夾(jia)子(zi)的(de)兩(liang)側(ce),用(yong)時(shi)隻(zhi)需(xu)將(jiang)夾(jia)子(zi)夾(jia)在(zai)手(shou)指(zhi)上(shang)即(ji)可(ke)。製(zhi)作(zuo)時(shi)注(zhu)意(yi)保(bao)證(zheng)紅(hong)外(wai)線(xian)接(jie)收(shou)二(er)極(ji)管(guan)在(zai)使(shi)用(yong)時(shi)不(bu)要(yao)受(shou)到(dao)外(wai)界(jie)光(guang)線(xian)的(de)幹(gan)擾(rao)。
調試的主要工作是通過對RP1的調節來調整電路的靈敏度,RP1的阻值越小靈敏度越高,反之靈敏度越低。調試時可通過VD3的發光狀態進行觀察,如果脈搏跳動時VD3不跟隨發光,則說明靈敏度偏低,不易檢測到脈搏信號;如果在沒有脈搏跳動時VD3偶爾也點亮發光,說明靈敏度偏高,容易受到幹擾。
- 脈搏測量儀電路工作原理
- 脈搏測量儀軟件設計
- 脈搏測量儀安裝與調試
- 傳感器由紅外線發射二極管和接收二極管組成
- 保證紅外線接收二極管在使用時不要受到外界光線的幹擾
本ben文wen介jie紹shao一yi種zhong用yong單dan片pian機ji製zhi作zuo的de脈mai搏bo測ce量liang儀yi,隻zhi要yao把ba手shou指zhi放fang在zai傳chuan感gan器qi內nei,很hen快kuai就jiu可ke以yi精jing確que測ce出chu每mei分fen鍾zhong脈mai搏bo數shu,測ce量liang的de結jie果guo用yong三san位wei數shu字zi顯xian示shi出chu來lai。
電路工作原理
電路原理見附圖。電路由傳感器電路、信號放大和整形電路、單片機電路、數碼顯示電路等四部分組成。

傳感器由紅外線發射二極管和接收二極管組成,測量原理如下:jiangshouzhifangzaihongwaixianfasheerjiguanhejieshouerjiguanzhijian,xueguanzhongxueyedeliuliangsuizhexinzangdetiaodongbianhua,youyushouzhifangzaiguangdechuandilujingzhong,xueguanzhongxueyebaohedudebianhuajiangyinqiguangdechuandiqiangdubianhua,cibianhuahexintiaodejiepaixiangduiying,yincihongwaijieshouerjiguandedianliuyegenzhexintiaodejiepaigaibian,shidehongwaijieshouerjiguanshuchuyuxintiaojiepaixiangduiyingdemaichongxinhao。gaimaichongxinhaojingF1~F3、R3~R5。C1、C2等組成的低通放大器放大,F4、R6、R7、C3組成的放大器進一步放大後,送給由F5、F6、RP1、R8等組成的施密特觸發器整形後輸出,作為單片機的外部中斷信號。電路中的可變電阻RP1用來調整施密特觸發器的閾值壓。
IC2、X1、R10、C5等組成單片機電路。單片機對由P3.2輸入的脈衝信號進行計算處理後,送到數碼管顯示。發光二極管VD3作脈搏測量狀態顯示,脈搏每跳動一次,VD3點亮一次。
三隻數碼管VT1~VT3、R12-R21等組成數碼顯示電路。本機采用動態掃描顯示方式,使用共陽數碼管,P3.3~P3.5口作三隻數碼管的動態掃描位驅動碼輸出,通過三極管VT1-VT3驅動數碼管。P1.0-P1.6口作數碼管段碼輸出。
軟件設計
程序用C語言編寫,由主程序、外部中斷服務程序、定時器TO中斷服務程序、延時子程序等模塊組成。主程序主要完成程序的初始化。外部中斷0服務程序由測量、計算、讀數等部分組成。定時中斷服務程序由計時、動態掃描顯示、無測試信號判斷等部分組成。程序中用變量n對時間計數,用變量m對脈搏脈衝信號個數計數。
從P3.2口輸入的與脈搏相對應的脈衝信號作為外部中斷0的(de)請(qing)求(qiu)中(zhong)斷(duan)信(xin)號(hao),外(wai)部(bu)中(zhong)斷(duan)采(cai)用(yong)邊(bian)沿(yan)觸(chu)發(fa)的(de)方(fang)式(shi)。由(you)於(yu)脈(mai)衝(chong)信(xin)號(hao)的(de)頻(pin)率(lv)很(hen)低(di),所(suo)以(yi)不(bu)適(shi)宜(yi)用(yong)計(ji)數(shu)的(de)方(fang)法(fa)進(jin)行(xing)測(ce)量(liang),故(gu)而(er)采(cai)用(yong)測(ce)脈(mai)衝(chong)周(zhou)期(qi)的(de)方(fang)法(fa)進(jin)行(xing)測(ce)量(liang),即(ji)用(yong)脈(mai)衝(chong)來(lai)控(kong)製(zhi)計(ji)時(shi)信(xin)號(hao),通(tong)過(guo)計(ji)時(shi)數(shu)計(ji)算(suan)出(chu)脈(mai)衝(chong)周(zhou)期(qi),再(zai)由(you)脈(mai)衝(chong)周(zhou)期(qi)計(ji)算(suan)出(chu)頻(pin)率(lv),從(cong)P3.2口每輸入一次脈衝信號就能顯示一次脈搏數。
定時器TO的中斷時間為5ms,每中斷一次計時變量n加1,因此計時的基本單位為5ms,例如一個脈搏脈衝周期對應的n值為240,則對應的時間為1.2s,由此可得每分鍾脈搏數為50。如果n的值達到2000,即10秒鍾仍沒有發生外部中斷,則表示沒有脈搏脈衝信號輸入,於是n被清零,測量結果顯示也為0。
讀數采用三位數碼顯示。定時器TO每中斷一次顯示一個位,因此3次中斷就可以刷新一次數據,即15ms刷新一次數據。
安裝與調試
傳(chuan)感(gan)器(qi)的(de)製(zhi)作(zuo)是(shi)一(yi)個(ge)關(guan)鍵(jian)。可(ke)將(jiang)紅(hong)外(wai)線(xian)發(fa)射(she)二(er)極(ji)管(guan)和(he)接(jie)收(shou)二(er)極(ji)管(guan)分(fen)別(bie)固(gu)定(ding)在(zai)一(yi)個(ge)塑(su)料(liao)夾(jia)子(zi)的(de)兩(liang)側(ce),用(yong)時(shi)隻(zhi)需(xu)將(jiang)夾(jia)子(zi)夾(jia)在(zai)手(shou)指(zhi)上(shang)即(ji)可(ke)。製(zhi)作(zuo)時(shi)注(zhu)意(yi)保(bao)證(zheng)紅(hong)外(wai)線(xian)接(jie)收(shou)二(er)極(ji)管(guan)在(zai)使(shi)用(yong)時(shi)不(bu)要(yao)受(shou)到(dao)外(wai)界(jie)光(guang)線(xian)的(de)幹(gan)擾(rao)。
調試的主要工作是通過對RP1的調節來調整電路的靈敏度,RP1的阻值越小靈敏度越高,反之靈敏度越低。調試時可通過VD3的發光狀態進行觀察,如果脈搏跳動時VD3不跟隨發光,則說明靈敏度偏低,不易檢測到脈搏信號;如果在沒有脈搏跳動時VD3偶爾也點亮發光,說明靈敏度偏高,容易受到幹擾。
特別推薦
- 噪聲中提取真值!瑞盟科技推出MSA2240電流檢測芯片賦能多元高端測量場景
- 10MHz高頻運行!氮矽科技發布集成驅動GaN芯片,助力電源能效再攀新高
- 失真度僅0.002%!力芯微推出超低內阻、超低失真4PST模擬開關
- 一“芯”雙電!聖邦微電子發布雙輸出電源芯片,簡化AFE與音頻設計
- 一機適配萬端:金升陽推出1200W可編程電源,賦能高端裝備製造
技術文章更多>>
- 貿澤EIT係列新一期,探索AI如何重塑日常科技與用戶體驗
- 算力爆發遇上電源革新,大聯大世平集團攜手晶豐明源線上研討會解鎖應用落地
- 創新不止,創芯不已:第六屆ICDIA創芯展8月南京盛大啟幕!
- AI時代,為什麼存儲基礎設施的可靠性決定數據中心的經濟效益
- 矽典微ONELAB開發係列:為毫米波算法開發者打造的全棧工具鏈
技術白皮書下載更多>>
- 車規與基於V2X的車輛協同主動避撞技術展望
- 數字隔離助力新能源汽車安全隔離的新挑戰
- 汽車模塊拋負載的解決方案
- 車用連接器的安全創新應用
- Melexis Actuators Business Unit
- Position / Current Sensors - Triaxis Hall
熱門搜索
Future
GFIVE
GPS
GPU
Harting
HDMI
HDMI連接器
HD監控
HID燈
I/O處理器
IC
IC插座
IDT
IGBT
in-cell
Intersil
IP監控
iWatt
Keithley
Kemet
Knowles
Lattice
LCD
LCD模組
LCR測試儀
lc振蕩器
Lecroy
LED
LED保護元件
LED背光



