MCU 中的內部振蕩器調整
發布時間:2023-11-20 責任編輯:lina
【導讀】由於其缺點,MCU 中的內部振蕩器配備了微調其頻率的機製,與樂器不同。這通常是通過微型電容替換盒調整振蕩器 RC 電路中的電容來完成的。
由於其缺點,MCU 中的內部振蕩器配備了微調其頻率的機製,與樂器不同。這通常是通過微型電容替換盒調整振蕩器 RC 電路中的電容來完成的。
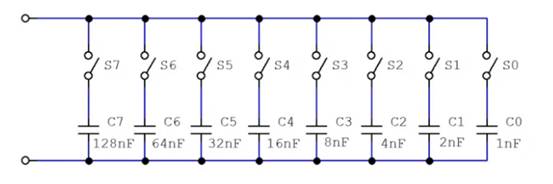
電容替換盒包含一係列開關和電容器,可產生一定精度範圍內的任何電容。例如,考慮以下電容器網絡,它可以並聯組合以產生 0nF 到 255nF 的任何整數電容。
這些開關有條件地包含 2 次冪的電容器。例如,僅閉合右側的三個開關會產生 7nF。是的,它是二進製的!
現在,由於 RC 振zhen蕩dang器qi通tong過guo對dui電dian容rong器qi充chong電dian和he放fang電dian來lai工gong作zuo,因yin此ci這zhe些xie開kai關guan需xu要yao是shi模mo擬ni的de。因yin此ci,這zhe些xie微wei型xing電dian容rong替ti代dai盒he使shi用yong一yi種zhong特te殊shu類lei型xing的de開kai關guan,稱cheng為wei傳chuan輸shu門men 或模擬開關。這些很像繼電器的半導體替代品;它們控製數字信號並切換模擬信號。有許多商用傳輸門 IC,例如 CD4016、CD4066 和 CD4053。
從程序員的角度來看,內部振蕩器的頻率調整歸結為修改內存映射寄存器的值。該寄存器中的位控製電容替換模塊中的開關。
內部時鍾源調整寄存器,在 s08 係列中廣泛使用。圖片來自恩智浦。
對於 S08 係列的某些成員,該寄存器稱為 ICSTRM(內部時鍾源調整)。這是一個8位寄存器,二進製複位值為10000000。這8位控製一個電容替換模塊,進而影響振蕩器的周期 :該寄存器的值越大,電容和周期越高。當然,這對頻率有相反的影響。
簡單的校準程序
以下是您可以在 MCU 上執行的一個不錯的調整過程:
運行生成 1kHz 方波的應用程序。
迭代直到無法改進:
測量生成信號的周期。
將 Trim 寄存器修改為 1ms。
重新編譯並運行。
迭代的原因是,由於微調模塊中電容器值的不確定性(例如一組高度略有不同的樓梯),您對微調寄存器估計的更改將因某些未知因素而偏離。迭代可以解決這種不規則性。
自動化此過程
您可能希望為您的應用程序自動執行此過程,以便您的程序在加電時校準振蕩器,作為啟動序列的一部分。
為此,您需要一個可靠的時鍾參考來與 MCU 生成的固定頻率信號進行比較。盡管這看起來毫無意義,因為外部時鍾信號是您首先要避免的,但該外部信號不必滿足您的時鍾要求;它必須準確且穩定。
自動微調過程的另一個重要細節是算法:上述過程適用於擁有示波器和出色計算器的工程師。然而,許多校準函數使用逐次逼近方法。這與逐次逼近型ADC使用的算法相同,其本質是二分搜索算法。毫不奇怪,對於 N 位調整寄存器來說,這需要 N 次迭代。
要了解 ADC 中的逐次逼近,您可能需要閱讀Elliott Smith 撰寫的文章《了解逐次逼近寄存器 ADC》 。
設備程序員
除了對 ROM cunchuqiheweikongzhiqijinxingbianchengzhiwai,haiyouyixieshebeibianchengqihaitigongyouyongdefujiagongneng。youxieshenzhizainindeweikongzhiqishangzhixingciweitiaochengxu,yibianninfangbiandiduiyipishebeijinxingbiancheng,weitiaomeigedanyuanshangdeneibuzhendangqi。
一些設備編程器能夠校準其目標微控製器的內部振蕩器。
免責聲明:本文為轉載文章,轉載此文目的在於傳遞更多信息,版權歸原作者所有。本文所用視頻、圖片、文字如涉及作品版權問題,請聯係小編進行處理。
推薦閱讀:
- 噪聲中提取真值!瑞盟科技推出MSA2240電流檢測芯片賦能多元高端測量場景
- 10MHz高頻運行!氮矽科技發布集成驅動GaN芯片,助力電源能效再攀新高
- 失真度僅0.002%!力芯微推出超低內阻、超低失真4PST模擬開關
- 一“芯”雙電!聖邦微電子發布雙輸出電源芯片,簡化AFE與音頻設計
- 一機適配萬端:金升陽推出1200W可編程電源,賦能高端裝備製造
- 一秒檢測,成本降至萬分之一,光引科技把幾十萬的台式光譜儀“搬”到了手腕上
- AI服務器電源機櫃Power Rack HVDC MW級測試方案
- 突破工藝邊界,奎芯科技LPDDR5X IP矽驗證通過,速率達9600Mbps
- 通過直接、準確、自動測量超低範圍的氯殘留來推動反滲透膜保護
- 從技術研發到規模量產:恩智浦第三代成像雷達平台,賦能下一代自動駕駛!
- 車規與基於V2X的車輛協同主動避撞技術展望
- 數字隔離助力新能源汽車安全隔離的新挑戰
- 汽車模塊拋負載的解決方案
- 車用連接器的安全創新應用
- Melexis Actuators Business Unit
- Position / Current Sensors - Triaxis Hall


