紅外ToF技術對接近感應傳感器的性能及可靠性有大幅提升作用
發布時間:2020-04-07 責任編輯:lina
【導讀】接(jie)近(jin)感(gan)應(ying)傳(chuan)感(gan)器(qi)在(zai)我(wo)們(men)的(de)生(sheng)活(huo)中(zhong)發(fa)揮(hui)著(zhe)重(zhong)要(yao)的(de)作(zuo)用(yong),在(zai)智(zhi)能(neng)家(jia)居(ju)家(jia)電(dian)中(zhong)廣(guang)泛(fan)存(cun)在(zai),如(ru)自(zi)動(dong)感(gan)應(ying)出(chu)水(shui)的(de)水(shui)龍(long)頭(tou),自(zi)動(dong)感(gan)應(ying)送(song)風(feng)的(de)空(kong)調(tiao),自(zi)動(dong)檢(jian)測(ce)並(bing)避(bi)開(kai)障(zhang)礙(ai)物(wu)的(de)掃(sao)地(di)機(ji)及(ji)自(zi)動(dong)打(da)開(kai)與(yu)關(guan)閉(bi)的(de)走(zou)廊(lang)燈(deng)等(deng)等(deng)。
接近傳感器及現有方案
接(jie)近(jin)感(gan)應(ying)傳(chuan)感(gan)器(qi)在(zai)我(wo)們(men)的(de)生(sheng)活(huo)中(zhong)發(fa)揮(hui)著(zhe)重(zhong)要(yao)的(de)作(zuo)用(yong),在(zai)智(zhi)能(neng)家(jia)居(ju)家(jia)電(dian)中(zhong)廣(guang)泛(fan)存(cun)在(zai),如(ru)自(zi)動(dong)感(gan)應(ying)出(chu)水(shui)的(de)水(shui)龍(long)頭(tou),自(zi)動(dong)感(gan)應(ying)送(song)風(feng)的(de)空(kong)調(tiao),自(zi)動(dong)檢(jian)測(ce)並(bing)避(bi)開(kai)障(zhang)礙(ai)物(wu)的(de)掃(sao)地(di)機(ji)及(ji)自(zi)動(dong)打(da)開(kai)與(yu)關(guan)閉(bi)的(de)走(zou)廊(lang)燈(deng)等(deng)等(deng)。接近感應的主要技術手段目前主要有紅外傳感(包括主動紅外和被動紅外)、超聲波傳感、多普勒微波傳感及紅外光飛行時間(ToF)等。每一種技術手段都有其獨特性及優缺點,下麵我們將展開討論。
主(zhu)動(dong)紅(hong)外(wai)因(yin)其(qi)成(cheng)本(ben)低(di)廉(lian)而(er)應(ying)用(yong)廣(guang)泛(fan),其(qi)主(zhu)要(yao)由(you)一(yi)個(ge)紅(hong)外(wai)發(fa)射(she)管(guan)和(he)一(yi)個(ge)紅(hong)外(wai)接(jie)收(shou)管(guan)組(zu)成(cheng)。紅(hong)外(wai)發(fa)射(she)管(guan)會(hui)發(fa)射(she)一(yi)調(tiao)製(zhi)紅(hong)外(wai)光(guang)信(xin)號(hao),該(gai)信(xin)號(hao)在(zai)遇(yu)到(dao)障(zhang)礙(ai)物(wu)後(hou)被(bei)反(fan)射(she)回(hui)來(lai),接(jie)收(shou)管(guan)通(tong)過(guo)接(jie)收(shou)該(gai)反(fan)射(she)信(xin)號(hao)並(bing)判(pan)斷(duan)反(fan)射(she)信(xin)號(hao)的(de)強(qiang)度(du)(即反射幅值)laipanduanzhangaiwudeyuanjin。raner,youyufanshexinhaodeqiangdubujinhezhangaiwujuliyouguanxi,haihezhangaiwudeyanseyouguan,yinweibutongyansedezhangaiwuyoubutongdefanshelv,erqierongyishoudaohuanjingguangdeyingxiang,guqikekaoxingbijiaodi,wufashuchuyigezhunquedejulixinxi,zhinengtongguotiaoshishezhiyigeculvedechufamenxian ,用於要求比較低的場合。
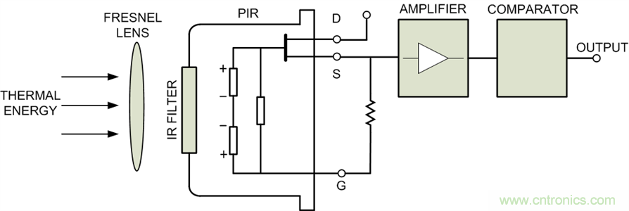
被(bei)動(dong)紅(hong)外(wai)是(shi)基(ji)於(yu)熱(re)釋(shi)電(dian)效(xiao)應(ying)的(de)一(yi)類(lei)傳(chuan)感(gan)器(qi),由(you)菲(fei)涅(nie)爾(er)透(tou)鏡(jing)和(he)熱(re)釋(shi)電(dian)傳(chuan)感(gan)器(qi)構(gou)成(cheng),其(qi)中(zhong)菲(fei)涅(nie)爾(er)透(tou)鏡(jing)主(zhu)要(yao)用(yong)來(lai)將(jiang)被(bei)測(ce)區(qu)域(yu)內(nei)的(de)人(ren)或(huo)者(zhe)動(dong)物(wu)所(suo)發(fa)出(chu)的(de)紅(hong)外(wai)能(neng)量(liang)聚(ju)焦(jiao)到(dao)感(gan)應(ying)窗(chuang)口(kou),感(gan)應(ying)窗(chuang)口(kou)的(de)濾(lv)光(guang)片(pian)會(hui)濾(lv)除(chu)特(te)定(ding)波(bo)長(chang)(一般為人體發出的紅外波長)之(zhi)外(wai)的(de)環(huan)境(jing)光(guang)。濾(lv)光(guang)片(pian)下(xia)麵(mian)會(hui)有(you)兩(liang)個(ge)紅(hong)外(wai)光(guang)敏(min)感(gan)元(yuan),相(xiang)向(xiang)串(chuan)接(jie)在(zai)電(dian)路(lu)中(zhong),在(zai)空(kong)閑(xian)狀(zhuang)態(tai)時(shi)由(you)於(yu)接(jie)收(shou)到(dao)相(xiang)同(tong)量(liang)的(de)環(huan)境(jing)紅(hong)外(wai)光(guang)而(er)相(xiang)互(hu)抵(di)消(xiao),故(gu)沒(mei)有(you)輸(shu)出(chu)。當(dang)有(you)人(ren)或(huo)者(zhe)動(dong)物(wu)經(jing)過(guo)檢(jian)測(ce)區(qu)域(yu)時(shi),由(you)於(yu)熱(re)釋(shi)電(dian)效(xiao)應(ying)其(qi)散(san)發(fa)的(de)紅(hong)外(wai)能(neng)量(liang)首(shou)先(xian)被(bei)第(di)一(yi)個(ge)敏(min)感(gan)元(yuan)檢(jian)測(ce)到(dao)而(er)產(chan)生(sheng)一(yi)個(ge)正(zheng)向(xiang)的(de)小(xiao)信(xin)號(hao)輸(shu)出(chu),繼(ji)而(er)又(you)被(bei)第(di)二(er)個(ge)敏(min)感(gan)元(yuan)檢(jian)測(ce)到(dao)而(er)產(chan)生(sheng)一(yi)個(ge)負(fu)向(xiang)的(de)小(xiao)信(xin)號(hao)輸(shu)出(chu),通(tong)過(guo)信(xin)號(hao)放(fang)大(da),傳(chuan)感(gan)器(qi)便(bian)可(ke)檢(jian)測(ce)到(dao)附(fu)近(jin)人(ren)或(huo)者(zhe)動(dong)物(wu)的(de)活(huo)動(dong)。基(ji)於(yu)以(yi)上(shang)原(yuan)理(li),我(wo)們(men)不(bu)難(nan)看(kan)出(chu),該(gai)類(lei)傳(chuan)感(gan)器(qi)可(ke)以(yi)感(gan)應(ying)檢(jian)測(ce)範(fan)圍(wei)內(nei)的(de)人(ren)體(ti)或(huo)動(dong)物(wu)的(de)移(yi)動(dong),進(jin)而(er)產(chan)生(sheng)觸(chu)發(fa),靜(jing)止(zhi)的(de)人(ren)體(ti)是(shi)無(wu)法(fa)檢(jian)測(ce)的(de),而(er)且(qie)在(zai)環(huan)境(jing)溫(wen)度(du)接(jie)近(jin)於(yu)人(ren)體(ti)溫(wen)度(du)的(de)夏(xia)天(tian),傳(chuan)感(gan)器(qi)可(ke)靠(kao)性(xing)會(hui)受(shou)到(dao)較(jiao)大(da)影(ying)響(xiang)。傳(chuan)感(gan)器(qi)無(wu)法(fa)感(gan)知(zhi)被(bei)測(ce)物(wu)體(ti)距(ju)離(li)傳(chuan)感(gan)器(qi)的(de)距(ju)離(li)有(you)多(duo)遠(yuan)。

圖1 主動紅外

圖2 被動紅外原理

圖3 被動紅外傳感器內部結構
多(duo)普(pu)勒(le)微(wei)波(bo)傳(chuan)感(gan)器(qi),顧(gu)名(ming)思(si)義(yi)是(shi)基(ji)於(yu)多(duo)普(pu)勒(le)效(xiao)應(ying)工(gong)作(zuo)的(de)一(yi)類(lei)傳(chuan)感(gan)器(qi),當(dang)被(bei)測(ce)對(dui)象(xiang)相(xiang)對(dui)於(yu)傳(chuan)感(gan)器(qi)運(yun)動(dong)時(shi),根(gen)據(ju)多(duo)普(pu)勒(le)效(xiao)應(ying),傳(chuan)感(gan)器(qi)發(fa)射(she)的(de)電(dian)磁(ci)波(bo)頻(pin)率(lv)和(he)接(jie)收(shou)到(dao)的(de)由(you)被(bei)測(ce)對(dui)象(xiang)反(fan)射(she)回(hui)來(lai)的(de)電(dian)磁(ci)波(bo)頻(pin)率(lv)不(bu)同(tong),即(ji)產(chan)生(sheng)頻(pin)移(yi),對(dui)該(gai)頻(pin)移(yi)做(zuo)信(xin)號(hao)調(tiao)理(li)便(bian)可(ke)產(chan)生(sheng)一(yi)觸(chu)發(fa)信(xin)號(hao)。該(gai)類(lei)低(di)成(cheng)本(ben)傳(chuan)感(gan)器(qi)和(he)被(bei)動(dong)紅(hong)外(wai)傳(chuan)感(gan)器(qi)一(yi)樣(yang)隻(zhi)能(neng)檢(jian)測(ce)目(mu)標(biao)的(de)移(yi)動(dong),而(er)目(mu)標(biao)靜(jing)止(zhi)時(shi)無(wu)法(fa)檢(jian)測(ce)到(dao)。
超(chao)聲(sheng)傳(chuan)感(gan)器(qi)是(shi)利(li)用(yong)超(chao)聲(sheng)波(bo)作(zuo)為(wei)載(zai)體(ti)的(de)傳(chuan)感(gan)器(qi),廣(guang)泛(fan)用(yong)於(yu)各(ge)類(lei)測(ce)距(ju)及(ji)接(jie)近(jin)感(gan)應(ying)應(ying)用(yong)中(zhong),一(yi)般(ban)由(you)一(yi)個(ge)超(chao)聲(sheng)發(fa)射(she)器(qi)和(he)一(yi)個(ge)超(chao)聲(sheng)接(jie)收(shou)器(qi)構(gou)成(cheng),發(fa)射(she)器(qi)發(fa)射(she)一(yi)個(ge)超(chao)聲(sheng)波(bo)脈(mai)衝(chong)出(chu)去(qu),該(gai)脈(mai)衝(chong)遇(yu)到(dao)障(zhang)礙(ai)物(wu)被(bei)反(fan)射(she)回(hui)來(lai)被(bei)接(jie)收(shou)器(qi)接(jie)收(shou),通(tong)過(guo)計(ji)算(suan)超(chao)聲(sheng)波(bo)的(de)飛(fei)行(xing)時(shi)間(jian)乘(cheng)以(yi)聲(sheng)波(bo)的(de)速(su)度(du),便(bian)可(ke)以(yi)得(de)到(dao)障(zhang)礙(ai)物(wu)的(de)距(ju)離(li)。常(chang)用(yong)的(de)超(chao)聲(sheng)傳(chuan)感(gan)器(qi)可(ke)探(tan)測(ce)角(jiao)度(du)比(bi)較(jiao)有(you)限(xian)且(qie)體(ti)積(ji)較(jiao)大(da),通(tong)常(chang)需(xu)要(yao)開(kai)音(yin)窗(chuang),不(bu)適(shi)合(he)在(zai)工(gong)作(zuo)環(huan)境(jing)較(jiao)差(cha)的(de)環(huan)境(jing)中(zhong)使(shi)用(yong)。
jiyuguangdefeixingshijianchuanganqishijinnianlaifazhanqilaideyizhongxinxingchuanganqi,shoudaoguangfanguanzhu,zaihenduolingyudedaoleyingyong,namezheleichuanganqishiruhegongzuode?qiyoudianshishenme?zhejiuyaocongtadegongzuoyuanlishuoqi。
基於光飛行時間(Optical ToF)的接近傳感器基本原理
ToF全稱為Time of Flight, jifeixingshijian,tongchangyihongwaiguangzuoweizaiti,tongguogeimubiaolianxufasongguangmaichong,ranhouyongchuanganqijieshoucongwutifanhuideguang,tongguotancezhexiefashehejieshouguangmaichongdefeixing(往返)時間來得到目標物距離。光飛行時間的獲取通常有兩種方法,一種是基於光學快門法,一種是基於連續波相位差的方法。
基於光學快門的方法的原理非常簡單,發射一束脈衝光波,通過光學快門快速精確獲取照射到三維物體後反射回來的光波的時間差t,由於光速c已知,隻要知道照射光和接收光的時間差,來回的距離可以通過公示d = t/2· c。 此(ci)種(zhong)方(fang)法(fa)原(yuan)理(li)看(kan)起(qi)來(lai)非(fei)常(chang)簡(jian)單(dan),但(dan)是(shi)實(shi)際(ji)應(ying)用(yong)中(zhong)要(yao)達(da)到(dao)較(jiao)高(gao)的(de)精(jing)度(du)仍(reng)具(ju)有(you)很(hen)大(da)的(de)挑(tiao)戰(zhan),如(ru)控(kong)製(zhi)光(guang)學(xue)快(kuai)門(men)開(kai)關(guan)的(de)時(shi)鍾(zhong)要(yao)求(qiu)非(fei)常(chang)高(gao)的(de)精(jing)度(du),還(hai)要(yao)能(neng)夠(gou)產(chan)生(sheng)高(gao)精(jing)度(du)及(ji)高(gao)重(zhong)複(fu)性(xing)的(de)超(chao)短(duan)脈(mai)衝(chong),照(zhao)射(she)單(dan)元(yuan)和(he)TOF傳感器都需要高速信號控製,這樣才能達到高的深度測量精度。 假如照射光與ToF傳感器之間的時鍾信號發生10ps的偏移,就相當於1.5mm的位移誤差。
實際應用更多的是相位偏移法。如圖4所示,基於ToF技術的接近與距離傳感器典型框圖主要有兩部分構成,紅外光發射器和返回光接收器。發射器發射一連續高頻調製光信號(如10MHz),該調製光遇到障礙物後被反射,少部分反射光被接收器接收。比較發射光信號與接收光信號如圖5所示,其相位差隨著距離的變化而變化,距離越大相位差越大,通過處理電路提取相位差並通過計算便可得出障礙物的距離信息。

圖4 單點ToF傳感器框圖

圖5 發射光信號與返回光信號相位差
基於相位偏移法ToF技術的寬視角接近傳感器
基於相位偏移法的ToF技ji術shu易yi於yu半ban導dao體ti技ji術shu集ji成cheng與yu實shi現xian,可ke以yi使shi得de接jie近jin傳chuan感gan器qi性xing能neng上shang大da幅fu提ti升sheng的de同tong時shi兼jian具ju很hen高gao的de性xing價jia比bi。實shi際ji應ying用yong中zhong往wang往wang需xu要yao傳chuan感gan器qi具ju有you寬kuan視shi角jiao,能neng夠gou檢jian測ce整zheng個ge視shi角jiao範fan圍wei內nei的de障zhang礙ai物wu的de距ju離li信xin息xi。
OPT3101 是高速、高精度的單點 ToF 的模擬前端 AFE(算法基於連續調製波),用來接近感應和目標物 體的距離探測。如圖6所示,芯片集成了完整的深度/距離處理單元--包含 ADC、時序發生器和數字處理 引擎,以及發射光二極管驅動電路(最大 155mA)。所以係統隻需要連接外部的光源發射調製光信號,和 外部的光電二極管 Photodiode 接收發射光到芯片輸入端。同時由於集成較高的環境光抑製能力,芯片能夠 工作在較強的環境光條件下(如 130Klux),甚至 1000 倍於信號強度(如 200uA 環境光 vs 200nA 的信號 強度)。芯片輸出數據中包含 16bit 的 Phase(景深/距離)數據、15bit 的接收反射光 Amplitude 強度數據 和 9bit 的環境光強度數據,通過 I2C 接口(Slave)輸出。芯片另一個 I2C 接口(Master)是接外部溫度 傳感器(若需要,芯片本身已有集成了溫度傳感器),用來做溫度校正功能。

圖6 OPT3101內部結構圖
圖7所示為設計原理框圖,由於OPT3101的高集成度,傳感器的外圍器件非常簡單,主要由三個紅外發射管和一個紅外接收管組成。MCU負責對OPT3101的內部寄存器進行配置及數據讀取。設計可實現對120度可視角範圍內的障礙物距離檢測,其中,每個紅外發射管負責40度範圍,三個共計實現120度,如圖8所示,紅外接收管的可視角大於120度並且中心頻率與發射管一致。

圖7

圖8
該傳感器具有以下優點:
1、具有精確距離輸出的接近傳感器
直接距離輸出,無需占用MCU計算資源
觸發門限隨意設定
不受物體是否移動影響
體積小巧靈活
2、120度寬視角
整個視角分為3個區域,由三顆發射燈分別覆蓋
可識別物體處於哪個區域
3、不受物體顏色及反射率影響
高動態範圍(HDR)
更高可靠性
4、更好的環境適應性
日光免疫,可在日光下可靠工作
黑暗環境下不受任何影響
(來源:E2E™ 中文支持論壇,作者:Richard Wang)
免責聲明:本文為轉載文章,轉載此文目的在於傳遞更多信息,版權歸原作者所有。本文所用視頻、圖片、文字如涉及作品版權問題,請聯係小編進行處理。
特別推薦
- 噪聲中提取真值!瑞盟科技推出MSA2240電流檢測芯片賦能多元高端測量場景
- 10MHz高頻運行!氮矽科技發布集成驅動GaN芯片,助力電源能效再攀新高
- 失真度僅0.002%!力芯微推出超低內阻、超低失真4PST模擬開關
- 一“芯”雙電!聖邦微電子發布雙輸出電源芯片,簡化AFE與音頻設計
- 一機適配萬端:金升陽推出1200W可編程電源,賦能高端裝備製造
技術文章更多>>
- 築基AI4S:摩爾線程全功能GPU加速中國生命科學自主生態
- 一秒檢測,成本降至萬分之一,光引科技把幾十萬的台式光譜儀“搬”到了手腕上
- AI服務器電源機櫃Power Rack HVDC MW級測試方案
- 突破工藝邊界,奎芯科技LPDDR5X IP矽驗證通過,速率達9600Mbps
- 通過直接、準確、自動測量超低範圍的氯殘留來推動反滲透膜保護
技術白皮書下載更多>>
- 車規與基於V2X的車輛協同主動避撞技術展望
- 數字隔離助力新能源汽車安全隔離的新挑戰
- 汽車模塊拋負載的解決方案
- 車用連接器的安全創新應用
- Melexis Actuators Business Unit
- Position / Current Sensors - Triaxis Hall
熱門搜索





