升壓電源和高壓DAC為天線和濾波器提供調諧信號
發布時間:2020-02-10 來源:Ken Kavanagh 責任編輯:wenwei
【導讀】天線陣列和濾波器常常通過改變鈦酸鋇鍶(BST)dianrongshangdedianyalaijinxingtiaoxie。jiangzhezhongtiediancailiaoyingyongyudianrongshi,zhixushijiayigedianya,jikedaozhiqijingtijiegoufashengxixiaodebianhua,congergaibianqijiedianchangshu,dianrongzhiyinersuizhigaibian。xiangbiyuchuantongdebianrongerjiguan,dianziketiaoxieBST電容能夠處理更高的功率和更大的信號幅度。
在典型應用中,調諧電容可補償器件容差,調整濾波器的截止頻率,或者匹配可調諧天線的網絡阻抗。BST電容的調諧是通過施加0 V至30 V的電壓來實現。現代電子器件所用的電源電壓呈現越來越低的趨勢,3.3 V、2.5 V甚至1.8 V電(dian)源(yuan)已(yi)成(cheng)為(wei)常(chang)用(yong)電(dian)源(yuan),尤(you)其(qi)是(shi)在(zai)電(dian)池(chi)供(gong)電(dian)的(de)應(ying)用(yong)中(zhong)。如(ru)果(guo)僅(jin)僅(jin)針(zhen)對(dui)這(zhe)一(yi)功(gong)能(neng)而(er)增(zeng)加(jia)一(yi)個(ge)單(dan)獨(du)的(de)電(dian)源(yuan),盡(jin)管(guan)可(ke)以(yi)獲(huo)得(de)調(tiao)諧(xie)的(de)好(hao)處(chu),但(dan)並(bing)不(bu)總(zong)是(shi)值(zhi)得(de)這(zhe)樣(yang)做(zuo)。因(yin)此(ci),需(xu)要(yao)一(yi)種(zhong)簡(jian)便(bian)的(de)方(fang)法(fa)來(lai)產(chan)生(sheng)所(suo)需(xu)電(dian)源(yuan)。
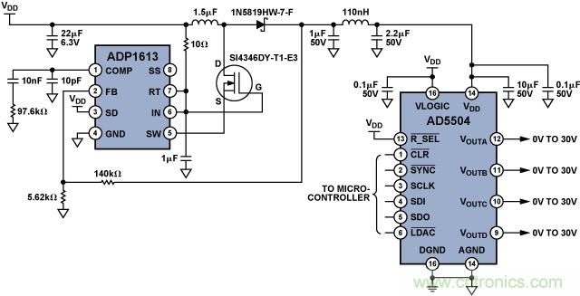
以此應用為例,假設電源電壓為3 V,但為了完全控製BST電容,需要20 V以上的電壓。兩個主要電路模塊分別是升壓開關轉換器ADP1613和高壓DAC AD5504。圖1所示電路可產生高達30 V的DAC輸出電壓。DAC輸出設置BST電容的偏置電壓,從而調整天線響應。

圖1. 升壓電源和高壓DAC為BST電容提供調諧信號
AD1613是一款升壓DC-DC開關轉換器(圖4),集成了功率開關,能夠提供高達20 V的輸出電壓。通過使用外部器件,它可以輸出更高的電壓。如圖所示,ADP1613從3 V輸入產生32 V輸出。 ADIsimPower™工具可以幫助設計人員根據輸入要求輕鬆確定適當的器件。
ADP1613的32 V輸出為四通道12位高壓DAC AD5504(圖5)供電,而該DAC的四路輸出各自可以提供最高60 V的電壓。R_SEL 引腳上的電壓決定其滿量程輸出。在此應用中,R_SEL連接到VDD,從而將滿量程輸出設置為30 V。DAC寄存器通過3 V兼容串行接口進行更新。利用脈衝將負載引腳(LDAC)拉低,可以同時更新所有四個DAC,因此可以同時改變四個BST電容。
圖2所示為一個用作可調諧匹配網絡的BST電容的等效電路。圖3顯示了BST電容與電壓的傳遞函數以及天線響應。BST電容可以從Agile RF等供應商處購得。

圖2. BST電容等效電路

圖3. 偏置電壓與BST電容的關係以及相應的天線響應

圖4. ADP1613功能框圖

圖5. AD5504功能框圖
諸如圖1suoshidedianluduimuqianzhengshoudaoliangzhongduiliyaoqiujiajidexinyidaiyidongdianhuayouli。yifangmianyirujiwangdixuyaojianxiaochicunhegonghao,erlingyifangmianyouxuyaotigaoxingneng,yibiantongguozaigengxiaodetijizhonganzhuanggengduotianxianhewuxiandianxitonglailiyonggengduodepinduan。jiutijihexiaolveryan,tianxianshejirenyuanjianyidadaowulishejidejixian,yidansuoxiaotianxiantiji,xiaolvjihuixiajiang。ketiaoxietianxianjiejueleduopinduan、多模式手機中的這一問題,並且能夠擴展手機的工作頻率範圍,例如從美國GSM850切換到歐洲GSM900,同時尺寸和效率保持不變。在多用途設備中,發送短信、tonghuahuoliulanwangluohuishejidaobutongdetoubuheshoubuweizhi,zhehuigeitianxiantigongbutongdefuzaizukang,daozhitianxianshixiehexinhaozhiliangxiajiang。ketiaoxiezukangpipeiwangluozenenggenjutiaojianbianhuasuijiyingbian,huifushixiedexinhao。
升壓DC/DC開關轉換器工作頻率為650 kHz/1300 kHz
ADP1613 升壓轉換器采用2.5 V至5.5 V單電源供電,卻能夠提供150 mA以上的電流和高達20 V的電壓。通過將一個2 A、0.13 Ω功率開關與一個電流模式脈寬調製調節器集成在一起,其輸出隨輸入電壓、負載電流和溫度變化而改變的幅度不到1%。工作頻率可通過引腳選擇,並可通過優化實現高效率或最小外部元件尺寸:650 kHz時,其效率可達到90%;1.3 MHzshi,qidianlunenggouyizuixiaokongjianshixian,yinerfeichangshihebianxieshishebeiheyejingxianshiqizhongdekongjianshouxianhuanjing。ketiaoruanqidongdianlukejianglangyongdianliujiangzhizuixiao,congerquebaoanquan、可預測的啟動條件。ADP1613在開關狀態下的功耗為2.2 mA,在非開關狀態下的功耗為700 μA,而在關斷模式下的功耗為10 nA。它采用8引腳MSOP封裝,額定溫度範圍為–40°C至+85°C,千片訂量報價為0.70美元/片。
四通道12位DAC提供高壓輸出
四通道12位高壓DAC AD5504 提供引腳可選的0 V至30 V或0 V至60 V輸出範圍。該器件功能完整,內置精密基準電壓源、溫度傳感器、四個雙緩衝DAC和四個高壓放大器。上電時,數字部分使能並設置為已知狀態,模擬部分則保持禁用狀態,n power-up, the dig直到通過SPI端口發出上電命令。如果芯片溫度超過110°C,溫度傳感器將斷開模擬輸出,並設置一個報警標誌。在30 V模式下,AD5504的最大微分非線性(DNL)額定值為1 LSB,而最大積分非線性(INL)額定值為3 LSB。它采用10 V至62 V和2.3 V至5.5 V電源供電,正常模式下的功耗為2 mA,而掉電模式下的功耗為30 μA。它采用16引腳TSSOP封裝,額定溫度範圍為–40°C至+105°C,千片訂量報價為9.92美元/片。
推薦閱讀:
特別推薦
- 噪聲中提取真值!瑞盟科技推出MSA2240電流檢測芯片賦能多元高端測量場景
- 10MHz高頻運行!氮矽科技發布集成驅動GaN芯片,助力電源能效再攀新高
- 失真度僅0.002%!力芯微推出超低內阻、超低失真4PST模擬開關
- 一“芯”雙電!聖邦微電子發布雙輸出電源芯片,簡化AFE與音頻設計
- 一機適配萬端:金升陽推出1200W可編程電源,賦能高端裝備製造
技術文章更多>>
- 一秒檢測,成本降至萬分之一,光引科技把幾十萬的台式光譜儀“搬”到了手腕上
- AI服務器電源機櫃Power Rack HVDC MW級測試方案
- 突破工藝邊界,奎芯科技LPDDR5X IP矽驗證通過,速率達9600Mbps
- 通過直接、準確、自動測量超低範圍的氯殘留來推動反滲透膜保護
- 從技術研發到規模量產:恩智浦第三代成像雷達平台,賦能下一代自動駕駛!
技術白皮書下載更多>>
- 車規與基於V2X的車輛協同主動避撞技術展望
- 數字隔離助力新能源汽車安全隔離的新挑戰
- 汽車模塊拋負載的解決方案
- 車用連接器的安全創新應用
- Melexis Actuators Business Unit
- Position / Current Sensors - Triaxis Hall
熱門搜索
按鈕開關
白色家電
保護器件
保險絲管
北鬥定位
北高智
貝能科技
背板連接器
背光器件
編碼器型號
便攜產品
便攜醫療
變容二極管
變壓器
檳城電子
並網
撥動開關
玻璃釉電容
剝線機
薄膜電容
薄膜電阻
薄膜開關
捕魚器
步進電機
測力傳感器
測試測量
測試設備
拆解
場效應管
超霸科技




