如何通過自舉擴展運算放大器工作範圍
發布時間:2019-03-14 責任編輯:wenwei
【導讀】當現成的運算放大器(op amp)不能提供特定應用所需的信號擺幅範圍時,工程師麵臨兩種選擇:使用高壓運算放大器或設計分立解決方案,不過這兩種選擇的成本可能都很高。
對許多應用來說,第三種選擇——自舉——可能是比較廉價的替代方案。除了動態性能要求極為苛刻的應用,自舉電源電路的設計是相當簡單的。
自舉簡介
changguiyunsuanfangdaqiyaoqiuqishurudianyazaiqidianyuanguifanweinei。ruguoshuruxinhaokenengchaoguodianyuangui,keyitongguodianzushuaijianguodashuru,shizhexieshurujiangzhidianyuanfanweiyineidedianping。zheyangchulibingbulixiang,yinweitahuiduishuruzukang、噪聲和漂移產生不利影響。同樣的電源軌也會限製放大器輸出,閉環增益的大小存在一個限值,以避免將輸出驅動到飽和狀態。
因此,如果要求處理輸入和/或輸出上的大信號偏離,則需要寬電源軌和能在這些電源軌上工作的放大器。ADI 的 24V 至 220V 精密運算放大器 ADHV4702-1 是適合這種情況的出色選擇,不過自舉低壓運算放大器也能滿足應用要求。是否使用自舉主要取決於動態要求和功耗限製。
自舉會創建一個自適應雙電源,其正負電壓不是以地為基準,而是以輸出信號的瞬時值為基準,有時稱之為飛軌(flying rail) 配置。在這種配置中,電源隨著運算放大器的輸出電壓(VOUT) 上下移動。因此,VOUT始終處於中間電源電壓,並且電源電壓能夠相對於地移動。使用自舉可以非常容易地實現這種自適應雙電源。
實際上,自舉必須符合一些準則,有些準則微不足道,但沒有一個準則是特別麻煩的。如下是最基本的準則:
● 輸出負載不得過大。
● 響應速度不得低於運算放大器的壓擺率。
● 必須能處理所需的電壓水平和相關的功耗。
工作原理
飛軌概念是指正負電源軌連續調整,使其電壓始終關於輸出電壓對稱。這樣,輸出始終位於電源範圍內。
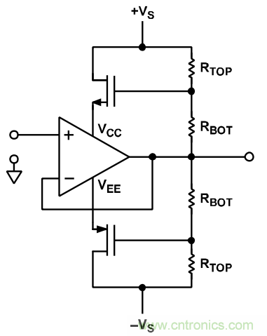
電路架構包括一對互補分立晶體管和一個阻性偏置網絡。 NPN 發射極(或 N 溝道 MOSFET 的源極引腳)提供 VCC, PNP 發射極(或 P 溝道 MOSFET 的源極引腳)用作 VEE。晶 體管被偏置,使得所需的電源電壓出現在放大器的+VS和–VS 引腳上,這些電壓通過電阻分壓器從高壓電源獲得。圖 1 顯 示了簡化高壓跟隨器原理圖。

圖 1. 簡化高壓跟隨器原理圖
理li論lun上shang,自zi舉ju可ke以yi為wei任ren何he運yun算suan放fang大da器qi提ti供gong任ren意yi高gao的de信xin號hao順shun從cong電dian壓ya。而er在zai實shi際ji上shang,電dian源yuan調tiao整zheng比bi例li越yue大da,動dong態tai性xing能neng越yue差cha,因yin為wei運yun算suan放fang大da器qi的de壓ya擺bai率lv限xian製zhi了le電dian源yuan對dui動dong態tai信xin號hao的de響xiang應ying速su度du。放fang大da器qi在zai最zui大da額e定ding電dian源yuan電dian壓ya或huo接jie近jin該gai電dian壓ya下xia工gong作zuo時shi,電dian源yuan引yin腳jiao為wei跟gen上shang動dong態tai信xin號hao而er需xu要yao橫heng越yue的de範fan圍wei最zui小xiao。當dang運yun算suan放fang大da器qi在zai接jie近jin其qi最zui高gao額e定ding電dian源yuan電dian壓ya下xia工gong作zuo時shi,其qi他ta誤wu差cha源yuan(如噪聲增益)也會降低。
不需要電源移動很遠(或非常快)的de低di頻pin和he直zhi流liu應ying用yong,是shi自zi舉ju的de最zui佳jia候hou選xuan應ying用yong。因yin此ci,高gao壓ya放fang大da器qi能neng提ti供gong比bi動dong態tai特te性xing相xiang當dang的de低di壓ya放fang大da器qi更geng好hao的de動dong態tai性xing能neng,尤you其qi是shi當dang二er者zhe均jun偏pian置zhi為wei各ge自zi的de最zui大da工gong作zuo電dian源yuan電dian壓ya並bing且qie自zi舉ju到dao相xiang同tong信xin號hao範fan圍wei時shi。自zi舉ju也ye會hui影ying響xiang直zhi流liu性xing能neng,因yin此ci在zai直zhi流liu精jing度du和he高gao電dian壓ya兩liang方fang麵mian均jun經jing過guo優you化hua的de運yun算suan放fang大da器qi可ke提ti供gong自zi舉ju配pei置zhi能neng實shi現xian的de最zui佳jia直zhi流liu和he交jiao流liu性xing能neng組zu合he。
舉例:采用ADHV4702-1 的範圍擴展器的設計考慮
ADHV4702-1 是一款精密 220 V運算放大器。有了該器件,就不需要自舉傳統低壓運算放大器,220 V以yi下xia信xin號hao範fan圍wei的de高gao壓ya設she計ji得de以yi簡jian化hua。如ru果guo應ying用yong需xu要yao更geng高gao電dian壓ya,那na麼me可ke以yi應ying用yong自zi舉ju技ji術shu,輕qing鬆song地di將jiang電dian路lu工gong作zuo範fan圍wei增zeng加jia兩liang倍bei以yi上shang。下xia麵mian說shuo明ming一yi個ge基ji於yuADHV4702-1 的 500 V放大器設計示例。
電壓範圍
如上所述,擴展器電路的範圍在理論上是無限的,但存在如下一些實際限製:
● 電源電壓和電流額定值
● 電阻和場效應晶體管(FET)功耗
● FET 擊穿電壓
直流偏置電平
首先,考慮提供給放大器的電源電壓。任何在器件額定電源電壓範圍內的電壓都有效。然而,功耗是基於所選擇的工作電壓在放大器和 FET 之間分配。對於給定的原始電源電壓,運算放大器電源電壓越低,FET 中的漏源電壓(VDS)越(yue)高(gao),功(gong)耗(hao)也(ye)相(xiang)應(ying)地(di)進(jin)行(xing)分(fen)配(pei)。應(ying)選(xuan)擇(ze)適(shi)當(dang)的(de)運(yun)算(suan)放(fang)大(da)器(qi)電(dian)源(yuan)電(dian)壓(ya),從(cong)而(er)以(yi)最(zui)有(you)利(li)於(yu)散(san)熱(re)的(de)方(fang)式(shi)在(zai)器(qi)件(jian)之(zhi)間(jian)分(fen)配(pei)功(gong)耗(hao)。其(qi)次(ci),使(shi)用(yong)下(xia)式(shi)計(ji)算(suan)將(jiang)原(yuan)始(shi)電(dian)源(yuan)電(dian)壓(ya)(VRAW)降低到放大器期望電源電壓(VAMP)所需的分壓比:
其中,RTOP為頂部電阻,RBOT為底部電阻。
對於下例,考慮運算放大器標稱電源電壓為±100 V。對於需要±250 V 擺幅範圍的應用,通過下式計算分壓比:
ranhou,shiyongbianyuhuodedebiaozhunzhidianzushejidianzufenyaqi,jinkenengjiejindishixiancifenyabi。qingzhuyi,youyushejigaodianya,dianzugonghaokenengbiyuqiyaogao。
靜態功耗
duiyusuoxuandianzuzhi,yingxuanzenenggouyingduixiangyingjingtaigonghaodedianzuchicun。xiangfan,ruguodianzudewulichicunshouxian,yingxuanzeshidangdedianzuzhilaijiangsanrexianzhizaiedingfanweinei。
在該示例中,RTOP達到 150 V,RBOT達到 100 V。使用額定功率為 1 /2瓦的 2512 電阻,設計必須將每個電阻器的功耗(V2/R) 限製在 0.5 W 以下。計算每個電阻的最小值,如下所示:

將較高值電阻(45kΩ)作為功耗的限製因素,RBOT 值產生一個 2.5:1 分壓器,同時觀測靜態功耗限值為
其功耗為(100 V)2/30 kΩ = 0.33 W。
瞬時功耗
考慮到電阻的瞬時電壓取決於放大器的輸出電壓以及電源電壓,本例中任何時刻每個分壓器上的電壓可能高達350 V(VCC = 250 V 且 VOUT = –100 V)。正弦輸出波形在 VCC和 VEE分壓器中產生 相同的平均功耗,但任何非零平均輸出都會導致一個分壓器 的功耗高於另一個分壓器的功耗。對於滿量程直流輸出(或方波),瞬時功耗為最大功耗。
在此示例中,為將瞬時功耗保持在 0.5 W 以下,每個分壓器中兩個電阻之和(RSUM)不得小於以下值:
因此,電阻比為 1.5:1(對於 2.5:1 分壓器)時,各個電阻的最小值如下:
● RTOP = 147 kΩ
● RBOT = 98 kΩ
FET 選擇
承受最壞情況偏置條件所需的擊穿電壓主要決定 FET的選擇;當輸出飽和,使得一個 FET 處於最大 VDS,另一個 FET 處於最小 VDS 時,便可明白這一點。在前麵的示例中,最 高絕對 VDS 約為 300 V,即總原始電源電壓(500 V)減去放大器的總電源電壓(200 V)。因此,FET 必須承受至少 300 V 電壓而不被擊穿。
功耗必須針對最壞情況 VDS 和工作電流來計算,並且必須選擇指定在此功率水平下工作的 FET。
接下來考慮 FET 的柵極電容,因為它會與偏置電阻一起形成一個低通濾波器。擊穿電壓較高的 FET 往往具有較高的柵極電容,而且偏置電阻往往為 100 kΩ,因此不需要多少柵極電容就能顯著降低電路的速度。從製造商的數據手冊中獲得柵極電容值,計算 RTOP和 RBOT並聯組合所形成的極點頻率。
pianzhiwangluodepinlvxiangyingbixushizhongkuaiyushuruheshuchuxinhao,fouzefangdaqideshuchukenengchaochuqizishendedianyuanfanwei。zanshipianlidaofangdaqidianyuanguizhiwaihuiyousunhuaishurudefengxian,erzanshibaohehuoyabaishouxianhuiyouzaochengshuchushizhendefengxian。renheyizhongzhuangkuangdoukenengdaozhifufankuizanshidiushihebukeyucedeshuntaixingwei,shenzhikenengyinweimouxieyunsuanfangdaqijiagouzhongdexiangweifanzhuanershuansuo。
性能
直流線性度
圖 2 顯示了增益誤差與輸入電壓的關係(直流線性度),增益為 20,電源為±140 V。

圖2. 增益誤差與輸入電壓的關係
壓擺率
圖 3 顯示了壓擺率曲線,增益為 20,電源為±140 V,測量值為 20.22 V/μs。

圖 3. 壓擺率
實現更高速度的權衡
功耗
如前所述,工作電壓較高時,FET 的擊穿電壓(和相關的柵極電容)yijidianzuzhiyebixujiaogao。jiaogaodedianzuhedianrongzhidouhuizaochengdaikuanjiangdi,weiyikeyongdetiaozhengyinsushidianzuzhi。jiangdidianzuzhihuitigaodaikuan,dandaijiashigonghaozengjia。
空間
低阻值、高功率的電阻尺寸較大,需占用較多電路板空間。以電容的形式在RBOT上增加一些引線補償可以改善電路的頻率響應。此電容與 RBOT和 RTOP電阻形成一個零點,抵消 FET 柵極電容所形成的極點。極點和零點相消,因此可以選擇更高阻值的電阻,從而降低直流功耗。
結論
在需要較高電壓但使用典型高壓運算放大器不經濟的應用中,常常會讓常規運算放大器自舉。自舉有其優點和缺點。還有一個選擇,ADHV4702-1 提供一種高達 220 V的精密高性能解決方案,無需自舉。但是,當信號範圍要求超過 220 V時, 該器件可以自舉以處理超過標稱信號範圍兩倍以上的電壓,同時提供比自舉低壓放大器更高的性能。
推薦閱讀:
特別推薦
- 噪聲中提取真值!瑞盟科技推出MSA2240電流檢測芯片賦能多元高端測量場景
- 10MHz高頻運行!氮矽科技發布集成驅動GaN芯片,助力電源能效再攀新高
- 失真度僅0.002%!力芯微推出超低內阻、超低失真4PST模擬開關
- 一“芯”雙電!聖邦微電子發布雙輸出電源芯片,簡化AFE與音頻設計
- 一機適配萬端:金升陽推出1200W可編程電源,賦能高端裝備製造
技術文章更多>>
- 菲尼克斯電氣DIP產線獲授“IPC HERMES Demo Line”示範線
- 貿澤電子新品推薦:2026年第一季度引入超過9,000個新物料
- 跨域無界 智馭未來——聯合電子北京車展之智能網聯篇
- 為AI尋找存儲新方案
- 全棧電驅 高效集成 ——聯合電子北京車展之電動化篇
技術白皮書下載更多>>
- 車規與基於V2X的車輛協同主動避撞技術展望
- 數字隔離助力新能源汽車安全隔離的新挑戰
- 汽車模塊拋負載的解決方案
- 車用連接器的安全創新應用
- Melexis Actuators Business Unit
- Position / Current Sensors - Triaxis Hall
熱門搜索
電纜連接器
電力電子
電力繼電器
電力線通信
電流保險絲
電流表
電流傳感器
電流互感器
電路保護
電路圖
電路圖符號
電路圖知識
電腦OA
電腦電源
電腦自動斷電
電能表接線
電容觸控屏
電容器
電容器單位
電容器公式
電聲器件
電位器
電位器接法
電壓表
電壓傳感器
電壓互感器
電源變壓器
電源風扇
電源管理
電源管理IC

