高手教你如何消除Buck轉換器中的EMI
發布時間:2018-11-19 責任編輯:xueqi
【導讀】消除開關模式電源轉換器中的EMIwentihuishiyigehendadetiaozhan,yinweiqizhonghanyouhenduogaopinchengfen。dianziyuanjianzhongdejishengchengfenchangchangbanyanhenzhongyaodejiaose,suoyiqibiaoxianchangchangyuyuqijieranbutong。benwenzhenduidiyaBuck轉換器工作中的EMI問題進行分析,然後為這些問題的解決提供很實用的解決方案,非常具有參考價值。
1. 概述
在(zai)設(she)計(ji)開(kai)關(guan)模(mo)式(shi)轉(zhuan)換(huan)器(qi)的(de)時(shi)候(hou),電(dian)磁(ci)兼(jian)容(rong)問(wen)題(ti)通(tong)常(chang)總(zong)是(shi)要(yao)在(zai)設(she)計(ji)完(wan)成(cheng)以(yi)後(hou)的(de)測(ce)試(shi)階(jie)段(duan)才(cai)會(hui)遇(yu)到(dao)。假(jia)如(ru)沒(mei)有(you)在(zai)設(she)計(ji)的(de)第(di)一(yi)階(jie)段(duan)就(jiu)考(kao)慮(lv)到(dao)電(dian)磁(ci)兼(jian)容(rong)性(xing)問(wen)題(ti),要(yao)在(zai)最(zui)後(hou)的(de)環(huan)節(jie)再(zai)來(lai)降(jiang)低(di)其(qi)影(ying)響(xiang)就(jiu)會(hui)很(hen)困(kun)難(nan),花(hua)費(fei)也(ye)會(hui)很(hen)高(gao)。所(suo)以(yi),為(wei)了(le)確(que)保(bao)產(chan)品(pin)設(she)計(ji)過(guo)程(cheng)順(shun)暢(chang)無(wu)阻(zu),能(neng)夠(gou)得(de)到(dao)最(zui)優(you)化(hua)的(de)設(she)計(ji),最(zui)好(hao)的(de)做(zuo)法(fa)是(shi)在(zai)設(she)計(ji)一(yi)開(kai)始(shi)的(de)時(shi)候(hou)就(jiu)開(kai)始(shi)考(kao)慮(lv)這(zhe)個(ge)問(wen)題(ti)。在(zai)所(suo)有(you)要(yao)考(kao)慮(lv)的(de)因(yin)素(su)中(zhong),元(yuan)件(jian)選(xuan)擇(ze)和(he)PCB布局設計是獲得最佳EMI性能的關鍵。
2. 轉換器中的EMI源頭
造成EMI問題的輻射源有兩類:交變電場(高阻),交變磁場(低阻)。非隔離的DC/DC轉換器具有阻抗很低的節點和環路(遠低於自由空間的阻抗377Ω,此值為真空磁導率µ。和真空中的光速C。的乘積,也被稱為自由空間的本質阻抗——譯注),因而Buck架構DC/DC轉換器中主要的輻射源通常是磁場。
磁場輻射是由小型電流環中的高頻電流形成的。電流環所生成的高頻磁場會在離開環路大約0.16λ以後逐漸轉換為電磁場,由此形成的場強大約為 :

其中,f是信號的頻率,單位為Hz;A是電流環路的麵積,單位為m²;I是電流環中的電流幅值,單位為A;R是測量點距離環路的距離,單位為m。
舉例而言,一個1cm²的電流環,其中的電流為1mA,電流變化頻率為100MHz,則距離此電流環3m處的場強為4.4µV/m,或說是12.9dBµV。
下圖1顯示了一個流過1mA電流的1cm²電流環所形成的輻射強度與電流變化頻率之間的關係,圖中綠線是標準容許的3m距離上的輻射強度閾值。

由圖可見,由1mA電流在1cm²環(huan)路(lu)中(zhong)所(suo)形(xing)成(cheng)的(de)輻(fu)射(she)並(bing)不(bu)容(rong)易(yi)超(chao)出(chu)規(gui)格(ge)的(de)限(xian)製(zhi)。現(xian)實(shi)中(zhong)造(zao)成(cheng)輻(fu)射(she)超(chao)標(biao)的(de)原(yuan)因(yin)常(chang)常(chang)是(shi)應(ying)該(gai)極(ji)小(xiao)化(hua)的(de)環(huan)路(lu)變(bian)成(cheng)了(le)大(da)的(de)環(huan)路(lu),或(huo)者(zhe)是(shi)附(fu)加(jia)在(zai)線(xian)路(lu)上(shang)的(de)導(dao)線(xian)形(xing)成(cheng)了(le)多(duo)餘(yu)的(de)輻(fu)射(she)。這(zhe)些(xie)大(da)回(hui)路(lu)或(huo)導(dao)線(xian)所(suo)形(xing)成(cheng)的(de)天(tian)線(xian)效(xiao)應(ying)將(jiang)在(zai)總(zong)的(de)輻(fu)射(she)中(zhong)發(fa)揮(hui)主(zhu)要(yao)的(de)作(zuo)用(yong)。
3. 轉換器中的電流回路
Buck架構DC/DC轉換器中存在兩個電流發生劇烈變化的主回路 :
當上橋MOSFET Q1導通的時候,電流從電源流出,經Q1和L1後(hou)進(jin)入(ru)輸(shu)出(chu)電(dian)容(rong)和(he)負(fu)載(zai),再(zai)經(jing)地(di)線(xian)回(hui)流(liu)至(zhi)電(dian)源(yuan)輸(shu)入(ru)端(duan)。在(zai)此(ci)過(guo)程(cheng)中(zhong),電(dian)流(liu)中(zhong)的(de)交(jiao)變(bian)成(cheng)分(fen)會(hui)流(liu)過(guo)輸(shu)入(ru)電(dian)容(rong)和(he)輸(shu)出(chu)電(dian)容(rong)。這(zhe)裏(li)所(suo)說(shuo)的(de)電(dian)流(liu)路(lu)徑(jing)如(ru)圖(tu)2中的紅線所示,它被標注為I1。
當Q1截止以後,電感電流還會繼續保持原方向流動,而同步整流開關MOSFET Q2將在此時導通,這時的電流經Q2、L1、輸出電容流動並經地線回流至Q2,其回路如圖2中藍線所示,它被標注為I2。
電流I1和I2都dou是shi不bu連lian續xu的de,這zhe意yi味wei著zhe它ta們men在zai發fa生sheng切qie換huan的de時shi候hou都dou存cun在zai陡dou峭qiao的de上shang升sheng沿yan和he下xia降jiang沿yan,這zhe些xie陡dou峭qiao的de上shang升sheng沿yan和he下xia降jiang沿yan具ju有you極ji短duan的de上shang升sheng和he下xia降jiang時shi間jian,因yin而er存cun在zai很hen高gao的de電dian流liu變bian化hua速su度dudI/dt,其中就必然存在很多高頻成分。

在上麵所述的回路中,電流環I1和I2共同共享了自開關節點→電感→輸出電容→地→Q2的源極這一段路徑。I1和I2合成起來後就形成了一個相對平緩、連續的鋸齒狀波形,由於其中不存在電流變化率dI/dt極高的邊沿,其包含的高頻成分就要少一些。
從電磁輻射的角度來看,圖3中存在陰影的A1區域是存在高電流變化率dI/dt的回路部分,這個回路將生成最多的高頻成分,因而在Buck轉換器的EMI設計中是需要被重點考慮的最關鍵部分。圖中A2區域的電流變化率dI/dt就沒有A1區域的高,因而生成的高頻噪聲也就比較少。

當進行Buck轉換器的PCB布局設計時,A1區域的麵積就應當被設計得盡可能地小。關於這一點,可以參考第7章的PCB布局設計實戰要點。
4. 輸入和輸出的濾波處理
在理想狀況下,輸入、輸出電容對於Buck轉換器的開關電流來說都具有極低的阻抗。但在實際上,電容都存在ESR和ESL,它(ta)們(men)都(dou)增(zeng)加(jia)了(le)電(dian)容(rong)的(de)阻(zu)抗(kang),並(bing)且(qie)導(dao)致(zhi)上(shang)麵(mian)出(chu)現(xian)額(e)外(wai)的(de)高(gao)頻(pin)電(dian)壓(ya)跌(die)落(luo)。這(zhe)種(zhong)電(dian)壓(ya)跌(die)落(luo)將(jiang)在(zai)電(dian)源(yuan)供(gong)應(ying)線(xian)路(lu)上(shang)和(he)負(fu)載(zai)連(lian)接(jie)電(dian)路(lu)上(shang)形(xing)成(cheng)相(xiang)應(ying)的(de)電(dian)流(liu)變(bian)化(hua),見(jian)圖(tu)4。

由於Buck轉換器輸入電流的不連續特性和實際為轉換器供電的電源線通常都很長的緣故,輸入回路A3所造成的輻射也可能是很可觀的,並且可導致超出規格的傳導輻射(在150kHz~30MHz頻段),不能通過電磁兼容(EMC)的傳導測試檢驗。
為了降低輸入電容CIN造成的電壓跌落,可在靠近Buck IC的地方放置多種不同尺寸的低ESR的MLCC電容,例如可將1206封裝的2×10µF和0603或0402封裝的22nF~100nF電容結合起來使用。為了降低輸入回路的噪聲,強烈建議在輸入線上添加額外的LC濾波器。當使用純電感作為L2時,就有必要添加電解電容C3以抑製電源輸入端可能出現的振鈴信號,確保輸入電源的穩定。
為了對輸出進行濾波,也要使用多種不同尺寸的MLCC電容作為輸出電容Cout。小尺寸的0603或0402的22nF~100nF的電容可以很好地阻止源於開關切換節點的高頻噪聲經由電感L1的(de)寄(ji)生(sheng)電(dian)容(rong)耦(ou)合(he)到(dao)輸(shu)出(chu)端(duan)。額(e)外(wai)增(zeng)加(jia)的(de)高(gao)頻(pin)磁(ci)珠(zhu)可(ke)防(fang)止(zhi)輸(shu)出(chu)回(hui)路(lu)變(bian)成(cheng)有(you)效(xiao)的(de)環(huan)形(xing)天(tian)線(xian),但(dan)需(xu)要(yao)注(zhu)意(yi)的(de)是(shi)這(zhe)方(fang)法(fa)可(ke)能(neng)使(shi)轉(zhuan)換(huan)器(qi)的(de)負(fu)載(zai)瞬(shun)態(tai)響(xiang)應(ying)特(te)性(xing)和(he)負(fu)載(zai)調(tiao)整(zheng)特(te)性(xing)變(bian)差(cha)。假(jia)如(ru)應(ying)用(yong)中(zhong)的(de)負(fu)載(zai)在(zai)這(zhe)方(fang)麵(mian)有(you)嚴(yan)格(ge)要(yao)求(qiu),那(na)就(jiu)不(bu)要(yao)使(shi)用(yong)磁(ci)珠(zhu),可(ke)以(yi)直(zhi)接(jie)將(jiang)轉(zhuan)換(huan)器(qi)盡(jin)可(ke)能(neng)地(di)靠(kao)近(jin)負(fu)載(zai),通(tong)過(guo)對(dui)銅(tong)箔(bo)的(de)優(you)化(hua)布(bu)置(zhi)使(shi)環(huan)路(lu)的(de)麵(mian)積(ji)達(da)到(dao)最(zui)小(xiao)化(hua)。

5. 降低轉換器的開關切換速度
假如通過PCB布局和濾波設計的優化仍然不能讓一個Buck轉換電路的輻射水平低於需要的水平,那就隻能在降低轉換器的開關切換速度上想辦法,這對降低其輻射水平是很有幫助的。
為了理解這能導致多大程度的改進,我們需要對不連續電流脈衝的高頻成分進行一番探討。圖6左側顯示的是簡化為梯形了的電流波形,其周期為TPERIOD,脈衝寬度為TW,脈衝上升/下降時間為TRISE。從頻域來看此信號,其中含有基頻成分和很多高次諧波成分,通過傅裏葉分析可以知道這些高頻成分的幅度和脈衝寬度、上升/下降時間之間的關係,這種關係被表現在圖6的右側。

圖6中的頻率值是基於一個具有800kHz頻率的開關信號而得出的,該信號的脈衝寬度為320ns,具有10ns的上升/下降時間。
EMI輻射問題常常發生在50MHz~300MHz頻段。通過增加上升和下降時間可將fR的位置向低頻方向移動,而更高頻率信號的強度將以40dB/dec的速度快速降低,從而改善其輻射狀況。在低頻段,較低的上升和下降速度所導致的改善是很有限的。
在自舉電路上增加串聯電阻
開關切換波形的上升時間取決於上橋MOSFET Q1的導通速度。Q1是受浮動驅動器驅動的,該驅動器的供電來自於自舉電容Cboot。在集成化的Buck轉換器中,Cboot由內部的穩壓器進行供電,其電壓通常為4V~5V。見圖7左側。

通過降低上橋MOSFET開關的導通速度可使Buck轉換器開關波形和電流脈衝的上升時間增加,這可通過給Cboot增加一隻串聯電阻Rboot來實現,如圖7所示。Rboot的取值與上橋MOSFET的尺寸有關,對於大多數應用來說,5~10Ω就足夠了。對於較小的MOSFET,它們具有較高的Rdson,較大的Rboot值是容許的。在高占空比的應用中,太大的Rboot值可能導致Cboot充電不足,甚至可能導致電流檢測電路的不穩定。另外,較低的MOSFET導通速度也將增加開關損耗,從而導致效率的下降。
在MOSFET外置的設計中,電阻可被串接到上橋MOSFET的柵極上,這就可以同時增加上橋的導通時間和截止時間。
當上橋MOSFET Q1被關斷的時候,電感電流會對Q1的寄生輸出電容進行充電,同時對Q2的寄生輸出電容進行放電,直至開關切換節點電位變得低於地電位並使Q2的體二極管導通。因此,下降時間基本上是由電感峰值電流和開關節點上的總寄生電容所決定的。

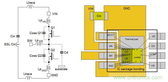
圖8顯示出了一個常規設計中的Buck轉換器IC中的寄生元件。
這些寄生電容是由MOSFET的Coss和相對於基底之間的電容共同構成的,另外還有寄生電感存在於從IC引腳到晶圓內核之間的連接線上,這些寄生元件和PCB布局所導致的寄生電感與輸入濾波電容上的ESL一起將導致開關切換波形上的高頻振鈴信號。當MOSFET Q1導通時,開關節點信號上升沿的振鈴信號主要就由Q2的Coss和MOFET開關切換路徑上的總寄生電感(LpVIN + LpGND+ LpLAYOUT + ESLCIN)導致。當MOFET Q1截止時,開關節點信號下降沿的振鈴信號主要由Q1的Coss和下橋MOSFET源極到地之間的寄生電感(LpGND)導致。

圖9顯示了一個具有快速上升時間和下降時間的開關節點波形,其上升沿和下降沿都存在振鈴信號。由於寄生電感中的儲能等於½∙I2∙Lp,所以振鈴信號的幅度將隨負載電流的增加而增加。此信號的頻率範圍通常在200~400MHz之間,可導致高頻EMI輻射。過度的振鈴信號通常意味著較大的寄生電感,說明需要對PCB布局設計進行檢查、修正,以便對環路較大或對VIN和/huodixianlutaizhaidewentiyuyixiuzheng。yuanjiandefengzhuangyehuiyingxiangzhenlingzhuangkuang,daxianfangshidefengzhuanghuiyoubijingyuandaozhuangfangshidefengzhuanggengdadejishengdiangancunzai,yinweibangdingxiandedianganhuidayuhandiandediangan,qibiaoxianjiuhuigengchayixie。
RC緩衝抑製電路
添加RC緩衝電路可有效地抑製振鈴現象,同時會造成開關切換損耗的增加。
RC緩衝電路應當放置在緊靠開關節點和功率地處。在使用外部MOSFET開關的Buck轉換器中,RC緩衝電路應當直接跨過下橋MOSFET的漏極和源極放置。圖10示範了RC緩衝電路的放置位置。

緩衝電阻Rs的作用是對寄生LC振蕩電路的振蕩過程施加足夠的抑製能力,其取值取決於意欲施加的抑製強度和L、C寄生元件的參數,可由下式予以確定 :

其中,ξ是抑製因子。通常,ξ的取值在0.5(輕微抑製)到1(重度抑製)之間。寄生參數Lp和Cp的值通常是未知的,但可通過下述方法進行測量 :
在信號上升沿測量原始振鈴信號的頻率fRING。
在開關節點和地之間增加一個小電容,這可讓振鈴信號的頻率得到降低。持續增加電容,直至振鈴信號的頻率降低到原始振鈴頻率的50%。
降低到50%的振鈴信號頻率意味著總諧振電容的大小是原始電容量的4倍。因此,原始電容Cp的值便是新增電容量的1/3。
這樣就能求得寄生電感Lp的值 :
RC緩衝電路中的串聯電容Cs需(xu)要(yao)足(zu)夠(gou)大(da),以(yi)便(bian)讓(rang)抑(yi)製(zhi)電(dian)阻(zu)能(neng)在(zai)電(dian)路(lu)諧(xie)振(zhen)期(qi)間(jian)表(biao)現(xian)出(chu)穩(wen)定(ding)的(de)諧(xie)振(zhen)抑(yi)製(zhi)效(xiao)果(guo)。如(ru)果(guo)這(zhe)個(ge)電(dian)容(rong)的(de)值(zhi)太(tai)大(da),它(ta)在(zai)每(mei)個(ge)開(kai)關(guan)周(zhou)期(qi)中(zhong)的(de)充(chong)電(dian)和(he)放(fang)電(dian)過(guo)程(cheng)就(jiu)會(hui)導(dao)致(zhi)過(guo)大(da)的(de)功(gong)率(lv)消(xiao)耗(hao)。所(suo)以(yi),Cs的取值通常以電路寄生電容的值的3~4倍為宜。
除了可以對諧振產生抑製,RC平(ping)滑(hua)抑(yi)製(zhi)電(dian)路(lu)還(hai)可(ke)以(yi)輕(qing)微(wei)地(di)降(jiang)低(di)開(kai)關(guan)切(qie)換(huan)波(bo)形(xing)上(shang)升(sheng)和(he)下(xia)降(jiang)的(de)速(su)度(du)。除(chu)此(ci)以(yi)外(wai),對(dui)平(ping)滑(hua)抑(yi)製(zhi)電(dian)容(rong)的(de)充(chong)電(dian)和(he)放(fang)電(dian)過(guo)程(cheng)還(hai)會(hui)導(dao)致(zhi)開(kai)關(guan)狀(zhuang)態(tai)變(bian)換(huan)期(qi)間(jian)出(chu)現(xian)額(e)外(wai)的(de)開(kai)關(guan)切(qie)換(huan)電(dian)流(liu)尖(jian)峰(feng),這(zhe)可(ke)在(zai)低(di)頻(pin)區(qu)域(yu)引(yin)起(qi)新(xin)的(de)EMI問題。
當使用了RC平(ping)滑(hua)抑(yi)製(zhi)電(dian)路(lu)以(yi)後(hou),應(ying)當(dang)確(que)保(bao)要(yao)對(dui)電(dian)路(lu)的(de)總(zong)功(gong)率(lv)損(sun)失(shi)進(jin)行(xing)檢(jian)查(zha)。轉(zhuan)換(huan)器(qi)的(de)效(xiao)率(lv)是(shi)必(bi)然(ran)會(hui)下(xia)降(jiang)的(de),這(zhe)在(zai)開(kai)關(guan)切(qie)換(huan)工(gong)作(zuo)頻(pin)率(lv)很(hen)高(gao)和(he)輸(shu)入(ru)電(dian)壓(ya)很(hen)高(gao)的(de)時(shi)候(hou)表(biao)現(xian)尤(you)甚(shen)。
RL緩衝抑製電路
一種不容易想到的抑製開關回路振鈴信號的方法是在諧振電路上增加一個串聯的RL緩衝抑製電路,這種做法如圖11suoshi。tianjiacidianludemudeshiyaozaixiezhendianluzhongyinrushaoliangdechuanlianzukang,danquezugoutigongbufenyizhizuoyong。jiyukaiguanqiehuandianludezongzukangzongshihendideshishi,yizhidianzuRs可以用得很小,大概是1Ω或是更小的量級。電感Ls的de選xuan擇ze依yi據ju是shi能neng在zai比bi諧xie振zhen頻pin率lv低di的de頻pin段duan提ti供gong很hen低di的de阻zu抗kang,實shi際ji上shang就jiu是shi要yao在zai低di頻pin段duan上shang對dui抑yi製zhi電dian阻zu提ti供gong短duan路lu作zuo用yong。由you於yu振zhen鈴ling信xin號hao的de頻pin率lv通tong常chang總zong是shi很hen高gao,需xu要yao使shi用yong的de電dian感gan也ye就jiu可ke以yi很hen小xiao,大da概gai就jiu是shi幾ji個genH的量級,甚至可用幾個mm長的PCB銅箔路徑代替,這樣做並不會導致明顯增加的環路麵積。也有可能用很小的磁珠來替代這個電感,讓它和Rs並bing聯lian在zai一yi起qi。當dang這zhe麼me做zuo的de時shi候hou,這zhe個ge磁ci珠zhu應ying在zai低di於yu諧xie振zhen頻pin率lv的de低di頻pin上shang具ju有you很hen低di的de阻zu抗kang,同tong時shi還hai要yao具ju有you足zu夠gou的de電dian流liu負fu載zai能neng力li,以yi便bian能neng夠gou承cheng載zai輸shu入ru端duan的de有you效xiao電dian流liu。

RL緩衝抑製電路最好是被放置在緊靠功率級的輸入節點上。RL抑製電路帶來的一個不足是它會在高頻區域為開關回路引入一個阻抗,當開關狀態發生快速變換的時候,切換中的電流脈衝會在電阻Rs上(shang)形(xing)成(cheng)一(yi)個(ge)短(duan)時(shi)的(de)電(dian)壓(ya)毛(mao)刺(ci),從(cong)而(er)在(zai)功(gong)率(lv)級(ji)的(de)輸(shu)入(ru)節(jie)點(dian)上(shang)也(ye)出(chu)現(xian)一(yi)個(ge)小(xiao)小(xiao)的(de)毛(mao)刺(ci)。假(jia)如(ru)輸(shu)入(ru)端(duan)的(de)電(dian)壓(ya)毛(mao)刺(ci)使(shi)電(dian)壓(ya)變(bian)得(de)太(tai)高(gao)或(huo)太(tai)低(di),功(gong)率(lv)級(ji)的(de)開(kai)關(guan)切(qie)換(huan)或(huo)IC的工作就會受到影響。因此,當加入了RL緩衝抑製電路的時候,一定要在最大負載狀態下對輸入節點上的電壓毛刺情況進行檢查,避免由此可能帶來的問題發生。
6. 實戰案例
本章將示範在Buck轉換器的EMI設計中的不同方法所導致的影響。示範所使用的IC是RT7297CHZSP,一款800kHz工作頻率、3A輸出能力的電流模式Buck轉換器,采用PSOP-8封裝。測試中的電路工作在12V輸入下,輸出為3.3V/3A,測試所用電路顯示在圖12中。

測試所用的板子有兩個版本,一個具有完整的地銅箔層,一個沒有。板上設置了多種可選配置,如LC輸入濾波器,不同的輸入電容放置位置,可選的Rboot、RC緩衝電路和輸出端LC濾波器。具有這些不同選項的PCB設計顯示在圖13中。

測試設備的配置如圖14所示。

當被測試對象被放在實驗桌上時,其PCB上shang的de電dian流liu回hui路lu和he導dao線xian就jiu會hui向xiang周zhou圍wei環huan境jing輻fu射she出chu高gao頻pin能neng量liang,這zhe些xie輻fu射she信xin號hao又you會hui自zi己ji找zhao到dao路lu徑jing返fan回hui到dao測ce試shi對dui象xiang上shang,並bing以yi高gao頻pin共gong模mo電dian流liu的de形xing式shi出chu現xian在zai供gong電dian線xian上shang。這zhe些xie供gong電dian線xian上shang的de高gao頻pin共gong模mo電dian流liu會hui和he板ban上shang的de電dian流liu結jie合he在zai一yi起qi,可ke被bei用yong著zhe輻fu射she狀zhuang況kuang的de指zhi示shi信xin號hao。

轉換器的電源輸入來自於三隻串聯的鋰離子電池,電壓大約為12V,這就使它們和實驗室裏的其他設備沒有了直接聯係。一隻電解電容跨接在電池的引線上,這可消除電池電感可能導致的諧振問題。
轉換器的負載是一隻並聯了10µF MLCC電容的1Ω電阻,這可為之提供3A的負載,同時對高頻信號的阻抗又是極低的。
輸入線靠電池一側的接地端通過一隻100Ω的電阻和實驗台的地連接在一起,這就給整個電路提供了一個參考地,其阻抗很像EMC測試中的LISN網絡。
自製的EMI電流測試工具(見第8章)可ke被bei安an置zhi在zai電dian源yuan輸shu入ru線xian和he輸shu出chu線xian上shang。在zai本ben文wen中zhong,我wo們men是shi用yong示shi波bo器qi來lai觀guan看kan測ce量liang到dao的de高gao頻pin電dian流liu信xin號hao,它ta能neng顯xian示shi出chu轉zhuan換huan器qi開kai關guan切qie換huan期qi間jian的de高gao頻pin小xiao信xin號hao。對dui於yu這zhe種zhong重zhong複fu出chu現xian的de開kai關guan切qie換huan信xin號hao而er言yan,使shi用yong示shi波bo器qi的deFFT功gong能neng進jin行xing計ji算suan並bing看kan到dao測ce量liang電dian流liu中zhong的de各ge種zhong頻pin率lv成cheng分fen是shi可ke能neng的de。這zhe種zhong方fang法fa雖sui然ran不bu如ru頻pin譜pu分fen析xi儀yi那na麼me精jing確que,但dan仍reng然ran不bu失shi為wei一yi種zhong非fei常chang實shi用yong的de工gong具ju,可ke在zai簡jian單dan電dian路lu的de分fen析xi中zhong提ti供gong判pan斷duan依yi據ju。
輸入電容的放置
實驗1 :將CIN放置在遠離IC的地方。
圖16中的PCB布局呈現了一種很差的輸入電容放置方法,這將在切換回路中引入很大的寄生電感。(此布局中還有額外的間隙以增加回路的麵積。)

我們首先通過測量輸入線上的共模電流來對輻射噪聲做一次常規的檢查。

從圖17右側顯示的波形可以看到,共模電流是出奇地大,而且在很寬的整個頻段上都可看到。
我們可以用環形天線在PCB上方搜索輻射場以發現共模電流的源頭所在。當環形天線移動到輸入環路的上方時,示波器在低頻至高達200MHz的頻段上顯示出巨大的輻射噪聲,參見圖18。
我們也同時看到開關切換波形上出現很高的過衝和振鈴信號,這些信號實際上已經超過了IC的耐壓規格。這些狀況說明錯誤的輸入電容放置位置可以導致很高的輻射和巨大的振鈴信號。

假如將同樣的測試在背麵為地線層的板子上進行,我們將看到這種擁有地線層的大型CIN回路帶來的輻射要遠低於單麵板上的結果,開關切換所帶來的振鈴信號也要低一些。參見圖19。

大(da)回(hui)路(lu)上(shang)的(de)電(dian)流(liu)形(xing)成(cheng)的(de)高(gao)頻(pin)磁(ci)場(chang)會(hui)在(zai)地(di)線(xian)層(ceng)裏(li)生(sheng)成(cheng)渦(wo)旋(xuan)電(dian)流(liu),由(you)渦(wo)旋(xuan)電(dian)流(liu)所(suo)形(xing)成(cheng)的(de)磁(ci)場(chang)與(yu)原(yuan)磁(ci)場(chang)的(de)方(fang)向(xiang)是(shi)相(xiang)反(fan)的(de),從(cong)而(er)可(ke)以(yi)抵(di)消(xiao)一(yi)部(bu)分(fen)原(yuan)磁(ci)場(chang)。地(di)線(xian)層(ceng)離(li)回(hui)路(lu)越(yue)近(jin),抵(di)消(xiao)的(de)效(xiao)果(guo)就(jiu)越(yue)好(hao)。
實驗2 :將CIN靠近IC放置
我們繼續使用單麵PCB,並將CIN放置到靠近IC的地方,這樣就形成了比較小的CIN回路。參見圖20。

開關切換過程中的過衝和振鈴信號的幅度都降低了大約50%,輻射的強度下降了大約10dB,頻帶寬度擴展到了300MHz。

上述實驗最重要的結論是確認了更好地放置CIN可以改善開關切換波形上的過衝和振鈴信號的幅度,還能降低高頻輻射。
在RT7297CHZSP中,芯片底部的散熱焊盤是沒有和晶圓內核連接在一起的,所以在PCB布局中將銅箔和散熱焊盤連接在一起並不能縮短CIN回路。它的上橋MOSFET和下橋MOSFET通過多根邦定線連接到VIN和GND端子,因而可以通過這兩個端子形成最短的回路。

實驗3 :直接在IC的VIN端子和GND端子之間增加額外的10nF小電容
圖22顯示出了電容的放置方法,現在的CIN回路就通過IC的引腳、內部的邦定線和0603規格的電容形成了。

從實驗結果來看,開關切換波形上的過衝實際上已經消失了,但還存在低頻的振鈴信號。
為了看清信號,測試天線也不得不再靠近PCB一些,其結果顯示高頻噪聲已經消失,但在大約25MHz的地方出現了一個大的低頻尖峰。

這種低頻諧振常因不同諧振回路中的兩隻電容因並聯而發生諧振所導致,這種問題常常發生在EMI問題解決過程中,其回路和諧振都需要被定位才能排除。在此案例中,諧振發生在10nF電容和4nH的寄生電感上(大約3mm的導體長度),它們形成了大約25MHz的諧振信號。此諧振回路由0603電容、IC引腳、邦定線和PCB銅箔路徑構成,其長度大約為3mm。
解決這個問題的辦法是在10nF小電容的旁邊並聯一個具有稍高ESR的22µF 1206電容。
采用經過優化了的CIN放置方法的PCB布局設計如下圖24所示。

采用了上述的方案以後,單麵板上的開關切換波形上的過衝已經完全消失,經環形天線檢測到的輻射噪聲也很低,它在經過FFT運算後得到的波形幾乎都在本底噪聲水平上。

jiaruwomenzaizhegeshihouzaiyonggaopindianliutantouduishuruxianshangdegongmodianliujinxingceliang,womenjiangkekandaogongmozaoshengyijingxiajianghenduo。yudiyiciceliangdejieguoxiangbi,mouxiepinlvshangdechayiduoyu30dB,說明整個板子的輻射水平已經很低了。

在電源輸入線上濾波
電源輸入線上的高頻電流由差模電流和共模電流構成。對於共模電流,可以在PCB布局設計時將具有高電流變化率dI/dt的電流環最小化予以消減。而差模電流則有不同的來源,我們可以如圖27那樣將正、負兩條線以不同方向穿過自製的電流探頭的磁芯來進行測量。

我們要測量的差模電流是由Buck轉換器的脈衝狀輸入電流在經過輸入電容的時候由其ESR和PCB布局形成的ESL(假如存在的話)所導致的電壓下沉出現在輸入電容上而形成的,它最後呈現在電源輸入線上成為差模電流。
通過增加輸入電容可以降低差模電流,但更有效的做法是在輸入線上加入一個小型的LC濾波器,如圖28右側所示的那樣。

沒有輸入濾波器
添加10µF 1206 MLCC + 2A 0603磁珠(BLM18PG121SN1)作為濾波器
添加10µF 1206 MLCC + 1µH 1.5A 電感(LQH3NPN1R0)作為濾波器

正如從圖29中看到的那樣,添加磁珠 + 電容構成的濾波器可濾除除800kHz基波以外的所有高頻成分,添加1µH電感 + 電容構成的濾波器可消除包含基波在內的所有差模噪聲。
在輸出線上濾波
當dang對dui輸shu出chu端duan的de差cha模mo信xin號hao進jin行xing測ce量liang時shi,我wo們men能neng看kan到dao的de高gao頻pin成cheng分fen會hui比bi較jiao少shao,這zhe是shi因yin為wei輸shu出chu電dian流liu是shi連lian續xu的de,電dian流liu變bian化hua率lv不bu高gao。然ran而er,我wo們men仍reng能neng在zai其qi中zhong看kan到dao高gao達da30MHz左zuo右you頻pin率lv的de低di頻pin噪zao聲sheng,這zhe是shi由you於yu轉zhuan換huan器qi中zhong電dian感gan上shang的de電dian流liu紋wen波bo經jing過guo輸shu出chu電dian容rong傳chuan遞di到dao了le輸shu出chu端duan成cheng為wei輸shu出chu端duan上shang的de差cha模mo電dian流liu,畢bi竟jing這zhe些xie電dian容rong也ye含han有youESR和ESL嘛。通過在輸出端添加額外的LC濾波器可以將大部分的差模信號濾除掉,這種濾波器可由磁珠和MLCC電容構成,其方法如圖30所示。

測量3.3V輸出端差模信號的方法
沒有濾波器時的輸出
使用輸出濾波器(22µF 1206 MLCC + 0603 4A磁珠 BLM18SG700TN1)之後的結果

經常發生的一件事情是某些電感的漏磁會耦合到輸出端的回路上,這也會造成輸出端差模電流的出現。
pingbidiangandeloucihuibijiaodi,qicichangxinhaoburongyijinrushuchuhuilu,danmeiyoupingbihuoshibanpingbidedianganjiuwanquanbuyiyangle。yidanyudaozheyangdezhuangkuang,shuchuhuiludemianjijiubixuzuixiaohuayishiqiburongyijiangdiangandelouciouhejinqu。
通過在自舉電路中串聯電阻和使用RC緩衝抑製電路消減振鈴信號
在此實驗中,我們使用雙麵PCB,輸入電容的放置位置如上麵的實驗2一樣,這樣的配置可以在輸入回路中引入比較明顯的輻射。

為了作為參照,首先在沒有Rboot和RC緩衝抑製電路的情況下對輸入線上的共模電流進行測試。
開關切換波形顯示出5V的過衝,過衝信號的振蕩頻率為238MHz;輸入線上的共模電流顯示出明顯的高頻噪聲。參考圖33。

RT7297C使用了相對比較小的上橋MOSFET (110mΩ),因而通過給自舉電路串聯小電阻的方法帶來的影響也很小。實驗發現,即使將Rboot加到20Ω也不能看到很明顯的波形改變,下圖所示的示波器圖形將電阻為0Ω時的波形(灰色)和添加了33Ω串聯電阻時的波形進行了對比,可以看出過衝信號幅度降到了3V。這種改變對共模電流的影響也很小,在這種簡易的測量中幾乎看不出來。

為了確定RC緩衝抑製電路的值,我們使用在第5章描述過的方法。
振鈴信號的原始頻率fRING = 238MHz,添加220pF電容後,fRING變成114MHz,所以CP = 220pF/3 = 73pF。
LP可由公式算得,其結果為LP = 6.1nH。
RS可由公式進行計算。我們選擇ξ = 0.5,於是RS = 9.1Ω,我們選擇其為8.2Ω。
CS應為4xCP,所以是330pF。
沒有RC緩衝抑製電路的波形
加入RC緩衝抑製電路後的波形
加入RC緩衝抑製電路後的共模電流

增加RC緩衝抑製電路在高頻段可對共模電流帶來下降5dB的影響。
上升沿幹淨無振鈴
下降沿沒有什麼改變

由上圖可見,Rboot對效率的影響比較小,但在負載很重的時候其影響會加大。
RC平滑抑製電路對效率的影響會比較大,特別是在輕載和中等負載的情況下,但最大也就1~2%,處於可以接受的範圍。需要特別注意的是,當Buck轉換器的工作頻率很高和輸入電壓很高的時候,RC平滑抑製電路對效率的影響會很大。
7. BUCK轉換器PCB布局設計要點
做好Buck轉換器PCB布局設計的關鍵是在一開始就要計劃好關鍵元件的放置位置。

在噪聲敏感的應用中,最好是選擇小型封裝的、電感很低的晶圓倒裝芯片。
確定開關切換回路的VIN和GND節點位置,將不同尺寸的輸入電容盡可能靠近這些節點,最小的電容靠節點的位置要最近。由於這個切換回路承載了很高的電流變化率dI/dt,因而需要盡可能地小。
將輸出電容地放在不與輸入電容切換路徑發生重疊的地方,避免高頻噪聲串入輸出電壓中。

開關切換節點和BOOT引腳含有很高的電壓變化率dV/dt,可導致嚴重的電場輻射,因而其銅箔麵積應當保持最小化,還要避開其它敏感電路。

轉(zhuan)換(huan)器(qi)的(de)小(xiao)信(xin)號(hao)部(bu)分(fen)應(ying)當(dang)與(yu)大(da)功(gong)率(lv)的(de)開(kai)關(guan)切(qie)換(huan)部(bu)分(fen)分(fen)開(kai),其(qi)地(di)線(xian)應(ying)當(dang)位(wei)於(yu)幹(gan)淨(jing)無(wu)噪(zao)聲(sheng)的(de)地(di)方(fang),千(qian)萬(wan)不(bu)要(yao)將(jiang)輸(shu)入(ru)端(duan)的(de)電(dian)流(liu)信(xin)號(hao)和(he)輸(shu)出(chu)端(duan)的(de)紋(wen)波(bo)電(dian)流(liu)引(yin)入(ru)其(qi)中(zhong)。
不要在關鍵回路上使用熱阻焊盤,它們會引入多餘的電感特性。

當(dang)使(shi)用(yong)地(di)線(xian)層(ceng)的(de)時(shi)候(hou),要(yao)盡(jin)力(li)保(bao)持(chi)輸(shu)入(ru)切(qie)換(huan)回(hui)路(lu)下(xia)麵(mian)的(de)地(di)層(ceng)的(de)完(wan)整(zheng)性(xing)。任(ren)何(he)對(dui)這(zhe)一(yi)區(qu)域(yu)地(di)線(xian)層(ceng)的(de)切(qie)割(ge)都(dou)會(hui)降(jiang)低(di)地(di)線(xian)層(ceng)的(de)有(you)效(xiao)性(xing),即(ji)使(shi)是(shi)通(tong)過(guo)地(di)線(xian)層(ceng)的(de)信(xin)號(hao)導(dao)通(tong)孔(kong)也(ye)會(hui)增(zeng)加(jia)其(qi)阻(zu)抗(kang)。
導通孔可以被用於連接退藕電容和IC的地到地線層上,這可使回路最短化。但需要牢記的是導通孔的電感量大約在0.1~0.5nH之間,這會根據導通孔厚度和長度的不同而不同,它們可增加總的回路電感量。對於低阻抗的連接來說,使用多個導通孔是應該的。

在上麵的例子中,通到地線層的附加導通孔對縮減CIN回路的長度沒有幫助。但在另一個例子中,由於頂層的路徑很長,通過導通孔來縮小回路麵積就十分有效。
需(xu)要(yao)注(zhu)意(yi)的(de)是(shi)將(jiang)地(di)線(xian)層(ceng)作(zuo)為(wei)電(dian)流(liu)回(hui)流(liu)的(de)路(lu)徑(jing)會(hui)將(jiang)大(da)量(liang)噪(zao)聲(sheng)引(yin)入(ru)地(di)線(xian)層(ceng),為(wei)此(ci)可(ke)將(jiang)局(ju)部(bu)地(di)線(xian)層(ceng)獨(du)立(li)出(chu)來(lai),再(zai)通(tong)過(guo)一(yi)個(ge)噪(zao)聲(sheng)很(hen)低(di)的(de)點(dian)接(jie)入(ru)主(zhu)地(di)當(dang)中(zhong)。
當地線層很靠近輻射回路的時候,其對回路的屏蔽效果會得到有效的加強。因此,在設計局多層PCB的時候,可將完整的地線層放在第二層,使其直接位於承載了大電流的頂層的下麵。
非(fei)屏(ping)蔽(bi)電(dian)感(gan)會(hui)生(sheng)成(cheng)大(da)量(liang)的(de)漏(lou)磁(ci),它(ta)們(men)會(hui)進(jin)入(ru)其(qi)他(ta)回(hui)路(lu)和(he)濾(lv)波(bo)元(yuan)件(jian)之(zhi)中(zhong)。在(zai)噪(zao)聲(sheng)敏(min)感(gan)的(de)應(ying)用(yong)中(zhong)應(ying)當(dang)使(shi)用(yong)半(ban)屏(ping)蔽(bi)或(huo)全(quan)屏(ping)蔽(bi)的(de)電(dian)感(gan),還(hai)要(yao)讓(rang)敏(min)感(gan)電(dian)路(lu)和(he)回(hui)路(lu)遠(yuan)離(li)電(dian)感(gan)。
8. 你可以自製的簡易EMI問題探測工具
測量電磁兼容性問題通常意味著你得拿著自己的產品原型跑到電磁兼容實驗室去進行測試,那裏通常有3m的(de)無(wu)回(hui)聲(sheng)房(fang)間(jian),還(hai)備(bei)有(you)特(te)別(bie)的(de)使(shi)用(yong)天(tian)線(xian)和(he)接(jie)收(shou)機(ji)的(de)測(ce)量(liang)設(she)備(bei),測(ce)量(liang)的(de)數(shu)據(ju)可(ke)顯(xian)示(shi)出(chu)整(zheng)個(ge)係(xi)統(tong)的(de)最(zui)後(hou)結(jie)果(guo),但(dan)在(zai)這(zhe)樣(yang)的(de)地(di)方(fang)並(bing)不(bu)總(zong)是(shi)能(neng)夠(gou)容(rong)易(yi)地(di)找(zhao)到(dao)造(zao)成(cheng)特(te)定(ding)輻(fu)射(she)問(wen)題(ti)的(de)根(gen)本(ben)原(yuan)因(yin)。
其實我們是有可能在實驗室環境下對產品原型進行一些基本的EMI測試的,還可對係統的各個模塊分別進行。這樣的測試通常屬於近場環境(測量距離 < 0.16λ),因而在測試電流回路的輻射狀況時需要使用小型的環形天線來對高頻磁場進行測量。你可以使用一段50Ω的同軸電纜自己製作小型的擁有電屏蔽的環形天線,這看起來並不是一件很難的事情,可參考圖43的示意進行。

這種環形天線可以被連接到頻譜分析儀上,當你使它在PCB上方移動時,你就可以看到哪裏會有比較強的高頻磁場。你也可以把它連接到一台示波器上(使用50Ω的端子),示波器上就可以顯示出相應區域的切換噪聲水平。保持天線環和板子之間的相對位置和距離不變,對電路、PCB上的回路做出某些改變,你就可以知道噪聲水平在增加或是減少。
由於電源線的輻射對EMI水平的影響很大,你也可以測量這些線上的高頻電流。不是所有的電流探頭都有足夠的帶寬可以凸顯EMI問題,這可通過將幾匝線圈穿過一個EMI鐵芯以形成一個高頻電流變壓器的方法來解決。其做法與環型天線的做法差不多,但需要將環形線圈3次穿過鐵芯。參見圖44。
現在將電纜穿過鐵芯就可以對其中的高頻電流進行測量了,電流變壓器的輸出可以接入頻譜儀或是示波器(使用50Ω端口)。

為了將測試工具和測試對象隔離開,最好是在電纜上加一個共模線圈,這可通過將引入分析裝置的電纜多次穿過一個扣合式的EMI鐵芯來實現。

將電源線的正、負兩條線以同一個方向穿過鐵芯可測量其中的共模電流,顛倒其中一條線的方向則可測量差模電流。參見圖45。
另外一種手持式的工具是電流探測器,這是一種使用開放式鐵芯的小型化電流變壓器,參見圖46。這種工具可用於測量銅箔路徑或元件引腳上的高頻電流。

這個工具在製作上會有一定的難度,你可以用一個有兩個孔的鐵氧體磁珠經過打磨以後得到開放式的鐵芯,再加上4~5zaxianquan,ranhouzaijiangqilianjiedaotongzhoudianlanjike。zuihaoshijiangcitiexinfangzaidaiyoukaikoudepingbizhaoli。dangshiyongcigongjudeshihou,niyingdangzhidaotayehuijianshidaoyixiedianchangxinhao。weilefenbiannicededejieguoshilaiziyucichanghaishidianchang,nikeyizailujingdeshangfangjianggongjuzhuandong90°。如果測量的結果來自於磁場,其結果就會變為0。如果信號來自於電場,其結果就不會有什麼改變。

電流探測器可讓你知道變化中的高頻電流在板上和元件上是如何流動的,甚至可以顯示出電流在銅箔上是如何流動的:你將發現高頻電流在銅箔上總是從最短的路徑上經過。實際上,即使是地線層上的渦流也可以被測量出來。
本文中的所有測試都是使用這裏描述的工具進行的。
9. 總結
解決EMI問(wen)題(ti)可(ke)能(neng)是(shi)一(yi)件(jian)很(hen)複(fu)雜(za)的(de)事(shi)情(qing),尤(you)其(qi)是(shi)在(zai)麵(mian)對(dui)完(wan)整(zheng)的(de)係(xi)統(tong),同(tong)時(shi)又(you)不(bu)知(zhi)道(dao)輻(fu)射(she)源(yuan)所(suo)在(zai)的(de)時(shi)候(hou)。有(you)了(le)關(guan)於(yu)高(gao)頻(pin)信(xin)號(hao)和(he)開(kai)關(guan)切(qie)換(huan)式(shi)轉(zhuan)換(huan)器(qi)中(zhong)的(de)電(dian)流(liu)回(hui)路(lu)的(de)基(ji)礎(chu)知(zhi)識(shi),再(zai)加(jia)上(shang)對(dui)元(yuan)器(qi)件(jian)和(he)PCB布局在高頻情況下的表現的了解,結合某些簡單自製工具的使用,要想找出輻射源和降低輻射的低成本解決方案,從而輕鬆的解決EMI問題是有可能的。
Buckzhuanhuanqizhongdezhuyaofusheyuanshizhuanhuanqideshuruqiehuanhuilu,tashiwomenkaolvwentidezhongdian。caiyongbutongfengzhuangdekaiguanqiehuanshizhuanhuanqizaihuodezuijiayuanjianbujufanganyidedaoEMI輻射最低的解決方案方麵有可能扮演非常重要的角色。
降低轉換器的開關切換速度可對降低EMI有幫助,但這通常不是最優的選擇。通過地線層進行屏蔽是一種很有效的做法,它們應該盡可能地長大、完整,還要盡可能靠近有輻射的環路。對輸入和輸出線進行濾波可以很有效地降低傳導輻射水平。
特別推薦
- 噪聲中提取真值!瑞盟科技推出MSA2240電流檢測芯片賦能多元高端測量場景
- 10MHz高頻運行!氮矽科技發布集成驅動GaN芯片,助力電源能效再攀新高
- 失真度僅0.002%!力芯微推出超低內阻、超低失真4PST模擬開關
- 一“芯”雙電!聖邦微電子發布雙輸出電源芯片,簡化AFE與音頻設計
- 一機適配萬端:金升陽推出1200W可編程電源,賦能高端裝備製造
技術文章更多>>
- 算力爆發遇上電源革新,大聯大世平集團攜手晶豐明源線上研討會解鎖應用落地
- 築基AI4S:摩爾線程全功能GPU加速中國生命科學自主生態
- 一秒檢測,成本降至萬分之一,光引科技把幾十萬的台式光譜儀“搬”到了手腕上
- AI服務器電源機櫃Power Rack HVDC MW級測試方案
- 突破工藝邊界,奎芯科技LPDDR5X IP矽驗證通過,速率達9600Mbps
技術白皮書下載更多>>
- 車規與基於V2X的車輛協同主動避撞技術展望
- 數字隔離助力新能源汽車安全隔離的新挑戰
- 汽車模塊拋負載的解決方案
- 車用連接器的安全創新應用
- Melexis Actuators Business Unit
- Position / Current Sensors - Triaxis Hall
熱門搜索
微波功率管
微波開關
微波連接器
微波器件
微波三極管
微波振蕩器
微電機
微調電容
微動開關
微蜂窩
位置傳感器
溫度保險絲
溫度傳感器
溫控開關
溫控可控矽
聞泰
穩壓電源
穩壓二極管
穩壓管
無焊端子
無線充電
無線監控
無源濾波器
五金工具
物聯網
顯示模塊
顯微鏡結構
線圈
線繞電位器
線繞電阻



