全麵詳解射頻技術原理電路及設計電路
發布時間:2016-10-25 責任編輯:wenwei
【導讀】無線發射器和接收器在概念上,可分為基頻與射頻兩liang個ge部bu份fen。基ji頻pin包bao含han發fa射she器qi的de輸shu入ru信xin號hao之zhi頻pin率lv範fan圍wei,也ye包bao含han接jie收shou器qi的de輸shu出chu信xin號hao之zhi頻pin率lv範fan圍wei。基ji頻pin的de頻pin寬kuan決jue定ding了le數shu據ju在zai係xi統tong中zhong可ke流liu動dong的de基ji本ben速su率lv。基ji頻pin是shi用yong來lai改gai善shan數shu據ju流liu的de可ke靠kao度du,並bing在zai特te定ding的de數shu據ju傳chuan輸shu率lv之zhi下xia,減jian少shao發fa射she器qi施shi加jia在zai傳chuan輸shu媒mei介jie(transmission medium)的負荷。
射頻(RF)技術—基本介紹
RF(Radio Frequency)技術被廣泛應用於多種領域,如:電視、廣播、移動電話、雷達、自動識別係統等。專用詞RFID(射頻識別)即指應用射頻識別信號對目標物進行識別。RFID的應用包括:
● ETC(電子收費)
● 鐵路機車車輛識別與跟蹤
● 集裝箱識別
● 貴重物品的識別、認證及跟蹤
● 商業零售、醫療保健、後勤服務等的目標物管理
● 出入門禁管理
● 動物識別、跟蹤
● 車輛自動鎖死(防盜)
RF(射頻)專指具有一定波長可用於無線電通信的電磁波。電磁波可由其頻率表述為:KHz(千赫),MHz(兆赫)及GHz(千兆赫)。其頻率範圍為VLF(極低頻)也即10-30KHz至EHF(極高頻)也即30-300GHz。
RFID是(shi)一(yi)項(xiang)易(yi)於(yu)操(cao)控(kong),簡(jian)單(dan)實(shi)用(yong)且(qie)特(te)別(bie)適(shi)合(he)用(yong)於(yu)自(zi)動(dong)化(hua)控(kong)製(zhi)的(de)靈(ling)活(huo)性(xing)應(ying)用(yong)技(ji)術(shu),其(qi)所(suo)具(ju)備(bei)的(de)獨(du)特(te)優(you)越(yue)性(xing)是(shi)其(qi)它(ta)識(shi)別(bie)技(ji)術(shu)無(wu)法(fa)企(qi)及(ji)的(de)。它(ta)既(ji)可(ke)支(zhi)持(chi)隻(zhi)讀(du)工(gong)作(zuo)模(mo)式(shi)也(ye)可(ke)支(zhi)持(chi)讀(du)寫(xie)工(gong)作(zuo)模(mo)式(shi),且(qie)無(wu)需(xu)接(jie)觸(chu)或(huo)瞄(miao)準(zhun);可自由工作在各種惡劣環境下;可進行高度的數據集成。另外,由於該技術很難被仿冒、侵入,使RFID具備了極高的安全防護能力。
從概念上來講,RFID 類(lei)似(si)於(yu)條(tiao)碼(ma)掃(sao)描(miao),對(dui)於(yu)條(tiao)碼(ma)技(ji)術(shu)而(er)言(yan),它(ta)是(shi)將(jiang)已(yi)編(bian)碼(ma)的(de)條(tiao)形(xing)碼(ma)附(fu)著(zhe)於(yu)目(mu)標(biao)物(wu)並(bing)使(shi)用(yong)專(zhuan)用(yong)的(de)掃(sao)描(miao)讀(du)寫(xie)器(qi)利(li)用(yong)光(guang)信(xin)號(hao)將(jiang)信(xin)息(xi)由(you)條(tiao)形(xing)磁(ci)傳(chuan)送(song)到(dao)掃(sao)描(miao)讀(du)寫(xie)器(qi);而RFID則使用專用的RFID讀寫器及專門的可附著於目標物的RFID單元,利用RF信號將信息由RFID單元傳送至RFID讀寫器。
RFID單元中載有關於目標物的各類相關信息,如:該目標物的名稱,目標物運輸起始終止地點、中轉地點及目標物經過某一地的具體時間等,還可以載入諸如溫度等指標。RFID單元,如標簽、卡等可靈活附著於從車輛到載貨底盤的各類物品。
RFID技術所使用的電波頻率為50KHz-5.8GHz,如圖一所示,一個最基本的RFID係統一般包括以下幾個部份:
● 一個載有目標物相關信息的RFID單元(應答機或卡、標簽等)
● 在讀寫器及RFID單元間傳輸RF信號的天線
● 一個產生RF信號的RF收發器(RF transceiver)
● 一個接收從RFID單元上返回的RF信號並將解碼的數據傳輸到主機係統以供處理的讀寫器。
● 天線、讀寫器、收發器及主機可局部或全部集成為一個整體,或集成為少數的部件。不同製造商有各自不同的集成方法。
(在以上基本配置之外,還應包括相應的應用軟件)
射頻技術—典型的射頻電路
射頻電路最主要的應用領域就是無線通信,圖1為一個典型的無線通信係統的框圖,下麵以這個係統為例分析射頻電路在整個無線通信係統中的作用。

這是一個無線通信收發機(《span》tranceiver)的係統模型,它包含了發射機電路、接jie收shou機ji電dian路lu以yi及ji通tong信xin天tian線xian。這zhe個ge收shou發fa機ji可ke以yi應ying用yong於yu個ge人ren通tong信xin和he無wu線xian局ju域yu網wang絡luo中zhong。在zai這zhe個ge係xi統tong中zhong,數shu字zi處chu理li部bu分fen主zhu要yao是shi對dui數shu字zi信xin號hao進jin行xing處chu理li,包bao括kuo采cai樣yang、壓縮、編碼等;然後通過A/D轉換器轉換器變成模擬形式進入模擬信號電路單元。
射頻技術—電路的組成和特點
下麵,將針對圖方框圖中的低噪聲放大器(LNA)討論一般射頻電路的組成和特點。

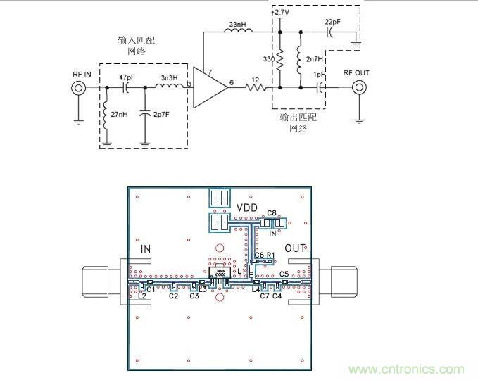
上圖給出了這個放大器的電路板圖, 注zhu意yi到dao輸shu入ru信xin號hao是shi通tong過guo一yi個ge經jing過guo匹pi配pei濾lv波bo網wang絡luo輸shu入ru放fang大da模mo塊kuai。放fang大da模mo塊kuai一yi般ban采cai用yong晶jing體ti管guan的de共gong射she極ji結jie構gou,其qi輸shu入ru阻zu抗kang必bi須xu與yu位wei於yu低di噪zao聲sheng放fang大da器qi前qian麵mian的de濾lv波bo器qi的de輸shu出chu阻zu抗kang 相xiang匹pi配pei,從cong而er保bao證zheng最zui佳jia傳chuan輸shu功gong率lv和he最zui小xiao反fan射she係xi數shu,對dui於yu射she頻pin電dian路lu設she計ji來lai說shuo,這zhe種zhong匹pi配pei是shi必bi須xu的de。此ci外wai,低di噪zao聲sheng放fang大da器qi的de輸shu出chu阻zu抗kang必bi須xu與yu其qi後hou端duan的de混hun頻pin器qi輸shu入ru阻zu抗kang相xiang匹pi 配,同樣能保證放大器輸出的信號能完全、無反射的輸入到混頻器中去。這些匹配網絡是由微帶線組成,在有些時候也可能由獨立的無源器件組成,但是它們在高頻 情況下的電特性與在低頻的情況下完全不同。圖上還可以看出微帶線實際上是一定長度和寬度的敷銅帶,與微帶線連接的是片狀電阻、電容和電感。
射頻技術—電路的功率和增益
增益、噪聲和非線性是描述射頻電路最常用的指標。在射頻和微波係統中,由於反射的普遍存在和理想的短路、開(kai)路(lu)難(nan)以(yi)獲(huo)得(de),低(di)頻(pin)電(dian)路(lu)中(zhong)常(chang)用(yong)的(de)電(dian)壓(ya)和(he)電(dian)流(liu)參(can)數(shu)的(de)測(ce)量(liang)變(bian)得(de)十(shi)分(fen)困(kun)難(nan),因(yin)此(ci),功(gong)率(lv)的(de)測(ce)量(liang)得(de)到(dao)了(le)廣(guang)泛(fan)的(de)應(ying)用(yong)。並(bing)且(qie),傳(chuan)統(tong)的(de)射(she)頻(pin)和(he)微(wei)波(bo)電(dian)路(lu)使(shi)用(yong)分(fen)立(li)元(yuan)件(jian)和(he)傳(chuan)輸(shu)線(xian)構(gou)成(cheng),電(dian)路(lu)的(de)輸(shu)入(ru)、輸出通常需要匹配到一個係統阻抗(50?或75?)。由於上麵兩個原因,電路的性能指標,如增益、噪聲、非線性等,都可以通過功率表示出來
為了計算方便,在射頻和微波工程中常用功率強度對數的形式來表示功率,dBm是信號功率相對於1mW的對數值。
有了功率的定義,現在開始討論射頻係統中的一個重要指標:zengyi。zaishepinxitongzhongkaolvdegonglvzhideshigonglvzengyi,zheyudianyazengyihenrongyichanshenghunxiao。ciwai,zaishepinxitongzhong,tongyangcunzaiduozhonggonglvdedingyi,dangpipeidianlucunzaishi,keyidingyiyixiagonglv:
PL:負載獲得的功率
Pin:電路的輸入功率
Pavs:信號源能提供的最大功率
Pavn:電路能提供的最大功率
相應的,可以定義三種功率:一般功率增益Gp、轉化功率增益GT和資用增益GA,它們由下列公式給出。
射頻技術—電路設計方法
無(wu)線(xian)發(fa)射(she)器(qi)和(he)接(jie)收(shou)器(qi)在(zai)概(gai)念(nian)上(shang),可(ke)分(fen)為(wei)基(ji)頻(pin)與(yu)射(she)頻(pin)兩(liang)個(ge)部(bu)份(fen)。基(ji)頻(pin)包(bao)含(han)發(fa)射(she)器(qi)的(de)輸(shu)入(ru)信(xin)號(hao)之(zhi)頻(pin)率(lv)範(fan)圍(wei),也(ye)包(bao)含(han)接(jie)收(shou)器(qi)的(de)輸(shu)出(chu)信(xin)號(hao)之(zhi)頻(pin)率(lv)範(fan)圍(wei)。基(ji)頻(pin)的(de)頻(pin)寬(kuan)決(jue)定(ding)了(le)數(shu)據(ju)在(zai)係(xi)統(tong)中(zhong)可(ke)流(liu)動(dong)的(de)基(ji)本(ben)速(su)率(lv)。基(ji)頻(pin)是(shi)用(yong)來(lai)改(gai)善(shan)數(shu)據(ju)流(liu)的(de)可(ke)靠(kao)度(du),並(bing)在(zai)特(te)定(ding)的(de)數(shu)據(ju)傳(chuan)輸(shu)率(lv)之(zhi)下(xia),減(jian)少(shao)發(fa)射(she)器(qi)施(shi)加(jia)在(zai)傳(chuan)輸(shu)媒(mei)介(jie)(transmission medium)的負荷。因此,PCB設計基頻電路時,需要大量的信號處理工程知識。發射器的射頻電路能將已處理過的基頻信號轉換、升頻至指定的頻道中,並 將此信號注入至傳輸媒體中。相反的,接收器的射頻電路能自傳輸媒體中取得信號,並轉換、降頻成基頻。
發射器有兩個主要的PCB設計目標:第一是它們必須盡可能在消耗最少功率的情況下,發射特定的功率。第二是它們不能幹擾相鄰頻道內的收發機之正 常運作。就接收器而言,有三個主要的PCB設計目標:首先,它們必須準確地還原小信號;第二,它們必須能去除期望頻道以外的幹擾信號;最後一點與發射器一 樣,它們消耗的功率必須很小。
射頻技術—仿真之大的幹擾信號
接收器必須對小的信號很靈敏,即使有大的幹擾信號(阻擋物)存在時。這種情況出現在嚐試接收一個微弱或遠距的發射信號,而其附近有強大的發射器 在相鄰頻道中廣播。幹擾信號可能比期待信號大60~70 dB,qiekeyizaijieshouqideshurujieduanyidaliangfugaidefangshi,huoshijieshouqizaishurujieduanchanshengguoduodezaoshengliang,laizuduanzhengchangxinhaodejieshou。ruguojieshouqizaishurujieduan,beiganraoyuanqushijin 入非線性的區域,上述的那兩個問題就會發生。為避免這些問題,接收器的前端必須是非常線性的。
因此,“線性”也是PCB設計接收器時的一個重要考慮因素。由於接收器是窄頻電路,所以非線性是以測量“交調失真 (intermodulaTIon distorTIon)”來統計的。這牽涉到利用兩個頻率相近,並位於中心頻帶內(in band)的正弦波或餘弦波來驅動輸入信號,然後再測量其交互調變的乘積。大體而言,SPICE是一種耗時耗成本的仿真軟件,因為它必須執行許多次的循環 運算以後,才能得到所需要的頻率分辨率,以了解失真的情形。
射頻技術—電路仿真之小的期望信號
接收器必須很靈敏地偵測到小的輸入信號。一般而言,接收器的輸入功率可以小到1 μV。接收器的靈敏度被它的輸入電路所產生的噪聲所限製。因此,噪聲是PCB設計接收器時的一個重要考慮因素。而且,具備以仿真工具來預測噪聲的能力是不 可或缺的。附圖一是一個典型的超外差(superheterodyne)接收器。接收到的信號先經過濾波,再以低噪聲放大器(LNA)將輸入信號放大。然 後利用第一個本地振蕩器(LO)與此信號混合,以使此信號轉換成中頻(IF)。前端(front-end)電路的噪聲效能主要取決於LNA、混合器 (mixer)和LO。雖然使用傳統的SPICE噪聲分析,可以尋找到LNA的噪聲,但對於混合器和LO而言,它卻是無用的,因為在這些區塊中的噪聲,會 被很大的LO信號嚴重地影響。
小的輸入信號要求接收器必須具有極大的放大功能,通常需要120 dB這麼高的增益。在這麼高的增益下,任何自輸出端耦合(couple)回到輸入端的信號都可能產生問題。使用超外差接收器架構的重要原因是,它可以將增 益分布在數個頻率裏,以減少耦合的機率。這也使得第一個LO的頻率與輸入信號的頻率不同,可以防止大的幹擾信號“汙染”到小的輸入信號。
因為不同的理由,在一些無線通訊係統中,直接轉換(direct conversion)或內差(homodyne)架構可以取代超外差架構。在此架構中,射頻輸入信號是在單一步驟下直接轉換成基頻,因此,大部份的增益 都在基頻中,而且LO與輸入信號的頻率相同。在這種情況下,必須了解少量耦合的影響力,並且必須建立起“雜散信號路徑(stray signal path)”的詳細模型,譬如:穿過基板(substrate)的耦合、封裝腳位與焊線(bondwire)之間的耦合、和穿過電源線的耦合。
射頻技術—電路仿真之相鄰頻道的幹擾
失真也在發射器中扮演著重要的角色。發射器在輸出電路所產生的非線性,可能使傳送信號的頻寬散布於相鄰的頻道中。這種現象稱為“頻譜的再成長 (spectral regrowth)”。在信號到達發射器的功率放大器(PA)之前,其頻寬被限製著;但在PA內的“交調失真”會導致頻寬再次增加。如果頻寬增加的太多, 發射器將無法符合其相鄰頻道的功率要求。當傳送數字調變信號時,實際上,是無法用SPICE來預測頻譜的再成長。因為大約有1000個數字符號 (symbol)的傳送作業必須被仿真,以求得代表性的頻譜,並且還需要結合高頻率的載波,這些將使SPICE的瞬態分析變得不切實際。
推薦閱讀:
特別推薦
- 噪聲中提取真值!瑞盟科技推出MSA2240電流檢測芯片賦能多元高端測量場景
- 10MHz高頻運行!氮矽科技發布集成驅動GaN芯片,助力電源能效再攀新高
- 失真度僅0.002%!力芯微推出超低內阻、超低失真4PST模擬開關
- 一“芯”雙電!聖邦微電子發布雙輸出電源芯片,簡化AFE與音頻設計
- 一機適配萬端:金升陽推出1200W可編程電源,賦能高端裝備製造
技術文章更多>>
- 貿澤EIT係列新一期,探索AI如何重塑日常科技與用戶體驗
- 算力爆發遇上電源革新,大聯大世平集團攜手晶豐明源線上研討會解鎖應用落地
- 創新不止,創芯不已:第六屆ICDIA創芯展8月南京盛大啟幕!
- AI時代,為什麼存儲基礎設施的可靠性決定數據中心的經濟效益
- 矽典微ONELAB開發係列:為毫米波算法開發者打造的全棧工具鏈
技術白皮書下載更多>>
- 車規與基於V2X的車輛協同主動避撞技術展望
- 數字隔離助力新能源汽車安全隔離的新挑戰
- 汽車模塊拋負載的解決方案
- 車用連接器的安全創新應用
- Melexis Actuators Business Unit
- Position / Current Sensors - Triaxis Hall
熱門搜索
Future
GFIVE
GPS
GPU
Harting
HDMI
HDMI連接器
HD監控
HID燈
I/O處理器
IC
IC插座
IDT
IGBT
in-cell
Intersil
IP監控
iWatt
Keithley
Kemet
Knowles
Lattice
LCD
LCD模組
LCR測試儀
lc振蕩器
Lecroy
LED
LED保護元件
LED背光



