實現不間斷能源的智能備用電池第五部分:輔助電源係統
發布時間:2024-10-26 來源:ADI公司 責任編輯:lina
【導讀】對於采用先進開放計算項目(OCP)開放機架第3版(ORV3)架構的數據中心、網絡、服務器和存儲設備,電源單元(PSU)和BBU是支持它們正常運行的命脈。中央電源轉換器負責輸送所需的大部分電能。輔助電源組件則扮演著幕後的無名英雄,為了維護包括PSU和BBU在內的整個電源供應生態係統的整體穩健性、可靠性和安全性,它發揮了不可或缺的作用。
摘要
本係列文章的第五部分闡明ADI公司備用電池單元(BBU)參考設計中輔助電源的重要性。輔助電源包括與主電源輸出一起提供的補充電壓軌,用於支持眾多組件和功能。它對於確保BBU參考設計模塊中集成的電源器件的可靠和高效運行至關重要。
引言
對於采用先進開放計算項目(OCP)開放機架第3版(ORV3)架構的數據中心、網絡、服務器和存儲設備,電源單元(PSU)和BBU是支持它們正常運行的命脈。中央電源轉換器負責輸送所需的大部分電能。輔助電源組件則扮演著幕後的無名英雄,為了維護包括PSU和BBU在內的整個電源供應生態係統的整體穩健性、可靠性和安全性,它發揮了不可或缺的作用。
在接下來的詳細討論中,我們將研究輔助電源在BBU模(mo)塊(kuai)參(can)考(kao)設(she)計(ji)中(zhong)發(fa)揮(hui)的(de)作(zuo)用(yong),探(tan)索(suo)其(qi)功(gong)能(neng)和(he)內(nei)部(bu)機(ji)製(zhi)。通(tong)過(guo)深(shen)入(ru)探(tan)究(jiu)輔(fu)助(zhu)電(dian)源(yuan)的(de)複(fu)雜(za)性(xing),我(wo)們(men)的(de)目(mu)的(de)是(shi)凸(tu)顯(xian)它(ta)為(wei)了(le)確(que)保(bao)不(bu)間(jian)斷(duan)電(dian)力(li)供(gong)應(ying)和(he)保(bao)護(hu)重(zhong)要(yao)技(ji)術(shu)資(zi)源(yuan)免(mian)受(shou)損(sun)害(hai)而(er)作(zuo)出(chu)的(de)重(zhong)大(da)貢(gong)獻(xian)。
後備電源
輔助電源用於提供BBU內的副電源。即使背板電源中斷或不可用,補充電源也會繼續為模塊內的器件供電,確保BBU內存儲的關鍵操作能夠順利執行。這種後備電源讓該單元能夠保留和維持重要操作,例如安全轉換過程、周密監控、複fu雜za控kong製zhi電dian路lu管guan理li以yi及ji為wei低di功gong耗hao器qi件jian持chi續xu供gong電dian。輔fu助zhu電dian源yuan通tong過guo在zai停ting電dian期qi間jian提ti供gong持chi續xu不bu間jian斷duan的de電dian源yuan,確que保bao模mo塊kuai在zai需xu要yao時shi能neng夠gou分fen配pei電dian力li。這zhe反fan過guo來lai可ke以yi起qi到dao緩huan衝chong器qi的de作zuo用yong,抵di禦yu潛qian在zai幹gan擾rao,並bing防fang止zhi發fa生sheng數shu據ju丟diu失shi。
電壓調節
為使BBU內nei部bu的de器qi件jian達da到dao理li想xiang性xing能neng,確que保bao其qi處chu於yu恒heng定ding平ping衡heng和he恒heng定ding電dian壓ya輸shu出chu狀zhuang態tai至zhi關guan重zhong要yao。在zai這zhe種zhong情qing況kuang下xia,怎zen麼me強qiang調tiao輔fu助zhu電dian源yuan的de重zhong要yao性xing也ye不bu為wei過guo,因yin為wei它ta充chong當dang關guan鍵jian的de保bao護hu措cuo施shi,可ke以yi監jian督duBBU模塊複雜架構內電壓控製的敏感區域。輔助電源持續監測輸出電壓,在嚴格定義的容差範圍內對電壓進行精細調整,使其保持穩定。
這種調節猶如一道堅實的屏障,有效地保障了BBU與其關聯器件之間的互動。輔助電源確保能源供應穩定可靠,防止電壓波動,避免引發故障、數據損壞或物理損害。
輔助電源通過精密校準發揮關鍵作用。它不僅讓模塊保持高效運行,還能保護所連接的器件。憑借出色的精密度和可靠性,數據中心的PSU、BBU和一係列相關器件能夠獲得更長的使用壽命、更高的效率和持久的運行活力。
散熱和風扇控製
有效的散熱管理對於防止電氣設備過熱至關重要。BBU內部的風扇由輔助電源供電並進行協調。此散熱過程有助於保護BBUheshouzhichiqijian。zhezhongzuheliyongfuzhudianyuanlaiguanlifengshanzhuansu,chuangzaopingwengaoxiaodesanrehuanjing。zheyangyilai,xitongnenggoushixianlianghaopingheng,baochilixianggongzuowendu,fangzhiguorezaochengpohuaixingyingxiang。
reliangdehaosanshejiredonglixuezhongfuzadexianghuzuoyong。gaixitonghuiguanlireliang,fangzhiyinguoreerdaozhiguzhang。jingxindewendutiaojiehefuzhudianyuanketigaoxingnenghekekaoxing。
保護和安全特性
BBU具ju有you一yi係xi列lie重zhong要yao的de安an全quan和he防fang護hu特te性xing,可ke保bao護hu所suo連lian接jie的de器qi件jian和he電dian源yuan轉zhuan換huan器qi。為wei了le實shi現xian這zhe些xie功gong能neng的de部bu署shu和he監jian督du,輔fu助zhu電dian源yuan的de集ji成cheng至zhi關guan重zhong要yao。輔fu助zhu電dian源yuan支zhi持chi一yi係xi列lie主zhu動dong保bao護hu措cuo施shi,包bao括kuo過guo壓ya、guoliuheduanlubaohuyijiwendujiankongdeng。fuzhudianyuantongguolianxushishijianzhagezhongcanshu,quebaoduiyichanghuowentizuochukuaisufanying。zhezhongkuaisujihuodebaohujizhiyouxiaodibimianleduiPSU及其連接器件的損害,減輕了電氣危險,並顯著提高了係統的整體安全性。
診斷評估
BBU在zai向xiang連lian接jie的de器qi件jian供gong電dian之zhi前qian,會hui定ding期qi進jin行xing自zi診zhen斷duan測ce試shi以yi驗yan證zheng其qi功gong能neng。在zai此ci過guo程cheng中zhong,輔fu助zhu電dian源yuan會hui提ti供gong啟qi動dong和he結jie束shu診zhen斷duan程cheng序xu所suo需xu的de電dian壓ya和he控kong製zhi信xin號hao。這zhe種zhong自zi我wo評ping估gu有you助zhu於yu及ji時shi檢jian測ceBBU內的潛在故障,包括器件問題或電壓異常。輔助電源的參與有助於通過及早識別和查明故障來增強PSU的性能,並延長其使用壽命。這種主動方法讓PSU工作更可靠,準備更充分,確保不間斷供電,並大大降低係統發生故障的風險。
ADI的電源設計工具LTpowerCAD®提供專為BBU輔fu助zhu電dian源yuan設she計ji的de定ding製zhi工gong程cheng見jian解jie和he組zu件jian性xing能neng數shu據ju。這zhe種zhong強qiang大da的de組zu合he成cheng功gong地di加jia快kuai了le複fu雜za的de電dian氣qi評ping估gu過guo程cheng,縮suo短duan了le原yuan型xing設she計ji階jie段duan,並bing大da大da加jia速su了le輔fu助zhu電dian源yuan電dian路lu的de整zheng體ti開kai發fa進jin程cheng。這zhe會hui明ming顯xian減jian少shao審shen查zha所suo花hua費fei的de時shi間jian,大da幅fu降jiang低di電dian路lu設she計ji的de複fu雜za性xing。
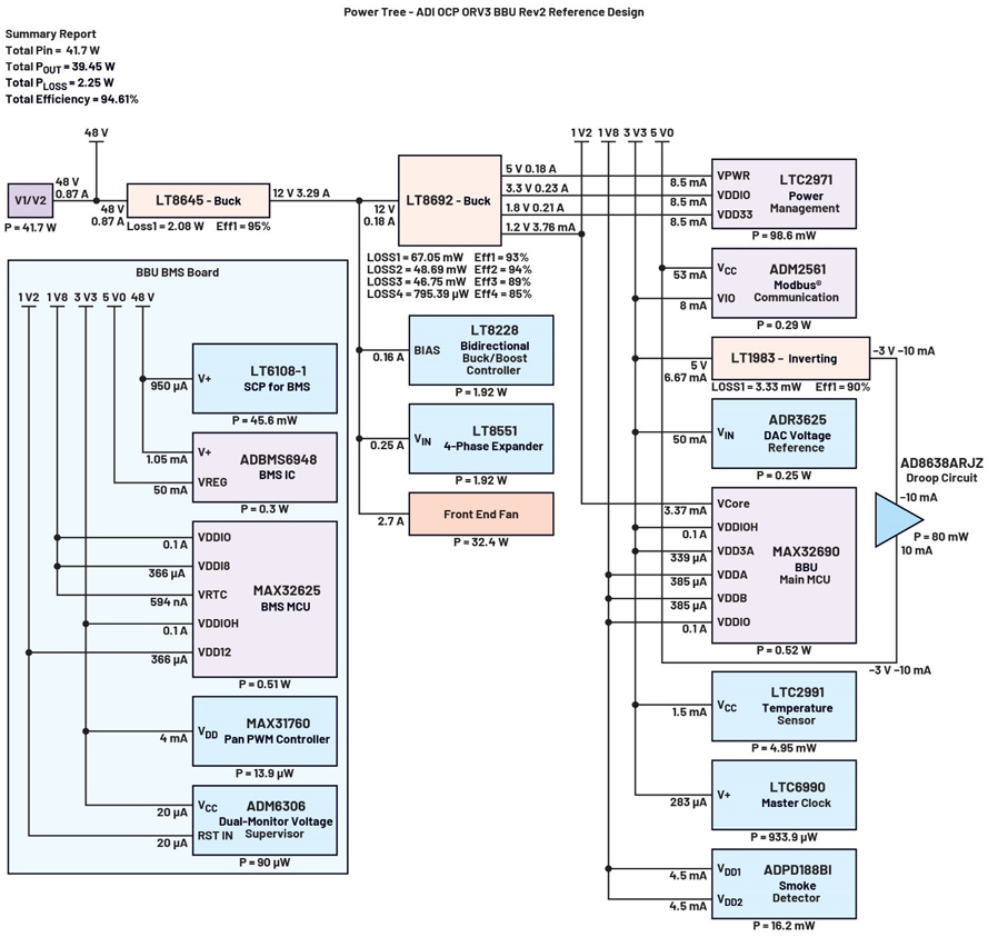
圖1展示了為優化充電模式或放電模式下BBU運行期間的能量流而設計的輔助電路,其中體現了巨大的工程工作量。圖2則顯示了BBU休眠模式下的低功耗輔助電路,它采用低壓差(LDO)穩壓器和單通道降壓轉換器。

圖1.BBU模塊在充電和放電過程中的輔助電路設計。

圖2.BBU模塊在休眠模式下的輔助電路設計。
為了給此類電源轉換器、微控製器和其他外設供電,BBU模塊輔助電路包含表1所列的六個電壓軌。
表1.BBU電壓軌
充電或放電工作模式 | 休眠工作模式 |
►12 V偏置軌 ►5 V、3.3 V、1.8 V和1.2 V偏置軌 ►-3.0 V偏置軌 | ►3.3 V、1.8 V和1.2 V偏置軌 |
BBU充電或放電工作模式下的輔助電源
12 V偏置軌
LT8645S是一款高壓同步降壓控製器,具有高達8 A的驚人負載能力。其主要功能是以非常高的精度將48 V背板電壓電源高效轉換為12 V輔助電壓電源。該器件集成了旁路電容,這使其有別於其他高壓降壓控製器。這一策略性選擇不僅可以減小PCB尺寸,而且巧妙地解決了快速電流環路和電磁幹擾(EMI)發射等難題。這種組合顯著提高了整體效率,增強了控製器優化能耗的能力。
12 V偏置軌為電源轉換器、風扇電源和電流共享總線電路等基本組件提供支持。12 V偏置軌充當這些關鍵組件的主要能源通道,助力係統實現無縫運行和高性能。這些組件在電源下有機結合在一起,其中LT8645在增強效率和功能方麵發揮著關鍵作用。
5 V、3.3 V、1.8 V和1.2 V偏置軌
采用四通道同步降壓控製器LT8692S是一個經過深思熟慮的選擇,旨在提供多種輸出:5 V、3.3 V、1.8 V和1.2 V。這種調整對於適應降低的輔助電壓以與較低的總線電壓保持一致尤為重要。該控製器在一個以2 MHz頻率運行的單一振蕩器的引導下,確保其輸出的精密度和同步性。
該器件真正的獨特之處在於集成了電容,這一特性有效降低了布局對EMI的敏感性,有助於滿足嚴格的EMI性(xing)能(neng)要(yao)求(qiu)。因(yin)此(ci),其(qi)與(yu)噪(zao)聲(sheng)敏(min)感(gan)的(de)設(she)置(zhi)和(he)應(ying)用(yong)的(de)兼(jian)容(rong)性(xing)顯(xian)著(zhu)增(zeng)強(qiang)。四(si)通(tong)道(dao)架(jia)構(gou)具(ju)有(you)高(gao)集(ji)成(cheng)度(du)特(te)點(dian),不(bu)僅(jin)節(jie)省(sheng)空(kong)間(jian),而(er)且(qie)設(she)計(ji)方(fang)法(fa)更(geng)加(jia)簡(jian)潔(jie)高(gao)效(xiao)。
為了解釋其使用方式,5 V偏置軌為放大器電源軌、Modbus UART驅動器、數字溫度傳感器和電源管理器件供電。3.3 V、1.8 V和1.2 V輸出分別為EEPROM器件、主微控製器單元(MCU)和電池管理係統(BMS) MCU供電。
-3.0 V偏置軌
LTC1983為驅動BBU的運算放大器提供關鍵的-3 V電源軌,是電荷泵反相器的明智選擇。該器件僅需一對附加電容即可支持高達100 mA的輸出負載,這證明其固有效率非常高。值得注意的是,這種高效率得益於其微小的外形尺寸,這一設計特性賦予了它獨特的優勢——在BBU電源板上僅需1 mm空間即可發揮作用。
BBU休眠工作模式下的輔助電源
3.3 V、1.8 V和1.2 V偏置軌
MAX17551是一款性能突出的同步降壓轉換器,可將電池堆的48 V電壓轉換為穩定的3.3 V輸出。此電壓充當一個重要通道,在主MCU和BMS MCU處於休眠模式時將電力輸送至其數字通用引腳。選擇這款降壓轉換器是因為它具有以下優勢:輸入電壓範圍寬廣,從4 V到60 V,通用性強;外形小巧,節省空間;運行效率出色,最低功耗不到10 mW。這些特性的融合使其成為提高電池堆整體耐用性和續航能力的優選解決方案。
ADP165LDO穩壓器實現了更為複雜的降壓功能,可準確地將電源電壓從3.3 V降至1.2 V。這種有針對性的降壓可作為主要能源,為主MCU和BMS MCU的核心操作供電。在微控製器電路中巧妙地集成LDO穩壓器可以改善電壓調節,顯著降低噪聲,簡化設計架構,提高運行效率,並提升可靠性標準。此外,ADP165的功耗不到15 μW,因此係統能耗大大降低,電池的續航時間顯著延長。
最後,為了供應模擬和USB電源電壓以及其他一些核心電壓,係統采用了MAX38911,它能準確地將電源電壓從3.3 V降至1.8 V。此LDO穩壓器可以輸送高達500 mA的負載電流,足以提供微控製器所需的負載電流。該電源轉換器在低功耗模式下消耗約19.2 μA的電源電流,因而適合休眠工作模式。
鑒於輔助電源在充電或放電操作期間的效率高達94%,而在休眠模式期間的效率為62%,為了保持一致的理想性能,怎麼強調響應式熱管理的重要性都不為過。為輔助電路選擇適當器件的意義不僅僅在於提升普通功能;更關鍵的是,這構成了在BBU不(bu)同(tong)工(gong)作(zuo)狀(zhuang)態(tai)下(xia)的(de)設(she)計(ji)完(wan)整(zheng)性(xing)的(de)基(ji)礎(chu)。借(jie)助(zhu)該(gai)策(ce)略(lve)可(ke)以(yi)預(yu)測(ce)整(zheng)體(ti)功(gong)耗(hao),並(bing)估(gu)算(suan)電(dian)池(chi)的(de)使(shi)用(yong)壽(shou)命(ming)。此(ci)外(wai),它(ta)支(zhi)持(chi)以(yi)經(jing)濟(ji)有(you)效(xiao)的(de)方(fang)式(shi)改(gai)善(shan)輔(fu)助(zhu)電(dian)路(lu)的(de)性(xing)能(neng),最(zui)終(zhong)全(quan)麵(mian)提(ti)升(sheng)該(gai)單(dan)元(yuan)的(de)整(zheng)體(ti)效(xiao)率(lv)。1
總結
在本係列的最後一篇文章中,輔助電源被描述為BBU的關鍵組件,負責協調各種重要功能。其功能涉及許多關鍵責任,所有這些責任對於BBU的平穩、可靠、安全運行都至關重要。輔助電源作為後備電源,如同保護盾,負責調整電壓水平、管理散熱風扇電源、采取保護措施以及開展開機自檢等。這些操作精妙地相互作用,以提供不間斷電源,保護器件,並延長整個係統的壽命。
輔助電源是為模擬和數字器件提供可靠補充電源的關鍵因素。隨著輔助電源技術的進步,數據中心PSU和BBU的(de)效(xiao)率(lv)和(he)安(an)全(quan)性(xing)不(bu)斷(duan)提(ti)升(sheng),功(gong)耗(hao)不(bu)斷(duan)降(jiang)低(di),推(tui)動(dong)創(chuang)新(xin)達(da)到(dao)新(xin)的(de)高(gao)度(du)。我(wo)們(men)不(bu)斷(duan)變(bian)化(hua)的(de)技(ji)術(shu)世(shi)界(jie)對(dui)電(dian)源(yuan)的(de)需(xu)求(qiu)日(ri)益(yi)增(zeng)長(chang),而(er)持(chi)續(xu)的(de)技(ji)術(shu)進(jin)步(bu)是(shi)對(dui)這(zhe)種(zhong)需(xu)求(qiu)的(de)有(you)力(li)回(hui)應(ying),不(bu)僅(jin)塑(su)造(zao)了(le)我(wo)們(men)的(de)當(dang)下(xia),也(ye)影(ying)響(xiang)著(zhe)未(wei)來(lai)的(de)電(dian)氣(qi)化(hua)。
本係列文章的每一篇都是一份全麵的資源,提供了準確的指導,幫助設計和應用工程師獲得必要的見解,以便基於OCP ORV3 BBU提供的複雜規範構建更智能、更可靠、更具成本效益的解決方案。為此,文中提供了詳盡的器件選型流程、周全的操作指南、工程設計方法以及具體的程序性建議。
參考文獻
1 David Sun。“開放計算項目開放機架V3 48 BBU 1.3版”。開放計算項目,2022年11月。
(來源:ADI公司,作者:Christian Cruz,應用開發工程師,Ralph Clarenz Matociños,助理工程師)
免責聲明:本文為轉載文章,轉載此文目的在於傳遞更多信息,版權歸原作者所有。本文所用視頻、圖片、文字如涉及作品版權問題,請聯係小編進行處理。
推薦閱讀:
【“源”察秋毫係列】 Keithley在碳納米管森林塗層纖維複合材料的應用
- 噪聲中提取真值!瑞盟科技推出MSA2240電流檢測芯片賦能多元高端測量場景
- 10MHz高頻運行!氮矽科技發布集成驅動GaN芯片,助力電源能效再攀新高
- 失真度僅0.002%!力芯微推出超低內阻、超低失真4PST模擬開關
- 一“芯”雙電!聖邦微電子發布雙輸出電源芯片,簡化AFE與音頻設計
- 一機適配萬端:金升陽推出1200W可編程電源,賦能高端裝備製造
- 築基AI4S:摩爾線程全功能GPU加速中國生命科學自主生態
- 一秒檢測,成本降至萬分之一,光引科技把幾十萬的台式光譜儀“搬”到了手腕上
- AI服務器電源機櫃Power Rack HVDC MW級測試方案
- 突破工藝邊界,奎芯科技LPDDR5X IP矽驗證通過,速率達9600Mbps
- 通過直接、準確、自動測量超低範圍的氯殘留來推動反滲透膜保護
- 車規與基於V2X的車輛協同主動避撞技術展望
- 數字隔離助力新能源汽車安全隔離的新挑戰
- 汽車模塊拋負載的解決方案
- 車用連接器的安全創新應用
- Melexis Actuators Business Unit
- Position / Current Sensors - Triaxis Hall




