麵向新太空應用的 DC-DC 轉換器
發布時間:2024-10-10 責任編輯:lina
【導讀】小(xiao)型(xing)衛(wei)星(xing)收(shou)集(ji)的(de)能(neng)量(liang)較(jiao)少(shao),隨(sui)著(zhe)運(yun)營(ying)商(shang)越(yue)來(lai)越(yue)多(duo)地(di)使(shi)用(yong)更(geng)快(kuai)速(su)的(de)板(ban)載(zai)處(chu)理(li),應(ying)盡(jin)可(ke)能(neng)多(duo)地(di)將(jiang)電(dian)力(li)預(yu)算(suan)分(fen)配(pei)給(gei)有(you)效(xiao)載(zai)荷(he)。傳(chuan)統(tong)的(de)配(pei)電(dian)架(jia)構(gou)包(bao)括(kuo)一(yi)個(ge)隔(ge)離(li)式(shi) DC-DC 轉換器(用來降低外部母線輸入電壓),然後是本地化的負載點(POL)轉換器;但由於 I²R 損耗較大,這種架構變得效率低下。為了完成新一代太空任務,需要在轉換損耗、功率密度、物理尺寸以及與最新超深亞微米器件開關速度相匹配的瞬態響應等方麵做出改進。
小(xiao)型(xing)衛(wei)星(xing)收(shou)集(ji)的(de)能(neng)量(liang)較(jiao)少(shao),隨(sui)著(zhe)運(yun)營(ying)商(shang)越(yue)來(lai)越(yue)多(duo)地(di)使(shi)用(yong)更(geng)快(kuai)速(su)的(de)板(ban)載(zai)處(chu)理(li),應(ying)盡(jin)可(ke)能(neng)多(duo)地(di)將(jiang)電(dian)力(li)預(yu)算(suan)分(fen)配(pei)給(gei)有(you)效(xiao)載(zai)荷(he)。傳(chuan)統(tong)的(de)配(pei)電(dian)架(jia)構(gou)包(bao)括(kuo)一(yi)個(ge)隔(ge)離(li)式(shi) DC-DC 轉換器(用來降低外部母線輸入電壓),然後是本地化的負載點(POL)轉換器;但由於 I²R 損耗較大,這種架構變得效率低下。為了完成新一代太空任務,需要在轉換損耗、功率密度、物理尺寸以及與最新超深亞微米器件開關速度相匹配的瞬態響應等方麵做出改進。

圖 1:FPA™ 與傳統中間架構的對比。
Vicor 的分比式電源架構(FPA)采用模塊化方法,可以最大限度地減少 I²R 分配損耗,提高效率並改善瞬態響應。FPA 包括兩個階段:穩壓和變壓。首先,使用一個升降壓(buck-boost)拓撲,從外部電源生成 48V 中間電壓軌,這比通常輸入到 POL 的較低母線電壓要高得多。例如,對於相同的功率,48V 輸出母線所需的電流比 12V 中間母線(P = VI)低 4 倍,而 PDN 損耗是該電流的平方(P = I²R),其可將損耗降低 16 倍。先配置穩壓器並穩壓至 48V 輸出,將實現最高的效率。

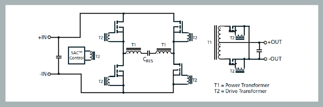
圖 2:全橋 SAC™ 串聯諧振拓撲
FPA™ 的第二階段使用變壓器將 48V 中間電壓軌轉換為所需的負載電壓。輸出電壓是輸入電壓的固定比例(K 因數),由匝數比決定。電壓降低的同時,電流會相應增加,例如,1A 的輸入電流可能會倍增至 48A 的輸出電流:

預穩壓模塊(PRM™)和變壓模塊(VTM™)的電流倍增器相結合,形成了 FPA。這兩款器件相互配合,發揮其作用以完成 DC-DC 轉換。PRM 把未穩壓的輸入電源轉換為穩壓後的“分比式母線”,然後由 VTM 將 48V 轉換(降壓)為所需的負載電壓。
VTM 的高帶寬可避免對大容量負載點電容的需求。即使沒有任何外部輸出電容,VTM 的輸出在應對突發功率激增時也隻會出現有限的電壓擾動。少量的外部旁路電容(采用低 ESR/ESL 陶瓷電容)就足以消除任何瞬態電壓過衝。VTM 提供獨特的電容倍增功能,而不會受到內部控製環路努力維持穩壓帶來的帶寬限製。例如,當使用 1/48 的 K 因數時,有效的並聯輸出電容是輸入電容的 2304 倍,即 CSEC = CPRI * K²。這意味著 VTM 下遊所需的去耦電容顯著減少,隻需在其輸入端添加少量電容,就能達到與傳統降壓模塊 1V 輸出端通常添加的大型鉭電容相同的能量存儲效果,如下所示。低阻抗是高效地為低電壓、高電流負載供電的關鍵要求,使用 VTM 還可以將從二次側(secondary side)看到的有效電阻降低 K² 倍。這允許將 VTM 放置在靠近負載的位置,無論是橫向還是縱向,使配電網絡(PDN)的損耗更低。FPA 的低電流、高電壓中間母線意味著 PRM 可以物理上遠離 VTM 而不影響效率。這在決定 PRM 的de放fang置zhi位wei置zhi時shi提ti供gong了le更geng大da的de靈ling活huo性xing,減jian少shao了le對dui負fu載zai區qu域yu擁yong塞sai的de擔dan憂you,並bing為wei電dian源yuan平ping麵mian的de設she計ji提ti供gong了le更geng多duo自zi由you,以yi實shi現xian最zui大da的de電dian流liu密mi度du。這zhe種zhong布bu局ju規gui劃hua與yu傳chuan統tong的de磚zhuan塊kuai方fang法fa大da不bu相xiang同tong,後hou者zhe要yao求qiu隔ge離li式shi DC-DC 和 POL 靠近放置,以最小化 I²R 分配損耗。
目前的航天級隔離式 DC-DC 轉換器和降壓 POL 都是基於 PWM 的器件,輸出功率與開關頻率的占空比成正比。這些硬開關轉換器使用方波來驅動電感器或變壓器,MOSFET 在開關時會損耗能量。方波包含大量諧波,必須進行濾波,否則會通過傳導或輻射影響整個係統。VTM 的拓撲在原邊繞組中使用正弦電流,產生更清潔的輸出噪聲頻譜,所需的濾波更少。現有的航天級降壓穩壓器和正向/反激式 DC-DC 轉換器的效率分別在 67% 到 95% 和 47% 到 87% 之間。
為了滿足未來新太空應用星座的電力分配以及低電壓、高電流需求,Vicor 正在為其正弦振幅轉換器(SAC)拓撲結構申請航天級認證。與現有的航天級 DC-DC 轉換器相比,這種零電流開關/零電壓開關(ZCS/ZVS)技術的效率更高,功率密度更大,電磁幹擾(EMI)更低。SAC 是一種基於變壓器的串聯諧振正向架構,以與初級諧振電路諧振頻率相同的固定頻率運行,如下文所示:
一次側的場效應晶體管(FET)被(bei)鎖(suo)定(ding)在(zai)串(chuan)聯(lian)諧(xie)振(zhen)電(dian)路(lu)的(de)自(zi)然(ran)諧(xie)振(zhen)頻(pin)率(lv)上(shang),並(bing)在(zai)零(ling)電(dian)壓(ya)交(jiao)叉(cha)點(dian)開(kai)關(guan),消(xiao)除(chu)了(le)功(gong)率(lv)損(sun)耗(hao)並(bing)提(ti)高(gao)了(le)效(xiao)率(lv)。在(zai)諧(xie)振(zhen)狀(zhuang)態(tai)下(xia),電(dian)感(gan)和(he)電(dian)容(rong)的(de)反(fan)應(ying)相(xiang)互(hu)抵(di)消(xiao),最(zui)小(xiao)化(hua)輸(shu)出(chu)阻(zu)抗(kang),使(shi)其(qi)變(bian)為(wei)純(chun)電(dian)阻(zu),從(cong)而(er)減(jian)少(shao)壓(ya)降(jiang)。由(you)此(ci)產(chan)生(sheng)的(de)極(ji)低(di)輸(shu)出(chu)阻(zu)抗(kang)使(shi) VTM 能夠幾乎瞬時(<1μs)xiangyingfuzaidejieyuebianhua。liujingxiezhendianludedianliuweizhengxianbo,xiebohanliangjiaoshao,congerxingchenggengqingjiedeshuchuzaoshengpinpu,xuyaoduifuzaidianyajinxingdelvbogengshao。
SAC 采用正向拓撲,輸入能量直接傳遞到輸出。一次側的漏感被最小化,因為它不是關鍵的儲能元件。SAC 正(zheng)向(xiang)拓(tuo)撲(pu)的(de)獨(du)特(te)操(cao)作(zuo)方(fang)式(shi)使(shi)其(qi)能(neng)夠(gou)實(shi)現(xian)更(geng)高(gao)的(de)開(kai)關(guan)頻(pin)率(lv),使(shi)用(yong)的(de)磁(ci)性(xing)元(yuan)件(jian)更(geng)小(xiao),固(gu)有(you)損(sun)耗(hao)更(geng)低(di)。由(you)此(ci)帶(dai)來(lai)的(de)效(xiao)率(lv)提(ti)升(sheng)意(yi)味(wei)著(zhe)能(neng)量(liang)轉(zhuan)換(huan)過(guo)程(cheng)中(zhong)浪(lang)費(fei)的(de)功(gong)率(lv)更(geng)少(shao),可(ke)以(yi)簡(jian)化(hua)熱(re)管(guan)理(li),並(bing)允(yun)許(xu)以(yi)更(geng)小(xiao)的(de)封(feng)裝(zhuang)提(ti)供(gong)更(geng)大(da)的(de)輸(shu)出(chu)電(dian)流(liu)和(he)更(geng)高(gao)的(de)功(gong)率(lv)密(mi)度(du)。更(geng)快(kuai)的(de)操(cao)作(zuo)頻(pin)率(lv)使(shi)能(neng)量(liang)可(ke)以(yi)更(geng)頻(pin)繁(fan)地(di)傳(chuan)輸(shu)到(dao)輸(shu)出(chu)端(duan),提(ti)高(gao)了(le)對(dui)動(dong)態(tai)負(fu)載(zai)變(bian)化(hua)的(de)瞬(shun)態(tai)響(xiang)應(ying)能(neng)力(li),僅(jin)需(xu)幾(ji)個(ge)周(zhou)期(qi)。
Vicor 的 DC-DC 部件已通過波音公司的風險評估,並被設計用於提供航天級互聯網服務的 O3b 衛星。初期,Vicor 將提供四種耐輻射的 DC-DC 轉換器:

圖 3:新型 BCM®、PRM™ 和 VTM™ 耐輻射 DC-DC 轉換器。
300W、9A、849W/in³ 的隔離式 ZVS/ZCS SAC™ 母線轉換模塊(BCM3423PA0A35C0S)。接受 94 至 105V 的直流輸入,輸出固定為輸入 31 至 35V 的 1/3。最大環境效率為 94%,封裝尺寸為 33.5 x 23.1 x 7.4mm,重量為 25.9g。
200W、7.7A、797W/in³ 的非隔離式 ZVS 升降壓穩壓器(PRM2919P36B35B0S)。接受 30 至 36V 的輸入電壓,輸出可調電壓範圍為 13.4 至 35V。最大環境效率為 96%,封裝尺寸為 29.2 x 19.0 x 7.4mm,重量為 18.2g。
200W、50A、1204W/in³ 的隔離式 ZVS/ZCS SAC DC-DC 轉換器(VTM2919P32G0450S)。接受 16 至 32V 的輸入電壓,輸出電壓固定為輸入電壓的 1/8,範圍為 2 至 4V。最大環境效率為 93%,封裝尺寸為 29.2 x 19.0 x 4.9mm,重量為 11g。
150W、150A、903W/in³ 的隔離式 ZVS/ZCS SAC DC-DC 轉換器(VTM2919P35K01A5S)。接受 13.4 至 35V 的輸入電壓,輸出電壓固定為輸入電壓的 1/32,範圍為 0.42 至 1.1V。最大環境效率為 91%,封裝尺寸為 29.2 x 19.0 x 4.9mm,重量為 13.3g。
這四款 DC-DC 轉換器采用了冗餘係統架構,包含兩個相同的並聯動力係統,並具有容錯控製,以滿足單粒子效應(SEE)要求。為了降低製造成本,這些部件采用了鍍層環氧樹脂模塑 BGA 封裝,具有出色的導熱性,被命名為 SM-ChiP™,兼容標準的表麵貼裝、“拾取和放置”(pick-&-place)以及回流焊接工藝。這些 DC-DC 轉換器屬於 EAR99 管製類別,工作溫度範圍為 -40 至 125°C,並提供多種過壓、短路電流、欠壓和熱保護功能。目標總劑量輻射耐受度為 50kRad(Si);SEE 和其他可靠性數據將在今年晚些時候發布。
為了突顯這些新型耐輻射 DC-DC 轉換器的卓越功率密度,圖 4 和圖 5 分別比較了它們與現有航天級開關 POL 和隔離式 DC-DC 轉換器的相對尺寸。每個轉換器的功率密度(W/in³)、效率(%)和電流密度(A/in²)分別用藍色、橙色和紅色標注。通常會為不同的負載條件指定一係列效率值。

圖 4:航天級開關 POL 與 VTM2919 係列的比較。

圖 5:航天級隔離式 DC-DC 與 BCM® 及 PRM™ 的比較。
與現有的合格轉換器相比,新型抗輻射商用現貨 SAC™ DC-DC 轉換器的體積和規格更小,實現了輸出功率、密mi度du和he效xiao率lv的de大da幅fu提ti升sheng。穩wen壓ya後hou的de電dian壓ya更geng加jia清qing潔jie,需xu要yao的de大da容rong量liang去qu耦ou電dian容rong更geng少shao。這zhe些xie部bu件jian將jiang從cong明ming年nian開kai始shi積ji累lei使shi用yong經jing驗yan,目mu前qian已yi有you評ping估gu板ban可ke供gong使shi用yong。

圖 6:用於航天器航空電子設備的模塊化 100V 配電解決方案。
本文轉載自:Vicor
免責聲明:本文為轉載文章,轉載此文目的在於傳遞更多信息,版權歸原作者所有。本文所用視頻、圖片、文字如涉及作品版權問題,請聯係小編進行處理。
推薦閱讀:
意法半導體公布2024年第三季度財報、電話會議及資本市場日直播時間
【測試案例分享】提高信號完整性的秘密武器:實時示波器測試TDR阻抗的全新方案
- 噪聲中提取真值!瑞盟科技推出MSA2240電流檢測芯片賦能多元高端測量場景
- 10MHz高頻運行!氮矽科技發布集成驅動GaN芯片,助力電源能效再攀新高
- 失真度僅0.002%!力芯微推出超低內阻、超低失真4PST模擬開關
- 一“芯”雙電!聖邦微電子發布雙輸出電源芯片,簡化AFE與音頻設計
- 一機適配萬端:金升陽推出1200W可編程電源,賦能高端裝備製造
- 邊緣AI的發展為更智能、更可持續的技術鋪平道路
- 每台智能體PC,都是AI時代的新入口
- IAR作為Qt Group獨立BU攜兩項重磅汽車電子應用開發方案首秀北京車展
- 構建具有網絡彈性的嵌入式係統:來自行業領袖的洞見
- 數字化的線性穩壓器
- 車規與基於V2X的車輛協同主動避撞技術展望
- 數字隔離助力新能源汽車安全隔離的新挑戰
- 汽車模塊拋負載的解決方案
- 車用連接器的安全創新應用
- Melexis Actuators Business Unit
- Position / Current Sensors - Triaxis Hall




