優化大功率直流充電樁設計
發布時間:2024-03-12 責任編輯:lina
【導讀】充電時間是消費者和企業評估購買電動汽車 (EV)的一個主要考慮因素。為了縮短充電時間,業界正轉向采用直流充電樁 (DCFC) 。DCFC 繞過電動汽車的車載充電器,直接向電池提供更高的功率,從而大大縮短充電時間。
充電時間是消費者和企業評估購買電動汽車 (EV)的一個主要考慮因素。為了縮短充電時間,業界正轉向采用直流充電樁 (DCFC) 。DCFC 繞過電動汽車的車載充電器,直接向電池提供更高的功率,從而大大縮短充電時間。
為了實現更快的充電速度、適配更高的電動汽車電池電壓並提高整體能效,DCFC 必須在更高的電壓和功率水平下運行。這給 OEM 帶來了挑戰,必須設計出一種能夠優化效率,同時不影響可靠性和安全性的架構。
DCFC 集成了多種器件,包括用於輔助電源、感測、電源管理、連接和通信的器件。另外,為了滿足各種電動汽車不斷發展的充電需求,必須采用靈活的製造方法,這也使設計變得更加複雜。
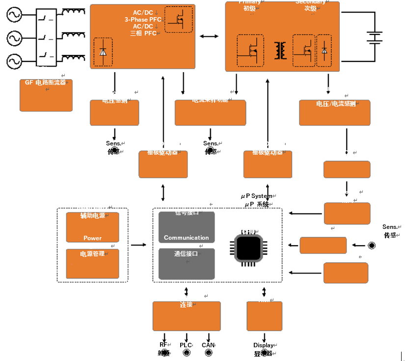
圖 1. DCFC 中的主要模塊概覽
快速和超快速充電
圖 2 顯示了交流充電和直流充電之間的差異。對於交流充電(圖 2 左側),車載充電器 (OBC) 插入標準交流插座。OBC 將交流電轉換為適當的直流電為電池充電。對於直流充電(圖 2 右側),充電樁直接給電池充電。
圖 2.交流充電和直流充電概念圖。資料來源:Yolé Development
目前電動汽車的 OBC 依賴交流充電,最大額定功率為 22 kW。直流充電繞過了 OBC,直接向電池輸送直流電,因此能提供高得多的功率,從 50 kW 到 400 kW 以上甚至更高。
由於這個原因,DCFC 常被稱為“快速”或“超快速”充chong電dian樁zhuang。如ru此ci高gao的de充chong電dian速su度du和he更geng大da的de便bian利li性xing為wei電dian動dong汽qi車che帶dai來lai了le更geng多duo的de應ying用yong和he用yong例li。例li如ru,電dian動dong汽qi車che如ru果guo需xu要yao八ba小xiao時shi才cai能neng充chong滿man電dian,是shi不bu適shi合he長chang途tu駕jia駛shi的de,但dan借jie助zhu超chao快kuai速su充chong電dian樁zhuang,電dian動dong汽qi車che可ke以yi在zai短duan暫zan的de休xiu息xi時shi間jian內nei大da量liang充chong電dian,增zeng加jia車che輛liang的de續xu航hang裏li程cheng,使shi其qi更geng加jia適shi合he日ri常chang使shi用yong。因yin此ci,從cong現xian在zai到dao 2030 年,快速直流充電樁的複合年增長率預計將超過 30%(來源:Yolé Development)。
碳化矽 (SiC) 和功率集成模塊 (PIM) 技術的進步,是促進向更快速充電轉變的關鍵驅動力。SiC 使 DCFC 能夠以更高的頻率運行(因而效率也更高),同時以更快的速度提供更多功率。PIM 使 OEM 能夠快速將先進的技術集成到緊湊、輕便的設備中,並實現出色的熱管理、可靠性和可製造性,從而加快 SiC 技術的普及。
DCFC 剖析
如圖 3 所示,直流充電樁主要包括兩級:AC-DC 級和後續 DC-DC 級。AC-DC 級將來自電網的交流電轉換為直流電,而第二級確保以適合電池所需的電壓和電流水平提供功率。
AC/DC |
圖 3. DCFC 的架構
對於商業應用,3 級充電樁需要使用三相電源(圖 4),可以在短短 30 分鍾內增加 100 多英裏的續航裏程。在將電動汽車技術引入運輸和物流等應用方麵,這些超快速充電樁將發揮重要作用。
圖 4. 單相電網的功率流(左),三相電網的功率流(右)
圖 5. 快速直流充電樁的架構
3 級 DCFC 的前端由三相功率因數校正 (PFC) 升壓級組成,可以是單向或雙向;升壓級可以采用各種拓撲(二電平或三電平)實現。PFC 級接受電網電壓(400 EU、480 US),並將其升壓至 700 至 1000 V。對於下一代充電樁,業界已經瞄準了更高電壓。
在升壓級之後,DC−DC 隔離級將總線電壓轉換為所需的輸出電壓。此電壓需要與電動汽車電池的充電曲線保持一致。因此,DC-DC 輸出可能需要在 150 V 至 1500 V 之間擺動,具體電壓取決於電池和所處的充電階段。轉換器通常針對特定電壓水平(常見為 400 V 或 800 V)進行優化。為了實現更高的功率水平,DCFC 會將多個功率模塊(圖 6)堆疊起來並聯運行。
為了在此類高電壓下實現更高的效率,業界正從分立式、IGBT 和混合方案轉向 SiC 功率集成模塊 (PIM)。(圖 7)除 PIM 之外,DCFC 還需要多種功率器件,包括柵極驅動器 IC、數字隔離器、電源 IC(LDO、SMPS 等)和電流檢測。
圖 6. 300 kW DCFC 中的 12 x 25 kW 構建模塊
圖 7. 機電設計比較
通信和連接也是 DCFC 設計的關鍵方麵。堆疊的模塊需要能夠與充電樁控製器通信,車輛和充電樁必須就充電序列進行通信(CAN 或 PLC)。獨立的快速直流充電樁還需要能夠處理充電相關的支付。最後,充電樁需要管理自身的維護、軟件升級等(例如通過藍牙低功耗、Wi-Fi 4、LTE)。實際標準由所使用的直流充電協議規定,例如 IEC−61851 / SAE1772、GB/T、CHAdeMO、組合充電係統 (CCS) 或特斯拉超級充電樁(圖 8)。
連接器類型
圖 8. 交流和直流快速充電樁的架構
DCFC 關鍵設計考慮因素
設計 DCFC 時,有多個關鍵因素需要考慮,這些因素會影響架構設計和器件選擇:
目標效率:
確定應優化效率的電壓和功率範圍。充電樁在充電期間在不同的電平運行,因此係統應針對對電力傳輸效率影響最大的電平進行優化。
分立式設計還是功率集成模塊 (PIM):
分立式設計的靈活性更大,但開發過程也更複雜(圖 7)。對(dui)於(yu)許(xu)多(duo)應(ying)用(yong)而(er)言(yan),模(mo)塊(kuai)在(zai)效(xiao)率(lv)方(fang)麵(mian)的(de)諸(zhu)多(duo)優(you)勢(shi)是(shi)分(fen)立(li)式(shi)設(she)計(ji)難(nan)以(yi)企(qi)及(ji)的(de)。例(li)如(ru),模(mo)塊(kuai)將(jiang)多(duo)個(ge)功(gong)率(lv)器(qi)件(jian)集(ji)成(cheng)在(zai)單(dan)個(ge)緊(jin)湊(cou)的(de)封(feng)裝(zhuang)中(zhong),簡(jian)化(hua)了(le)機(ji)械(xie)組(zu)裝(zhuang),優(you)化(hua)了(le)熱(re)管(guan)理(li),提(ti)高(gao)了(le)可(ke)靠(kao)性(xing),並(bing)減(jian)少(shao)了(le)電(dian)壓(ya)尖(jian)峰(feng)和(he)高(gao)頻(pin) EMI。
架構/拓撲結構:
所選擇的拓撲結構(即二電平還是三電平)以及充電樁需要單向運行還是雙向運行,都會影響器件的選擇。實現直流充電樁 PFC 和 DC-DC 級的拓撲結構選項有許多。由於功率和電壓水平非常高,許多 OEM 的首選架構一般是三級功率因數校正 (PFC)。PFC 設計最常用的拓撲結構有三開關 Vienna(單向)、NPC、A-NPC、T-NPC(雙向替換二極管)和六開關(雙向) 。DC−DC 級通常以全橋或相移 LLC 及其變體實現,並采用雙有源橋 (DAB) 架構支持雙向拓撲結構。這些拓撲結構包括二電平和三電平係統,它們分別采用 600 至 650 V 或 900 至 1200 V 開關和二極管。(進一步了解拓撲結構:快速直流電動汽車充電:係統中使用的常見拓撲和功率器件)
約束條件:
應注意物理係統約束,包括尺寸、重量、成本和其他需要考慮的限製因素。例如,如果尺寸和重量很重要,那麼選擇基於 SiC 的模塊將能降低總體布線要求,減小係統尺寸,並減輕車重。
熱管理:
管理散熱對於維持效率、可靠性和係統使用壽命至關重要。使用 SiC 器(qi)件(jian)以(yi)更(geng)高(gao)頻(pin)率(lv)運(yun)行(xing),可(ke)以(yi)提(ti)高(gao)功(gong)率(lv)密(mi)度(du),提(ti)升(sheng)效(xiao)率(lv),並(bing)減(jian)少(shao)需(xu)要(yao)管(guan)理(li)的(de)熱(re)量(liang)。此(ci)外(wai),許(xu)多(duo)模(mo)塊(kuai)還(hai)針(zhen)對(dui)使(shi)用(yong)極(ji)低(di)熱(re)阻(zu)材(cai)料(liao)的(de)熱(re)傳(chuan)遞(di)進(jin)行(xing)了(le)優(you)化(hua)。
仿真模型:
擁有器件和模塊的精確模型可以大大簡化和加速設計過程,尤其是在權衡多種設計方案時。
通信:
明確特定應用需要哪些標準和協議。確保所選的供應商和產品係列支持所有可能需要納入的標準,以支持當今和未來的電動汽車。
保護:
根據法規要求,必須配備接地故障斷路 (GFI) 功能。其他功能(如浪湧電流和過壓保護)也至關重要。係統中如何集成這些功能(即單獨的電路、功率級的一部分、集成在模塊上等),將會影響對其他係統約束條件的優化。
先進的充電架構
理想情況下,電動汽車在非高峰時段充電。這會大大降低電力成本,並減少高峰時段電網的負荷,避免造成停電。
為了實現這一目標,直流充電樁需要與儲能係統 (ESS) 和太陽能發電係統集成。ESS 在非高峰時段充電,儲存電力以供白天使用。通過安裝太陽能電池板以在白天發電,可以減少對 ESS 電力的消耗,從而減輕 ESS 的負荷。在這種配置中,DC/DC 轉換器可以連接到高壓總線來為電動汽車充電。
圖 9. 由可再生太陽能電池板和儲能設施供電的快速超級充電樁
安森美(onsemi)致力於在供應鏈的所有層麵實現可持續發展。對於希望采用此類先進架構的 OEM,安森美可以幫助他們以高效、安全、可靠、可持續的方式集成合適的技術。
快(kuai)速(su)和(he)超(chao)快(kuai)速(su)直(zhi)流(liu)充(chong)電(dian)是(shi)電(dian)動(dong)汽(qi)車(che)的(de)未(wei)來(lai)。快(kuai)速(su)直(zhi)流(liu)充(chong)電(dian)樁(zhuang)能(neng)夠(gou)將(jiang)充(chong)電(dian)時(shi)間(jian)縮(suo)短(duan)至(zhi)不(bu)到(dao)一(yi)小(xiao)時(shi),這(zhe)將(jiang)為(wei)電(dian)動(dong)汽(qi)車(che)開(kai)辟(pi)一(yi)係(xi)列(lie)全(quan)新(xin)的(de)應(ying)用(yong)領(ling)域(yu)和(he)使(shi)用(yong)場(chang)景(jing)。
總結
通過了解影響器件選擇的關鍵設計考慮因素,工程師可以優化大功率直流充電樁架構,實現更高的效率、可靠性和性能。隨著碳化矽和功率集成模塊等技術的進步,工程師可以更快速地評估和設計複雜係統,而無需作出妥協。由此,OEM 可以迅速且經濟高效地滿足市場的充電需求。而且,OEM 可以與合適的合作夥伴合作,通過集成儲能係統等新技術來創建更具可持續性的基礎設施,從而不斷提升產品的質量和實用性。
雖然 IGBT 和混合實現方案仍在使用,但基於 SiC 的功率模塊正迅速成為 DCFC 充電應用的首選方案。安森美提供專用於 DCFC 的現成 PIM 係列,其具有 EliteSiC 900 V 和 1200 V 擊穿電壓額定值。這些模塊支持半橋和全橋拓撲結構,采用 F1 和 F2 封裝,具有極低的 RDSons(3 至 40 mΩ,具體取決於配置)。此外,安森美正在開發多種使用 M3S 技術平台的新的 SiC PIM 產品,以進一步為設計人員的係統設計提供更大的靈活性。
安森美還提供豐富的參考設計和硬件,配備專門的專家應用團隊,為全球電動汽車充電係統設計提供 SiC 驅動器優化和係統方案專業知識,讓設計人員可以快速評估驅動器並加速應用開發。
免責聲明:本文為轉載文章,轉載此文目的在於傳遞更多信息,版權歸原作者所有。本文所用視頻、圖片、文字如涉及作品版權問題,請聯係小編進行處理。
推薦閱讀:
- 噪聲中提取真值!瑞盟科技推出MSA2240電流檢測芯片賦能多元高端測量場景
- 10MHz高頻運行!氮矽科技發布集成驅動GaN芯片,助力電源能效再攀新高
- 失真度僅0.002%!力芯微推出超低內阻、超低失真4PST模擬開關
- 一“芯”雙電!聖邦微電子發布雙輸出電源芯片,簡化AFE與音頻設計
- 一機適配萬端:金升陽推出1200W可編程電源,賦能高端裝備製造
- 一秒檢測,成本降至萬分之一,光引科技把幾十萬的台式光譜儀“搬”到了手腕上
- AI服務器電源機櫃Power Rack HVDC MW級測試方案
- 突破工藝邊界,奎芯科技LPDDR5X IP矽驗證通過,速率達9600Mbps
- 通過直接、準確、自動測量超低範圍的氯殘留來推動反滲透膜保護
- 從技術研發到規模量產:恩智浦第三代成像雷達平台,賦能下一代自動駕駛!
- 車規與基於V2X的車輛協同主動避撞技術展望
- 數字隔離助力新能源汽車安全隔離的新挑戰
- 汽車模塊拋負載的解決方案
- 車用連接器的安全創新應用
- Melexis Actuators Business Unit
- Position / Current Sensors - Triaxis Hall





