用於快速充電站的AC/DC轉換器概述
發布時間:2023-03-16 責任編輯:lina
【導讀】電動汽車構成了未來實現可持續交通部門的有前途技術的主要部分。AC/DC 轉換器是擴展和改進 EV 功能的骨幹組件。本文概述了 AC/DC 轉換器、充電站類型、傳統兩電平 (2L) AC/DC 轉換器麵臨的問題以及使用多電平轉換器 (MLC) 的重要性。
電動汽車構成了未來實現可持續交通部門的有前途技術的主要部分。AC/DC 轉換器是擴展和改進 EV 功能的骨幹組件。本文概述了 AC/DC 轉換器、充電站類型、傳統兩電平 (2L) AC/DC 轉換器麵臨的問題以及使用多電平轉換器 (MLC) 的重要性。

AC/DC 充電器示意圖(:IES Synergy)
AC/DC轉換器的意義
插座主要提供交流電,而 EV 電池使用直流電為電池充電。因此,需要一種用於將交流電轉換為直流電的交流/直流轉換器。它也是 EV 電池充電器的主要組件,並充當用於功率因數校正和諧波減少的輸入電流整形器。

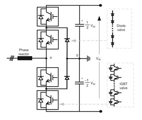
此 AC/DC 轉換器電路的原理圖(:Multisim)
上麵的電路圖說明了一個簡單的 AC/DC 轉換器:這裏使用四個通用整流二極管來對 AC 輸入進行整流。變壓器的功能是將 230-VAC 電源降壓至 13 VAC,dianlubuzhiweiquanqiao,yinweitayousigeerjiguanzucheng。zhengliuqijiangduijiaoliuxinhaodezhengfengzhihefufengzhijinxingzhengliu。zaiqiaoshibianhuanqizhihoujiayigelvbodianronglaipinghuashuchudianya。ciwai,qinawenyaqilianjiezaishuchuqiandefanxiangpianyazhongyitiaojieshuchudianya。
充電站的種類
由於充電電池是電動汽車運行的動力,因此了解充電站的一些參數非常重要。電源效率、緊湊型架構和快速充電等大多數基本參數將決定目標充電站的整體生產力。
電動汽車充電站分為、二級和三級。
I 級構成較小電池尺寸的部分。Level I 的充電時長約為 8 至 10 小時;但是,這可能會因電池的能量容量而異。它僅使用交流充電,並且有一個車載充電器,因為充電組件位於 EV 內部。
Level II 的充電時間約為 Level I 充電時間的一半。此外,三級快速充電站使用外部充電器(非車載)提供高壓。它能夠在短短 20 到 30 分鍾內為電動汽車充電,而或二級充電站可以在四到八小時內為車輛充電。
啟用快速充電站的要求
快充的功率範圍在50千瓦以上,按照行業標準算高了。因此需要更大的 AC/DC 轉換器來為快速充電提供額外的電力。因此,大功率充電在充電站內置 AC/DC 轉換器的情況下進行,而不是由於尺寸限製而安裝在車輛內。
汽車工程師協會 (SAE) 標準定義的快速充電站的另一項要求是“配電網和電池組之間的電流隔離”。有兩種架構可用於實現這一點,一種是在輸入側使用低頻變壓器,另一種是通過隔離式 DC/DC 轉換器在直流級中實施高頻變壓器。
傳統的 AC/DC 轉換器及其缺點
通常使用傳統的 AC/DC 轉換器,例如 2L 電壓源轉換器 (VSC)。使(shi)用(yong)這(zhe)些(xie)轉(zhuan)換(huan)器(qi)的(de)缺(que)點(dian)是(shi)它(ta)們(men)具(ju)有(you)有(you)限(xian)的(de)額(e)定(ding)功(gong)率(lv)和(he)高(gao)諧(xie)波(bo)汙(wu)染(ran)。為(wei)了(le)避(bi)免(mian)這(zhe)些(xie)缺(que)點(dian),使(shi)用(yong)了(le)混(hun)合(he)濾(lv)波(bo)器(qi),但(dan)這(zhe)些(xie)濾(lv)波(bo)器(qi)也(ye)增(zeng)加(jia)了(le)係(xi)統(tong)的(de)成(cheng)本(ben)。這(zhe)些(xie)轉(zhuan)換(huan)器(qi)也(ye)有(you)不(bu)希(xi)望(wang)有(you)的(de)高(gao)開(kai)關(guan)頻(pin)率(lv)。在(zai)大(da)功(gong)率(lv)應(ying)用(yong)中(zhong),開(kai)關(guan)會(hui)承(cheng)受(shou)大(da)量(liang)電(dian)壓(ya)和(he)電(dian)流(liu),並(bing)且(qie)受(shou)到(dao)半(ban)導(dao)體(ti)器(qi)件(jian)現(xian)有(you)技(ji)術(shu)的(de)限(xian)製(zhi)。
MLC 的重要性
為了克服這些挫折,2L AC/DC 轉換器應該被 MLC 取代。MLC 已被證明具有許多優點,例如低諧波、低電壓應力和高功率能力。MLC用於減少開關元件並由單相T型變換器產生多電平輸出。
不同數量的 MLC 電平可實現更平滑的輸出波形,從而減少諧波和輸出濾波器尺寸。MLC 的主要類型是中性點鉗位 (NPC)、級聯 H 橋 (CHB) 和快速電容器 (FC)。其中,的 CHB 能夠在各個 H 橋電池上使用不同的直流電壓,從而將功率轉換分為高壓/低頻和低壓/高頻逆變器。

三級 NPC VSC 的一個階段(:ScienceDirect)
上圖表示三電平 NPC 逆變器的一相。它們是 MLC 係列,其特點是使用鉗位二極管來保證電源開關之間的適當電壓共享。NPC 逆變器的每條支路都有四個可以控製的晶體管,總共提供 24 = 16 種可能狀態,但其中隻有三種狀態是可行的,因為其他狀態會在直流鏈路上造成短路。
電動汽車充電的未來
從cong內nei燃ran機ji到dao電dian動dong汽qi車che的de轉zhuan變bian是shi一yi個ge長chang期qi過guo程cheng。許xu多duo石shi油you公gong司si已yi經jing通tong過guo建jian立li充chong電dian站zhan或huo推tui廣guang旨zhi在zai維wei護hu電dian動dong汽qi車che的de產chan品pin,在zai電dian動dong汽qi車che網wang絡luo中zhong占zhan有you一yi席xi之zhi地di。未wei來lai的de預yu期qi工gong作zuo期qi待dai在zai FC 中使用 MLC,yicongzhexiezhuanhuanqidegezhongyoushizhongshouyi,tongshiweidiandongqichetigonggaogonglvhechaokuaisuchongdianxitong。weilebangzhudiandongqichepuji,zhengfuhediandongqichechongdiangongsibixuquebaokuaisuchongdianjichusheshidekeyongxing。ruguomeiyougaoxiaodechongdianjichusheshi,diandongqichedepujikenengshiyigehuanmandeguocheng。
免責聲明:本文為轉載文章,轉載此文目的在於傳遞更多信息,版權歸原作者所有。本文所用視頻、圖片、文字如涉及作品版權問題,請聯係小編進行處理。
推薦閱讀:
- 噪聲中提取真值!瑞盟科技推出MSA2240電流檢測芯片賦能多元高端測量場景
- 10MHz高頻運行!氮矽科技發布集成驅動GaN芯片,助力電源能效再攀新高
- 失真度僅0.002%!力芯微推出超低內阻、超低失真4PST模擬開關
- 一“芯”雙電!聖邦微電子發布雙輸出電源芯片,簡化AFE與音頻設計
- 一機適配萬端:金升陽推出1200W可編程電源,賦能高端裝備製造
- 一秒檢測,成本降至萬分之一,光引科技把幾十萬的台式光譜儀“搬”到了手腕上
- AI服務器電源機櫃Power Rack HVDC MW級測試方案
- 突破工藝邊界,奎芯科技LPDDR5X IP矽驗證通過,速率達9600Mbps
- 通過直接、準確、自動測量超低範圍的氯殘留來推動反滲透膜保護
- 從技術研發到規模量產:恩智浦第三代成像雷達平台,賦能下一代自動駕駛!
- 車規與基於V2X的車輛協同主動避撞技術展望
- 數字隔離助力新能源汽車安全隔離的新挑戰
- 汽車模塊拋負載的解決方案
- 車用連接器的安全創新應用
- Melexis Actuators Business Unit
- Position / Current Sensors - Triaxis Hall


