RS瑞森半導體在PC電源上的應用
發布時間:2023-02-10 來源:RS瑞森半導體 責任編輯:lina
【導讀】PC電源又稱電腦電源,是電腦各部件供電的樞紐,是電腦的重要組成部分。主要作用是將220V交流電(全球不同國家電壓不同,做到80V-264Vac全球通用)變換為+5VSB、+5V、+12V、-12V、+3.3V等穩定可靠的直流電源,供給主機箱內的係統板、各種適配器和擴展卡、 硬盤驅動器 、光盤驅動器等係統部件及鍵盤和鼠標使用,具有體積小,效率高等優點,同時兼有過流(OCP)、過壓(OVP)、過溫(OTP)保護。
PC電源又稱電腦電源,是電腦各部件供電的樞紐,是電腦的重要組成部分。主要作用是將220V交流電(全球不同國家電壓不同,做到80V-264Vac全球通用)變換為+5VSB、+5V、+12V、-12V、+3.3V等穩定可靠的直流電源,供給主機箱內的係統板、各種適配器和擴展卡、 硬盤驅動器 、光盤驅動器等係統部件及鍵盤和鼠標使用,具有體積小,效率高等優點,同時兼有過流(OCP)、過壓(OVP)、過溫(OTP)保護。

一、正激式PC電源介紹
正激式開關電源在硬開關應用中有單管正激和雙管正激兩種。
單管正激,由於變壓器需要增加額外的磁複位繞組,在主開關MOS管關斷時,MOS管會承受兩倍於輸入電壓的應力,因此在該類拓撲應用中推薦瑞森半導體800V、900V的超高壓MOS管,以應對電壓變化帶來的衝擊。
雙管正激,它是非常穩定的拓撲結構,工作頻率不高,也不會出現過大的衝擊電流,對MOS管的要求相對寬鬆,每個MOS理論上的電壓為直流母線電壓,對應推薦瑞森半導體500V、650V的高壓MOS,同時Rdson較小,可進一步提高效率,通常應用於計算機主電源,中等功率通信電源,變頻器等輔助電源。

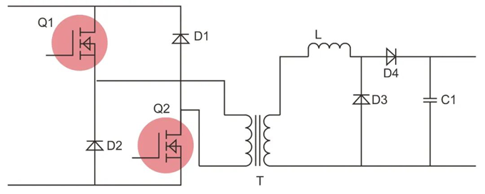
二、正激式典型應用拓撲圖

三、典型應用案例
1、單端正激300W-500W,經典IC 3842-3845:
主推RS9N90F / RS8N80F / RS10N80F (一機1PCS);
2、雙管正激(雙晶正激),經典IC CM6805 / 6800 / 6109,功率:350W-2000W:
主推500V係列:
TO-220F: RS9N50F / RS10N50F / RS13N50F / RS15N50F / RS18N50F / RS20N50F / RS25N50F;
TO-247: RS20N50W / RS25N50W / RS28N50W / RS30N50W;
四、瑞森半導體產品選型推薦
瑞森半導體在PC電源上主推超高壓MOS、高壓MOS推薦如下產品選型表:

免責聲明:本文為轉載文章,轉載此文目的在於傳遞更多信息,版權歸原作者所有。本文所用視頻、圖片、文字如涉及作品版權問題,請聯係小編進行處理。
推薦閱讀:
- 噪聲中提取真值!瑞盟科技推出MSA2240電流檢測芯片賦能多元高端測量場景
- 10MHz高頻運行!氮矽科技發布集成驅動GaN芯片,助力電源能效再攀新高
- 失真度僅0.002%!力芯微推出超低內阻、超低失真4PST模擬開關
- 一“芯”雙電!聖邦微電子發布雙輸出電源芯片,簡化AFE與音頻設計
- 一機適配萬端:金升陽推出1200W可編程電源,賦能高端裝備製造
- 築基AI4S:摩爾線程全功能GPU加速中國生命科學自主生態
- 一秒檢測,成本降至萬分之一,光引科技把幾十萬的台式光譜儀“搬”到了手腕上
- AI服務器電源機櫃Power Rack HVDC MW級測試方案
- 突破工藝邊界,奎芯科技LPDDR5X IP矽驗證通過,速率達9600Mbps
- 通過直接、準確、自動測量超低範圍的氯殘留來推動反滲透膜保護
- 車規與基於V2X的車輛協同主動避撞技術展望
- 數字隔離助力新能源汽車安全隔離的新挑戰
- 汽車模塊拋負載的解決方案
- 車用連接器的安全創新應用
- Melexis Actuators Business Unit
- Position / Current Sensors - Triaxis Hall


