RS瑞森半導體-大功率開關電源的應用
發布時間:2022-12-16 來源:RS瑞森半導體 責任編輯:lina
【導讀】大da功gong率lv開kai關guan電dian源yuan就jiu是shi用yong通tong過guo電dian路lu控kong製zhi開kai關guan管guan進jin行xing高gao速su的de導dao通tong與yu截jie止zhi。將jiang直zhi流liu電dian轉zhuan化hua為wei高gao頻pin率lv的de交jiao流liu電dian提ti供gong給gei變bian壓ya器qi進jin行xing變bian壓ya,從cong而er產chan生sheng所suo需xu要yao的de一yi組zu或huo多duo組zu電dian壓ya。
一、開關電源功率簡介
大da功gong率lv開kai關guan電dian源yuan就jiu是shi用yong通tong過guo電dian路lu控kong製zhi開kai關guan管guan進jin行xing高gao速su的de導dao通tong與yu截jie止zhi。將jiang直zhi流liu電dian轉zhuan化hua為wei高gao頻pin率lv的de交jiao流liu電dian提ti供gong給gei變bian壓ya器qi進jin行xing變bian壓ya,從cong而er產chan生sheng所suo需xu要yao的de一yi組zu或huo多duo組zu電dian壓ya。
轉化為高頻交流電的原因是高頻交流在變壓器變壓電路中的效率要比50Hz高很多。所以開關變壓器可以做的很小,而且工作時不是很熱,成本很低。如果不將50Hz變為高頻開關電源就沒有意義。
二、開關電源工作原理
交流電源輸入經整流濾波成直流;
通過高頻PWM(脈衝寬度調製)信號控製開關管,將那個直流加到開關變壓器初級上;
開關變壓器次級感應出高頻電壓,經整流濾波供給負載;
輸出部分通過一定的電路反饋給控製電路,控製PWM占空比,以達到穩定輸出的目的;
交流電源輸入時一般要經過厄流圈一類的東西,過濾掉電網上的幹擾,同時也過濾掉電源對電網的幹擾;
在功率相同時,開關頻率越高,開關變壓器的體積就越小,但對開關管的要求就越高;
開關變壓器的次級可以有多個繞組或一個繞組有多個抽頭,以得到需要的輸出;
一般都會備注一些保護電路如過流(OCP)過壓(OVP)過溫(OTP)保護特點,否則可能會燒毀開關電源。
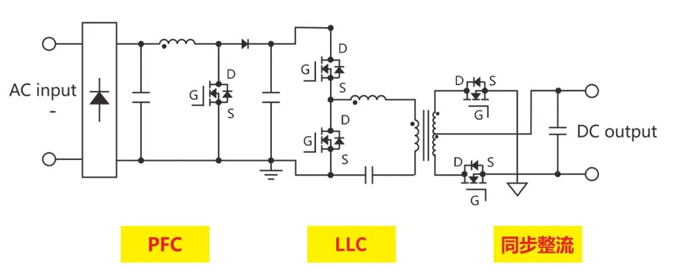
三、典型應用拓撲圖
四、LLC線路應用解說
LLC諧振半橋、全橋線路常用於大功率開關電源,是800W至2000W應用的理想選擇。因采用零電壓開關(ZVS)而實現了非常高的工作效率,在大幅度減小開關損耗的同時還可以有更高的功率密度,可廣泛應用於服務器電源、大功率電源上。
瑞森半導體提供的BV為600V、 650V的超結MOS同時帶有FRD完全可用於諧振電路上,具有高速快恢複二極管(FRD),短的反向恢複時間(Trr),適用於當再生電流流經主體二極管時會導致恢複損耗的應用。同時具有電流密度高、短路能力強、開關速度快、易用性好特點,可滿足客戶的高效率高可靠性需求。為了達到大功率電源嚴苛的能效目標,可采用瑞森半導體的同步整流中低壓SGT MOS,故選用瑞森半導體的超結MOS配合低壓SGT MOS完全實現較高的轉換效率,緊固耐用,係統成本較低。另外上千瓦的大功率開關電源,要求其高效、功率密度高、體積小、重量輕、成本低,PFC線路上采用瑞森半導體碳化矽(SiC)二極管可以提升大功率開關電源的功率密度和效率,有效降低了開關損耗。
五、大功率開關電源應用產品推薦
根據大功率開關電源對MOS管的需求,推薦瑞森半導體以下產品係列:
(來源:RS瑞森半導體)
免責聲明:本文為轉載文章,轉載此文目的在於傳遞更多信息,版權歸原作者所有。本文所用視頻、圖片、文字如涉及作品版權問題,請聯係小編進行處理。
推薦閱讀:
瑞薩電子將與Fixstars聯合開發工具套件用於優化R-Car SoC
- 噪聲中提取真值!瑞盟科技推出MSA2240電流檢測芯片賦能多元高端測量場景
- 10MHz高頻運行!氮矽科技發布集成驅動GaN芯片,助力電源能效再攀新高
- 失真度僅0.002%!力芯微推出超低內阻、超低失真4PST模擬開關
- 一“芯”雙電!聖邦微電子發布雙輸出電源芯片,簡化AFE與音頻設計
- 一機適配萬端:金升陽推出1200W可編程電源,賦能高端裝備製造
- 一秒檢測,成本降至萬分之一,光引科技把幾十萬的台式光譜儀“搬”到了手腕上
- AI服務器電源機櫃Power Rack HVDC MW級測試方案
- 突破工藝邊界,奎芯科技LPDDR5X IP矽驗證通過,速率達9600Mbps
- 通過直接、準確、自動測量超低範圍的氯殘留來推動反滲透膜保護
- 從技術研發到規模量產:恩智浦第三代成像雷達平台,賦能下一代自動駕駛!
- 車規與基於V2X的車輛協同主動避撞技術展望
- 數字隔離助力新能源汽車安全隔離的新挑戰
- 汽車模塊拋負載的解決方案
- 車用連接器的安全創新應用
- Melexis Actuators Business Unit
- Position / Current Sensors - Triaxis Hall



