兩級運算放大器的設計與仿真
發布時間:2022-09-30 來源:CSDN博主 責任編輯:lina
【導讀】運yun算suan放fang大da器qi的de設she計ji可ke以yi分fen為wei兩liang個ge較jiao為wei獨du立li的de步bu驟zhou,第di一yi步bu是shi選xuan擇ze或huo搭da建jian運yun放fang的de基ji本ben結jie構gou,繪hui出chu電dian路lu結jie構gou草cao圖tu,第di二er步bu就jiu要yao選xuan擇ze直zhi流liu電dian流liu,手shou工gong設she計ji管guan子zi尺chi寸cun,以yi及ji設she計ji補bu償chang電dian路lu等deng等deng,然ran後hou在zai手shou工gong計ji算suan的de基ji礎chu上shang,運yun用yong模mo擬ni電dian路lu仿fang真zhen軟ruan件jian對dui設she計ji的de兩liang級ji運yun放fang進jin行xing仿fang真zhen,並bing對dui電dian路lu進jin行xing後hou續xu的de調tiao試shi和he修xiu改gai。
運算放大器(簡稱運放)是許多模擬係統和混合信號係統中的一個完整部分。各種不同複雜程度的運放被用來實現各種功能:從直流偏置的產生到高速放大或濾波。伴隨者每一代 CMOS 工藝,由於電源電壓和晶體管溝道長度的減小,為運放的設計不斷提出複雜的課題。
兩級運算放大器的設計步驟
運yun算suan放fang大da器qi的de設she計ji可ke以yi分fen為wei兩liang個ge較jiao為wei獨du立li的de步bu驟zhou,第di一yi步bu是shi選xuan擇ze或huo搭da建jian運yun放fang的de基ji本ben結jie構gou,繪hui出chu電dian路lu結jie構gou草cao圖tu,第di二er步bu就jiu要yao選xuan擇ze直zhi流liu電dian流liu,手shou工gong設she計ji管guan子zi尺chi寸cun,以yi及ji設she計ji補bu償chang電dian路lu等deng等deng,然ran後hou在zai手shou工gong計ji算suan的de基ji礎chu上shang,運yun用yong模mo擬ni電dian路lu仿fang真zhen軟ruan件jian對dui設she計ji的de兩liang級ji運yun放fang進jin行xing仿fang真zhen,並bing對dui電dian路lu進jin行xing後hou續xu的de調tiao試shi和he修xiu改gai。
1. 電路分析
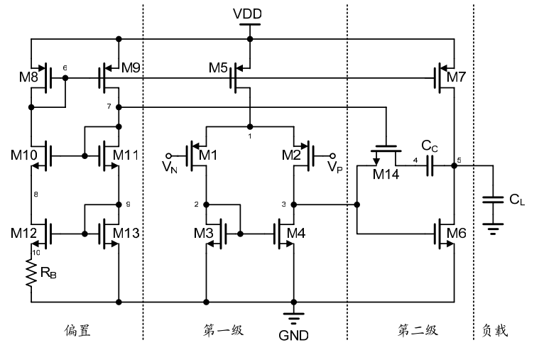
1.1 電路結構
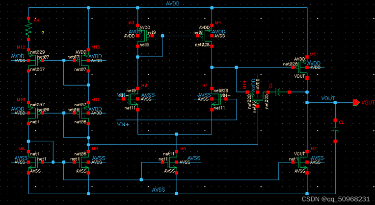
常見的 COMS 二級密勒補償運算跨導放大器的結構如圖 2.1 所示。主要包括四部分:第一級輸入級放大電路、第二級放大電路、偏置電路和相位補償電路。

1.2 電路描述
第一級為PMOS作為輸入管的五管差分對,提供高增益並且可以有效抑製共模信號幹擾。第二級為共源級放大電路,由M6、M7構成,為電路提供大的輸出擺幅,並進一步提高增益。M14和Cc跨接在第一級輸出級和第二級輸出級之間,起相位補償作用,M14工作與線性區,通過偏置電路控製其導通電阻。偏置電路由 M8~M13 和 RB 組成,這是一個共源共柵 Widlar 電流源。M8 和 M9寬長比相同。M12 通常是 M13 的幾倍,源極加入了電阻 RB,組成微電流源,產生電流 IB。對稱的 M11 和 M12 構成共源共柵結構,減小溝道長度調製效應造成的電流誤差,同時還為 M14 柵極提供偏置電壓。
1.3 靜態特性分析
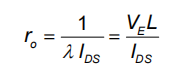
第一級的電壓增益為:Gm1R1,Gm1為M1,2跨導,R1為M2、M4輸出阻抗並聯。第二級的電壓增益為:Gm2R2,Gm2為M6跨導,R2為M6、M7輸出阻抗並聯。
總的直流電壓增益為:Gm1Gm2R1R2=gm1gm6(ro2//ro4)(ro6//ro7)
將 VGS-VT簡寫作 VGST,有:

電阻 ro由下式決定:

其中 λ 是溝道長度調製係數,VE 為厄利電壓,L 為管子的有效溝道長度。
將gm和ro分別替換得到:

可見,兩級運放的直流增益與過驅動電壓 VGST和λ成反比,而 L 增大λ將減小,因此,為了得到較高的增益,應當選取較小的過驅動電壓和較大的溝道長度。
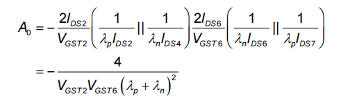
1.3.1 偏置電路分析
偏置電路由 M8~M13 構成,其中包括兩個故意失配的晶體管 M12 和 M13,電阻RB串聯在 M12 的源極,它決定著偏置電流和 gm12,所以一般為片外電阻以保證其精確穩定。為了最大程度的降低 M12 的溝道長度調製效應,采用了 Cascode 連接的 M10以及用與其匹配的二極管連接的 M11 來提供 M10 及M14的偏置電壓。最後,由匹配的 PMOS器件 M8 和 M9 構成的鏡像電流源將電流 IB複製到 M11 和 M13,同時也為 M5 和 M7提供偏置。
下麵進行具體計算:
鏡像電流源 M8 和 M9 使得 M13 的電流與 M12 的電流相等,從而有

且,

聯立上麵兩式得:

整理得:

一般的,我們取W/L12=4*W/L13
1.3.2 調零電阻分析
位於線性區的M14充當該兩級運放的調零電阻,其中 M14 管的電阻為:

我們設置偏置電流使得 M11 與 M14 的源極電壓相同,從而使得VGS11=VGS14,需滿足:VGS13=VGS6,從而:

並且

將上式帶入Rz,我們得到:

1.4 小信號分析
1.4.1 零極點分析
兩級運算放大電路小信號等效模型入下圖所示:

其中,R1、R2分別為第一級、第二級輸出阻抗,C1=Cdb2+Cdb4+Cgs6(Cgs6為C1的主要成分),C2=Cdb6+Cdb7+CL(CL為C2的主要成分)
列KCL節點電流方程:

解KCL方程並化簡零極點得到:
P1=1/(Gm2R1R2Cc)
P2=Gm2/C2
P3=1/RzC1
Z=1/Cc(Rz-1/Gm2)
Av=Gm1Gm2R1R2
GBW=Gm1/Cc
1.4.2 相位補償分析
通過調節M14和M11的長寬比可以起到調節Rzzuzhidaxiao,shixianyidongyoubanpingmianlingdiandezuoyong。ruguojianglingdianyidaozuobanpingmianbingyudierjidianzhonghe,zheyangyilaikeyiqidaoxiaoqudierjidiandezuoyong,zheyaoqiu:

danzaishijidedianlushixianzhong,zaifuzaidianrongweizhihuozheyunfanggongzuoguochengzhongfuzaidianrongfashengbianhuadeqingkuangxia,hennanshidelingdianhedierjidianjingquedixiao。lingwai,jishizaishejishishidelingdiandeweizhidengyudierjidian,youyugongyibodonghejishengdianrongdeyingxiang,huishide Rz 和電路中其它相關的參數偏離原先的設計值,這樣一來兩者不能夠完全抵消,反而會形成相鄰的零、極點對,會對電路的瞬態性能產生不利的影響。
如果將零點移到左半平麵略大於 GBW 的位置(一般為 1.2 倍 GBW 處),從而使得相位超前,可以提高電路的穩定性。這就需要:

同時使非主極點 p2在 1.5GBW 處,本次二級運算放大器設計采用這種方法來補償相位。
2. 電路設計
2.1 設計指標
設計指標如下表:

2.2 設計步驟
1.選擇Cc的大小。
Cc取值通常為CL的三分之一左右,暫取1.5pf。考慮壓擺率指標(IDS5/Cc≥30V/us),得IDS5≥45uA。
2.分配各支路電流。
IDS5=50uA IDS7=200uA ID8=ID9=10uA,270uA×1.8V=0.486mW(<0.5mW),滿足靜態功耗指標。
3.相位補償。
由1/Cc(Rz-1/Gm2)=1.2×Gm1/Cc,Gm2=1.5×Gm1/Cc,得Rz=(1/1.2+gm1/gm6)×1/gm1; gm6/gm1≈5。
4.選擇過驅動電壓。
VDSAT1降低有助於提高電壓增益、共模抑製比以及電源抑製比,並且在同等電流前提下,過驅動越小,跨導越大。因此VDSAT1盡量取小,這裏取VDSAT1=100mV。
5.計算M1,2寬長比。
已知 ID1=25μA,VDSAT1=0.1V,計算得:(W/L)1,2≈37。
6.計算 M3,4、M6、M5和 M7的寬長比。
為使M5不進入線性區,VDSAT5不能過大,取VDSAT5=300m,得(W/L)5=8.29,為方便其他MOS管設計,取(W/L)5=10;ID7=4ID5,故(W/L)7/(W/L)5=4/1,得(W/L)7=40;由gm6/gm1=5,ID6=8ID1=8ID4,計算得:VDSAT6≈160mV,(W/L)6≈180;且VGS4近似等於VGS6,有(W/L)3,4/(W/L)6=1/8,得(W/L)3,4=21.875,取(W/L)3,4=22。
7.計算 M8,9、M10,11、M12、M13的寬長比和 RB 的阻值。
取(W/L)12=4*W/L)13;由VGS13=VGS6可得,(W/L)13=(IRB/ID6)×(W/L)6,(W/L)13=9,因此W/L)12=36;帶入式IB表達式中可解得:RB≈8061Ω;ID9/ID7=10uA/200uA=(W/L)9/(W/L)7,得(W/L)9=(W/L)8=2;將Rz=(1/1.2+gm1/gm6)×(1/gm1)帶入Rz表達式求解,取(W/L)14=16,計算得(W/L)10,11=2。
至此器件參數設計完成,由於溝道調製效應以及體效應的影響,各支路電流、MOS管跨導及過驅動電壓較設計值會存在一定誤差,並且由與M6管寬長比很大,將引入很大的寄生電容,使得C1變大,P3極點變小,使相位裕度減小,將在後麵的電路仿真討論。
最終得到的器件參數如下:

3. 電路仿真
使用Cadence virtuoso IC618對該兩級運放進行電路仿真,采用tsmc65nm工藝庫完成電路搭建,如下圖所示:

3.1 DC直流仿真
完成電路原理圖搭建後,在ADE L 仿真器中輸入預設參數,選擇DC分析,輸入共模電平為0.9V。

DC仿真結果如下:

由於溝道調製效應以及體效應的影響,IRB實際值小於10uA,減小RB值使IRB接近10uA,並且由於W/L1較W/L5大很多,M1,2過驅動電壓將遠小於M5,這就容易使M1、M2進入亞閾值區,這裏M1、M2選擇低閾值NMOS管。輸出共模電平為980mV。
輸入共模範圍
輸入共模範圍即放大器第一級所有 MOS 管工作在飽和區的共模輸入電壓範圍。共模輸入範圍仿真方法如下:
calculator-OS可查看器件DC參數,選中M0、M3以及M5的region參數,查看器件的工作區域,其中region=0為關斷區,region=1線性區,region=2飽和區,region=3亞閾值區,region=4擊穿區。

DC參數掃描,設置變量為VIN_CM,掃描範圍為(0,1.8V),掃描結果如下:

共模輸入範圍為(0.5V,1.58V)
輸出電壓擺幅
該兩級運算放大器的最大輸出電壓擺幅為VDD-2*VDSAT,輸出電壓擺幅仿真方法如下:
在運放一端施加0.9V電壓,另一端在0.9V±10mV範圍內掃描DC電壓,同時畫出VOUT:

在0.9V±1mV範圍內繼續掃描DC電壓:

輸出電壓範圍為:(175mV,1.66V),輸出電壓擺幅為(1.66-0.98)×2=1.36V
3.2 ac仿真
幅頻響應
ac小信號仿真結果如下:

仿真結果顯示GBW和PM均小於設計指標。PM小於45°,因此P2位於GBW內,且P2=gm6/2πCL≈100MHz>GBW。

分析發現W/L6很大,導致其寄生電容很大(約為1.45pF),1/(RzC1)≈48MHz

將M6的W、L同時減半以減小該寄生電容,仿真發現:

Cgs減小為0.36pF,PM約為60.7°,GBW約為54.55MHz滿足指標要求,但由於M6溝道長度減半,溝道調製效應變得更加顯著,為了平衡M6、M7電流,輸出共模電平升高,將極大減小輸出電壓擺幅。
因此,仍保持M6寬長不變,嚐試移動左零點補償該寄生電容引起的極點。

M14的寬長比控製著Rz的大小,通過掃描M14的寬長比發現,當W/L14=12時,滿足GBW指標要求,但仍不滿足PM指標。
為了獲得更好的PM和GBW指標,將W/L1修改為50,W/L10和W/L11修改為1,W/L14修改為9,對Cc值進行參數掃描:

Cc修改為2pF,PM和GBW均達到指標要求,適當的增大Cc可以獲得更好的相位裕度,但Cc增大同時會減小GBW和壓擺率。
PSRR
PSRR+:
正電源抑製比(66.3+5.45)≈72dB

PSRR-:
負電源抑製比(66.3+19.54)≈86dB

3.3 tran仿真
壓擺率
給差分輸入管一端施加脈衝階躍信號,選擇tran分析,畫出VOUT輸出曲線,點擊measurement-transient measurement,仿真得壓擺率為28.9V/us>20V/us

3.4 noise仿真
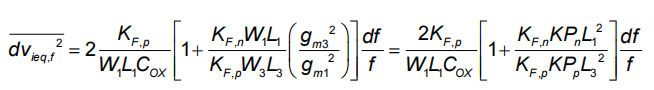
由於第二級噪聲等效到輸入端需要除以第一級增益,因此兩級運放的噪聲集中在第一級。輸入噪聲電壓由熱噪聲和閃爍噪聲兩部分組成:

在中低頻段,閃爍噪聲為主要部分,其等效輸入參考噪聲電壓為:

所以,一般采用增大輸入管麵積的方法來優化電路的噪聲性能。
noise仿真結果如下:

輸入參考噪聲電壓為48.17nV/ √Hz@1KHz。
4.仿真結果
Cadence仿真結果見下表:
器件最終參數

性能指標

————————————————
版權聲明:本文為CSDN博主「Metaa2227」的原創文章,遵循CC 4.0 BY-SA版權協議,轉載請附上原文出處鏈接及本聲明。
原文鏈接:https://blog.csdn.net/qq_50968231/article/details/125905662
免責聲明:本文為轉載文章,轉載此文目的在於傳遞更多信息,版權歸原作者所有。本文所用視頻、圖片、文字如涉及作品版權問題,請聯係小編進行處理。
推薦閱讀:
如何設計便於部署的10BASE-T1L單對以太網狀態監測振動傳感器
- 噪聲中提取真值!瑞盟科技推出MSA2240電流檢測芯片賦能多元高端測量場景
- 10MHz高頻運行!氮矽科技發布集成驅動GaN芯片,助力電源能效再攀新高
- 失真度僅0.002%!力芯微推出超低內阻、超低失真4PST模擬開關
- 一“芯”雙電!聖邦微電子發布雙輸出電源芯片,簡化AFE與音頻設計
- 一機適配萬端:金升陽推出1200W可編程電源,賦能高端裝備製造
- 築基AI4S:摩爾線程全功能GPU加速中國生命科學自主生態
- 一秒檢測,成本降至萬分之一,光引科技把幾十萬的台式光譜儀“搬”到了手腕上
- AI服務器電源機櫃Power Rack HVDC MW級測試方案
- 突破工藝邊界,奎芯科技LPDDR5X IP矽驗證通過,速率達9600Mbps
- 通過直接、準確、自動測量超低範圍的氯殘留來推動反滲透膜保護
- 車規與基於V2X的車輛協同主動避撞技術展望
- 數字隔離助力新能源汽車安全隔離的新挑戰
- 汽車模塊拋負載的解決方案
- 車用連接器的安全創新應用
- Melexis Actuators Business Unit
- Position / Current Sensors - Triaxis Hall




