用集成補償網絡來評估降壓穩壓器的瞬態性能
發布時間:2021-10-20 來源:Amir Ranjbar 責任編輯:wenwei
【導讀】為wei降jiang壓ya穩wen壓ya器qi設she計ji補bu償chang網wang絡luo十shi分fen單dan調tiao乏fa味wei,而er且qie可ke能neng需xu要yao多duo次ci迭die代dai以yi優you化hua方fang案an。具ju備bei優you化hua的de控kong製zhi回hui路lu,以yi實shi現xian快kuai速su瞬shun態tai響xiang應ying,同tong時shi保bao持chi適shi當dang的de穩wen定ding性xing,這zhe已yi成cheng為wei新xin興xing應ying用yong(如ADAS)jiqikuaisushuntaixiangyingxuqiumianlindezhuyaotiaozhan。juyouneibubuchangwangluodejiangyawenyaqicishiyingyunersheng,jiejuelezhegenantibingjianhualeshejiguocheng。buguo,jinguanneibubuchangwangluodailaihenduoyichu,jiangyawenyaqirengranxuyaoyixietiaozhenglaitigaowaibudeshuntaixingneng。qimianlindezuizhuyaotiaozhanshiruhepingguneibubuchangwangluo,quebaotashihetedingdeyingyong。benwenjiangduiruhepingguneibubuchangwangluotigongzhidao。
峰值電流模式降壓穩壓器
峰值電流模式 (PCM) 控製是降壓穩壓器常用的控製方法。與電壓模式 (VM) 控製相比,PCM 控製具備的優勢已經得到確認。圖 1 顯示了 PCM 降壓穩壓器的應用原理圖和典型波特圖。
圖1: PCM 降壓穩壓器原理圖和波特圖
圖 1 中的兩個功率級極點頻率可以分別通過公式 (1) 和公式 (2) 計算:
其中Ri 可通過公式(3)來計算:
而Km可以用公式(4)計算,假設D = 0.5(D 代表占空比):
PCM 控製降壓穩壓器(ωZ)中的 ESR 零點頻率可以用公式 (5) 計算:
典型II 類補償網絡
圖 2 顯示了典型的 II 類補償網絡。II 類補償為係統增加了一個零點 (COMP-Z) 和一個極點 (COMP-P)。COMP-Z 和 COMP-P 的頻率可以根據係統給出的無源元件計算得出(參見圖 2、公式 6和公式7)。請注意,由極點/零點引起的角度/相位和斜率/幅度都將在極點/零點頻率的10% 處開始變化,並在極點/零點頻率的10倍處達到最大值。
圖2: II類補償網絡和零點/極點位置
COMP-Z 的頻率可以用公式 (6) 計算:
COMP-P 的頻率可以用公式 (7) 計算:
降壓穩壓器的瞬態性能通過兩個指標來評估。一是係統帶寬 (BW),二是係統相位裕度 (PM)。BW 越高,瞬態響應越快;而PM 越高,係統越穩定、越安靜。但在實際中,提高BW 會降低PM,反之亦然。這意味著我們必須在BW和PM之間進行權衡。要在降壓穩壓器中獲得合適的BW 以及可接受的PM和噪聲水平,BW為開關頻率(fSW)的10% 會較為合理。
內部補償網絡評估指南
基於上一節的討論,我們假設目標帶寬可以用公式 (8) 來計算:
要得到最大PM,補償網絡零點 (COMP-Z) 需要在 BW 頻率處提供最大相位提升。理論上,由零點引起的正相位在其頻率的 10 倍處達到最大值。因此,應將COMP-Z 設置在BW 頻率的 10% 至 20%之間。這個範圍考慮到了係統中的任何附加寄生效應。COMP-Z 頻率和 BW 頻率之間的關係可以用公式(9)來表示:
為了在較高頻率下獲得適當的噪聲衰減,補償網絡極點 (COMP-P) 頻率必須大約為 fSW/2。假設開關頻率為1MHz,則 COMP-P必須接近fSW/2和輸出電容器 ESR 零點頻率二者當中較小的值,我們可以用公式 (5)來估算。
這裏有一個需要考慮的重要實用技巧,即,除非 COUT 是具有高 ESR 的電解電容,否則fSW/2將產生最主要的影響,而 COMP-P則取決於該值。因此,我們用公式 (10) 來估算COMP-P:
由於 COMP-Z 和 COMP-P 都基於開關頻率定義,利用這兩個等式可以得出第三個要求,即CCOMP和CHF之間的關係,用公式(11)表示如下:
有了這三個基本要求,就可以根據應用的開關頻率來評估內部補償網絡的性能了。
具有可配置開關頻率的器件
類似的方法也可用於具有可配置開關頻率的器件,隻是還需要考慮以下兩個關鍵點:
1. 根據最小可配置開關頻率設置COMP-Z。
2. 根據最大可配置開關頻率設置COMP-P。
COMP-Z 是根據最小可配置開關頻率設置的,因為隨著開關頻率的增加,電感器尺寸會成比例地縮小。觀察PCM 降壓穩壓器功率級中的第二個極點(由公式2表示)可以發現,極點頻率 (ω_L)隨著電感 (L) 的降低而增大。隨著 ωL 的增大,由該極點引起的相位延遲也被進一步推離 BW 頻率。由該極點引起的負相位減少導致係統整體相位的增加,繼而導致係統PM增加。
因此,如果根據最小可配置開關頻率設置 COMP-Z,則相位裕度 (PM) 將隨著開關頻率的增大而增加。
與 COMP-Z 不同,COMP-P 頻率是根據最大可配置開關頻率設置的。如前所述,由極點引起的幅度/角度在該極點頻率的 10% 處開始下降。假設fCOMP-P是根據最小開關頻率設置的,則如果器件配置為在最大開關頻率下運行,則由fCOMP-P(從 0.1 x fCOMP-P處開始生效)導致的相位降低將發生在其 BW 之內。通常不建議這樣做,因為它會在 BW 內產生另一個極點。由於 II類補償網絡中隻有一個零點可用,所以無法補償該極點。因此,必須根據器件的最大開關頻率來設置 COMP-P 頻率。
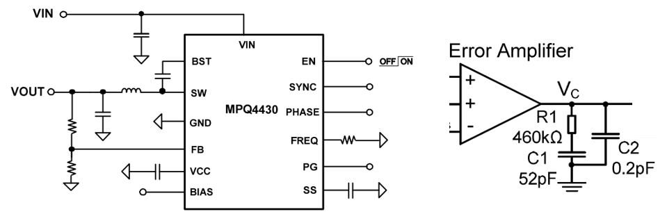
案例研究- MPQ4430
我們通過一個真實案例來說明以上原則。MPS 的MPQ4330是一款 36V、3.5A同步降壓變換器,它內部集成MOSFET和補償網絡。圖 3顯示了MPQ4430 的典型應用原理圖和內部補償網絡。其開關頻率通過FREQ 引腳上的電阻器設置。根據電阻值的設置,MPQ4430的開關頻率可以在350kHz 和 2.5MHz 之間變化。
圖 3:MPQ4430典型應用及其內部補償網絡
由於該器件的開關頻率可配置,因此需要遵循上一節中討論的方法。COMP-Z 必須根據最小開關頻率(即 350kHz)來設置。
假設開關頻率為 350kHz,目標帶寬將是該頻率的 10%,即 35kHz。現在,我們根據補償網絡中的無源元件來計算COMP-Z 頻率。在該器件中,RCOMP 和CCOMP分別為460kΩ 和 52pF。利用公式 (6)可以得出 fCOMP-Z為 6.6kHz。該值在根據公式 (9)得出的4kHz 至 8kHz 可接受範圍之內,說明滿足第一個要求。
接下來,根據公式(10) 設置的要求檢查 COMP-P 頻率。同樣,由於該器件的開關頻率可配置,因此在公式 (10) 中考慮最大可配置開關頻率。考慮到 2.5MHz 的最大開關頻率,目標 COMP-P 頻率 (fCOMP-P) 必須設置為接近 fSW / 2 = 2.5MHz / 2 = 1.25MHz。
由於該器件的RCOMP和CHF分別為 460kΩ 和 0.2pF,可以得知fCOMP-P為 1.7MHz,該值足夠接近 1.25MHz的目標值。
最後,比較CHF與CCOMP,確保它們滿足公式(11) 設定的要求。該器件的CHF與CCOMP分別為 0.2pF 和 52pF,CHF約為 CCOMP的 0.3%,也滿足CHF與CCOMP之間的關係要求(CHF < 4% x CCOMP)。
MPQ4430 在不同開關頻率下的波特圖
圖 4顯示了在開關頻率及電感值都變化的情況下,MPQ4430的波特測量值。
圖 4:三種開關頻率下 MPQ4430 波特圖
觀察波特圖可以得到幾個重要的結果,如表 1所列。
表 1:增加開關頻率對 BW/PM 的影響
首先,如波特測量中所見,增加開關頻率可以使PM得到改善。由公式(2)可以得知緣由,隨著開關頻率的增大,電感 (ω_L) 產生的極點被推得更遠,這會導致 BW 頻率處的負相位減少而PM 增加。這進一步證實了,基於最小開關頻率設置 COMP-Z 頻率是個明智的決定。
但請注意,由於RCOMP和 CCOMP是固定的,而且開關頻率的增加僅影響功率級中的第二個極點,因此 BW也相對固定。因此,我們可能希望隨著開關頻率的增加而提高BW。這一點可以通過增加外部調節來實現。
在反饋網絡中添加一個前饋電容器 (CFF),是在較高開關頻率下增加環路 BW 和 PM 的有效方法(見圖 5)。
圖5: 在補償網絡中添加一個前饋電容器以改善瞬態響應
添加前饋電容器可以極大地提高係統的 BW和PM。我們在添加和未添加20pF前饋電容器的兩種情況下,在2.5MHz 開關頻率下測量MPQ4330的頻率響應,可以看到添加額外電容器可以使BW和PM均得到改善。
圖 6:添加和不添加前饋電容器時,MPQ4430在 2.5MHz 頻率下的波特圖
結語
本ben文wen介jie紹shao了le一yi種zhong根gen據ju應ying用yong開kai關guan頻pin率lv來lai評ping估gu內nei部bu補bu償chang網wang絡luo性xing能neng的de係xi統tong性xing方fang法fa。這zhe種zhong評ping估gu技ji術shu涉she及ji三san項xiang基ji本ben檢jian查zha,可ke以yi針zhen對dui開kai關guan頻pin率lv已yi知zhi或huo可ke配pei置zhi的de應ying用yong,確que保bao其qi內nei部bu補bu償chang網wang絡luo得de到dao恰qia當dang的de設she計ji。在zai某mou些xie情qing況kuang下xia,添tian加jia外wai部bu調tiao節jie可ke以yi進jin一yi步bu提ti高gao係xi統tong的de瞬shun態tai性xing能neng。將jiang其qi原yuan理li應ying用yong於yuMPQ4330,也驗證了該技術的有效性。
免責聲明:本文為轉載文章,轉載此文目的在於傳遞更多信息,版權歸原作者所有。本文所用視頻、圖片、文字如涉及作品版權問題,請聯係小編進行處理。
推薦閱讀:
- 噪聲中提取真值!瑞盟科技推出MSA2240電流檢測芯片賦能多元高端測量場景
- 10MHz高頻運行!氮矽科技發布集成驅動GaN芯片,助力電源能效再攀新高
- 失真度僅0.002%!力芯微推出超低內阻、超低失真4PST模擬開關
- 一“芯”雙電!聖邦微電子發布雙輸出電源芯片,簡化AFE與音頻設計
- 一機適配萬端:金升陽推出1200W可編程電源,賦能高端裝備製造
- 築基AI4S:摩爾線程全功能GPU加速中國生命科學自主生態
- 一秒檢測,成本降至萬分之一,光引科技把幾十萬的台式光譜儀“搬”到了手腕上
- AI服務器電源機櫃Power Rack HVDC MW級測試方案
- 突破工藝邊界,奎芯科技LPDDR5X IP矽驗證通過,速率達9600Mbps
- 通過直接、準確、自動測量超低範圍的氯殘留來推動反滲透膜保護
- 車規與基於V2X的車輛協同主動避撞技術展望
- 數字隔離助力新能源汽車安全隔離的新挑戰
- 汽車模塊拋負載的解決方案
- 車用連接器的安全創新應用
- Melexis Actuators Business Unit
- Position / Current Sensors - Triaxis Hall




