優化信號鏈的電源係統 — 第2部分:高速數據轉換器
發布時間:2021-06-03 來源:John Martin Dela Cruz 和 Patrick Errgy Pasaquian 責任編輯:wenwei
【導讀】在"電源係統優化"係列文章的 第1部分 ,我們介紹了如何量化電源噪聲靈敏度,以及如何將這些量值與信號鏈中產生的實際影響聯係起來。有人問到:高性能模擬信號處理器件要實現出色性能,真正的噪聲限值是多少?噪聲隻是設計配電網絡(PDN)時的一個可測量的參數。如 第1部分所述,如果單純隻是最小化噪聲,可能需要以增大尺寸、提高成本或者降低效率為代價。優化配電網絡可以改善這些參數,同時將噪聲降低到必要的水平。
本文在闡述高性能信號鏈中電源紋波的影響的基礎上進一步分析。我們將深入探討如何優化高速數據轉換器的配電網絡。
我們將對標準PDN與經過優化的PDN進行比較,了解在哪些方麵可以實現空間、時間和成本優化。後續文章將探討適合其他信號鏈器件(例如RF收發器)的特定優化解決方案。
AD9175雙通道12.6 GSPS高速數模轉換器的電源係統優化
AD9175 是一款高性能、雙通道、16位數模轉換器(DAC),支持高達12.6 GSPS的DAC采樣速率。該器件具有8通道、15.4 Gbps JESD204B數據輸入端口、高性能片內DAC時鍾倍頻器和數字信號處理功能,適合單頻段和多頻段直接至射頻(RF)無線應用。

圖1.集成在現成評估板上的AD9175高速DAC的標準PDN。
我們來看看如何為這個雙通道高速DAC優化PDN。圖1顯示安裝在現成評估板上的AD9175高速DAC的標準配電網絡。該PDN由一個ADP5054分立式四通道開關和三個低壓降(LDO)後置穩壓器構成。旨在驗證是否可以改進和簡化該PDN,同時確保其輸出噪聲不會導致DAC性能大幅下降。
AD9175需要8個電源軌,可以分為4組,分別是:
● 1 V模擬(2個電源軌)
● 1 V數字(3個電源軌)
● 1.8 V模擬(2個電源軌)
● 1.8 V數字(1個電源軌)
分析:噪聲要求
在(zai)我(wo)們(men)實(shi)施(shi)優(you)化(hua)之(zhi)前(qian),必(bi)須(xu)先(xian)了(le)解(jie)這(zhe)些(xie)電(dian)源(yuan)軌(gui)的(de)電(dian)源(yuan)靈(ling)敏(min)度(du)。我(wo)們(men)將(jiang)重(zhong)點(dian)討(tao)論(lun)模(mo)擬(ni)電(dian)源(yuan)軌(gui),因(yin)為(wei)相(xiang)比(bi)數(shu)字(zi)電(dian)源(yuan)軌(gui),它(ta)們(men)對(dui)噪(zao)聲(sheng)更(geng)加(jia)敏(min)感(gan)。
模擬電源軌的電源調製比(PSMR)如圖2所示。注意,1 V模擬電源軌在1/f頻率區域內較為敏感,而1.8 V模擬電源軌在開關轉換器的工作頻率範圍(100 kHz至約1 MHz)內更敏感。

圖2.1 V模擬電源軌和1.8 V模擬電源軌上的AD9175高速DAC PSMR。
一種優化方法是使用帶有LC濾波器的低噪聲開關穩壓器。圖3顯示 LT8650S Silent Switcher®穩壓器(帶和不帶LC濾波器)在展頻(SSFM)模式關閉時的傳導頻譜輸出。如 第1部分所述,SSFM可以降低開關頻率噪聲幅度,但會因為三角調製頻率在1/f區域產生噪聲峰值。由於1/f噪聲已小幅偏離該閾值,增加的噪聲可能超過此電源軌的最大允許紋波閾值。因此,不建議在這種情況下使用SSFM。最大允許電壓紋波閾值代表電源紋波電平,當超過該值時,DAC載波信號中的邊帶雜散將出現在DAC輸出頻譜的1 µV p-p本底噪聲上方。
從這些結果可以看出,開關穩壓器的1/f噪聲沒有超過1 V模擬電源軌的最大允許紋波閾值。此外,LC濾波器足以將LT8650S的基本開關紋波和諧波降至最大允許紋波閾值以下。

圖3.LT8650S傳導頻譜輸出與1 V模擬電源軌的最大允許紋波閾值之間的關係。
圖4顯示 LT8653S (帶和不帶LC濾波器)的傳導頻譜輸出。如圖所示,1.8 V電源軌的最大允許電壓紋波不會在AD9175輸出頻譜的1 µV p-p本底噪聲內產生雜散。可以看出,LT8653S的1/f噪聲沒有超過最大允許紋波閾值,LC濾波器足以將LT8653S的基本開關紋波和諧波降至最大允許紋波閾值以下。

圖4.LT8653S傳導頻譜輸出與1.8 V模擬電源軌的最大允許紋波閾值之間的關係。
結果:優化PDN
圖5顯示AD9175的優化配電網絡。旨在提高效率,降低空間要求以及圖1中PDN的功率損耗,同時實現AD9175出色的動態性能。噪聲目標是基於圖3和圖4所示的最大允許波紋閾值。
優化的配電網絡由LT8650S和LT8653S Silent Switcher穩壓器,以及模擬電源軌上的LC濾波器構成。在這個PDN中,1 V模擬電源軌由LT8650S的VOUT1供電,LT8650S後接LC濾波器;1 V數字電源軌直接由同一個LT8650S的VOUT2供電,其後無需連接LC濾波器。對於AD9175,其數字電源軌對電源噪聲不太敏感,因此可以在不降低DAC動態性能的情況下直接為這些電源軌供電。帶有LC濾波器的LT8653S直接為1.8 V模擬和1.8 V數字電源軌供電。
表1比較了優化PDN和標準PDN(如圖1所示,由一個四通道降壓開關和三個LDO穩壓器構成)的性能。從組件大小來看,優化後的解決方案比標準解決方案減小70.2%。此外,效率從69.2%提高到83.4%,整體節能1.0 W。
表1.AD9175優化PDN與標準PDN進行比較


圖5.AD9175高速DAC的優化PDN。
為了驗證優化PDN的噪聲性能是否足以滿足高性能技術規格要求,對AD9175進行相位噪聲評估,並檢測載波周圍邊帶雜散的DAC輸出頻譜。1如表2所示,相位噪聲檢測結果在數據手冊技術規格規定的限值內。AD9175輸出頻譜的載波頻率很幹淨,沒有可見的邊帶雜散,如圖6所示。

圖6.使用優化PDN的AD9175輸出頻譜(1.8 GHz、–7 dBFS載波)。
表2.使用圖5中的優化PDN時,AD9175在1.8 GHz載波下的相位噪聲

AD9213 10.25 GSPS高速模數轉換器的電源係統優化
AD9213是一款單通道、12位、6 GSPS或10.25 GSPS、射頻(RF)模數轉換器(ADC),具有6.5 GHz輸入帶寬。AD9213支持高動態範圍頻率和需要寬瞬時帶寬和低轉換誤差率(CER)的時域應用。AD9213具有16通道JESD204B接口,以支持最大帶寬能力。
圖7顯示現成評估板上AD9213高速ADC的標準配電網絡,由一個 LTM4644-1 µModule® 四通道開關和兩個線性穩壓器構成。 該解決方案的大小和能效都較為高效,但它還可以改進嗎?如本係列文章所述,優化的第一步是量化AD9213的靈敏度——即實際設置PDN輸出噪聲的限值,以免導致ADC性能大幅下降。在這裏,我們將介紹使用兩個µModule穩壓器的另一種替代PDN解決方案,並比較該方案與標準現成解決方案的性能。
AD9213 10 GSPS ADC需要15個不同的電源軌,這些電源軌可以分為4組:
● 1 V模擬(3個電源軌)
● 1 V數字(6個電源軌)
● 2 V模擬(2個電源軌)
● 2 V數字(4個電源軌)

圖7.集成在現成評估板上的AD9213高速DAC的標準PDN。
分析:噪聲要求
我們探討的優化解決方案使用兩個µModule穩壓器(LTM8024和LTM8074)和一個LDO後置穩壓器取代LTM4644-1 µModule四通道開關和兩個線性穩壓器。

圖8.在2.6 GHz載波頻率下,AD9213高速ADC的1 V模擬電源軌和2 V模擬電源軌的PSMR。
圖8顯示在2.6 GHz載波頻率下,AD9213的1 V模擬電源軌和2 V模擬電源軌的PSMR結果。1 V模擬電源軌的PSMR比2 V模擬電源軌更低,所以它更加敏感。
圖9顯示LTM8024(帶和不帶LDO穩壓器)在強製連續模式(FCM)下的頻譜輸出。圖中還顯示最大允許電壓紋波閾值的疊加不會在AD9213輸出頻譜的–98 dBFS本底噪聲中產生雜散。直接為1 V模擬電源軌供電時,LTM8024輸出中未經濾波的1/f噪聲和基波開關雜散超過了最大允許紋波閾值。
為LTM8024添加 ADP1764 LDO後置穩壓器可將1/f噪聲、基本開關紋波及其諧波降低至最大允許紋波閾值以下,如圖9所示。 需要在線性穩壓器輸入端提供一些裕量電壓。在本例中,從LTM8024輸出1.3 V至後置穩壓器的輸入。這個300 mV符合LDO穩壓器的推薦裕量電壓規格,同時能夠最大限度降低其功率損耗;比標準解決方案使用的500 mV更為合適。

圖9.LTM8024頻譜輸出與1 V模擬電源軌的最大允許紋波閾值之間的關係。
對於2 V電源軌:圖10顯示LTM8074 µModule穩壓器(帶和不帶LC濾波器)在強製連續模式下的頻譜輸出。圖中也顯示了最大允許電壓紋波閾值。此閾值代表電源紋波電平,當超過該值時,DAC載波信號中的邊帶雜散將出現在AD9213輸出頻譜的–98 dBFS本底噪聲上方。這裏,與1 V模擬電源軌類似,直接為2 V模擬電源軌供電時,穩壓器開關雜散會超過最大允許紋波閾值。但是,不需要LDO穩壓器,而是由LTM8074輸出端的LC濾波器將開關雜散降低至最大允許紋波閾值以下。

圖10.LTM8074頻譜輸出與2 V模擬電源軌的最大允許紋波閾值之間的關係。
結果:優化PDN
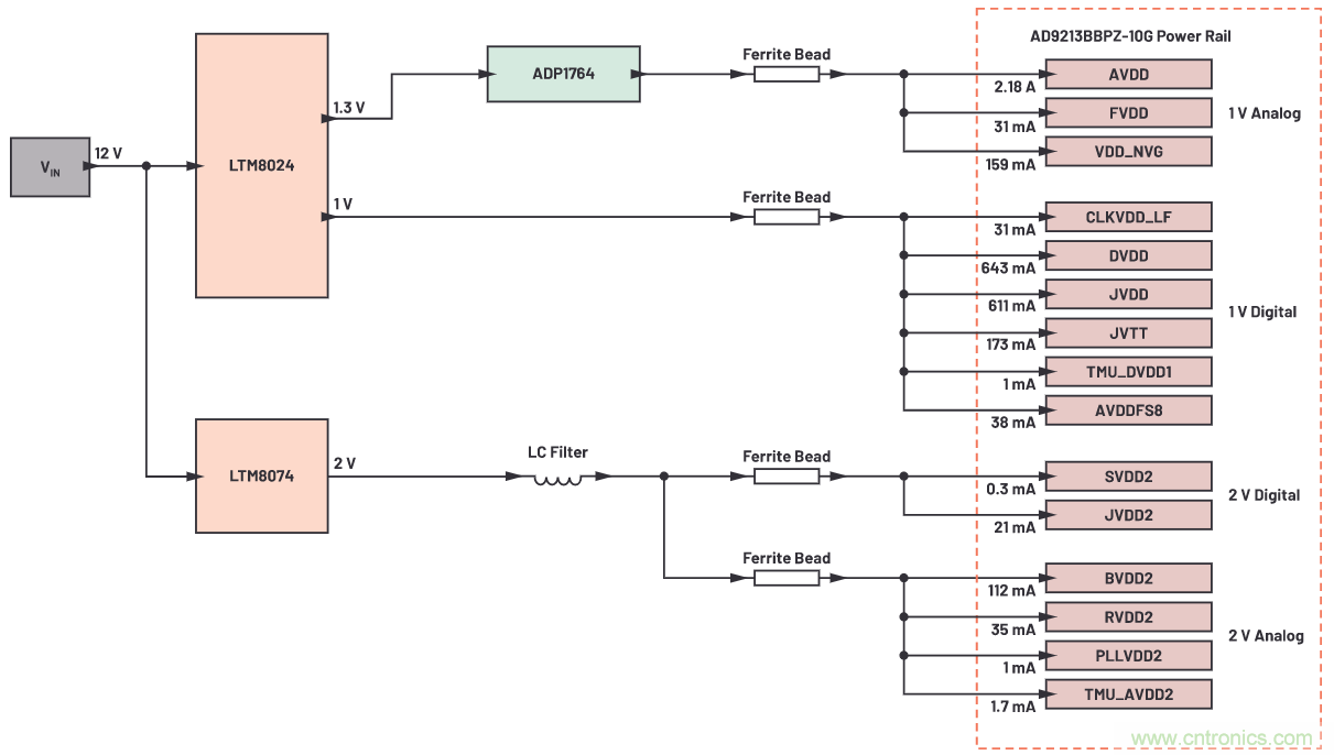
圖11顯示根據電源靈敏度評估結果得到的優化配電網絡。與標準解決方案一樣,它使用三個功率IC;在本例中,分別是LTM8024、LTM8074和ADP1764。在該解決方案中,LTM8024 µModule穩壓器VOUT1由ADP1764進行後置調節,以便為相對敏感的1 V模擬電源軌供電。1 V數字電源軌直接由LTM8024的VOUT2供電。與AD9175 DAC類似,AD9213的數字電源軌對電源噪聲不太敏感,因此可以直接為這些電源軌供電,並且不會降低DAC動態性能。帶有LC濾波器的LTM8074為2 V模擬和2 V數字電源軌供電。

圖11.AD9213高速ADC的優化PDN。
表3比較了優化PDN與現成標準PDN的性能。如圖7所示,標準PDN使用一個四通道降壓開關和兩個LDO穩壓器。組件大小減小15.4%,效率從63.1%提高到73.5%,整體節能1.0 W。
表3.AD9213高速ADC的優化PDN與標準PDN比較

為了驗證優化PDN的性能,從SFDR和SNR兩個方麵對AD9213進行評估,並檢查載波周圍邊帶雜散的FFT輸出頻譜。結果顯示,SNR和SFDR的性能在數據手冊給出的技術規格限值範圍內,如表4所示。圖12顯示AD9213的FFT輸出頻譜,其載波頻率很幹淨,沒有可見的邊帶雜散。
表4.使用圖11中的優化PDN時,AD9213在2.6 Ghz載波下的動態性能


圖12.使用圖11中的優化PDN時,AD9213的FFT頻譜(2.6 GHz、–1 dBFS載波)。
結論
高性能數據轉換器的現成評估板中包含配電網絡,旨在滿足這些信號處理IC的噪聲要求。即使這些評估板在設計時經過了仔細考量,配電網絡仍有改進的空間。本文研究了兩種PDN:一種適用於高速DAC,一種適用於高速ADC。與標準PDN相比,我們的優化方案在空間要求、效率,尤其是重要的熱性能方麵都有所改進。通過使用替代設計,或當前不可用的器件,可以進一步改善某些參數。請繼續關注"電源係統優化"係列文章,包括RF收發器的PDN優化。
參考電路
1 Patrick Errgy Pasaquian and Pablo Perez, Jr。"優化信號鏈的電源係統 — 第1部分: 多少電源噪聲可以接受?" 模擬對話,第55卷第1期,2021年3月。
Delos, Peter。"電源調製比揭秘:PSMR與PSRR有何不同?" ADI公司,2018年12月。
Delos、Peter和Jarrett Liner。"改進的DAC相位噪聲測量支持超低相位噪聲DDS應用" 模擬對話,第51卷第3期,2017年8月。
"數據轉換基本指南" ADI公司。
Umesh Jayamohan。 "為GSPS或RF采樣ADC供電:開關與LDO" ,ADI公司,2015年11月。
Limjoco、Aldrick、Patrick Errgy Pasaquian和Jefferson Eco。 "Silent Switcher µModule穩壓器為GSPS采樣ADC提供低噪聲供電,並節省一半空間" ADI公司,2018年10月。
Eco, Jefferson和Aldrick Limjoco。"鐵氧體磁珠揭秘" 模擬對話,第50卷第1期,2016年2月。
Umesh Jayamohan。 "高速ADC電源域非常見問題解答" 模擬對話,第52卷第2期,2018年5月。
免責聲明:本文為轉載文章,轉載此文目的在於傳遞更多信息,版權歸原作者所有。本文所用視頻、圖片、文字如涉及作品版權問題,請聯係小編進行處理。
推薦閱讀:
特別推薦
- 噪聲中提取真值!瑞盟科技推出MSA2240電流檢測芯片賦能多元高端測量場景
- 10MHz高頻運行!氮矽科技發布集成驅動GaN芯片,助力電源能效再攀新高
- 失真度僅0.002%!力芯微推出超低內阻、超低失真4PST模擬開關
- 一“芯”雙電!聖邦微電子發布雙輸出電源芯片,簡化AFE與音頻設計
- 一機適配萬端:金升陽推出1200W可編程電源,賦能高端裝備製造
技術文章更多>>
- 貿澤EIT係列新一期,探索AI如何重塑日常科技與用戶體驗
- 算力爆發遇上電源革新,大聯大世平集團攜手晶豐明源線上研討會解鎖應用落地
- 創新不止,創芯不已:第六屆ICDIA創芯展8月南京盛大啟幕!
- AI時代,為什麼存儲基礎設施的可靠性決定數據中心的經濟效益
- 築基AI4S:摩爾線程全功能GPU加速中國生命科學自主生態
技術白皮書下載更多>>
- 車規與基於V2X的車輛協同主動避撞技術展望
- 數字隔離助力新能源汽車安全隔離的新挑戰
- 汽車模塊拋負載的解決方案
- 車用連接器的安全創新應用
- Melexis Actuators Business Unit
- Position / Current Sensors - Triaxis Hall
熱門搜索
微波功率管
微波開關
微波連接器
微波器件
微波三極管
微波振蕩器
微電機
微調電容
微動開關
微蜂窩
位置傳感器
溫度保險絲
溫度傳感器
溫控開關
溫控可控矽
聞泰
穩壓電源
穩壓二極管
穩壓管
無焊端子
無線充電
無線監控
無源濾波器
五金工具
物聯網
顯示模塊
顯微鏡結構
線圈
線繞電位器
線繞電阻


