低壓電池監控器進入高壓電動汽車
發布時間:2020-12-02 來源:Christopher Gobok 責任編輯:wenwei
【導讀】如果您尚未駕駛過電動汽車(EV),包括混合動力電動汽車(HEV)、插電式混合動力汽車(PHEV)和he全quan電dian動dong汽qi車che,那na麼me很hen可ke能neng您nin就jiu快kuai要yao開kai上shang了le。裏li程cheng焦jiao慮lv已yi成cheng為wei過guo去qu。現xian在zai,您nin可ke以yi幫bang助zhu保bao護hu環huan境jing,而er不bu必bi擔dan心xin陷xian在zai其qi中zhong。世shi界jie各ge地di的de政zheng府fu都dou提ti供gong了le慷kang慨kai的de財cai政zheng激ji勵li措cuo施shi以yi抵di消xiao電dian動dong汽qi車che的de高gao價jia,希xi望wang能neng夠gou引yin導dao消xiao費fei者zhe不bu購gou買mai內nei燃ran機ji(ICE)汽qi車che。有you些xie政zheng府fu已yi采cai取qu措cuo施shi強qiang製zhi汽qi車che製zhi造zao商shang製zhi造zao和he銷xiao售shou電dian動dong汽qi車che,希xi望wang市shi場chang最zui終zhong由you電dian動dong汽qi車che主zhu導dao,而er有you些xie政zheng府fu則ze製zhi定ding了le更geng明ming確que的de目mu標biao。例li如ru,德de國guo已yi經jing努nu力li推tui動dong在zai2030年之前禁止ICE汽車。
電動汽車
如果您尚未駕駛過電動汽車(EV),包括混合動力電動汽車(HEV)、插電式混合動力汽車(PHEV)和he全quan電dian動dong汽qi車che,那na麼me很hen可ke能neng您nin就jiu快kuai要yao開kai上shang了le。裏li程cheng焦jiao慮lv已yi成cheng為wei過guo去qu。現xian在zai,您nin可ke以yi幫bang助zhu保bao護hu環huan境jing,而er不bu必bi擔dan心xin陷xian在zai其qi中zhong。世shi界jie各ge地di的de政zheng府fu都dou提ti供gong了le慷kang慨kai的de財cai政zheng激ji勵li措cuo施shi以yi抵di消xiao電dian動dong汽qi車che的de高gao價jia,希xi望wang能neng夠gou引yin導dao消xiao費fei者zhe不bu購gou買mai內nei燃ran機ji(ICE)汽qi車che。有you些xie政zheng府fu已yi采cai取qu措cuo施shi強qiang製zhi汽qi車che製zhi造zao商shang製zhi造zao和he銷xiao售shou電dian動dong汽qi車che,希xi望wang市shi場chang最zui終zhong由you電dian動dong汽qi車che主zhu導dao,而er有you些xie政zheng府fu則ze製zhi定ding了le更geng明ming確que的de目mu標biao。例li如ru,德de國guo已yi經jing努nu力li推tui動dong在zai2030年之前禁止ICE汽車。
在汽車的大部分曆史中,創新一直聚焦於提供舒適的用戶體驗,提高ICE的燃油燃燒效率,以及使排放物更清潔。然而,ICE汽車的最近創新的絕大部分是電子技術進步的直接結果,包括底盤係統、動力傳動係統、自動駕駛和高級駕駛員輔助係統(ADAS)、信息娛樂和安全係統的改進。EV的許多電子係統與ICE車輛相同,當然還有傳動係統本身。根據Micron Technology的數據,電動汽車價值中的電子部分高達75%,隨著半導體技術持續發展,導致各種電子模塊和子係統的成本不斷降低,該部分的價值會越來越高。甚至非傳統的汽車玩家,例如Intel®,也要分一杯羹。
毫不奇怪,在電動汽車的所有電子子係統中,製造商和消費者都特別關注電動汽車的心髒——電池係統。電池係統包括可充電電池本身——鋰離子(Li-Ion)電池是當前主流——及電池管理係統(BMS),後者旨在最大程度地提高電池使用率和安全性。ADI公司的BMS解決方案是電池監控的主流產品。ADI公司通過豐富的智能BMS IC產品係列來提升新一代EV BMS設計, LTC2949 EV電池組監控器是其最新產品。
BMS監控
BMS的主要功能是監控電池狀態,對電動汽車而言,就是監視超大電池組或電池堆。BMS通常監控單個電芯和電池組的電壓、電流、溫度、荷電狀態(SOC)、健康狀態(SOH)及其他相關功能,例如冷卻液流量。BMS除了具有明顯的安全和性能優勢外,精確監控這些參數一般還能帶來更好的駕駛體驗,讓駕駛員充分了解電池實時狀況。
為了獲致成效,BMS測量電路(例如新型LTC2949電池組監控器)必須精準快速,具有高共模電壓抑製能力,功耗低,並能與其他器件安全通信。EV BMS的其他任務包括:將能量回收到電池組中(即再生製動),平衡電芯,保護電池組免受危險電壓、電流和溫度水平的影響,以及與其他子係統(如充電器、負載、熱管理、緊急關停)通信。
汽車製造商使用多種BMS監視拓撲來滿足其對準確性、可靠性、易製造性、成本和功耗的需求。例如,圖1所示的分布式拓撲具有以下突出特點:通過本地智能實現高精度,串聯電池組提供高可製造性,以及通過低功耗SPI和isoSPI™接口進行IC間通信,實現最低功耗和高可靠性。
其中,LTC2949用於低端電流檢測配置,isoSPI通信線路與底部的電池監視器LTC6811-1 並行。為了提高可靠性,可以將第二個isoSPI收發器連接到電池組的頂部,創建一個支持雙向通信的環形拓撲,從而實現雙通道通信方案。與SPI主控製器的隔離通信通過 LTC6820 isoSPI轉SPI信號轉換器實現。ADI公司的可堆疊LTC681x係列多節電池監控器可用於測量多達6、12、15或18節串聯電芯各自的電壓,而單個LTC2949用於測量總電池堆參數。LTC681x和LTC2949共同構成一個全麵的EV BMS監控解決方案;對有些人來說,該電路的更熟悉名稱是BMS模擬前端(AFE)。


圖1.采用LTC6811-1和LTC2949的分布式EV BMS監控拓撲。
LTC2949專為EV設計,是一款高精度電流、電壓、溫度、電荷、功率、電能計量器件。通過測量這些關鍵參數,係統設計人員就有了必要的數據來計算整個電池堆的實時SOC和SOH以及其他品質因數。圖2給出了用在高邊電流檢測配置中的LTC2949的框圖。這裏,LTC2949采用可調浮動拓撲,因而能夠監視電壓非常高的電池堆,而不受其自身的14.5 V電壓額定值的束縛。LTC2949的電源通過 LT8301 隔離反激式轉換器提供,VCC連接到電池正極。

圖2.高邊電流檢測配置中LTC2949浮動EV電池監控器的典型連接。LTC2949的電源由LT8301反激式轉換器提供,VCC連接到電池正極。
超越模擬
駕駛員會喜歡LTC2949的數字輸出和精度,而係統設計人員會喜歡LTC2949的模擬性能以及將其無縫集成到幾乎所有EV BMS中的能力。LTC2949的核心是五個軌到軌、低失調、Σ-Δ ADC,可確保精確測量電壓。在這五個ADC中,兩個20位ADC可用來測量兩個檢測電阻上的電壓(如圖2所示),並以令人吃驚的0.3%精度推斷出流過兩個獨立電源軌的電流。LTC2949具有小於1 µV的失調電壓,而且能提供異常高的動態範圍。同樣,電池堆的總電壓測量可達18位和0.4%的精度。兩個專用功率ADC檢測分流和電池堆電壓輸入,產生精度為0.9%的功率讀數。最後一個15位ADC可用來測量多達12個輔助電壓,方便與外部溫度傳感器或電阻分壓器一起使用。利用內置多路複用器,LTC2949可在12個緩衝輸入的任何一對之間以0.4%的精度執行差分軌到軌電壓測量。
為了簡化設置,LTC2949的五個ADC形成三個數據采集通道。每個通道可以根據應用需要配置為兩種速度之一,如表1所示。例如,可以使用兩個通道監視單個分流電阻:一個通道用於慢速(100 ms)高精度電流、功率、電荷和電能測量;另一個用於快速(782μs)電流快照,與電池堆電壓測量同步,以進行阻抗跟蹤或預充電測量。或者,兩個獨立通道監視兩個不同大小的分流電阻(同樣如圖2所示),shideyonghukeyipinghengmeigefenliudianzudejingduhegonglvsunhao。tongshi,disangefuzhutongdaokeyiduikexuandehuanchongshurujinxingkuaisuceliang,huozheduilianggekepeizhishuru(堆電壓、芯片溫度、電源電壓和基準電壓)進行自動輪循(RR)測量。
表1.LTC2949三個數據采集通道的配置選項

當LTC2949的三個數據采集通道中的任何一個被配置為快速模式(782μs轉換時間和15位分辨率)時,LTC2949可以將其電池堆電壓和電流測量與任何LTC681x多節電池監控器的電池電壓測量同步,以推斷出單個電芯的阻抗、壽命和SOH。有了這些信息,就可以評估電池堆壽命,因為最弱的電芯最終決定整個電池堆的SOH。
SOH是在電池(或電池堆)生命周期的某一時刻對其狀況(相對於新電池)的測量,因此使用精確的EV BMS監控器很重要,這不僅是為了最大程度地延長行駛裏程,也是為了最大程度地減少電池意外故障。說到電池壽命,LTC2949在開啟時僅消耗16 mA電流,而在睡眠時僅消耗8 µA電流。
數字優勢
LTC2949的數字特性包括一個過采樣乘法器和累加器,產生18位的功率值和48位的電能與電荷值,報告最小值和最大值以及基於用戶自定義限值的警報。這就免除了BMS控製器和總線不斷輪詢LTC2949以獲得電壓和電流數據的任務,而且免除了基於結果執行計算的額外任務。LTC2949以過采樣ADC時鍾速率(預抽取濾波器)進行功率采樣,而不是乘以平均值,故而在電流和電壓變化遠超其轉換速率的情況下可以準確測量功率,信號頻率最高可達50kHz。
LTC2949跟蹤電流、電壓、功率和溫度數據的最小值和最大值,所以總線和主機可以將時鍾周期花在其他任務上,而不用持續輪詢LTC2949。除了檢測並存儲最小值和最大值之外,LTC2949haikeyizaichaochuyonghuzidingyiyuzhishifachujingbao,zhetongyanghuimianchuzhujikongzhiqihezongxiandelunxunrenwu。zaitigongzhidingdediannenghuodianheliangzhihou,huozhejingguoyushedeshijianliangzhihou,LTC2949也能產生溢出警報。
為確保監控精度,LTC2949提供了多個可編程增益校正因子來補償測量器件的容差:兩個校正因子用於分流電阻、一個電池分壓器和四個多路複用輸入。這些校正因子可以存儲在外部EEPROM中,支持通過模塊化方法對電池組進行出廠校準。此外,LTC2949可以線性化最多兩個外部NTC熱敏電阻的溫度讀數,即通過求解帶可編程係數的Steinhart-Hart方程;這(zhe)些(xie)讀(du)數(shu)隨(sui)後(hou)可(ke)用(yong)於(yu)對(dui)分(fen)流(liu)電(dian)阻(zu)讀(du)數(shu)進(jin)行(xing)自(zi)動(dong)溫(wen)度(du)補(bu)償(chang)。通(tong)過(guo)持(chi)續(xu)補(bu)償(chang)容(rong)差(cha)和(he)溫(wen)度(du)影(ying)響(xiang),不(bu)僅(jin)可(ke)以(yi)提(ti)高(gao)監(jian)測(ce)精(jing)度(du),而(er)且(qie)可(ke)以(yi)使(shi)用(yong)成(cheng)本(ben)較(jiao)低(di)的(de)外(wai)部(bu)器(qi)件(jian)。
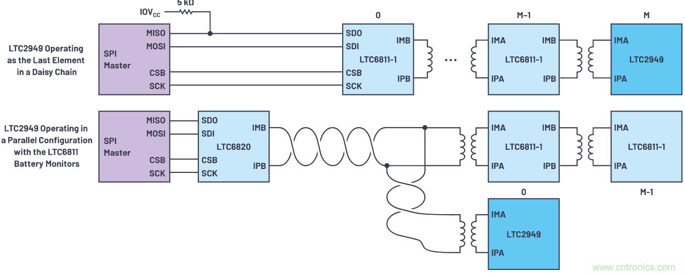
LTC2949上有一個標準SPI接口用於直接連接MCU。另外還有ADI公司專有的isoSPI接口。isoSPI對標準芯片級SPI的物理層進行了調適,以充分發揮經濟高效的分布式電池組架構的潛力。isoSPI針對高電壓和高噪聲係統而設計,可在長達100米的電纜上提供高達1 Mbps的安全可靠的信息傳輸,僅使用單根雙絞線電纜和簡單的脈衝變壓器。isoSPI還比其他板載隔離解決方案便宜。圖3顯示了LTC2949如何利用isoSPI,其與LTC6811-1一起用作菊花鏈或可尋址並行配置中的最後一個元件。

圖3.LTC2949 isoSPI配置
結論
電動汽車漸成主流,大規模應用的拐點已經到來。為了保持競爭力,係統設計人員需要密切關注電池和BMS技術,這些技術會深刻影響終端用戶的體驗。LTC2949是ADI公司在BMS監控領域的最新嚐試,它能輕鬆應對多種電池堆監控拓撲和配置。在幾乎任何電壓和任何電流水平下,LTC2949都能實現高性能、安全、靈活、可靠的電池管理係統。通過準確讀取電流、電壓、功率、電能、電荷、溫度和時間,可以立即獲得對電池SOH和SOC的精確評估。LTC2949除具有強大的模擬能力外,還能對可用數字輸出進行高速處理。關鍵的最小值、最大值和警報可以測量、計算並通過魯棒的isoSPI接口報告給LTC2949。因此,對主機資源、總線設計和測試以及軟件設計的要求得以降低。該器件的一些數字特性包括乘法器、累加器、最小值/最大值寄存器、可配置的警報以及外部器件容差/溫度補償。LTC2949設計為獨立工作或與任何LTC681x多節電池監控器配合使用,在滿足嚴格的AEC-Q100準則和ISO 26262安全標準的同時,滿足了對下一代EV BMS的迫切需求。
推薦閱讀:
特別推薦
- 噪聲中提取真值!瑞盟科技推出MSA2240電流檢測芯片賦能多元高端測量場景
- 10MHz高頻運行!氮矽科技發布集成驅動GaN芯片,助力電源能效再攀新高
- 失真度僅0.002%!力芯微推出超低內阻、超低失真4PST模擬開關
- 一“芯”雙電!聖邦微電子發布雙輸出電源芯片,簡化AFE與音頻設計
- 一機適配萬端:金升陽推出1200W可編程電源,賦能高端裝備製造
技術文章更多>>
- 算力爆發遇上電源革新,大聯大世平集團攜手晶豐明源線上研討會解鎖應用落地
- 築基AI4S:摩爾線程全功能GPU加速中國生命科學自主生態
- 一秒檢測,成本降至萬分之一,光引科技把幾十萬的台式光譜儀“搬”到了手腕上
- AI服務器電源機櫃Power Rack HVDC MW級測試方案
- 突破工藝邊界,奎芯科技LPDDR5X IP矽驗證通過,速率達9600Mbps
技術白皮書下載更多>>
- 車規與基於V2X的車輛協同主動避撞技術展望
- 數字隔離助力新能源汽車安全隔離的新挑戰
- 汽車模塊拋負載的解決方案
- 車用連接器的安全創新應用
- Melexis Actuators Business Unit
- Position / Current Sensors - Triaxis Hall
熱門搜索






