如何提高ANY-OUT可編程輸出電壓器件的分辨率
發布時間:2020-10-12 來源:Xavier Ramus 責任編輯:wenwei
【導讀】您可利用可調節 LDO 創建任意輸出電壓。不過,對於 TPS7A8300、TPS7A7100、TPS7A7200 以及 TPS7A7300 等 ANY-OUT 可編程輸出電壓器件而言,情況並非如此,其範圍和分辨率都是有限的。對於這四款器件,您可使用它們的通用反饋架構提高分辨率。
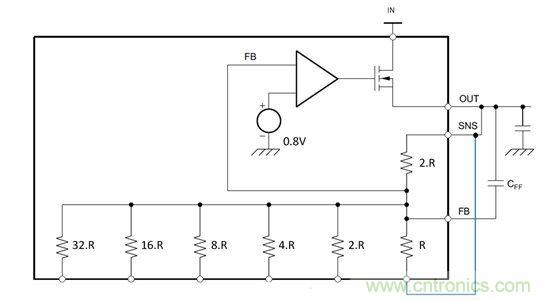
下圖是通用反饋架構:

圖 1:ANY-OUT 架構
我以 TPS7A83 的值為例。注意,參考電壓基本上由放大器周圍的增益放大。反饋電阻器在這裏設置為 2.R,增益電阻器可以選擇。此外,增益電阻器還可進行二進製加權。如果將阻值為 R 的增益電阻器連接至接地,那參考電壓的增益就將為 1+(2.R)/R=3,輸出將調節為 0.8V ×3= 2.4V。
由於增益電阻器可進行二進製加權,因此每個連接至接地的增益電阻器都會有
的貢獻。當有多個電阻連接至接地時,可通過疊加來確定輸出電壓。
最小分辨率由最大增益電阻器提供。在 TPS7A83 應用中,最小分辨率為
。
請注意,到目前為止,並沒有任何新信息,因為所有這些信息都直接來自產品說明書。查看 TPS7A83 說明書中的表 2,您可看到連接至接地的電阻器不同組合對應的輸出電壓。
我們來進行進一步探討,看看如何針對該問題進行擴展。
開始提到的四款器件還有一個特征,即能將傳感及反饋引腳引出。我們先來看看如何使用傳感引腳提高輸出電壓分辨率。
tigaoshuchudianyafenbianlvyouliangzhongshezhifangfa,shouxianshishiyongpianshangzujianbangzhujinkenengshixianzuijingxidefenbianlv,lingyizhongfangfashitongguotianjiayigewaibudianzuqilaitigaofenbianlv。
圖 2 是第一種電路配置。將 2.R 反饋電阻器與最小增益電阻器並聯,將創建一款阻值為
的新反饋電阻器。該電阻器值與最大增益電阻器 32.R 相結合,將為 TPS7A83xx 提供 20.83mV 的分辨率。

圖 2:第 1 種分辨率提高的電路
該配置的輸出電壓範圍從最初的 [0.8V +3.95V] 縮小為 [0.8V +1.445V]。注意,內部電阻器網絡設置的 TPS7A8300 的 ±1% 誤差精度可轉換為 ±8mV 的最小電壓誤差精度。這仍然至少比 ANY-OUT 可編程電壓分辨率好 2 倍。
該配置還有另外一種變量,即將 2.R 反饋電阻與 2.R 增益電阻並聯實現的 25mV 最小分辨率是可編程電壓。不過,這樣做的不便之處在於 ANY-OUT 的可編程範圍被分成了兩部分。對於 25mV 的分辨率而言,該範圍是 [0.8 1.175V] 和 [1.6V 1.975V]。
第二種電路配置可充分發揮提供反饋引腳的優勢,能夠幫助您連接其它增益設置電阻。添加一個 64.R 電阻器後,分辨率將提高至 25mV。一款 128.R 電阻器可將分辨率提高至 12.5mV,由於 TPS7A8300 的器件精確度問題,我認為該值也是可編程極限。
現在,查看電阻器值以及內外部電阻器間的熱梯度匹配情況,便可同時獲得最初電壓範圍與更高分辨率。

圖 3:第 2 種分辨率提高的電路
有了這兩種不同的方法,您即可提高可編程分辨率,也可最大限度減少所需外部組件的數量。
推薦閱讀:
特別推薦
- 噪聲中提取真值!瑞盟科技推出MSA2240電流檢測芯片賦能多元高端測量場景
- 10MHz高頻運行!氮矽科技發布集成驅動GaN芯片,助力電源能效再攀新高
- 失真度僅0.002%!力芯微推出超低內阻、超低失真4PST模擬開關
- 一“芯”雙電!聖邦微電子發布雙輸出電源芯片,簡化AFE與音頻設計
- 一機適配萬端:金升陽推出1200W可編程電源,賦能高端裝備製造
技術文章更多>>
- 一秒檢測,成本降至萬分之一,光引科技把幾十萬的台式光譜儀“搬”到了手腕上
- AI服務器電源機櫃Power Rack HVDC MW級測試方案
- 突破工藝邊界,奎芯科技LPDDR5X IP矽驗證通過,速率達9600Mbps
- 通過直接、準確、自動測量超低範圍的氯殘留來推動反滲透膜保護
- 從技術研發到規模量產:恩智浦第三代成像雷達平台,賦能下一代自動駕駛!
技術白皮書下載更多>>
- 車規與基於V2X的車輛協同主動避撞技術展望
- 數字隔離助力新能源汽車安全隔離的新挑戰
- 汽車模塊拋負載的解決方案
- 車用連接器的安全創新應用
- Melexis Actuators Business Unit
- Position / Current Sensors - Triaxis Hall
熱門搜索
按鈕開關
白色家電
保護器件
保險絲管
北鬥定位
北高智
貝能科技
背板連接器
背光器件
編碼器型號
便攜產品
便攜醫療
變容二極管
變壓器
檳城電子
並網
撥動開關
玻璃釉電容
剝線機
薄膜電容
薄膜電阻
薄膜開關
捕魚器
步進電機
測力傳感器
測試測量
測試設備
拆解
場效應管
超霸科技




