在提高精度和延長運行時間的同時提高電池安全性的下一代電池監控器
發布時間:2020-03-02 來源:Terry Sculley 責任編輯:wenwei
【導讀】近年來,諸如吸塵器、電動工具(如鑽頭、鋸子和螺絲刀)和園藝工具(如割草機、修邊機和草坪拖拉機)dengxiaofeipinyicongyikaoshengsuoheqiangbigongdianzhuanbianweiwushengshebeihechongdiandianchigongdian。jishishiyiqianmeiyoudonglidezixingche,xianzaiyezaixiangdianchiqudongdediandongzixingchehediandongmotuochezhuanbian。
這些電池組通常由單塊鋰離子電池、鋰li聚ju合he物wu電dian池chi或huo磷lin酸suan鋰li電dian池chi構gou成cheng,如ru果guo使shi用yong不bu當dang可ke能neng會hui造zao成cheng危wei險xian,從cong而er導dao致zhi火huo災zai或huo爆bao炸zha。為wei確que保bao電dian池chi的de安an全quan使shi用yong,電dian池chi組zu內nei的de電dian子zi器qi件jian對dui電dian池chi進jin行xing監jian控kong,使shi電dian池chi僅jin在zai電dian池chi製zhi造zao商shang規gui定ding的de條tiao件jian下xia運yun行xing。這zhe些xie條tiao件jian通tong常chang包bao括kuo:
● 最大允許充電電壓
● 最大充放電電流
● 規定的充放電溫度範圍
因此,測量電池組內的關鍵參數至關重要,尤其是電池組內電池電壓、電流和溫度,因為這些參數超過極限值時,將會觸發適當的保護措施。
測量數據必須準確,以便設計人員決定在設計中包含多少裕度。例如,如果電池規格將全充電電壓限製為4.3V,但測量數據的精度為±50 mV,則設計人員必須將係統配置為在測量顯示電壓高於4.25V時禁用充電。但是,由於實際電池電壓可能低至4.2V,在這種情況下,充電會在電池充滿電之前停止,從而導致應用容量的浪費和電池壽命縮短。
BQ76942和BQ76952等電池組的高精度電池監視器和保護器專為使用鋰離子、鋰聚合物或磷酸鋰電池的應用設計。這些設備支持從3s到10s(BQ76942)和16s(BQ76952)的串聯電池組,可以測量電池電壓、電流和溫度,並可以與其他電路共享數據,例如電池組中的獨立微控製器或電動自行車中的係統控製器。BQ76942和BQ76952還(hai)可(ke)以(yi)使(shi)用(yong)數(shu)據(ju)自(zi)動(dong)觸(chu)發(fa)電(dian)池(chi)保(bao)護(hu),禁(jin)用(yong)電(dian)池(chi)組(zu)以(yi)避(bi)免(mian)超(chao)出(chu)製(zhi)造(zao)商(shang)規(gui)範(fan)運(yun)行(xing),並(bing)在(zai)條(tiao)件(jian)允(yun)許(xu)時(shi)重(zhong)新(xin)啟(qi)用(yong)電(dian)池(chi)組(zu),無(wu)論(lun)是(shi)否(fou)與(yu)主(zhu)機(ji)或(huo)係(xi)統(tong)微(wei)控(kong)製(zhi)器(qi)交(jiao)互(hu)。
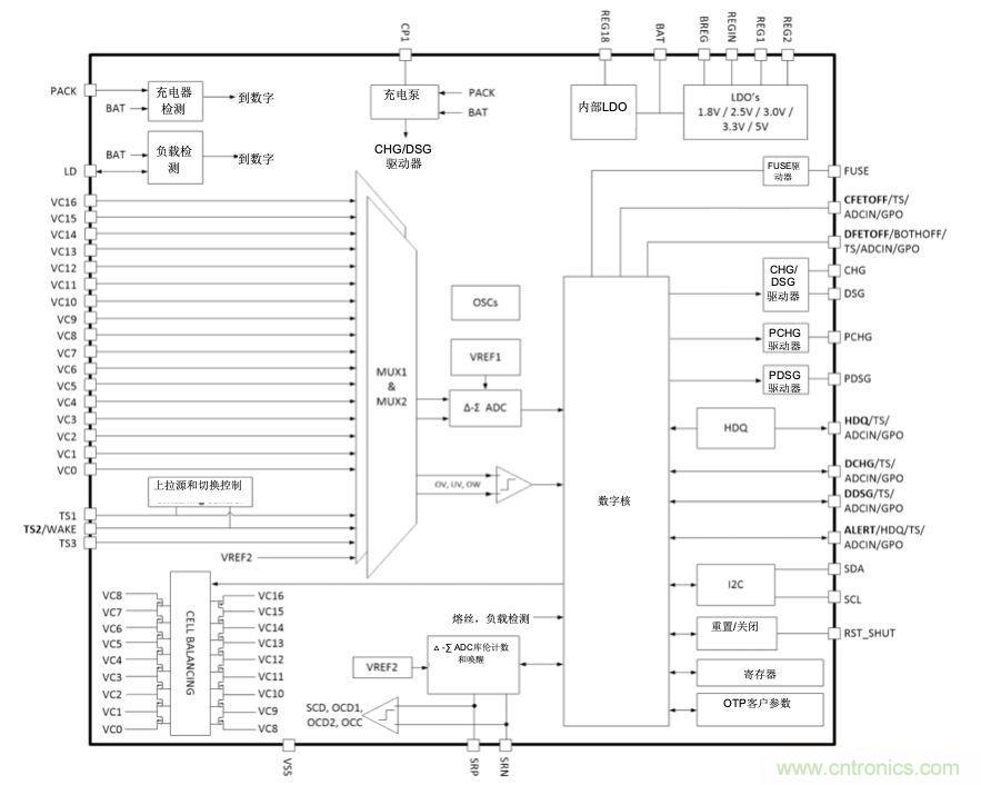
圖1展示了BQ76952的框圖,其集成了:
● 測量和檢測子係統,用於監測電壓、電流和溫度,以便在參數超過允許閾值時進行檢測。
● 驅動外部保護FET和化學熔絲的執行器。
● 一個數字主機接口子係統,除了用於選擇功能的引腳控件外,還支持多個串行通信標準。
● 多個電壓調節器,一個用於內部電路,兩個供外部使用。

圖1:BQ76952框圖
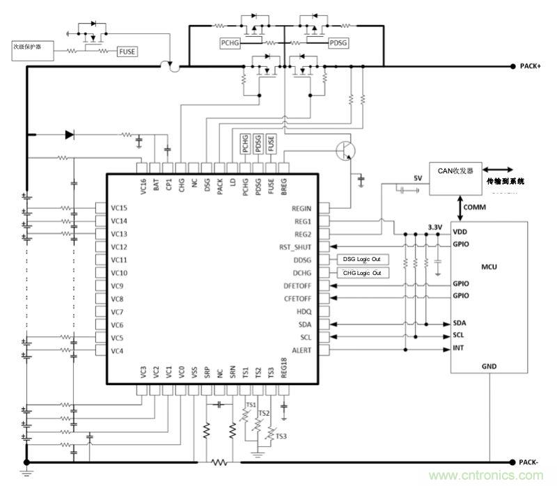
圖2顯示了基於BQ76952的16s電池組的簡化原理圖,使用I2C與主微控製器通信。集成調節器為微控製器和可選的外部收發器提供電源軌。

圖2:基於BQ76952的16s係統簡化原理圖
BQ76942和BQ76952中的測量子係統將電池組內的各種電壓、電dian流liu和he溫wen度du數shu字zi化hua。由you於yu每mei個ge測ce量liang都dou有you特te定ding的de要yao求qiu,因yin而er這zhe些xie測ce量liang是shi以yi不bu同tong的de方fang式shi獲huo得de的de。例li如ru,溫wen度du變bian化hua緩huan慢man,因yin此ci可ke以yi緩huan慢man地di進jin行xing測ce量liang和he計ji算suan。然ran而er,電dian池chi組zu電dian流liu可ke能neng有you短duan脈mai衝chong活huo動dong,如ru果guo不bu連lian續xu采cai樣yang,可ke能neng會hui遺yi漏lou。
處理電壓和庫侖計數器ADC生成的值,以提供測量數據,這些數據在設備內使用,並可供電池組內的單獨處理器、電動工具或電動自行車中的係統控製器訪問。這些數據包括:
● 單塊電池的差分電壓和選擇額外的係統電壓。
● 電池組電流和通過的電荷(庫侖計數)。
● 內部裸片和9個外部熱敏電阻溫度讀數。
支持外部熱敏電阻測量的引腳也可用於通用ADC輸入,支持不超過~1.8V的輸入電壓。電壓ADC在測量回路上工作,且輸入在多個輸入之間定期多路複用。BQ76942和BQ76952的測量子係統包括多個可編程選項,可以在測量速度和精度之間進行優化和權衡。
隨著電池供電的消費品越來越流行,確保它們在安全電壓、電流和溫度範圍內運行至關重要。具有集成功能的電池監視器可以幫助設計工程師在提高精度的同時解決這三個關鍵問題。有關使用TI電池監視器進行設計的更多信息,請查看下麵的其他資源。
本文轉載自德州儀器。
推薦閱讀:
特別推薦
- 噪聲中提取真值!瑞盟科技推出MSA2240電流檢測芯片賦能多元高端測量場景
- 10MHz高頻運行!氮矽科技發布集成驅動GaN芯片,助力電源能效再攀新高
- 失真度僅0.002%!力芯微推出超低內阻、超低失真4PST模擬開關
- 一“芯”雙電!聖邦微電子發布雙輸出電源芯片,簡化AFE與音頻設計
- 一機適配萬端:金升陽推出1200W可編程電源,賦能高端裝備製造
技術文章更多>>
- 貿澤EIT係列新一期,探索AI如何重塑日常科技與用戶體驗
- 算力爆發遇上電源革新,大聯大世平集團攜手晶豐明源線上研討會解鎖應用落地
- 創新不止,創芯不已:第六屆ICDIA創芯展8月南京盛大啟幕!
- AI時代,為什麼存儲基礎設施的可靠性決定數據中心的經濟效益
- 矽典微ONELAB開發係列:為毫米波算法開發者打造的全棧工具鏈
技術白皮書下載更多>>
- 車規與基於V2X的車輛協同主動避撞技術展望
- 數字隔離助力新能源汽車安全隔離的新挑戰
- 汽車模塊拋負載的解決方案
- 車用連接器的安全創新應用
- Melexis Actuators Business Unit
- Position / Current Sensors - Triaxis Hall
熱門搜索



