TMC5160控製/驅動IC 讓步進電機性能更強大
發布時間:2019-11-25 責任編輯:wenwei
【導讀】隨著自動化設備機器人與工業驅動、工廠和自動化、高速3D打印機、辦公自動化、安防監控等各個領域的廣泛應用,產品更新迭代變得越來越快,市場對步進電機的要求也趨於苛刻,不僅要求低噪聲、運行平穩、高能效、高速度高扭矩,還要求具備小尺寸、低成本等特性。
對此,專注運動控製和驅動領域的半導體公司Trinamic推出了一款帶串行通信接口的高功率步進電機控製驅動芯片TMC5160, 將實現自動目標定位的靈活斜坡發生器和業界最先進的步進電機驅動器結合在一起。通過外置MOSFET,實現高動態、高扭矩電機驅動。Trinamic先進的spreadCycle和stealthChop斬波器、驅動器,可以絕對無噪音地運行,並實現最大效率和最佳電機扭矩控製。TMC5160的高集成度、高能效和小外形尺寸的特性,使係統小型化和性能可擴展變得可行,從而讓經濟、高效的解決方案得以實現。完整的解決方案在實現高性能基礎上,能將學習時間盡可能縮短,加快產品上市時間。

圖1:TMC5169有兩種封裝、高集成、高能效
Trinamic授權代理商——Excelpoint世健公司的高級產品經理葉虹介紹:“簡單易用和成本效益原則是Trinamic設計師在設計步進電機驅控芯片時的指導方針。TMC5160將強大的步進電機驅動器和運動控製器集成在一塊芯片上,將數字信息直接轉換為平滑、精確、可靠的物理運動,被廣泛地用於機器人、工業驅動、紡織、縫紉機、包裝、工廠和實驗室自動化、高速 3D 打印機、液體處理、醫療、辦公自動化、視頻監控、自動取款機和現金回收機等應用中。”
應用:高壓-多用途
TMC5160具有完整的運動控製功能、強大的外部MOSFET驅動和高質量的電流調節。它提供了多種用途,涵蓋了從電池供電的高效係統到20安培電機線圈電流的嵌入式應用。TMC5160包含驅動電機所需的全部功能,可配置為位置模式或速度模式,支持TRINAMICs獨有的stallGuard2, coolStep, dcStep, spreadCycle和stealthChop功能,優化了驅動器性能,平衡了速度和電機扭矩,優化能源效率、驅動平穩且無噪音。TMC 5160的集成度高、尺寸小、成本降低,可滿足小型化布板需求。芯片、控製板和軟件級別的廣泛支持,使競爭產品能夠縮短設計周期、快速上市。高能效和可靠性可簡化相關係統(如電源和冷卻係統)設計,並節約成本。TMC5130提供1.4A的電機電流,適合功率較小的應用,軟件與TMC5160兼容。
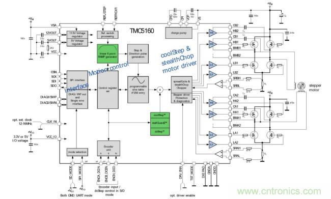
1.TMC5160針對單個步進電機的小型化設計

圖2:TMC5160針對單個步進電機的小型化設計
TMC5160 ABN編碼器接口和兩個參考開關輸入用於確保電機正確運動,編碼器有位置偏差時,可自動發出中斷。
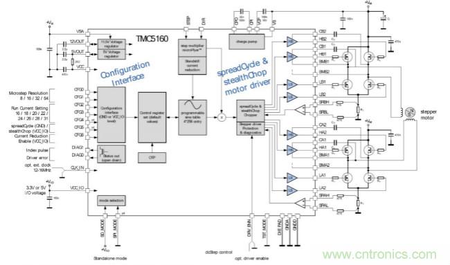
2.TMC5160驅動多個步進電機的緊湊型設計

圖3:TMC5160驅動多個步進電機的緊湊型設計
上圖是驅動兩個步進電機的應用。每個電機帶一個ABN編碼器接口和兩個參考開關。如果運動電機不需要實時任務,可用一個CPU控製整個係統。CPU板和控製器/驅動器板之間的連接經濟且節省空間。
TMC5160運動控製和驅動芯片是CPU和大功率步進電機之間的智能功率接口器件。所有步進電機邏輯完全在TMC5160內,不需要軟件來控製電機——隻需提供目標位置。TMC5160提供了許多獨特的增強功能,這些功能通過集成的控製驅動器得以實現。TMC5160的六點斜坡發生器自動使用stealthChop、dcStep、coolStep和stallGuard2,來優化每個電機的運動。TMC5160將TMC2100、TMC2130 和 TMC5130 係列擴展 到更高的電壓和更高的電機電流。
TMC5160提供三種基本操作模式:
模式1: 全功能運動控製和驅動器
所有步進電機邏輯完全在TMC5160內,不需要軟件來控製電機——隻需提供目標位置。SD_ MODE接地使能此模式。

圖4:TMC5160基本應用框圖(運動控製器)
模式2: 脈衝和方向驅動器
像TMC 4361這樣的外部高性能S-ramp運動控製器或CPU產生與係統內其他部件(如電機)同步的脈衝和方向信號。TMC5160控製電流和運動模式,並反饋電機狀態。microPlyer自動平滑運動。SD _ MODE接高電平使能此模式。

圖5:TMC5160步進/方向模式應用框圖
模式3: 簡單的步進和方向驅動器
TMC5160根據步進和方向信號控製電機。microPlyer自動平滑運動。不需要CPU;配置由硬件引腳完成。靜止保持電流控製由TMC5160完成。可選的反饋信號作為錯誤檢測和同步標誌的輸出。SPI_MODE 接地,SD_MOD接高電平使能此模式。

圖6:TMC5160獨立模式驅動器應用框圖
TMC 5160實現了Trinamic產品獨有的高級功能,有效提高了步進電機運行過程中的精度、能效、可靠性、平滑性和能耗。
推薦閱讀:
特別推薦
- 噪聲中提取真值!瑞盟科技推出MSA2240電流檢測芯片賦能多元高端測量場景
- 10MHz高頻運行!氮矽科技發布集成驅動GaN芯片,助力電源能效再攀新高
- 失真度僅0.002%!力芯微推出超低內阻、超低失真4PST模擬開關
- 一“芯”雙電!聖邦微電子發布雙輸出電源芯片,簡化AFE與音頻設計
- 一機適配萬端:金升陽推出1200W可編程電源,賦能高端裝備製造
技術文章更多>>
- 一秒檢測,成本降至萬分之一,光引科技把幾十萬的台式光譜儀“搬”到了手腕上
- AI服務器電源機櫃Power Rack HVDC MW級測試方案
- 突破工藝邊界,奎芯科技LPDDR5X IP矽驗證通過,速率達9600Mbps
- 通過直接、準確、自動測量超低範圍的氯殘留來推動反滲透膜保護
- 從技術研發到規模量產:恩智浦第三代成像雷達平台,賦能下一代自動駕駛!
技術白皮書下載更多>>
- 車規與基於V2X的車輛協同主動避撞技術展望
- 數字隔離助力新能源汽車安全隔離的新挑戰
- 汽車模塊拋負載的解決方案
- 車用連接器的安全創新應用
- Melexis Actuators Business Unit
- Position / Current Sensors - Triaxis Hall
熱門搜索
按鈕開關
白色家電
保護器件
保險絲管
北鬥定位
北高智
貝能科技
背板連接器
背光器件
編碼器型號
便攜產品
便攜醫療
變容二極管
變壓器
檳城電子
並網
撥動開關
玻璃釉電容
剝線機
薄膜電容
薄膜電阻
薄膜開關
捕魚器
步進電機
測力傳感器
測試測量
測試設備
拆解
場效應管
超霸科技




