結合PGA可提升SAR轉換器的動態範圍
發布時間:2019-08-23 責任編輯:xueqi
【導讀】對於需要高動態範圍的應用,通常使用∑-Δ轉換器。這些應用主要可以在化學分析、醫療保健和體重管理領域找到。但是,其中許多模塊無法快速轉換。圖1中的電路描述了一種將高動態範圍與高轉換率相結合的方法。
Q:16位SAR轉換器應用能否在600kSPS時達到125dB的動態範圍?
A :能,89dB + 18dB + 20dB ≥ 125dB。

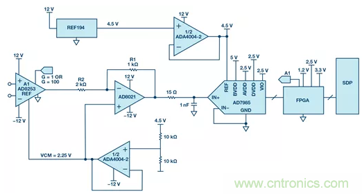
圖1:具有自動增益調節功能的SAR轉換器。
圖1中的電路顯示了帶有2.5MSPS和上遊可編程儀表放大器的16位SAR轉換器,它將增益設置為1或100。通過在FPGA中進行過采樣和數字信號處理,該電路可實現大於125dB的動態範圍,並且仍然非常安靜。高動態範圍是通過AD8253的自動切換和過采樣實現的,其中信號的采樣速率遠高於奈奎斯特頻率。
根據經驗,采樣頻率加倍可在原始信號帶寬下將信噪比(SNR)提高約3dB。在圖1所示的電路中,仍然在FPGA中應用數字濾波,以消除高於目標信號帶寬的噪聲。原理如圖2所示。

圖2:過采樣的增加消除了部分噪聲
為了獲得最大動態範圍,在輸入端使用儀表放大器將極低信號放大100倍。有關噪聲的一些注意事項如下:
對於>126dB的動態範圍要求,在3V (6V p-p)輸入信號時產生的最大噪聲級為1µV rms。AD7985是具有2.5MSPS的16位SAR轉換器。如果它以600kSPS(低功率損耗為11mW)和72過采樣係數運行,則產生大約8kSPS的采樣率,因此帶寬為4kHz。在這些條件下,將產生最大15.8nV/√Hz的噪聲密度(ND)。
該值對於選擇正確的儀表放大器很重要。ADC通常具有89dB的SNR,而係數為72的過采樣會額外增加18dB,因此仍需要大約20dB才能達到126dB的目標,這是儀表放大器的任務。AD8253的增益為100時,其值為11nV/√Hz。下方用作ADC驅動器和用於電平調節的AD8021又增加了2.1nV/√Hz的噪聲。
模擬信號鏈由基準電壓ADR439(或REF194)以及ADA4004-2完成,作為基準緩衝區和驅動器,用於產生偏移電壓。
除模擬路徑中的組件外,FPGA(或處理器)對電路性能也很重要。關鍵任務是將儀表放大器的增益從1切換為100。為此,對許多閾值進行了編程以確保ADC不飽和。因此,AD8253在輸入電壓高達20mV左右時以100為增益運行,這使得ADC輸入端的最大電壓達2.0V。然後,FPGA將AD8253的增益降至1且沒有延遲,以防止過載(見圖3)。

圖3:增益開關示例
電路的變化可通過AD7980(16位、1MSPS)、AD7982(18位、1MSPS)或AD7986(18位、2MSPS)等其他ADC操作。同樣,不使用增益為1、10、100和1000的AD8253,而改用具有較低範圍的AD8251等儀表放大器(增益為1、2、4和8),基準電壓的選擇也可能會改變。
特別推薦
- 噪聲中提取真值!瑞盟科技推出MSA2240電流檢測芯片賦能多元高端測量場景
- 10MHz高頻運行!氮矽科技發布集成驅動GaN芯片,助力電源能效再攀新高
- 失真度僅0.002%!力芯微推出超低內阻、超低失真4PST模擬開關
- 一“芯”雙電!聖邦微電子發布雙輸出電源芯片,簡化AFE與音頻設計
- 一機適配萬端:金升陽推出1200W可編程電源,賦能高端裝備製造
技術文章更多>>
- 三星上演罕見對峙:工會集會討薪,股東隔街抗議
- 摩爾線程實現DeepSeek-V4“Day-0”支持,國產GPU適配再提速
- 築牢安全防線:智能駕駛邁向規模化應用的關鍵挑戰與破局之道
- GPT-Image 2:99%文字準確率,AI生圖告別“鬼畫符”
- 機器人馬拉鬆的勝負手:藏在主板角落裏的“時鍾戰爭”
技術白皮書下載更多>>
- 車規與基於V2X的車輛協同主動避撞技術展望
- 數字隔離助力新能源汽車安全隔離的新挑戰
- 汽車模塊拋負載的解決方案
- 車用連接器的安全創新應用
- Melexis Actuators Business Unit
- Position / Current Sensors - Triaxis Hall
熱門搜索
Tektronix
Thunderbolt
TI
TOREX
TTI
TVS
UPS電源
USB3.0
USB 3.0主控芯片
USB傳輸速度
usb存儲器
USB連接器
VGA連接器
Vishay
WCDMA功放
WCDMA基帶
Wi-Fi
Wi-Fi芯片
window8
WPG
XILINX
Zigbee
ZigBee Pro
安規電容
按鈕開關
白色家電
保護器件
保險絲管
北鬥定位
北高智

