常見恒流電路在電源模塊中的作用
發布時間:2019-07-12 責任編輯:lina
【導讀】隨(sui)著(zhe)工(gong)業(ye)智(zhi)能(neng)化(hua)進(jin)程(cheng)的(de)不(bu)斷(duan)深(shen)入(ru),嵌(qian)入(ru)式(shi)係(xi)統(tong)對(dui)供(gong)電(dian)的(de)要(yao)求(qiu)越(yue)來(lai)越(yue)高(gao),對(dui)輸(shu)入(ru)電(dian)壓(ya)範(fan)圍(wei)也(ye)越(yue)來(lai)越(yue)寬(kuan),對(dui)輸(shu)出(chu)電(dian)流(liu)精(jing)度(du)要(yao)求(qiu)也(ye)日(ri)益(yi)提(ti)高(gao)。如(ru)何(he)保(bao)持(chi)寬(kuan)電(dian)壓(ya)輸(shu)入(ru)而(er)供(gong)電(dian)電(dian)流(liu)能(neng)夠(gou)保(bao)持(chi)穩(wen)定(ding)?本(ben)文(wen)將(jiang)介(jie)紹(shao)常(chang)見(jian)的(de)電(dian)源(yuan)恒(heng)流(liu)電(dian)路(lu)。
隨(sui)著(zhe)工(gong)業(ye)智(zhi)能(neng)化(hua)進(jin)程(cheng)的(de)不(bu)斷(duan)深(shen)入(ru),嵌(qian)入(ru)式(shi)係(xi)統(tong)對(dui)供(gong)電(dian)的(de)要(yao)求(qiu)越(yue)來(lai)越(yue)高(gao),對(dui)輸(shu)入(ru)電(dian)壓(ya)範(fan)圍(wei)也(ye)越(yue)來(lai)越(yue)寬(kuan),對(dui)輸(shu)出(chu)電(dian)流(liu)精(jing)度(du)要(yao)求(qiu)也(ye)日(ri)益(yi)提(ti)高(gao)。如(ru)何(he)保(bao)持(chi)寬(kuan)電(dian)壓(ya)輸(shu)入(ru)而(er)供(gong)電(dian)電(dian)流(liu)能(neng)夠(gou)保(bao)持(chi)穩(wen)定(ding)?本(ben)文(wen)將(jiang)介(jie)紹(shao)常(chang)見(jian)的(de)電(dian)源(yuan)恒(heng)流(liu)電(dian)路(lu)。
在科技高速發展的當下,產品快速開發已成常態化。嵌入式係統的強大的處理能力,對電源模塊的de要yao求qiu越yue來lai越yue高gao,對dui輸shu入ru電dian壓ya範fan圍wei也ye越yue來lai越yue寬kuan。寬kuan電dian壓ya輸shu入ru就jiu會hui導dao致zhi供gong電dian電dian流liu隨sui輸shu入ru電dian壓ya變bian化hua而er變bian化hua,為wei了le全quan電dian壓ya輸shu入ru範fan圍wei的de情qing況kuang下xia,保bao證zheng電dian源yuan模mo塊kuai啟qi動dong能neng力li的de一yi致zhi性xing,增zeng加jia一yi個ge恒heng流liu電dian路lu給gei控kong製zhi芯xin片pian供gong電dian。
一、理想的恒流源
理(li)想(xiang)的(de)恒(heng)流(liu)源(yuan)是(shi)電(dian)流(liu)不(bu)隨(sui)輸(shu)入(ru)電(dian)壓(ya)的(de)變(bian)化(hua)而(er)變(bian)化(hua),不(bu)受(shou)環(huan)境(jing)溫(wen)度(du)的(de)影(ying)響(xiang),內(nei)阻(zu)無(wu)窮(qiong)大(da)。但(dan)是(shi),實(shi)際(ji)中(zhong)的(de)恒(heng)流(liu)電(dian)路(lu)跟(gen)理(li)想(xiang)的(de)還(hai)是(shi)存(cun)在(zai)差(cha)距(ju),所(suo)以(yi)要(yao)根(gen)據(ju)實(shi)際(ji)應(ying)用(yong)選(xuan)取(qu)合(he)適(shi)的(de)恒(heng)流(liu)源(yuan)電(dian)路(lu)。
二、幾種簡單的恒流源介紹
由兩個三極管組成的恒流源電路,如電路圖1。

圖1
由兩個同型號的三極管,根據三極管Vbe電壓相對穩定,以及三極管的基極電流相對集電極電流較小的特點,組成一個電流相對恒定的恒流源,電流Io=Vbe/R1;這個恒流源沒有用到特殊器件,兩個三極管和兩個電阻組成,成本低,電流Io可調;缺點是Vbe的大小會隨電流及溫度的變化而變化,電流大Vbe大,溫度低Vbe大,所以不適合用在精度要求高的地方。
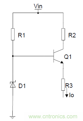
由穩壓管組成的恒流源電路,如電路圖2。

圖2
此恒流電路主要是運用了穩壓二極管上的電壓較穩定特性,以及三極管Vbe的穩定性,組成的恒流電路,Io=(Vd-Vbe)/R3;此電路優點是成本低,電流可調,缺點是溫度特性差,穩流精度不高,適用於對精度要求不高的場合。
由三端穩壓器組成的恒流源,如電路圖3。

圖3
三端穩壓器提供一個恒定電壓Vout,組成一個恒流源,Io=Vout/R1。
以上都是一些比較常見的簡單的恒流源,而且有一個共性,穩壓精度都不高,電流Io也不大。除了以上列舉的幾個,還有其他類似的恒流源,但萬變不離其宗,都是以一個恒壓源為基準組成,在此就不一一列舉。
在應用過程中,如果需要高精度、大電流的恒流源,可以使用一個運放,組成一個高精度、大電流的恒流源,如電路圖4。

圖4
使用運放組成的恒流源,Io=Vref/R1。
三、恒流源在電源模塊中的應用
在模塊電源中,小功率電源的短路保護一般不外接短路保護電路,這種模塊的特點是功率小,體積小,成本低;適合當前競爭激烈的市場;然而它們本身存在一個致命的特點,短路保護功能和啟動能力存在矛盾,啟動能力強,短路保護就會變差;短路保護變強,啟動能力就會變弱。特別是在需要超寬電壓範圍輸入的情況下,啟動能力跟短路能力更不好兼容。
舉個例子,18~72VDC輸入,15W輸出的模塊電源,如果是用電阻加電容組成RC啟動電路如圖5,電阻R1電流會隨輸入電壓的變化,低壓和高壓短路時,打嗝周期會相差很大,短路功率高壓輸入時會較大;調(tiao)好(hao)低(di)壓(ya)啟(qi)動(dong)能(neng)力(li)和(he)短(duan)路(lu)保(bao)護(hu)後(hou),高(gao)壓(ya)短(duan)路(lu)保(bao)護(hu)就(jiu)會(hui)變(bian)差(cha),啟(qi)動(dong)能(neng)力(li)超(chao)強(qiang),反(fan)過(guo)來(lai)調(tiao)好(hao)高(gao)壓(ya)啟(qi)動(dong)和(he)短(duan)路(lu)能(neng)力(li),低(di)壓(ya)的(de)短(duan)路(lu)保(bao)護(hu)能(neng)力(li)很(hen)好(hao),但(dan)是(shi),啟(qi)動(dong)能(neng)力(li)很(hen)差(cha),會(hui)出(chu)現(xian)啟(qi)動(dong)不(bu)良(liang)現(xian)象(xiang)。

圖5
為了解決以上矛盾,把啟動電路改為用一個恒定電流的電路替代,如圖6,輸入電流基本不會隨輸入電壓的變化而變化,在高低壓輸入的情況下,電源模塊輸出短路時的短路周期較近。

圖6
如圖7、8所示,是采用了恒流電路,測試的短路波形圖,用恒流電路替代電阻啟動解決了啟動和短路的矛盾。

圖7

圖8
恒流源的實現可以通過兩種方式:對輸出電流進行處理、對輸入電流進行處理保證輸出能夠實現恒流。對於前者主要作用為使輸出電流保持平穩,可以通過三極管、三端穩壓等器件進行穩流,雖成本較低且電路簡單但整體效果不是很理想;對於後者輸入電流基本不會隨輸入電壓的變化而變化,可以使輸出從而實現恒流。
而也可以使用整體的寬壓輸入穩壓輸出電源模塊,ZLG致遠電子自主研發、生產的隔離電源模塊已有近20年的行業積累,目前產品具有寬輸入電壓範圍,可支持2:1與4:1寬壓輸入,輸出電壓精度可達±3%,封裝形式多樣,兼容國際標準的SIP、DIP等封裝。同時致遠電子為保證電源產品性能建設了行業內一流的測試實驗室,配備最先進、齊全的測試設備,全係列隔離DC-DC電源通過完整的EMC測試,靜電抗擾度高達4KV、浪湧抗擾度高達2KV,可應用於絕大部分複雜惡劣的工業現場,為用戶提供穩定、可靠的電源隔離解決方案。

特別推薦
- 噪聲中提取真值!瑞盟科技推出MSA2240電流檢測芯片賦能多元高端測量場景
- 10MHz高頻運行!氮矽科技發布集成驅動GaN芯片,助力電源能效再攀新高
- 失真度僅0.002%!力芯微推出超低內阻、超低失真4PST模擬開關
- 一“芯”雙電!聖邦微電子發布雙輸出電源芯片,簡化AFE與音頻設計
- 一機適配萬端:金升陽推出1200W可編程電源,賦能高端裝備製造
技術文章更多>>
- 貿澤EIT係列新一期,探索AI如何重塑日常科技與用戶體驗
- 算力爆發遇上電源革新,大聯大世平集團攜手晶豐明源線上研討會解鎖應用落地
- 創新不止,創芯不已:第六屆ICDIA創芯展8月南京盛大啟幕!
- AI時代,為什麼存儲基礎設施的可靠性決定數據中心的經濟效益
- 矽典微ONELAB開發係列:為毫米波算法開發者打造的全棧工具鏈
技術白皮書下載更多>>
- 車規與基於V2X的車輛協同主動避撞技術展望
- 數字隔離助力新能源汽車安全隔離的新挑戰
- 汽車模塊拋負載的解決方案
- 車用連接器的安全創新應用
- Melexis Actuators Business Unit
- Position / Current Sensors - Triaxis Hall
熱門搜索
Future
GFIVE
GPS
GPU
Harting
HDMI
HDMI連接器
HD監控
HID燈
I/O處理器
IC
IC插座
IDT
IGBT
in-cell
Intersil
IP監控
iWatt
Keithley
Kemet
Knowles
Lattice
LCD
LCD模組
LCR測試儀
lc振蕩器
Lecroy
LED
LED保護元件
LED背光




