22張圖帶你看懂開關電源等磁性元器件的分布參數
發布時間:2019-07-09 責任編輯:lina
【導讀】功率變換器中的功率磁性元件的作用起到磁能的傳遞和儲能作用,是必不可少的元件。特點是體積大、重量大、損耗大、對電路性能影響大。並且具有一定的挑戰性,就是對變換器功率密度影響很大,成為發展瓶頸。
功率變換器中的功率磁性元件的作用起到磁能的傳遞和儲能作用,是必不可少的元件。特點是體積大、重量大、損耗大、對電路性能影響大。並且具有一定的挑戰性,就是對變換器功率密度影響很大,成為發展瓶頸。
功率變換器中的功率磁性元件

作用:起到磁能的傳遞和儲能作用,是必不可少的元件。
特點:體積大、重量大、損耗大、對電路性能影響大。
挑戰:對變換器功率密度影響很大,成為發展瓶頸。
功率變換器技術與磁性元件
拓撲:正激、反激、推挽、全橋移相、LLC等,磁集成,磁耦合;
控製:控製芯片+控製電路,變壓器環節+濾波器環節;
封裝:PCB繞組、繞組+同步MOS、超薄磁元件;
元件:有源器件、電容、磁性元件(設計+定製);
仿真:電路模型、器件模型(IC、MOS、Diode、Cap、磁性元件);
電磁兼容:布板、EMI濾波器、分布參數、近場耦合;
製造:自動化,磁性元件(人工製作);
品質:磁性元件測試,失效分析。
磁性元件的模型

變壓器模型

電感器模型

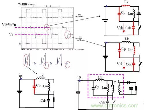
反激變換器實際工作波形

DCM下波形與變壓器參數

CCM下波形與變壓器參數

電感分布電容EPC對損耗的影響

變壓器中的磁場/渦流場分布特性

銅箔導體的渦流損耗特性

降低變壓器的繞組損耗--基本結構考慮

不同繞組結構的磁場和電流密度分布

繞組的分布電容EPC

電感繞組分布電容的形成機理
電感繞組不同繞法對分布電容的影響

分布電容計算的基本方法

線圈分布電容的近似理論計算

多層線圈的分布電容

帶屏蔽層的繞組分布電容

分段繞組的分布電容特性

變壓器內部的電荷分布情況與分布電容

有屏蔽層變壓器內部的電荷分布情況

變壓器副邊電荷的抵消設計

結論
磁性元件技術對功率變換器是十分重要的;磁性元件的分布參數對電路性能(效率,功率密度和可靠性)具有重要的影響;從磁性元件內部的磁場、電場和渦流場層次,可以更深入完整地理解磁性元件的各項參數。
特別推薦
- 噪聲中提取真值!瑞盟科技推出MSA2240電流檢測芯片賦能多元高端測量場景
- 10MHz高頻運行!氮矽科技發布集成驅動GaN芯片,助力電源能效再攀新高
- 失真度僅0.002%!力芯微推出超低內阻、超低失真4PST模擬開關
- 一“芯”雙電!聖邦微電子發布雙輸出電源芯片,簡化AFE與音頻設計
- 一機適配萬端:金升陽推出1200W可編程電源,賦能高端裝備製造
技術文章更多>>
- 貿澤EIT係列新一期,探索AI如何重塑日常科技與用戶體驗
- 算力爆發遇上電源革新,大聯大世平集團攜手晶豐明源線上研討會解鎖應用落地
- 創新不止,創芯不已:第六屆ICDIA創芯展8月南京盛大啟幕!
- AI時代,為什麼存儲基礎設施的可靠性決定數據中心的經濟效益
- 矽典微ONELAB開發係列:為毫米波算法開發者打造的全棧工具鏈
技術白皮書下載更多>>
- 車規與基於V2X的車輛協同主動避撞技術展望
- 數字隔離助力新能源汽車安全隔離的新挑戰
- 汽車模塊拋負載的解決方案
- 車用連接器的安全創新應用
- Melexis Actuators Business Unit
- Position / Current Sensors - Triaxis Hall
熱門搜索




