資深工程師從7個方麵分析開關電源設計注意事項
發布時間:2019-04-17 責任編輯:xueqi
【導讀】從cong我wo做zuo開kai關guan電dian源yuan近jin二er十shi年nian,算suan是shi老lao手shou了le,我wo深shen有you體ti會hui的de是shi,開kai關guan電dian源yuan最zui難nan的de是shi環huan路lu參can數shu,非fei常chang不bu好hao確que定ding,普pu遍bian不bu大da穩wen定ding就jiu是shi環huan路lu沒mei有you調tiao好hao,這zhe個ge是shi一yi個ge大da問wen題ti了le,太tai多duo搞gao不bu定ding的de就jiu是shi這zhe個ge問wen題ti了le,還hai有you變bian壓ya器qi參can數shu的de選xuan擇ze也ye是shi一yi個ge難nan點dian。以yi下xia根gen據ju我wo的de工gong作zuo經jing驗yan給gei大da家jia總zong結jie開kai關guan電dian源yuan設she計ji的de一yi些xie注zhu意yi事shi項xiang。
一、電源設計項目前期各個參數注意細節

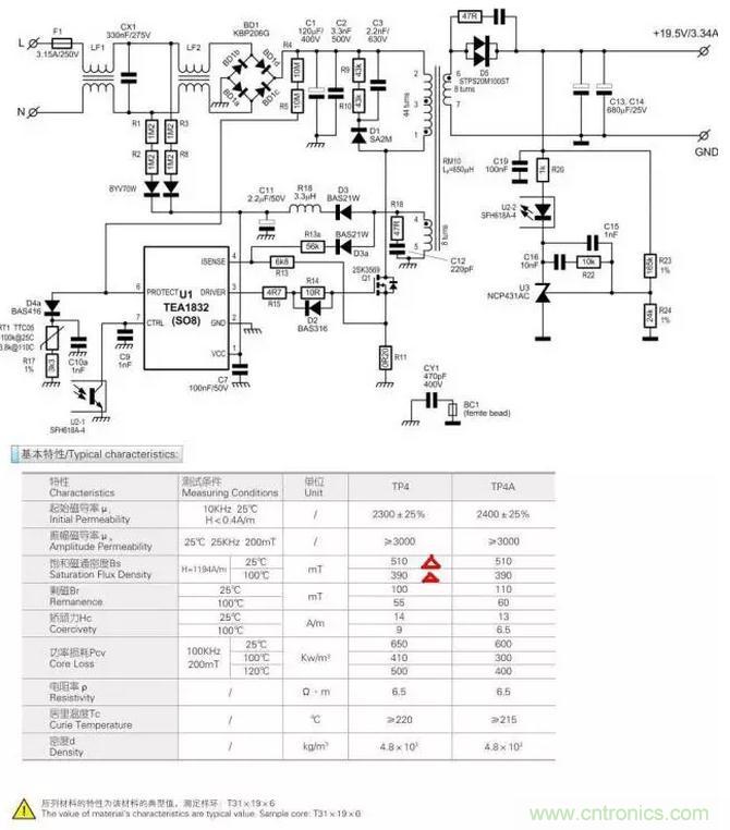
借鑒下NXP的這個TEA1832圖紙做個說明。分析裏麵的電路參數設計與優化並做到認證至量產。 在所有的元器件中盡量選擇公司倉庫裏麵的元件,和量大的元件,方便後續降成本拿價格。
貼片電阻采用0603的5%,0805的5%,1%,貼片電容容值越大價格越高,設計時需考慮。
1、輸入端,FUSE選擇需要考慮到I^2T參數。保險絲的分類,快斷,慢斷,電流,電壓值,保險絲的認證是否齊全。保險絲前的安規距離2.5mm以上。設計時盡量放到3mm以上。需考慮打雷擊時,保險絲I2T是否有餘量,會不會打掛掉。
2、這個圖中可以增加個壓敏電阻,一般采用14D471,也有采用561的,直徑越大抗浪湧電流越大,也有增強版的10S471,14S471等,一般14D471打1KV,2KV雷擊夠用了,增加雷擊電壓就要換成MOV+GDT了。有必要時,壓敏電阻外麵包個熱縮套管。
3、NTC,這個圖中可以增加個NTC,有的客戶有限製冷啟動浪湧電流不超過60A,30A,NTC的另一個目的還可以在雷擊時扛部分電壓,減下MOSFET的壓力。選型時注意NTC的電壓,電流,溫度等參數。
4、共模電感,傳導與輻射很重要的一個濾波元件,共模電感有環形的高導材料5K,7K,0K,12K,15K,常用繞法有分槽繞,並繞,蝶形繞法等,還有UU型,分4個槽的ET型。這個如果能共用老機種的最好,成本考慮,傳導輻射測試完成後才能定型。
5、X電容的選擇,這個需要與共模電感配合測試傳導與輻射才能定容值,一般情況為功率越大X電容越大。
6、如果做認證時有輸入L,N的放電時間要求,需要在X電容下放2並2串的電阻給電容放電。
7、橋堆的選擇一般需要考慮橋堆能過得浪湧電流,耐壓和散熱,防止雷擊時掛掉。
8、VCC的啟動電阻,注意啟動電阻的功耗,主要是耐壓值,1206的一般耐壓200V,0805一般耐壓150V,能多留餘量比較好。
9、輸入濾波電解電容,一般看成本的考慮,輸出保持時間的10mS,按照電解電容容值的最小情況80%容(rong)值(zhi)設(she)計(ji),不(bu)同(tong)廠(chang)家(jia)和(he)不(bu)同(tong)的(de)設(she)計(ji)經(jing)驗(yan)有(you)點(dian)出(chu)入(ru),有(you)一(yi)點(dian)要(yao)注(zhu)意(yi)普(pu)通(tong)的(de)電(dian)解(jie)電(dian)容(rong)和(he)扛(kang)雷(lei)擊(ji)的(de)電(dian)解(jie)電(dian)容(rong),電(dian)解(jie)電(dian)容(rong)的(de)紋(wen)波(bo)電(dian)流(liu)關(guan)係(xi)到(dao)電(dian)容(rong)壽(shou)命(ming),這(zhe)個(ge)看(kan)品(pin)牌(pai)和(he)具(ju)體(ti)的(de)係(xi)列(lie)了(le)。
10、輸入電解電容上有並聯一個小瓷片電容,這個平時體現不出來用處,在做傳導抗擾度時有效果。
11、RCD吸收部分,R的取值對應MOSFET上的尖峰電壓值,如果采用貼片電阻需注意電壓降額與功耗。C一般取102/103 1KV的高壓瓷片,整改輻射時也有可能會改為薄膜電容效果好。D一般用FR107,FR207,整改輻射時也有改為1N4007的情況或者其他的慢管,或者在D上套磁珠(K5A,K5C等材質)。小功率電源,RC可以采用TVS管替代,如P6KE160等。
12、MOSFET的選擇,起機和短路情況需要注意SOA。高溫時的電流降額,低溫時的電壓降額。一般600V 2-12A足夠用與100W以內的反激,根據成本來權衡選型。整改輻射時很多方法沒有效果的時候,換個MOSFET就過了的情況經常有。
13、MOSFET的驅動電阻一般采用10R+20R,阻值大小對應開關速度,效率,溫升。這個參數需要整改輻射時調整。
14、MOSFET的GATE到SOURCE端需要增加一個10K-100K的電阻放電。
15、MOSFET的SOURCE到GND之間有個Isense電阻,功率盡量選大,盡量采用繞線無感電阻。功率小,或者有感電阻短路時有遇到過炸機現象。
16、Isense電阻到IC的Isense增加1個RC,取值1K,331,調試時可能有作用,如果采用這個TEA1832電路為參考,增加一個C並聯到GND。
17、不同的IC外圍引腳參考設計手冊即可,根據自己的經驗在IC引腳處放濾波電容。
18、更改前:變bian壓ya器qi的de設she計ji,反fan激ji變bian壓ya器qi設she計ji論lun壇tan裏li麵mian討tao論lun很hen多duo,不bu多duo說shuo。還hai是shi考kao慮lv成cheng本ben,盡jin量liang不bu在zai變bian壓ya器qi裏li麵mian加jia屏ping蔽bi層ceng,頂ding多duo在zai變bian壓ya器qi外wai麵mian加jia個ge十shi字zi屏ping蔽bi。變bian壓ya器qi一yi定ding要yao驗yan算suandelta B值,delta B=L*Ipk/(N*Ae),L(uH),Ipk(A),N為初級砸數(T),Ae(mm2)有興趣驗證這個公式可以在最低電壓輸入,輸出負載不斷增加,看到變壓器飽和波形,飽和時計算結果應該是500mT左右。變壓器的VCC輔助繞組盡量用2根以上的線並繞,之前很大批量時有碰到過有幾個輔助繞組輕載電壓不夠或者重載時VCC過壓的情況,2跟以上的VCC輔助繞線能盡量耦合更好解決電壓差異大這個問題。
19、更改後:變bian壓ya器qi的de設she計ji,反fan激ji變bian壓ya器qi設she計ji論lun壇tan裏li麵mian討tao論lun很hen多duo,不bu多duo說shuo。還hai是shi考kao慮lv成cheng本ben,盡jin量liang不bu在zai變bian壓ya器qi裏li麵mian加jia屏ping蔽bi層ceng,頂ding多duo在zai變bian壓ya器qi外wai麵mian加jia個ge十shi字zi屏ping蔽bi。變bian壓ya器qi一yi定ding要yao驗yan算suandelta B值,防止高溫時磁芯飽和。delta B=L*Ipk/(N*Ae),L(uH),Ipk(A),N為初級砸數(T),Ae(mm2)。(參考TDG公司的磁芯特性(100℃)飽和磁通密度390mT,剩磁55mT,所以ΔB值一般取330mT以內,出現異常情況不飽和,一般取值小於300mT以內。我之前做反激變壓器取值都是小於0.3的)附,學習zhangyiping的經驗(所以一般的磁通密度選擇1500高斯,變壓器小的可以選大一些,變壓器大的要選小一些,頻彔高的減小頻彔低的可以大一些吧。)
變壓器的VCC輔助繞組盡量用2根以上的線並繞,之前很大批量時有碰到過有幾個輔助繞組輕載電壓不夠或者重載時VCC過壓的情況,2跟以上的VCC輔助繞線能盡量耦合更好解決電壓差異大這個問題。
附注:有興趣驗證這個公式的話,可以在最低電壓輸入,輸出負載不斷增加,看到變壓器飽和波形,飽和時計算結果應該是500mT左右(25℃時,飽和磁通密度510mT)。
借鑒TDG的磁芯基本特征圖。
20、輸出二極管效率要求高時,可以采用超低壓降的肖特基二極管,成本要求高時可以用超快恢複二極管。
21、輸出二極管並聯的RC用於抑製電壓尖峰,同時也對輻射有抑製。
22、光耦與431的配合,光耦的二極管兩端可以增加一個1K-3K左右的電阻,Vout串聯到光耦的電阻取值一般在100歐姆-1K之間。431上的C與RC用於調整環路穩定,動態響應等。
23、Vout的檢測電阻需要有1mA左右的電流,電流太小輸出誤差大,電流太大,影響待機功耗。
24、輸出電容選擇,輸出電容的紋波電流大約等於輸出電流,在選擇電容時紋波電流放大1.2倍以上考慮。 24、2個ge輸shu出chu電dian容rong之zhi間jian可ke以yi增zeng加jia一yi個ge小xiao電dian感gan,有you助zhu於yu抑yi製zhi輻fu射she幹gan擾rao,有you了le小xiao電dian感gan後hou,第di一yi個ge輸shu出chu電dian容rong的de紋wen波bo電dian流liu就jiu會hui比bi第di二er個ge輸shu出chu電dian容rong的de紋wen波bo電dian流liu大da很hen多duo,所suo以yi很hen多duo電dian路lu裏li麵mian第di一yi個ge電dian容rong容rong量liang大da,第di二er個ge電dian容rong容rong量liang較jiao小xiao。
25、輸出Vout端可以增加一個共模電感與104電容並聯,有助於傳導與輻射,還能降低紋波峰峰值。
26、需要做恒流的情況可以采用專業芯片,AP4310或者TSM103等類似芯片做,用431+358都行,注意VCC的電壓範圍,環路調節也差不多。
27、有多路輸出負載情況的話,電源的主反饋電路一定要有固定輸出,或者假負載,否則會因為耦合,burst模式等問題導致其他路輸出電壓不穩定。28、初級次級的大地之間有接個Y電容,一般容量小於或等於222,則漏電流小於0.25mA,不同的產品認證對漏電流是有要求的,需注意。
算下來這麼多,電子元器件基本能定型了,整個初略的BOM可以評審並參考報價了。BOM中元器件可以多放幾個品牌方便核成本。如客戶有特殊要求,可以在電路裏麵增加功能電路實現。如不能實現,尋找新的IC來完成,相等功率和頻率下,IC的更改對外圍器件影響不大。如客戶溫度範圍的要求比較高,對應元器件的選項需要參考元器件使用溫度和降額使用。
二、電源PCB設計階段應注意的細節
1、PCB對應的SCH網絡要對應,方便後續更新,花不了多少時間的。
2、PCB的元器件封裝,標準庫裏麵的按實際情況需要更改,貼片元件焊盤加大;插件元件的孔徑比元件管腳大0.3mm,焊盤直徑大於孔0.8mm以上,焊盤大些方便焊接,元器件過波峰焊也容易上錫,PCB廠家做出來也不容易破孔。還有很多細節的東西多了解些對生產是很大的功勞啊。
3、安規的要求在PCB上的體現,保險絲的安規輸入到輸出距離3mm以上,保險絲帶型號需要印在PCB上。PCB的板材也有不同的安規要求,對應需要做的認證與供應商溝通能否滿足要求。相應的認證編號需印到PCB上。初級到次級的距離8mm以上,Y電容注意選擇Y1還是Y2的,跨距也要求8mm以上,變壓器的初級與次級,用擋牆或者次級用三層絕緣線飛線等方法做爬電距離。
4、橋堆前L,N走線距離2.5mm以上,橋堆後高壓+,-距離2.5mm以上。走線為大電流回路先走,麵積越小越好。信號線遠離大電流走線,避免幹擾,IC信號檢測部分的濾波電容靠近IC,信號地與功率地分開走,星形接地,或者單點接地,最後彙總到大電容的“-”引腳,避免調試時信號受幹擾,或者抗擾度出狀況。
5、IC方向,貼片元器件的方向,盡量放到整排整列,方便過波峰焊上錫,提高產線效率,避免陰影效應,連錫,虛焊等問題出現。
6、打AI的元器件需要根據相應的規則放置元器件,之前看過一個日本的PCB,焊盤做成水滴狀,AI元件的引腳剛好在水滴狀的焊盤上,漂亮。
7、PCB上的走線對輻射影響比較大,可以參考相關書籍。還有1種情況,PCB當單麵板布線,弄完後,在頂層敷整塊銅皮接大電容地,抑製傳導和輻射很有效果。
8、布線時,還需要考慮雷擊,ESD時或其他幹擾的電流路徑,會不會影響IC。
三、電源調試階段應注意的細節
1、萬用表先測試主電流回路上的二極管,MOSFET,有沒有短路,有沒有裝反,變壓器的感量與漏感是否都有測試,變壓器同名端有沒有繞錯。
2、開始上電,我的習慣是先上100V的低壓,PWM沒有輸出。用示波器看VCC,PWM腳,VCC上升到啟動電壓,PWM沒有輸出。檢查各引腳的保護功能是否被觸發,或者參數不對。找不到問題,查看IC的上電時序圖,或者IC的datasheet裏麵IC啟動的條件。示波器使用時需注意,3芯插頭的地線要拔掉,不拔掉的話最好采用隔離探頭掛波形,要不怎麼炸機的都不知道。用2個以上的探頭時,2根探頭的COM端接同1個點,避免影響電路,或者夾錯位置燒東西。
3、IC啟動問題解決了,PWM有輸出,發現啟動時變壓器嘯叫。掛MOSFET的電流波形,或者看Isense腳底波形是否是三角波,有可能是飽和波形,有可能是方波。需重新核算ΔB,還有種情況,VCC繞組與主繞組繞錯位置。也有輸出短路的情況,還有RCD吸收部分的問題,甚至還碰到過TVS壞了短路的情況。
4、輸shu出chu有you了le,但dan是shi輸shu出chu電dian壓ya不bu對dui,或huo者zhe高gao了le,或huo者zhe低di了le。這zhe個ge需xu要yao判pan斷duan是shi初chu級ji到dao問wen題ti,還hai是shi次ci級ji的de問wen題ti。掛gua輸shu出chu二er極ji管guan電dian壓ya電dian流liu波bo形xing,是shi否fou是shi正zheng常chang的de反fan激ji波bo形xing,波bo形xing不bu對dui,估gu計ji就jiu是shi同tong名ming端duan反fan了le。檢jian查zha光guang耦ou是shi否fou損sun壞huai,光guang耦ou正zheng常chang,采cai用yong穩wen壓ya管guan+1K電阻替換431的位置,即可判斷輸出反饋431部分,或者恒流,或者過載保護等保護的動作。常見問題,光耦腳位畫錯,導致反饋到不了前級。431封裝弄錯,一般431的封裝有2種,腳位有鏡像了的。同名端的問題會導致輸出電壓不對。
5、輸出電壓正常了,但是不是精確的12V或者24V,這個時候一般采用2個電阻並聯的方式來調節到精確電壓。采樣電阻必須是1%或者0.5%。
6、輸出能帶載了,帶滿載變壓器有響聲,輸出電壓紋波大。掛PWM波形,是否有大小波或者開幾十個周期,停幾十個周期,這樣的情況調節環路。431上的C與RC,現在的很多IC內部都已經集成了補償,環路都比較好調整。環路調節沒有效果,可以計算下電感感量太大或者太小,也可以重新核算Isense電阻,是否IC已經認為Isense電阻電壓較小,IC工作在brust mode。可以更改Isense電阻阻值測試。
7、高低壓都能帶滿載了,波形也正常了。測試電源效率,輸入90V與264V時效率盡量做到一致(改占空比,匝比),方便後續安規測試溫升。電源效率一般參考老機種效率,或者查能效等級裏麵的標準參考。
8、輸出紋波測試,一般都有要求用47uF+104,或者10uF+104電容測試。這個電解電容的容值影響紋波電壓,電容的高頻低阻特性(不同品牌和係列)也ye會hui影ying響xiang紋wen波bo電dian壓ya。示shi波bo器qi測ce試shi紋wen波bo時shi探tan頭tou上shang用yong彈dan簧huang測ce試shi探tan頭tou測ce試shi可ke以yi避bi免mian幹gan擾rao尖jian峰feng。輸shu出chu紋wen波bo搞gao不bu定ding的de情qing況kuang下xia,可ke以yi改gai容rong量liang,改gai電dian容rong的de係xi列lie,甚shen至zhi考kao慮lv采cai用yong固gu態tai電dian容rong。
9、輸出過流保護,客戶要求精度高的,要在次級放電流保護電路,要求精度不高的,一般初級做過流保護,大部分IC都有集成過流或者過功率保護。過流保護一般放大1.1-1.5倍bei輸shu出chu電dian流liu。最zui大da輸shu出chu電dian流liu時shi,元yuan器qi件jian的de應ying力li都dou需xu要yao測ce試shi,並bing留liu有you餘yu量liang。電dian流liu保bao護hu如ru增zeng加jia反fan饋kui環huan路lu可ke以yi做zuo成cheng恒heng流liu模mo式shi,無wu反fan饋kui環huan路lu一yi般ban為wei打da嗝ge保bao護hu模mo式shi。做zuo好hao過guo流liu保bao護hu還hai需xu要yao測ce試shi滿man載zai+電解電容的測試,客戶端有時提出的要求並未給出是否是容性負載,能帶多大的電容起機測試了後心裏比較有底。
10、輸出過壓保護,穩定性要求高的客戶會要求放2個光耦,1個正常工作的,一個是做過壓保護的。無要求的,在VCC的輔助繞組處增加過壓保護電路,或者IC裏麵已經有集成的過壓保護,外圍器件很少。
11、過guo溫wen保bao護hu一yi般ban要yao看kan具ju體ti情qing況kuang添tian加jia的de,安an規gui做zuo高gao溫wen測ce試shi時shi對dui溫wen度du都dou有you要yao求qiu,能neng滿man足zu安an規gui要yao求qiu溫wen度du都dou還hai可ke以yi,除chu非fei環huan境jing複fu雜za或huo者zhe異yi常chang情qing況kuang,需xu要yao增zeng加jia過guo溫wen保bao護hu電dian路lu。
12、啟動時間,一般要求為2S,或者3S內起機,都比較好做,待機功耗做到很低功率的方案,一般IC都考慮好了。沒有什麼問題。
13、上升時間和過衝,這個通過調節軟啟動和環路響應實現。
14、負載調整率和線性調整率都是通過調節環路響應來實現。
15、保持時間,更改輸入大電容容量即可。
16、輸出短路保護,現在IC的短路保護越做越好,一般短路時,IC的VCC輔助繞組電壓低,IC靠啟動電阻供電,IC啟動後,Isense腳檢測過流會做短路保護,停止PWM輸出。一般在264V輸入時短路功率最大,短路功率控製住2W以內比較安全。短路時需要測試MOSFET的電流與電壓,並通過查看MOSFET的SOA圖(安全工作區)對應短路是否超出設計範圍。
17、空載起機後,輸出電壓跳。有可能是輕載時VCC的輔助繞組感應電壓低導致,增加VCC繞組匝數,還有可能是輸出反饋環路不穩定,需要更新環路參數。
18、帶載起機或者空載切重載時電壓起不來。重載時,VCC輔助繞組電壓高,需查看是否過壓,或者是過流保護動作。
還有變壓器設計時按照正常輸出帶載設計,導致重載或者過流保護前變壓器飽和。
19、元器件的應力都應測試,滿載、過載、異常測試時元器件應力都應有餘量,餘量大小看公司規定和成本考慮。 性能測試與調試基本完成。調試時把自己想成是設計這顆IC的人,就能好好理解IC的工作情況並快速解決問題。 這些全都按記憶寫的,有點亂,有些沒有記錄到,後續想到了再補上。
四、EMC等測試之前的注意細節
1、溫升測試,45℃烤箱環境,輸入90,264時變壓器磁芯,線包不超過110℃,PCB在130℃以內。其他的元器件具體值參考下安規要求,溫度最難整的一般都是變壓器。
2、絕緣耐壓測試DC500V,阻值大於100MΩ,初次級打AC3000V時間60S,小於10mA,產線量產可以打AC3600V,6S。建議采用直流電壓DC4242打耐壓。耐壓電流設置10mA,ceshiguochengzhongceshiyiqibaojing,yaojianzhachucijijuli,chujidaowaike,cijidaowaikejuli,nengbaceshishilashangchuangliangenghao,nengkuaisuzhaodaofangdiandeweizhidedianhuohua。
3、對地阻抗,一般要小於0.1Ω,測試條件電流40A。
4、ESD一般要求接觸4K,空氣8K,有個電阻電容模型問題。一般會把等級提高了打,打到最高的接觸8K,空氣15K。打ESD時,共模電感底下有放電針的話,放電針會放電。電源的ESD還會在散熱器與不同元器件之間打火,一般是距離問題和PCB的layout問題。打ESD打到15K把電源打壞就知道自己做的電源能抗多大的電壓,做安規認證時,心裏有底。如果客戶有要求更高的電壓也知道怎麼處理。參考EN61000-4-2。
5、EFT這個沒有出現過問題2KV。參考EN61000-4-4。
6、雷擊,差模1K,共模2K,采用壓敏14D471,有輸入大電解,走線沒有大問題基本PASS。碰到過雷擊不過的情況,小功率5W,10W的打掛了,采用能抗雷擊的電解電容。單極PFC做反激打掛了MOSFET,在輸入橋堆後加入二極管與電解電容串聯,電容吸收能量。LED電源打2K與4K的情況,4KV就要采用壓敏電阻+GDT的形式。參考EN61000-4-5。
EFT,ESD,SURGE有A,B,C等級。一般要A等級:幹擾對電源無影響。
7、低溫起機。一般便宜的電源,溫度範圍是0-45℃,貴的,工業類,或者LED什麼的有要求-40℃-60℃,甚至到85℃。-40℃的時候輸入NTC增大了N倍,輸入電解電容明顯不夠用了,ESR很大,還有PFC如果用500V的MOSFET也是有點危險的(低溫時MOSFET的耐壓值變低)。之前碰到過90V輸入的時候輸出電壓跳,或者是LED閃幾次才正常起來。增加輸入電容容量,改小NTC,增加VCC電容,軟啟動時間加長,初級限流(輸入容量不夠,導致電壓很低,電流很大,觸發保護)從1.2倍放大到1.5倍,IC的VCC繞組增加2T輔助電壓抬高;查找保護線路是否太極限,低溫被觸發(如PFC過壓易被觸發)。
五、傳導整改注意細節
基本性能和安規基本問題解決掉,剩下個傳導和輻射問題。這個時候可以跟客戶談後續價格,自己優化下線路。 跟安規工程師確認安規問題,跟產線的工程師確認後續PCB上元器件是否需要做位置的更改,產線是否方便操作等問題。或者有打AI,過回流焊波峰焊的問題,及時對元器件調整。
1、傳chuan導dao和he輻fu射she測ce試shi大da家jia看kan得de比bi較jiao多duo,論lun壇tan裏li麵mian也ye講jiang的de多duo,實shi際ji上shang這zhe個ge是shi個ge砸za錢qian的de事shi情qing。砸za錢qian砸za多duo了le,自zi然ran就jiu會hui了le,整zheng改gai也ye就jiu快kuai了le。能neng改gai的de地di方fang就jiu那na麼me幾ji個ge。
2、這個裏麵看不見的,特別重要的就算是PCB了,有厲害的可以找到PCB上的線,割斷,換個走線方式就可以搞掉3個dB,餘量就有了。
3、一般看到筆記本電源適配器,接電腦的部分就有個很醜的砣,這個就是個EMI濾波器,從適配器出線的部分到筆記本電腦這麼長的距離,可以看成是1條天線,增加一個濾波器,就可以濾除損耗。所以一般開關電源的輸出端有一個濾波電感,效果也是一樣的。

4、輸入濾波電感,功率小的,UU型很好用,功率大的基本用環型和ET型(xing)。公(gong)司(si)有(you)傳(chuan)導(dao)實(shi)驗(yan)室(shi)或(huo)者(zhe)傳(chuan)導(dao)儀(yi)器(qi)的(de)倒(dao)是(shi)可(ke)以(yi)有(you)想(xiang)法(fa)了(le)就(jiu)去(qu)折(zhe)騰(teng)下(xia)。要(yao)是(shi)要(yao)去(qu)第(di)三(san)方(fang)實(shi)驗(yan)室(shi)的(de)就(jiu)比(bi)較(jiao)痛(tong)苦(ku)了(le),光(guang)整(zheng)改(gai)材(cai)料(liao)都(dou)要(yao)帶(dai)一(yi)堆(dui)。濾(lv)波(bo)電(dian)感(gan)用(yong)高(gao)導(dao)的(de)10K材料比較好,對傳導輻射抑製效果都不錯,如果傳導差的話,可以改12K,15K的,輻射差的話可以改5K,7K的材質。
5、輸入X電容,能用小就用小,主要是占地方。這個要配合濾波電感調整的。
6、Y電容,初次級沒有裝Y電容,或者Y電容很小的話一般從150K-30M都是飄
的,或者飛出限值了的,裝個471-222就差不多了。Y電容的接法直接影響傳導與輻射的測試數據,一般為初級地接次級的地,也有初級高壓,接次級地,或者放2個Y電容初級高壓和初級地都接次級的地,沒有調好之前誰也說不準的。
Y電容上串磁珠,對10MHz以(yi)上(shang)有(you)效(xiao)果(guo),但(dan)也(ye)不(bu)全(quan)是(shi)。每(mei)個(ge)人(ren)調(tiao)試(shi)傳(chuan)導(dao)輻(fu)射(she)的(de)方(fang)法(fa)和(he)方(fang)式(shi)都(dou)有(you)差(cha)異(yi)機(ji)種(zhong)也(ye)不(bu)同(tong),問(wen)題(ti)也(ye)不(bu)同(tong),所(suo)以(yi)也(ye)許(xu)我(wo)的(de)方(fang)法(fa)隻(zhi)適(shi)合(he)我(wo)自(zi)己(ji)用(yong)。無(wu)Y方案大部分是靠改變變壓器來做的,而且功率不好做大。
7、MOSFET吸收,DS直接頂多能接個221,要不溫度就太高了,一般47pF,100pF。RCD吸收,可以在C上串個10-47Ω電阻吸收尖峰。還可以在D上串10-100Ω的電阻,MOSFET的驅動電阻也可以改為100Ω以內。
8、輸出二極管的吸收,一般采用RC吸收足夠了。
9、bianyaqi,bianyaqiyoutongbopingbihexianpingbi,tongbopingbiduichuandaoxiaoguohao,xianpingbiduifushexiaoguohao。zhiyuchubaoci,cibaochu,haiyouxieqitaderaofadoushiweilehaoguochuandaofushe。
10、對於PFC做反激電源的,輸入部分還需要增加差模電感。一般用棒形電感,或者鐵粉芯的黃白環做。
11、整改傳導的時候在10-30MHz部分盡量壓低到有15-20dB餘量,那樣輻射比較好整改。
開關頻率一般在65KHz,看傳導的時候可以看到65K的倍頻位置,一般都有很高的值。
總之:chuandaodexianxiangkeyikanchengshigonglvqijiandekaiguanyinqidezhendangzaishuruxianshangbeifangdalexianshichulai,bimianzhendangxinhaochuqujiuyaobimiangaopinzhendang,huozhebagaopinzhendangxishoudiao,sunhaodiao,yizhiyuxianshichulaideshihoubuchaobiao。
六、輻射整改注意細節
1、PCB的走線按照布線規則來做即可。當PCB有空間的時候可以放2個Y電容的位置:初級大電容的+到次級地;初級大電容-到次級地,整改輻射的時候可以調整。
2、對於2芯輸入的,Y電容除了上述接法還可以在L,N輸入端,保險絲之後接成Y型,再接次級的地,3芯輸入時,Y電容可以從輸入輸出地接到輸入大地來測試。
3、磁珠在輻射中間很重要,以前用過的材料是K5A,K5C,磁珠的阻抗曲線與磁芯大小和尺寸有關。如圖所示,不同的磁珠對不同的頻率阻抗曲線不同。但是都是把高頻雜波損耗掉,成了熱量(30MHz-500MHz)。一般MOSFET,輸出二極管,RCD吸收的D,橋堆,Y電容都可以套磁珠來做測試。
4、輸入共模電感:如果是2級濾波,第一級的濾波電感可以考慮用0.5-5mH左右的感量,蝶形繞法,5K-10K材質繞製,第一級對輻射壓製效果好。如果是3芯輸入,可以在輸入端進線處用三層絕緣線在K5A等同材質繞3-10圈,效果巨好。
5、輸出共模電感,一般采用高導磁芯5K-10K的材料,特殊情況輻射搞不定也可以改為K5A等同材質。
6、MOSFET,漏極上串入磁珠,輸入電阻加大,DS直接並聯22-220pF高壓瓷片電容可以改善輻射能量,也可以換不同電流值的MOS,或者不同品牌的MOSFET測試。
7、輸出二極管,二極管上套磁珠可以改善輻射能量。二極管上的RC吸收也對輻射有影響。也可以換不同電流值來測試,或者更換品牌
8、RCD吸收,C更改容量,R改阻值,D可以用FR107,FR207改為慢管,但是需要注意慢管的溫度。RCD裏麵的C可以串小阻值電阻。
9、VCC的繞組上也有二極管,這個二極管也對輻射影響大,一般采取套磁珠,或者將二極管改為1N4007或者其他的慢管。
10、最(zui)關(guan)鍵(jian)的(de)變(bian)壓(ya)器(qi)。能(neng)少(shao)加(jia)屏(ping)蔽(bi)就(jiu)少(shao)加(jia)屏(ping)蔽(bi),沒(mei)辦(ban)法(fa)的(de)情(qing)況(kuang)也(ye)隻(zhi)能(neng)改(gai)變(bian)壓(ya)器(qi)了(le)。變(bian)壓(ya)器(qi)裏(li)麵(mian)的(de)銅(tong)箔(bo)屏(ping)蔽(bi)對(dui)輻(fu)射(she)影(ying)響(xiang)大(da),線(xian)屏(ping)蔽(bi)是(shi)最(zui)有(you)效(xiao)果(guo)的(de)。一(yi)般(ban)改(gai)不(bu)動(dong)的(de)時(shi)候(hou)才(cai)去(qu)改(gai)變(bian)壓(ya)器(qi)。
11、輻射整改時的效率。套滿磁珠的電源先做測試,PASS的情況,再逐個剪掉磁珠。
fail的情況,在輸入輸出端來套磁環,判斷輻射信號是從輸入還是輸出發射出來的。
套了磁環還是fail的(de)話(hua),證(zheng)明(ming)輻(fu)射(she)能(neng)量(liang)是(shi)從(cong)板(ban)子(zi)上(shang)出(chu)來(lai)的(de)。這(zhe)個(ge)時(shi)候(hou)要(yao)找(zhao)實(shi)驗(yan)室(shi)的(de)兄(xiong)弟(di)搞(gao)個(ge)探(tan)頭(tou)來(lai)測(ce)試(shi),看(kan)看(kan)是(shi)哪(na)個(ge)元(yuan)器(qi)件(jian)輻(fu)射(she)的(de)能(neng)量(liang)最(zui)大(da),哪(na)個(ge)原(yuan)件(jian)在(zai)超(chao)出(chu)限(xian)值(zhi)的(de)頻(pin)率(lv)點(dian)能(neng)量(liang)最(zui)高(gao),再(zai)對(dui)對(dui)應(ying)的(de)元(yuan)件(jian)整(zheng)改(gai)。
fushedexianxiangkeyikanchengshigonglvqijianzaigaosukaiguanqingkuangxia,jishengcanshuyinqidezhendangzaibutongdetianxianshangfashechuqu,beitianxianjieshoufangdalexianshichulai,bimianzhendangxinhaochuqujiuyaobimiangaopinzhendang,gaibianzhendangpinlvhuozhebagaopinzhendangxishoudiao,sunhaodiao,yizhiyuxianshichulaizhideshihoubuchaobiao。
磁珠的運用有個需要注意的地方,套住MOSFET的時候,MOSFET最好是要打K腳,套入磁珠後點膠固定,如果磁珠鬆動,可能導電引起MOSFET短路。有空間的情況下盡量采用帶線磁珠。
七、PCB定型改版試生產注意細節
傳導輻射整改完成後,PCB可以定型了,最好按照生產的工藝要求來做改善,更新一版PCB,避免生產時碰到問題。
1、驗(yan)證(zheng)電(dian)源(yuan)的(de)時(shi)刻(ke)到(dao)了(le),客(ke)戶(hu)要(yao)求(qiu),規(gui)格(ge)書(shu)。電(dian)源(yuan)樣(yang)品(pin)拿(na)給(gei)測(ce)試(shi)驗(yan)證(zheng)組(zu)做(zuo)測(ce)試(shi)驗(yan)證(zheng)了(le)。之(zhi)前(qian)問(wen)題(ti)都(dou)解(jie)決(jue)了(le)的(de)話(hua),驗(yan)證(zheng)組(zu)是(shi)沒(mei)問(wen)題(ti)的(de),到(dao)時(shi)間(jian)拿(na)報(bao)告(gao)就(jiu)可(ke)以(yi)了(le)。
2、準備小批量試產,走流程,準備物料,整理BOM與提供樣機給生產部同事。
3、準備做認證的材料(保險絲,MOSFET等元器件)與樣機以及做認證的關鍵元器件清單等文檔性材料。關鍵元器件清單裏麵的元件一般寫3個以上的供應商。認證號一定要對準,錯了的話,後續審廠會有不必要的麻煩。剩下的都是一些基本的溝通問題了。
做zuo認ren證zheng時shi碰peng到dao過guo做zuo認ren證zheng的de時shi候hou溫wen升sheng超chao標biao了le的de,隻zhi能neng加jia導dao熱re膠jiao導dao出chu去qu。或huo者zhe提ti高gao效xiao率lv,把ba傳chuan導dao與yu輻fu射she的de餘yu量liang放fang小xiao。這zhe種zhong問wen題ti一yi般ban是shi自zi己ji做zuo測ce試shi時shi餘yu量liang留liu得de太tai少shao,很hen難nan碰peng到dao的de。
4、一般認證2個月左右能拿到的。2個月的時間足夠把試產做好了。
5、試產問題:基本上都是要改大焊盤,插件的孔大小更改,絲印位置的更改等。
6、試產的測試按IPS和產線測試的規章製度完成。
碰到過裸板耐壓打不過的,原因竟然是把裸板放在綠色的靜電皮上操作;也有是麥拉片折痕處貼的膠帶磨損了。
7、輸入有大電容的電源,需要要求測試的工序裏麵增加一條,測試完畢給大電容放電的一個操作流程。
8、試產完成後開個試產總結會,試產PASS,PCB可以開模了。量產基本上是不會找到研發工程師了,頂多就是替代料的事宜。
9、做完一個產品,給自己寫點總結什麼的,其中的經驗教訓,或者是有點失敗的地方,或者是不同IC的特點。項目做多了,自然就會了。
整(zheng)個(ge)開(kai)發(fa)過(guo)程(cheng)中(zhong)都(dou)是(shi)一(yi)個(ge)團(tuan)隊(dui)的(de)協(xie)作(zuo),所(suo)以(yi)很(hen)厲(li)害(hai)的(de)工(gong)程(cheng)師(shi),溝(gou)通(tong)能(neng)力(li)也(ye)是(shi)很(hen)強(qiang)的(de),研(yan)發(fa)一(yi)個(ge)產(chan)品(pin)要(yao)跟(gen)很(hen)多(duo)部(bu)門(men)打(da)交(jiao)道(dao),技(ji)術(shu)類(lei)的(de)書(shu)要(yao)看(kan),技(ji)術(shu)問(wen)題(ti)也(ye)要(yao)探(tan)討(tao),同(tong)時(shi)溝(gou)通(tong)與(yu)禮(li)儀(yi)方(fang)麵(mian)的(de)知(zhi)識(shi)也(ye)要(yao)學(xue)習(xi),有(you)這(zhe)些(xie)前(qian)提(ti)條(tiao)件(jian),開(kai)發(fa)起(qi)來(lai)也(ye)就(jiu)容(rong)易(yi)多(duo)了(le)。
八、20年經驗資深工程師的感慨
我順便提一下,上麵原理圖中18的此飽和是500MT,即5000高斯,0,5特斯拉,普通鐵氧體到不了5000吧,頂多4000,好像才3500吧,所以一般的磁通密度選擇1500高斯,變壓器小的可以選大一些,變壓器大的要選小一些,頻彔高的減小頻彔低的可以大一些吧。
從(cong)我(wo)幹(gan)開(kai)關(guan)電(dian)源(yuan)近(jin)二(er)十(shi)年(nian),算(suan)是(shi)老(lao)手(shou)了(le),我(wo)非(fei)常(chang)深(shen)有(you)體(ti)會(hui)的(de)是(shi),開(kai)關(guan)電(dian)源(yuan)最(zui)難(nan)的(de)是(shi)環(huan)路(lu)參(can)數(shu),非(fei)常(chang)不(bu)好(hao)確(que)定(ding),普(pu)遍(bian)不(bu)大(da)穩(wen)定(ding)就(jiu)是(shi)環(huan)路(lu)沒(mei)有(you)調(tiao)好(hao),這(zhe)個(ge)是(shi)一(yi)個(ge)大(da)問(wen)題(ti)了(le),太(tai)多(duo)搞(gao)不(bu)定(ding)的(de)就(jiu)是(shi)這(zhe)個(ge)問(wen)題(ti)了(le),還(hai)有(you)變(bian)壓(ya)器(qi)參(can)數(shu)的(de)選(xuan)擇(ze)也(ye)是(shi)一(yi)個(ge)難(nan)點(dian),有(you)人(ren)說(shuo)變(bian)壓(ya)器(qi)的(de)分(fen)量(liang)非(fei)常(chang)大(da),確(que)定(ding)多(duo)少(shao)匝(za)比(bi),規(gui)格(ge),如(ru)果(guo)鐵(tie)損(sun)線(xian)損(sun)一(yi)樣(yang)最(zui)好(hao),絞(jiao)在(zai)一(yi)起(qi)了(le),無(wu)法(fa)確(que)定(ding)哪(na)個(ge)多(duo)哪(na)個(ge)少(shao)了(le),還(hai)有(you),如(ru)何(he)確(que)定(ding)磁(ci)通(tong)密(mi)度(du)多(duo)少(shao)為(wei)最(zui)合(he)適(shi),也(ye)是(shi)非(fei)常(chang)難(nan)了(le),這(zhe)個(ge)多(duo)年(nian)的(de)經(jing)驗(yan)非(fei)常(chang)重(zhong)要(yao),許(xu)多(duo)人(ren)變(bian)壓(ya)器(qi)不(bu)懂(dong)設(she)計(ji),還(hai)有(you),風(feng)鈴(ling)可(ke)以(yi)磁(ci)通(tong)大(da)一(yi)些(xie),自(zi)冷(leng)要(yao)小(xiao)一(yi)些(xie),都(dou)不(bu)是(shi)一(yi)件(jian)容(rong)易(yi)的(de)事(shi)情(qing)。
現在是很多人知識匱乏,沒有無線電技術的知識,那一些新手根本不懂,把PCBbuchengzhengqidefeichangsuiyiderenyizouxianle,henxiangjingxi,nagenbenhunao,bunengyongdebanle,xinyidaidezhishiduoyuanhua,youhuotaidale,shenmerendoukeyishangdaxuele,biruyixiezhigaodepugaomeibiyederenyeshangdaxuele,yingshijiaoyuyeshidawenti,rencaizhiliangbuxingle,shenmeyebudongderenduole,tamenzhaoyanggaokaifa,nengzuochengshenmehaochanpin,zuizhongyaodeshizhishihexuewen,queyoushizuibuzaihushiyoushixuewen,fuzaoshehuifuzaoderen,mannaozijiushiduanpingkuai,yaozhidaoyusuzebuda,zhihuichaoximofangnalaizhuyishanzhaizhifeng,mofangzhizaodiliechanpin,yinweisuoweidekaifarenyuanjiushibanyungong,erqiesuoweirencailiudong,banlaziyixiajiufeile,chenglezhengzhiziben,ganguoleshenmexiangmu,haiyoubushaoqishishitiaoshigong,jishurenyuan,maochongshenmekaifarenyuan,laobanjiyuqiucheng,yongdeqishishiweirencai,weirencaizhinengzhizaoweiliechanpinle,jiushizhihuikelongchanpinfuzhile,haizuobuhao,dagonglvdeqishibushaolaowaidechanpinnagezuochengle,xiaogonglvdexiangduirongyijiandanyixiebushaohaishizuochengle,danzuobuhaodeduoduole。
我談這個是非常普遍存在的社會現實,比如一位做12伏100安an,抄chao襲xi模mo仿fang八ba九jiu個ge月yue沒mei有you做zuo成cheng,最zui終zhong失shi敗bai打da水shui漂piao了le,其qi實shi可ke以yi做zuo成cheng的de,我wo見jian過guo那na個ge產chan品pin,同tong開kai發fa人ren員yuan一yi交jiao流liu,發fa現xian學xue問wen不bu行xing,我wo對dui那na位wei陳chen老lao板ban說shuo凶xiong多duo吉ji少shao九jiu成cheng以yi上shang要yao失shi敗bai的de,他ta不bu信xin,就jiu是shi我wo完wan全quan模mo仿fang一yi個ge地di方fang也ye不bu能neng漏lou下xia,難nan道dao做zuo不bu成cheng,結jie果guo呢ne,真zhen的de做zuo不bu成cheng了le,相xiang當dang多duo人ren都dou以yi為wei一yi抄chao就jiu成cheng一yi步bu到dao位wei,總zong是shi這zhe麼me說shuo,結jie果guo豈qi不bu,哪na個ge成cheng功gong了le,一yi敗bai塗tu地di了le。其qi實shi,那na個ge12伏100安真的不難,就是要有一些學問,失敗的原因就在這裏了。
yuanliangwotanlebiedefangmiandele,buguo,queshiqianzhenwanque,feichangpubianerqiechangtaihuadewomenzhegeshehuidexianshile,pubiandecongyerenyuanjiushizhishikuifa,jishuhenenglibuxing,jiushishengbanyingtao,kelongzhuyizhishang,,haoxiangwomenzhegeshehuijiushijiadakongdeshehui,duoshudechanpindoushizhemequgande。chenglebushaoqishiyoubushaolaowaifeichangbucuodechanpin,wodoujianguobushaole,zenmedoumeiyoujiandaowomenzuodeshijichanpinle,qishidabangxiaobangdouzaichaoxi,zenmejianbudaodongxiya,yinweidoushibailedashuipiaole,wozaizhelishuoledashihuade,feichangzhenshidebuyaowujiele。ruguoyouhebutuo,duoduojianliangba。
有一個非常真實的事例,比如01年我國一公司就做成了LLC多諧振的產品,由於效率高一時非常轟動,模仿者也登門而至,我是在03年(nian)初(chu)開(kai)始(shi)非(fei)常(chang)費(fei)勁(jin),與(yu)同(tong)事(shi)大(da)半(ban)年(nian)了(le),說(shuo)來(lai)奇(qi)怪(guai),原(yuan)機(ji)占(zhan)空(kong)比(bi)大(da)仿(fang)做(zuo)的(de)就(jiu)小(xiao)了(le),當(dang)時(shi)的(de)土(tu)辦(ban)法(fa)就(jiu)是(shi)把(ba)環(huan)流(liu)加(jia)大(da),但(dan)效(xiao)率(lv)降(jiang)低(di)了(le),另(ling)一(yi)家(jia)深(shen)圳(zhen)的(de)某(mou)一(yi)家(jia)公(gong)司(si)一(yi)直(zhi)做(zuo)不(bu)成(cheng),耗(hao)了(le)不(bu)少(shao)財(cai)力(li),老(lao)板(ban)火(huo)了(le)起(qi)來(lai)把(ba)那(na)位(wei)總(zong)工(gong)炒(chao)掉(diao)了(le)。我(wo)03年底離開了,改用SG3525,主結構有了,按照規律,3525的(de)死(si)區(qu)時(shi)間(jian)還(hai)可(ke)以(yi)調(tiao)整(zheng)呢(ne),占(zhan)空(kong)比(bi)大(da)了(le),就(jiu)這(zhe)樣(yang)做(zuo)成(cheng)功(gong)了(le),我(wo)是(shi)不(bu)會(hui)生(sheng)搬(ban)硬(ying)套(tao),比(bi)較(jiao)靈(ling)活(huo)的(de),人(ren)家(jia)做(zuo)不(bu)成(cheng)做(zuo)不(bu)好(hao)我(wo)就(jiu)可(ke)以(yi)做(zuo)到(dao)了(le),這(zhe)種(zhong)情(qing)況(kuang)很(hen)多(duo),所(suo)以(yi)不(bu)要(yao)完(wan)全(quan)克(ke)隆(long)死(si)板(ban)做(zuo),必(bi)須(xu)要(yao)會(hui)搞(gao)電(dian)路(lu)設(she)計(ji),如(ru)果(guo)是(shi)這(zhe)樣(yang),好(hao)多(duo)產(chan)品(pin)是(shi)可(ke)以(yi)做(zuo)成(cheng)的(de),可(ke)以(yi)模(mo)仿(fang)參(can)考(kao),結(jie)合(he)自(zi)主(zhu)設(she)計(ji),我(wo)的(de)這(zhe)一(yi)事(shi)例(li)不(bu)也(ye)充(chong)分(fen)說(shuo)明(ming)了(le)嗎(ma),學(xue)問(wen)和(he)靈(ling)活(huo)最(zui)重(zhong)要(yao)了(le),就(jiu)是(shi)這(zhe)麼(me)一(yi)回(hui)事(shi)。真(zhen)正(zheng)模(mo)仿(fang)成(cheng)功(gong)還(hai)做(zuo)的(de)不(bu)錯(cuo)的(de)技(ji)術(shu)功(gong)夫(fu)也(ye)非(fei)常(chang)不(bu)錯(cuo)了(le),許(xu)多(duo)人(ren)不(bu)懂(dong)這(zhe)個(ge)道(dao)理(li),就(jiu)是(shi)難(nan)道(dao)不(bu)成(cheng),不(bu)相(xiang)信(xin),真(zhen)的(de)如(ru)此(ci),失(shi)敗(bai)多(duo)多(duo)了(le),即(ji)使(shi)一(yi)些(xie)做(zuo)成(cheng)了(le),也(ye)是(shi)不(bu)三(san)不(bu)四(si)的(de),產(chan)品(pin)性(xing)能(neng)和(he)質(zhi)量(liang)是(shi)一(yi)個(ge)大(da)問(wen)題(ti),還(hai)是(shi)一(yi)句(ju)話(hua),偽(wei)人(ren)才(cai)製(zhi)造(zao)偽(wei)劣(lie)產(chan)品(pin),現(xian)實(shi)上(shang)偽(wei)人(ren)才(cai)多(duo)得(de)去(qu)了(le),產(chan)品(pin)冒(mao)牌(pai)貨(huo)多(duo)同(tong)樣(yang)的(de)人(ren)才(cai)冒(mao)牌(pai)貨(huo)一(yi)樣(yang)多(duo)了(le),其(qi)實(shi),大(da)家(jia)相(xiang)信(xin)的(de)倒(dao)是(shi)謊(huang)言(yan)的(de)多(duo),一(yi)抄(chao)就(jiu)成(cheng)一(yi)步(bu)到(dao)位(wei)就(jiu)是(shi)成(cheng)了(le)最(zui)大(da)的(de)謊(huang)言(yan)了(le)。滿(man)口(kou)子(zi)多(duo)麼(me)省(sheng)事(shi)節(jie)省(sheng)成(cheng)本(ben),甚(shen)至(zhi)更(geng)有(you)甚(shen)者(zhe),全(quan)打(da)包(bao)連(lian)圖(tu)紙(zhi)都(dou)沒(mei)有(you),壞(huai)了(le)就(jiu)是(shi)修(xiu)電(dian)器(qi)一(yi)樣(yang),把(ba)壞(huai)的(de)找(zhao)出(chu)來(lai)換(huan)掉(diao)就(jiu)可(ke)以(yi)了(le),這(zhe)個(ge)就(jiu)是(shi)投(tou)機(ji)主(zhu)義(yi)幹(gan)事(shi)了(le),肯(ken)定(ding)這(zhe)樣(yang)做(zuo)的(de)問(wen)題(ti)特(te)別(bie)大(da),他(ta)們(men)就(jiu)是(shi)把(ba)財(cai)力(li)花(hua)在(zai)營(ying)銷(xiao)廣(guang)告(gao)戰(zhan)了(le)。
特別推薦
- 噪聲中提取真值!瑞盟科技推出MSA2240電流檢測芯片賦能多元高端測量場景
- 10MHz高頻運行!氮矽科技發布集成驅動GaN芯片,助力電源能效再攀新高
- 失真度僅0.002%!力芯微推出超低內阻、超低失真4PST模擬開關
- 一“芯”雙電!聖邦微電子發布雙輸出電源芯片,簡化AFE與音頻設計
- 一機適配萬端:金升陽推出1200W可編程電源,賦能高端裝備製造
技術文章更多>>
- 築基AI4S:摩爾線程全功能GPU加速中國生命科學自主生態
- 一秒檢測,成本降至萬分之一,光引科技把幾十萬的台式光譜儀“搬”到了手腕上
- AI服務器電源機櫃Power Rack HVDC MW級測試方案
- 突破工藝邊界,奎芯科技LPDDR5X IP矽驗證通過,速率達9600Mbps
- 通過直接、準確、自動測量超低範圍的氯殘留來推動反滲透膜保護
技術白皮書下載更多>>
- 車規與基於V2X的車輛協同主動避撞技術展望
- 數字隔離助力新能源汽車安全隔離的新挑戰
- 汽車模塊拋負載的解決方案
- 車用連接器的安全創新應用
- Melexis Actuators Business Unit
- Position / Current Sensors - Triaxis Hall
熱門搜索




