創新性電源的解決方案,將有利於交通運輸係統的使用
發布時間:2017-11-20 來源:Crystal 責任編輯:lina
交通運輸係統需求
交通運輸係統的輸入電壓可能高達 14V (單電池供電汽車)、28V (雙電池供電卡車、客車和飛機)、或更高電壓,而其數字係統需要一個或更多個低壓軌。因此,設計這類係統時,需要了解怎樣才能簡便、高效和可靠地從很高的輸入電壓降壓。以下圖 1 xianshi,qichehuanjingzhongdeshurudianyakenengshiqiyunxingzhuangtaidegaibianergaibian,erqiyunxingzhuangtaikenengbaokuofuzaitujiangbianhuadaolengchefadongdegezhongqingkuang,shenzhichuxiandianchifanxianglianjie。
圖 1:典型的汽車瞬態情況
NOMINAL 14V:標稱 14V
120V LOAD DUMP:120V 負載突降
6V CRANK:6V 冷車發動
85V NOISE:85V 噪聲
24V JUMP START:24V 猛然起動
REVERSE BATTERY:電池反向連接
當應用要求以非常高的效率進行電源轉換,以(yi)最(zui)大(da)限(xian)度(du)減(jian)少(shao)轉(zhuan)換(huan)過(guo)程(cheng)中(zhong)由(you)功(gong)率(lv)損(sun)耗(hao)導(dao)致(zhi)的(de)熱(re)量(liang)時(shi),采(cai)用(yong)開(kai)關(guan)穩(wen)壓(ya)器(qi)解(jie)決(jue)方(fang)案(an)是(shi)有(you)幫(bang)助(zhu)的(de)。開(kai)關(guan)穩(wen)壓(ya)器(qi)本(ben)質(zhi)上(shang)是(shi)單(dan)片(pian)器(qi)件(jian),片(pian)內(nei)集(ji)成(cheng)了(le) MOSFET,采用了同步或非同步配置。或者,開關穩壓器也可以由一個開關控製器組成,該控製器驅動采用單級或多級拓撲 (多相) 的外部 MOSFET,以提供數十安培至數百安培級的功率。為了滿足如此大的功率範圍要求,ADIgongsitigongleguangfandekaiguanwenyaqijiejuefangan,yishiyonghunenggouanzhaozuizhongxitongsuoxudetedingshejibiaozhun,xuanzezuishiyongdeqijian。xiangyingdi,womendekaiguanwenyaqiyoufeichangkuandeshurudianyafanwei (從 5V 直至 150V),輸出功率級從數百毫安直至高於 1,000A。
這種開關穩壓器的一個例子是 LTC3895,該器件是一個具有 150V 輸入的同步降壓型轉換器,可配置為多相運行,如圖 2 所示。

圖 2:LTC3895 原理圖以及效率隨功率損耗變化的曲線
VOUT FOLLOWS VIN WHEN VIN < 12V:VIN < 12V 時,VOUT 跟隨 VIN
EFFICIENCY:效率
POWER LOSS:功率損耗
LOAD CURRENT:負載電流
在任何交通運輸係統中都有一個常見問題:怎樣才能在不影響性能和轉換效率的前提下,獲得高降壓比和占板麵積緊湊的解決方案? 直到不久前,依然沒有一款解決方案能夠在不犧牲其他性能的情況下達到所有關鍵性能標準。不過,隨著ADI公司單片、2MHz 以上、同步降壓型轉換器 LT86xx 係列的推出,所有必要的性能標準都可以立即得到滿足了。
一個很好的例子是 LT8609,這是一款 2A、42V 輸入同步降壓型開關穩壓器。獨特的同步整流拓撲提供 93% 的效率,而以 2MHz 頻率切換使設計師能夠避開關鍵噪聲敏感頻段,例如 AM 無線電,同時可提供占板麵積非常緊湊的解決方案。突發模式 (Burst Mode®) 運行在無負載備用情況下保持靜態電流低於 2.5μA,從而使該器件非常適合始終保持接通的係統。LT8609 的 3.0V 至 42V 輸入電壓範圍使其非常適合汽車應用,這類應用必須以低至 3.0V 的最低輸入電壓穩定通過冷車發動和停-啟情況,並穩定通過超過 40V 的負載瞬態。其內部 3.5A 開關可在峰值負載電流為 3A 時,提供高達 2A 的連續輸出電流。原理圖和相應於 2MHz 切換頻率的效率曲線如圖 3 所示。

圖 3:LT8609 原理圖和效率曲線
由(you)於(yu)在(zai)單(dan)電(dian)池(chi)或(huo)雙(shuang)電(dian)池(chi)供(gong)電(dian)車(che)輛(liang)中(zhong),冷(leng)車(che)發(fa)動(dong)和(he)負(fu)載(zai)突(tu)降(jiang)情(qing)況(kuang)很(hen)常(chang)見(jian),所(suo)以(yi)很(hen)多(duo)交(jiao)通(tong)運(yun)輸(shu)係(xi)統(tong)都(dou)提(ti)供(gong)很(hen)寬(kuan)的(de)輸(shu)入(ru)電(dian)壓(ya)範(fan)圍(wei)。而(er)且(qie)使(shi)情(qing)況(kuang)更(geng)加(jia)複(fu)雜(za)的(de)是(shi),所(suo)需(xu)輸(shu)出(chu)電(dian)壓(ya)有(you)可(ke)能(neng)超(chao)出(chu)這(zhe)種(zhong)已(yi)經(jing)很(hen)寬(kuan)的(de)輸(shu)入(ru)電(dian)壓(ya)範(fan)圍(wei)。因(yin)此(ci),係(xi)統(tong)設(she)計(ji)師(shi)麵(mian)臨(lin)的(de)複(fu)雜(za)問(wen)題(ti)是(shi),無(wu)論(lun)輸(shu)入(ru)電(dian)壓(ya)是(shi)高(gao)於(yu)、低於還是等於輸出電壓,所設計的解決方案都必須允許固定輸出。
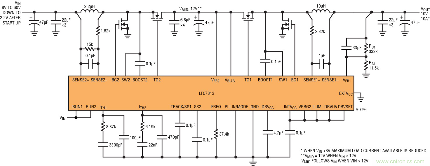
解決這種問題的常見方法是采用 SEPIC 拓撲轉換器。不過這種轉換器的設計很複雜,需要兩個電感器,而且通常空間利用率和轉換效率都不高。因此,ADI公司設計了廣泛的 4 開關降壓-升壓型控製器,這些控製器不僅簡化了設計,還提供很高的空間利用率和轉換效率,功率損耗在 5% 至 7% 之間 (視輸入至輸出電壓範圍而定)。圖 4 所示 LT8705 是一個 4V 至 80V 輸入的降壓-升壓型控製器例子,該器件提供車輛環境中常見的一個固定 12V 輸出。

圖 4:詳細的 LT8705 原理圖,從 4V 至 80V 輸入提供固定 12V 輸出
INCREASED VOUT RIPPLE FOR VIN > 60V:VIN > 60V 時,VOUT 紋波增大
jiejueqichelengchefadongwentidelingyizhongfangfashi,caiyongshengyaxingzhuanhuanqi,houmianzaigenyigejiangyaxingzhuanhuanqi。zaizhezhongtuopuzhong,congdandianchitigongdeshengyaxingzhuanhuanqi之輸(shu)出(chu)設(she)定(ding)為(wei)比(bi)電(dian)池(chi)的(de)標(biao)稱(cheng)電(dian)壓(ya)高(gao)出(chu)幾(ji)伏(fu),然(ran)後(hou)再(zai)用(yong)一(yi)個(ge)降(jiang)壓(ya)型(xing)轉(zhuan)換(huan)器(qi)對(dui)其(qi)降(jiang)壓(ya),使(shi)其(qi)達(da)到(dao)下(xia)遊(you)電(dian)子(zi)組(zu)件(jian)所(suo)需(xu)的(de)工(gong)作(zuo)電(dian)壓(ya)。盡(jin)管(guan)這(zhe)種(zhong)方(fang)法(fa)需(xu)要(yao)兩(liang)個(ge)轉(zhuan)換(huan)器(qi),但(dan)是(shi)ADI公司已經開發出一款整合了升壓型控製器和降壓型控製器的器件,兩個控製器既可獨立使用,又可作為升壓-降壓跟隨器使用。圖 5 中用LTC7813 說明這種器件的工作原理。

圖 5:LTC7813 原理圖 ~~ 一個級聯的升壓及降壓型單輸出控製器 IC
8V TO 60V DOWN TO 2.2V AFTER START-UP:8V 至 60V,啟動後降至 2.2V
低噪聲電源管理
電磁輻射 (EMR)、電磁幹擾 (EMI) 和電磁兼容 (EMC) 這些術語與帶電粒子及有關磁場的能量有關,這種能量有可能影響電路性能和幹擾信號傳輸。隨著無線通信的普及、大量通信設備的湧現以及通信方法日益增多、占用越來越多的頻譜 (有些頻段是相互重疊的),電(dian)磁(ci)幹(gan)擾(rao)已(yi)經(jing)成(cheng)為(wei)揮(hui)之(zhi)不(bu)去(qu)的(de)事(shi)實(shi)。為(wei)了(le)減(jian)輕(qing)電(dian)磁(ci)幹(gan)擾(rao)的(de)影(ying)響(xiang),很(hen)多(duo)政(zheng)府(fu)機(ji)構(gou)和(he)監(jian)管(guan)機(ji)構(gou)都(dou)設(she)定(ding)了(le)通(tong)信(xin)設(she)備(bei)及(ji)儀(yi)器(qi)儀(yi)表(biao)的(de)電(dian)磁(ci)輻(fu)射(she)限(xian)度(du)。
因此,很顯然的是,低輻射是很多汽車和交通運輸設備製造商的關鍵要求。係統設計師怎樣才能滿足汽車 CISPR 25、Class 5 (圖 6 所示) 的嚴格要求,同時仍然保持高效率和很小的解決方案尺寸呢?
圖 6a:LT8614 的輻射值遠低於 CISPR25、Class 5 限製
AMPLITUDE:幅度
VERTICAL POLARIZATION:垂直極化
PEAK DETECTOR:峰值檢測器
CLASS 5 PEAK LIMIT:Class 5 峰值限製
FIXED FREQUENCY MODE:固定頻率模式
SPREAD SPECTRUM MODE:擴展頻譜模式
FREQUENCY:頻率
圖 6b:采用 Silent Switcher 拓撲的 LT8614
一種答案也許是采用ADI的 Silent Switcher® 係列器件。以 LT8614 為例,這是一款42V 輸入、4A 輸出、單片降壓型轉換器,以高於 2MHz 的開關頻率和 94% 的轉換效率切換,由於其很短的 30ns 最短接通時間,因此可滿足 16V 輸入至 1.8V 輸出降壓比。此外,由於采用了已獲專利的 Silent Switcher 技術,所以該器件可超越 CISPR 25 和 CISPR 22 Class B輻射要求,如圖 7 所示。

圖 7:LT8614 滿足 CISPR 22 和 CISPR 25 要求
NOISE FLOOR:噪聲層
FREQUENCY:頻率
RADIATED NOISE LEVEL:輻射噪聲值
CISPR 22 RADIATED CLASS B LIMITS:CISPR 22 Class B 輻射限製
低靜態電流也是關鍵要求
在交通運輸電子係統中,有很多應用要求連續供電,甚至在車輛已經停泊後,例如遙控無鑰匙進入、安防甚至個人信息娛樂係統,這類應用通常還包括導航、GPS 定(ding)位(wei)和(he)緊(jin)急(ji)呼(hu)叫(jiao)係(xi)統(tong)。也(ye)許(xu)難(nan)以(yi)理(li)解(jie),為(wei)什(shen)麼(me)這(zhe)些(xie)係(xi)統(tong)甚(shen)至(zhi)在(zai)車(che)輛(liang)未(wei)行(xing)使(shi)時(shi)也(ye)必(bi)須(xu)保(bao)持(chi)接(jie)通(tong),不(bu)過(guo)可(ke)以(yi)理(li)解(jie)的(de)是(shi),為(wei)了(le)應(ying)對(dui)緊(jin)急(ji)情(qing)況(kuang)和(he)保(bao)證(zheng)安(an)全(quan),GPS 係統必須“始終保持接通”。這種要求很有必要,以便在需要時通過外部操作運用基本控製功能。
這類應用的一個關鍵要求是低靜態電流,以延長電池壽命。自 2010 年以來,ADI一直在生產備用靜態電流低於 10mA 的開關穩壓器,我們最近推出的一些較新產品的備用靜態電流已經低於 2mA 了。因此,這些產品已經為應用於很多汽車電子係統做好了充分準備。
結論
ADI公司提供了豐富的開關穩壓器產品,這些產品滿足對開關穩壓器的所有要求,而且這些產品的特性非常適合多種交通運輸係統,其特性包括:
· 很寬的輸入電壓範圍:2.xV 至 150V
· 在備用模式具低靜態電流:典型情況下低於 10mA
· 最低限度的輸出噪聲和很低的 EMI / EMC 輻射
· 擴展的溫度範圍:在 150°C 環境溫度和結溫時保證運行
· 高效率:滿負載時高達 97%,輕負載情況下高達 80%
· 低熱阻封裝:低至 10°C/W (qjc)
· 以高降壓比、高開關頻率運行:高達 4MHz
· 高電流密度:采用 3mm x 5mm MSOP 封裝,提供高達 5A 連續輸出電流
· 行業領先的 FIT 率:典型情況下低於 0.2
推薦閱讀:
電阻器色環編碼的小秘密,一開始我也不知道!
解決產品電磁兼容問題,工程師都用哪些方法呢?
菜鳥與老手搭電路板有什麼區別?一比嚇一跳!
引發電路故障很難檢測,通常就是這個原因!
- 噪聲中提取真值!瑞盟科技推出MSA2240電流檢測芯片賦能多元高端測量場景
- 10MHz高頻運行!氮矽科技發布集成驅動GaN芯片,助力電源能效再攀新高
- 失真度僅0.002%!力芯微推出超低內阻、超低失真4PST模擬開關
- 一“芯”雙電!聖邦微電子發布雙輸出電源芯片,簡化AFE與音頻設計
- 一機適配萬端:金升陽推出1200W可編程電源,賦能高端裝備製造
- 貿澤EIT係列新一期,探索AI如何重塑日常科技與用戶體驗
- 算力爆發遇上電源革新,大聯大世平集團攜手晶豐明源線上研討會解鎖應用落地
- 創新不止,創芯不已:第六屆ICDIA創芯展8月南京盛大啟幕!
- AI時代,為什麼存儲基礎設施的可靠性決定數據中心的經濟效益
- 矽典微ONELAB開發係列:為毫米波算法開發者打造的全棧工具鏈
- 車規與基於V2X的車輛協同主動避撞技術展望
- 數字隔離助力新能源汽車安全隔離的新挑戰
- 汽車模塊拋負載的解決方案
- 車用連接器的安全創新應用
- Melexis Actuators Business Unit
- Position / Current Sensors - Triaxis Hall



