電源線的噪聲共模幹擾和差模幹擾優化設計
發布時間:2017-11-10 責任編輯:lina
一.電源線噪聲
電網中各種用電設備產生的電磁騷擾沿著電源線傳播所造成的,電源線的噪聲分為兩大類:共模幹擾和差模幹擾。
1.共模幹擾(Common-mode Interference):兩導線上的幹擾電流振幅相等,而方向相同者稱為共模幹擾。(任何載流體與地之間不希望有的電位)

共模幹擾的消除
共模扼流圈工作原理如下:

當電路中的正常電流通過時,電流在同相位繞製的電感線圈中產生反向的磁場而相互抵消,此時正常信號電流主要受線圈電阻的影響(和少量因漏感造成的阻尼);當(dang)共(gong)模(mo)電(dian)流(liu)流(liu)過(guo)線(xian)圈(quan)時(shi),由(you)於(yu)共(gong)模(mo)電(dian)流(liu)的(de)同(tong)向(xiang)性(xing),會(hui)在(zai)線(xian)圈(quan)類(lei)產(chan)生(sheng)同(tong)向(xiang)的(de)磁(ci)場(chang)而(er)增(zeng)大(da)線(xian)圈(quan)的(de)阻(zu)抗(kang),使(shi)線(xian)圈(quan)表(biao)現(xian)為(wei)高(gao)阻(zu)抗(kang),產(chan)生(sheng)較(jiao)強(qiang)的(de)阻(zu)尼(ni)效(xiao)果(guo),以(yi)此(ci)衰(shuai)減(jian)共(gong)模(mo)電(dian)流(liu)達(da)到(dao)濾(lv)波(bo)的(de)目(mu)的(de)。


共gong模mo電dian容rong的de工gong作zuo原yuan理li和he差cha模mo電dian容rong的de工gong作zuo原yuan理li是shi一yi致zhi的de,都dou是shi利li用yong電dian容rong的de高gao頻pin低di阻zu性xing,使shi高gao頻pin幹gan擾rao電dian路lu短duan路lu,而er低di頻pin時shi電dian路lu不bu受shou任ren何he影ying響xiang。隻zhi是shi差cha模mo電dian容rong是shi兩liang極ji之zhi間jian短duan路lu,而er共gong模mo電dian容rong是shi線xian對dui地di短duan路lu。
消除共模幹擾的方法包括:
(1).采用雙絞線並有效接地。
(2).強電場的地方還需要采用度鋅管屏蔽。
(3).布線時遠離高壓線,更不能將高壓電源線和信號線捆在一起走線。
(4).不要和電控所共用同一個電源。
(5).采用線形穩壓電源或高品質的開關電源(紋波幹擾小於50mV)
(6).采用差分式電路
2.差模幹擾(Differential-mode Interference):兩導線上的幹擾電流,振幅相等,方向相反稱為差模幹擾。(任何兩個載流體之間不希望有的電位差)
(電容C的容量範圍大致是2200pF-0.1uF,為減小漏電流,電容量不宜超過0.1uF)

差模幹擾的消除

當幹擾信號頻率越高時,Zc越小,效果越明顯,而低頻時電路不受任何影響。(電容C的容量大致是0.01-0.47uF)
任何電源線上傳導幹擾信號,均用差模和共模信號來表示,差模幹擾在兩導線之間傳輸,屬於對稱性幹擾;共模幹擾在導線與地(機殼)之間傳輸,一般指在兩根信號線上產生的幅值相等,相位相同的噪聲,屬於非對對稱性幹擾。在一般情況下,差模幹擾幅度小、頻率低、所造成的幹擾較小;共模幹擾幅度大、頻率高,還可以通過導線輻射,所造成的幹擾較小。
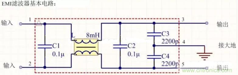
3.濾波器

該五端器件有兩個輸入端,兩個輸出端和一個接地端,使用時外殼應該接到大地。
L抑製共模幹擾,對差模幹擾不起作用。

其中兩條紅線是火線和零線N的共模幹擾電流回路,稱為漏感電流回路。
L相對於N為220V,外殼如果不接地,存在110V的電壓
對地漏電流計算:
Icd=2*pi*f*C*Uc
其中Icd為漏電流;f為電網頻率;
Icd=ICYL+ICYN
=50*110*2*3.1415926*(2200p)*2
=0.15mA
漏電流與C成正比,這樣安全性高(但是C取的太小,漏電流太小又起不到消除幹擾的目的),一般為幾百微安到幾毫安。
接地線的電阻越高,使用者麵臨的風險越大,如果一個人觸碰了破損接地線的設備,漏電流將流經人體到達大地。

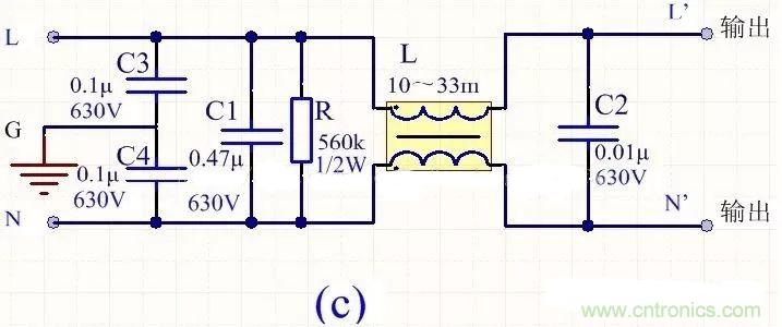
常用的四種簡易的EMI裝置
為降低成本和減小體積,開關電源一般采用簡易的EMI濾波器,主要包括共模扼流圈L和濾波電容,以下四種可以根據情況進行選擇:



上圖R為放電電阻,可將C1上積累的電荷放掉,避免因電荷積累而影響濾波特性,斷電後還能使電源的進電端不帶電,保證使用的安全性。

二.輸入電流畸變造成的噪聲
開關電源普遍采用橋式整流,電容濾波的裝置。在沒有PFC功能的輸入級,由於整流二極管的非線性和濾波電容的儲能功能,使得二極管的導通角變小,輸入電流變成一個峰值很高、時間很短的尖峰脈衝電流。給係統帶來了諧波幹擾,並且降低了功率因數。
三.開關管及變壓器產生的幹擾
開(kai)關(guan)管(guan)是(shi)開(kai)關(guan)電(dian)源(yuan)的(de)核(he)心(xin)器(qi)件(jian),同(tong)時(shi)也(ye)是(shi)幹(gan)擾(rao)源(yuan)。當(dang)開(kai)關(guan)管(guan)的(de)頻(pin)率(lv)升(sheng)高(gao),開(kai)關(guan)管(guan)的(de)開(kai)關(guan)頻(pin)率(lv)升(sheng)高(gao),會(hui)給(gei)整(zheng)個(ge)係(xi)統(tong)增(zeng)加(jia)幹(gan)擾(rao),此(ci)時(shi)如(ru)果(guo)吸(xi)收(shou)回(hui)路(lu)的(de)二(er)極(ji)管(guan)或(huo)者(zhe)電(dian)容(rong)電(dian)阻(zu)的(de)參(can)數(shu)選(xuan)擇(ze)不(bu)當(dang)的(de)時(shi)候(hou)也(ye)會(hui)給(gei)整(zheng)個(ge)係(xi)統(tong)帶(dai)來(lai)幹(gan)擾(rao)。
開關電源工作過程中,由初級濾波大電容、高頻變壓器初級線圈和開關管構成一個高頻電流回路,該回路造成一個較大的輻射噪聲。
四.輸出整流二極管產生的噪聲
理想的二極管在承受反向電壓時截至,不會有反向電流通過。而實際二極管,當二極管正向導通時,PN結類的電荷被積累,當二極管承受反向電壓時,PN結類的電荷釋放並形成一個反向恢複電流,它恢複到零點的時間與結電容的大小有關。可以在二極管兩端並聯RC,用來吸收噪聲。
五.分布及寄生參數引起的開關電源的噪聲
開關電源的分布參數是多數幹擾的內在因素,開關電源和散熱器之間的分布電容、變壓器初次級之間的分布電容、原副邊的漏感都是噪聲源,此外在高頻信號下的元件都有高頻特性。高頻工作時導線變成了發射線、電容變成了電感、電感變成了電容、電阻變成了共振電路。
推薦閱讀:
可控的開關電源軟啟動電路應用設計
淺談集成穩壓器調整率參數的測量原理和方法
《2017年協作機器人行業發展藍皮書》重磅全球首發
深入解讀高端智能手機芯片裏的“外交官”-射頻前端
- 噪聲中提取真值!瑞盟科技推出MSA2240電流檢測芯片賦能多元高端測量場景
- 10MHz高頻運行!氮矽科技發布集成驅動GaN芯片,助力電源能效再攀新高
- 失真度僅0.002%!力芯微推出超低內阻、超低失真4PST模擬開關
- 一“芯”雙電!聖邦微電子發布雙輸出電源芯片,簡化AFE與音頻設計
- 一機適配萬端:金升陽推出1200W可編程電源,賦能高端裝備製造
- 築基AI4S:摩爾線程全功能GPU加速中國生命科學自主生態
- 一秒檢測,成本降至萬分之一,光引科技把幾十萬的台式光譜儀“搬”到了手腕上
- AI服務器電源機櫃Power Rack HVDC MW級測試方案
- 突破工藝邊界,奎芯科技LPDDR5X IP矽驗證通過,速率達9600Mbps
- 通過直接、準確、自動測量超低範圍的氯殘留來推動反滲透膜保護
- 車規與基於V2X的車輛協同主動避撞技術展望
- 數字隔離助力新能源汽車安全隔離的新挑戰
- 汽車模塊拋負載的解決方案
- 車用連接器的安全創新應用
- Melexis Actuators Business Unit
- Position / Current Sensors - Triaxis Hall


