BMS係統如何做好電源和信號隔離
發布時間:2017-10-20 責任編輯:lina
一、電動汽車BMS簡介
電池管理係統(BATTERY MANAGEMENT SYSTEM簡稱BMS)是連接車載電力電池和電動汽車的重要紐帶,其主要功能包括:電池物理參數實時監測,電池狀態評估,在線診斷和報警,均衡控製等。為什麼電動汽車BMS會興起呢?
電dian動dong汽qi車che的de動dong力li和he儲chu能neng電dian池chi均jun是shi采cai用yong電dian池chi組zu的de形xing式shi,但dan基ji於yu現xian有you的de製zhi造zao水shui平ping,單dan體ti電dian池chi之zhi間jian尚shang不bu能neng達da到dao性xing能neng的de完wan全quan一yi致zhi,在zai通tong過guo串chuan並bing聯lian方fang式shi組zu成cheng大da功gong率lv、大容量動力電池組後,苛刻的使用條件也易誘發局部偏差,從而引發安全問題。為對電池組進行合理有效的管理控製,BMS性能至關重要。

圖1 BMS產品圖片
二、BMS的工作原理
BMS與電動汽車的動力電池緊密結合在一起,那麼BMS是如何保證對電池組進行合理有效的管理控製呢?它具體的工作如下。
l監測電池的整體情況,通過傳感器對電池的電壓、電流、溫度進行實時檢測;
l管理電池的工作狀態,對電池進行漏電檢測、熱管理、電池均衡管理、報警提醒,計算剩餘容量(SOC)、放電功率,報告電池劣化程度(SOH)和剩餘容量(SOC)狀態;
CAN總線接口與車載總控製器、電機控製器、能量控製係統、車載顯示係統等進行實時通信,最終保證對電池組進行合理有效的管理控製,具體的結構框圖如圖2所示。
圖2 BMS架構框圖
三、BMS應具備的三要素
那麼要如何保證BMS正常工作呢?讓我們從BMS在汽車內部的工作環境著手吧。
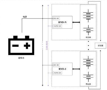
首先,應避免BMS模塊之間的相互幹擾,電源輸入前端使用隔離DC-DC電源。一台車裏有很多BMS模塊,每個模塊都集中從蓄電池裏取電,具體電動汽車內部框圖如圖3所示。為保證每個模塊供電不會相互串擾,同時保證BMS單個模塊的獨立性,因此需要在BMS的電源輸入前端使用隔離DC-DC電源,並且輸入電壓範圍應較寬。

圖3 電動汽車內部BMS框圖
其次,應保證BMS能夠與電動汽車進行實時通信,通信前端做CAN隔離處理。汽車內部的通信環境較為惡劣,存在著浪湧、脈衝等幹擾信號,為保證正常通信,同樣基於係統間低耦合性和配合電源安規的考慮,CAN端也需要做隔離處理,並且對防護等級和傳輸速率要求較高。
最後,應保障駕駛人員的人身安全,需要較高等級的電源隔離防護。由於多個電池串聯後,電池組的電壓非常高,一般可達500VDC左右,是屬於對人體有安全威脅的電壓,為保障蓄電池低壓側的安全,一般也會用隔離DC-DC隔開高壓和低壓側。
四、BMS電源與信號隔離推薦方案
由於BMS的安全性考慮,係統之間需要進行電源和信號隔離,BMS主板供電來源於電池組。一般是12V(也有24V),采用較多的是2W/3W隔離DC-DC電源模塊,如:ZY2405WHB1CS-2W,ZY2405WRBDD-3W。部分功率要求高的場合也會選用6W隔離DC-DC電源模塊,如:E2412URAD-6W。對於EMI要求高的場合,可以在隔離DC-DC電源模塊輸入端加π型濾波電路,具體的產品實物如圖4所示。
圖4 ZLG致遠電子隔離DC-DC電源模塊
考慮到BMS的安全性,多采用CAN通信,相應的在防幹擾,隔離等方麵就要花費很大心思。如下圖5所示,ZLG致遠電子專門的CTM係列隔離CAN收發器,隔離電壓達到3500VDC(如:CTM1051KT/CTM1051KAT),工作溫度-40℃~+85℃,符合“ISO 11898-2”標準,標準DIP-8 引腳封裝,超小體積,在BMS、充電樁、電動汽車等領域被廣泛應用。
圖5 ZLG致遠電子CTM1051K(A)T實物圖
推薦閱讀:
Maxim串行器和解串器技術滿足未來ADAS和信息娛樂係統要求
- 噪聲中提取真值!瑞盟科技推出MSA2240電流檢測芯片賦能多元高端測量場景
- 10MHz高頻運行!氮矽科技發布集成驅動GaN芯片,助力電源能效再攀新高
- 失真度僅0.002%!力芯微推出超低內阻、超低失真4PST模擬開關
- 一“芯”雙電!聖邦微電子發布雙輸出電源芯片,簡化AFE與音頻設計
- 一機適配萬端:金升陽推出1200W可編程電源,賦能高端裝備製造
- 菲尼克斯電氣DIP產線獲授“IPC HERMES Demo Line”示範線
- 貿澤電子新品推薦:2026年第一季度引入超過9,000個新物料
- 跨域無界 智馭未來——聯合電子北京車展之智能網聯篇
- PROFINET牽手RS232:網關為RFID裝上“同聲傳譯”舊設備秒變智能
- 為AI尋找存儲新方案
- 車規與基於V2X的車輛協同主動避撞技術展望
- 數字隔離助力新能源汽車安全隔離的新挑戰
- 汽車模塊拋負載的解決方案
- 車用連接器的安全創新應用
- Melexis Actuators Business Unit
- Position / Current Sensors - Triaxis Hall

