MCU單片機並行通訊的原理參考
發布時間:2017-07-03 責任編輯:susan
【導讀】某係統中使用了三路串行接口的傳感器(GPS、壓力和風向)及三路模擬電流(4~20mA)接口的傳感器(濕度、溫度和水位)。現需要將這些數據彙總後通過串口上傳給PC機,並且要求每路信號數據都能夠實時獨立的接收。
1. 問題的提出
某係統中使用了三路串行接口的傳感器(GPS、壓力和風向)及三路模擬電流(4~20mA)接口的傳感器(濕度、溫度和水位)。現需要將這些數據彙總後通過串口上傳給PC機,並且要求每路信號數據都能夠實時獨立的接收。
2.係統設計
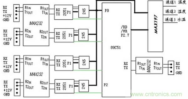
經過分析,我們分別使用一塊2051單片機接收各路串口傳感器的數據,同時使用一塊多路高精度ADC對轉換成電壓的溫度等信號采樣,係統結構圖如圖1所示。主從機之間的具體管腳連接參見圖2。

圖1.係統結構框圖
係統中51單片機作為主機控製著整個係統的動作並發起每次通信,每塊2051作為實時從傳感器獲取數據並在主機控製下完成通信。主機和各從機之間通過並口連接通信。主從機工作流程如下:
· 主機上電初始化後,通過P0口發送從機地址選中一路從機並等待應答。
· 各從機上電初始化後接收傳感器串行數據,然後通過P1口接收主機地址,當地址與自己相符後,調整245方向並由245向主機發送傳感器數據,此過程由握手線負責控製。
· 從機發送完所有數據後再次將245方向改為接收,重新開始接收傳感器數據和主機發送的地址。
· 主機按照同樣方式接收所有各路2051數據。
· 串口數據接收完畢後,主機控製AD轉換並獲取三路信號數據。
· 主機將所有數據集合成規定格式後通過232發送給PC機。
主從機的工作流程圖如圖3所示:

圖2.主從機間的管腳連接

圖3.主從機工作流程圖
主要程序代碼分別如下,主機為:
……
sbit adc_busy=P3^2;
sbit adc_hben=P3^3;
sbit hand1=P2^0;//GPS
sbit hand2=P2^1;//PRESSURE
sbit hand3=P2^2;//WIND
sbit hand4=P2^3;//BAK1
uchar idata gps[96];
uchar idata pressure[9];
uchar idata wind[26];
uchar idata tem[6];
uchar idata hum[6];
uchar idata water_tem[7];
……
P1=0x01;
for(i=0;i《96;i++){
while(hand1!=0);
gps[i]=P1;
while(hand1==0);
}
sendbyte2pc(’#’);
sendbyte2pc(’#’);
sendbyte2pc(’1’);
sendbyte2pc(’ ’);
sendbyte2pc(’ ’);
send2pc(gps,96);
……
從機為:
……
sbit dir=P3^2;
sbit en=P3^3;
sbit hand=P3^4;
……
loop:
RI=0;i=0;
while(!RI);//wait for receiving ready
if (SBUF!=0x40)//data head
goto loop;
data_str[i]=0x40;i++;
RI=0;
while(!RI);//wait for receiving ready
if (SBUF!=0x40)//data head
goto loop;
data_str[i]=0x40;i++;
do{
RI=0;
while(!RI);
data_str[i]=SBUF;
i++;
}
while(i!=96);
dir=0;en=0;//enable data receiving P1=0xff;
for(i=0;i《100;i++){
if(P1==0x01)
goto send;
}
en=1;
goto loop;
send:
for(i=0;i《96;i++){
dir=1;
P1=data_str[i];
hand=0;
for(j=0;j《5;j++){;}
hand=1;
}
en=1;dir=0;
goto loop;
……
3.結語
本文中提出的並行通信方法具有電路結構簡單清晰、程序容易實現等特點,已經在實際中證明可行。在調試過程中可以借用串口助手等軟件接收數據來驗證通信的可靠性。
特別推薦
- 噪聲中提取真值!瑞盟科技推出MSA2240電流檢測芯片賦能多元高端測量場景
- 10MHz高頻運行!氮矽科技發布集成驅動GaN芯片,助力電源能效再攀新高
- 失真度僅0.002%!力芯微推出超低內阻、超低失真4PST模擬開關
- 一“芯”雙電!聖邦微電子發布雙輸出電源芯片,簡化AFE與音頻設計
- 一機適配萬端:金升陽推出1200W可編程電源,賦能高端裝備製造
技術文章更多>>
- 貿澤EIT係列新一期,探索AI如何重塑日常科技與用戶體驗
- 算力爆發遇上電源革新,大聯大世平集團攜手晶豐明源線上研討會解鎖應用落地
- 創新不止,創芯不已:第六屆ICDIA創芯展8月南京盛大啟幕!
- AI時代,為什麼存儲基礎設施的可靠性決定數據中心的經濟效益
- 矽典微ONELAB開發係列:為毫米波算法開發者打造的全棧工具鏈
技術白皮書下載更多>>
- 車規與基於V2X的車輛協同主動避撞技術展望
- 數字隔離助力新能源汽車安全隔離的新挑戰
- 汽車模塊拋負載的解決方案
- 車用連接器的安全創新應用
- Melexis Actuators Business Unit
- Position / Current Sensors - Triaxis Hall
熱門搜索






