定時器555電路設計之內部電路解析
發布時間:2016-12-06 責任編輯:susan
【導讀】首先介紹下555的內部電路電路結構,如下,其中,三極管起控製作用,A1為反向比較器,A2為同向比較器,比較器的基準電壓由電源電壓+Vcc及內部電阻的分壓比決定。RS觸發器具有複位控製功能,可控製三極管的導通與截止。

555內部電路
>>>>觸摸開關電路

555組成單穩態觸發器可以用作觸摸開關,電路如下,其中M為觸摸金屬片或者導線,無觸發脈衝輸入時,555的輸出V0為“0”,發光二極管D不亮。當用手觸摸金屬片M時。相當於端口2輸入一個負脈衝,555的內部比較器A2翻轉,使輸出V0變為高電平“1”,發光二極管亮,直至電容C上的電壓充到Vc=2Vcc/3為止。二極管亮的時間Tp=1.1RC=1.1s。下圖中電路可用於觸摸報警,觸摸報時,觸摸控製等,電路輸出信號的高低電平與數字邏輯電平兼容。圖中,C1為高頻濾波電容,以保持2Vcc/3的基準電壓穩定,一般取0.01uF, C2用來濾波電源電流跳變引入的高頻幹擾,一般取0.01uF ~0.1uF.
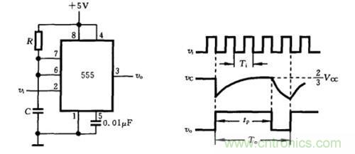
>>>>分頻電路

由555組成的單穩態觸發器可以構成分屏係數很大的分頻電路,如下圖,設輸入信號Vi 為一列脈衝串,第一個負脈衝觸發2端後,輸出V0變為高電平,電容C開始充電,如果RC>>Ti ,由於Vc 未達到2Vcc/3, V0將一直保持為高電平,T截止。這段時間內,輸入負脈衝不起作用。當Vc 達到2Vcc/3時,輸出V0很快變為低電平,下一個負脈衝來到,輸出又跳為高電平,電容C開始充電,如此周而複始。
輸出脈衝延遲時間tp=1.1RC 輸出脈衝周期T0=NTi
分頻係數N主要由延遲時間tp決定,由於RC時間常數可以取得很大,故可獲得很大的分頻係數。
>>>>兩級定時器

如下是由一片556(雙555)組成的兩級定時器電路,第一級定時器被開關S觸發時產生延遲脈衝A驅動繼電器K1, A的延遲時間 t1 = ~1.1 R1xC 1
A 脈衝結束時產生的負跳變又觸發第二級定時器,產生延時脈衝B,驅動繼電器K2 ,B 的延遲時間 t2= ~ 1.1R2xC2
這樣,每觸發一次開關S,可自動完成繼電器K1和K2的啟動與複位,因此該電路可以實現時序操作及控製。
特別推薦
- 噪聲中提取真值!瑞盟科技推出MSA2240電流檢測芯片賦能多元高端測量場景
- 10MHz高頻運行!氮矽科技發布集成驅動GaN芯片,助力電源能效再攀新高
- 失真度僅0.002%!力芯微推出超低內阻、超低失真4PST模擬開關
- 一“芯”雙電!聖邦微電子發布雙輸出電源芯片,簡化AFE與音頻設計
- 一機適配萬端:金升陽推出1200W可編程電源,賦能高端裝備製造
技術文章更多>>
- 三星上演罕見對峙:工會集會討薪,股東隔街抗議
- 摩爾線程實現DeepSeek-V4“Day-0”支持,國產GPU適配再提速
- 築牢安全防線:智能駕駛邁向規模化應用的關鍵挑戰與破局之道
- GPT-Image 2:99%文字準確率,AI生圖告別“鬼畫符”
- 機器人馬拉鬆的勝負手:藏在主板角落裏的“時鍾戰爭”
技術白皮書下載更多>>
- 車規與基於V2X的車輛協同主動避撞技術展望
- 數字隔離助力新能源汽車安全隔離的新挑戰
- 汽車模塊拋負載的解決方案
- 車用連接器的安全創新應用
- Melexis Actuators Business Unit
- Position / Current Sensors - Triaxis Hall
熱門搜索
NFC
NFC芯片
NOR
ntc熱敏電阻
OGS
OLED
OLED麵板
OmniVision
Omron
OnSemi
PI
PLC
Premier Farnell
Recom
RF
RF/微波IC
RFID
rfid
RF連接器
RF模塊
RS
Rubycon
SATA連接器
SD連接器
SII
SIM卡連接器
SMT設備
SMU
SOC
SPANSION

