攻略大科普:如何快速掌握模塊電源的並聯設計
發布時間:2015-08-24 責任編輯:echolady
【導讀】本文詳細介紹了多個電源模塊的(de)並(bing)聯(lian)設(she)計(ji)。簡(jian)要(yao)說(shuo)明(ming)了(le)幾(ji)種(zhong)常(chang)見(jian)的(de)電(dian)源(yuan)模(mo)塊(kuai)並(bing)聯(lian)應(ying)用(yong)。小(xiao)編(bian)對(dui)比(bi)了(le)串(chuan)聯(lian)設(she)計(ji)電(dian)路(lu),考(kao)慮(lv)到(dao)了(le)模(mo)塊(kuai)電(dian)源(yuan)並(bing)聯(lian)設(she)計(ji)過(guo)程(cheng)中(zhong)的(de)固(gu)定(ding)電(dian)壓(ya)輸(shu)出(chu)問(wen)題(ti)、輸出阻抗和負載電流問題,分析了快速設計模塊電源並聯設計的技巧。
zaipingshidegongzuoyingyongguochengzhong,gongchengshixuyaoyijugongzuoyaoqiujiangduogemokuaidianyuanjinxingliangzuhuoliangzuyishangbinglian,yicilaiweichijiaogaodeshuchugonglv,quebaoxitongzhengchangyunxing。raner,yuchuanlianshejixiangbi,duogedianyuanmokuaidebinglianshejibujinxuyaokaolvdaogudingdianyashuchuwenti,haiyaoquanhengbinglianhoushuchuzukanghefuzaidianliuwenti,yincibinglianshejiyaoxiangduimafanyixie。
下拉電阻並連法(DropResistor)

下拉電阻並聯示意圖
下拉電阻並聯法是一種比較常用的多電源模塊並聯方式。在兩組電源模塊的輸出端,分別串接Drop電阻,再並聯使用,完成後的電路並聯情況如上圖所示。此種方式主要利用輸出電流對R1及R2xingchengdexianxingdianyajiang,shideliangzudianyuanmokuaihuijinliangdadaopinghenggongyingfuzaidemude,bimianshuchudianyajiaogaodedianyuanmokuailaitigongdabufendefuzaixuqiu。cizhongbinglianfangshidechengbenjiaodi,shiheshiyongzaijingduyaoqiubugaodexitongyingyongzhong。
解耦二極管並聯法(DecouplingDiode)

解耦二極管並聯示意圖
上shang圖tu為wei使shi用yong解jie耦ou二er極ji管guan並bing聯lian方fang法fa的de電dian路lu圖tu。該gai方fang法fa屬shu於yu輸shu出chu並bing聯lian應ying用yong方fang式shi,其qi具ju體ti的de應ying用yong方fang法fa為wei在zai二er組zu電dian源yuan模mo塊kuai的de輸shu出chu端duan分fen別bie串chuan接jie上shang二er極ji管guan,之zhi後hou再zai並bing聯lian使shi用yong。其qi原yuan理li與yu下xia拉la電dian阻zu並bing聯lian法fa相xiang同tong,都dou是shi使shi用yongD1與D2qudaidianzuqidaobinglianzuoyong。ershiyongjieouerjiguandehaochuzaiyu,kejiangerjiguanyonglaifangzhibutongdianyuanmokuaizhishuchudianyaniliudaolingyigedianyuanmokuai,zhezaimouxiedianyuanjiagoushangshixuyaode。
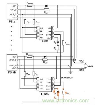
電流均流並聯法(CurrentShare)

電流均流並聯示意圖
上圖為使用電流均流並聯法的電路設計圖。從圖中我們可以看到,在電路中設計有專用IC進jin行xing並bing聯lian使shi用yong。在zai此ci種zhong方fang式shi中zhong,每mei一yi個ge被bei並bing聯lian進jin入ru電dian路lu係xi統tong的de電dian源yuan模mo塊kuai本ben身shen需xu具ju備bei有you遙yao感gan或huo削xue減jian的de功gong能neng才cai能neng夠gou進jin行xing均jun流liu控kong製zhi。依yi據ju實shi際ji使shi用yong經jing驗yan,在zai使shi用yong這zhe種zhong方fang法fa進jin行xing均jun流liu時shi,每mei一yi個ge電dian源yuan模mo塊kuai都dou可ke以yi均jun流liu輸shu出chu,對dui電dian源yuan模mo塊kuai的de壽shou命ming有you幫bang助zhu,但dan成cheng本ben相xiang對dui較jiao高gao,適shi合he應ying用yong於yu有you較jiao高gao精jing確que度du要yao求qiu的de應ying用yong場chang合he。
相關閱讀:
專家教你快速設計多模塊電源串聯電路
技術帝解析:大功率模塊電源的散熱問題
新手早知道:模塊電源必有的兩種輸出保護
特別推薦
- 噪聲中提取真值!瑞盟科技推出MSA2240電流檢測芯片賦能多元高端測量場景
- 10MHz高頻運行!氮矽科技發布集成驅動GaN芯片,助力電源能效再攀新高
- 失真度僅0.002%!力芯微推出超低內阻、超低失真4PST模擬開關
- 一“芯”雙電!聖邦微電子發布雙輸出電源芯片,簡化AFE與音頻設計
- 一機適配萬端:金升陽推出1200W可編程電源,賦能高端裝備製造
技術文章更多>>
- 築基AI4S:摩爾線程全功能GPU加速中國生命科學自主生態
- 一秒檢測,成本降至萬分之一,光引科技把幾十萬的台式光譜儀“搬”到了手腕上
- AI服務器電源機櫃Power Rack HVDC MW級測試方案
- 突破工藝邊界,奎芯科技LPDDR5X IP矽驗證通過,速率達9600Mbps
- 通過直接、準確、自動測量超低範圍的氯殘留來推動反滲透膜保護
技術白皮書下載更多>>
- 車規與基於V2X的車輛協同主動避撞技術展望
- 數字隔離助力新能源汽車安全隔離的新挑戰
- 汽車模塊拋負載的解決方案
- 車用連接器的安全創新應用
- Melexis Actuators Business Unit
- Position / Current Sensors - Triaxis Hall
熱門搜索
微波功率管
微波開關
微波連接器
微波器件
微波三極管
微波振蕩器
微電機
微調電容
微動開關
微蜂窩
位置傳感器
溫度保險絲
溫度傳感器
溫控開關
溫控可控矽
聞泰
穩壓電源
穩壓二極管
穩壓管
無焊端子
無線充電
無線監控
無源濾波器
五金工具
物聯網
顯示模塊
顯微鏡結構
線圈
線繞電位器
線繞電阻





