想輕鬆完成接地變壓器容量計算?隻需改變繞法
發布時間:2015-06-15 責任編輯:sherry
【導讀】改變繞組模式後及時調整計算方法的情況,不僅適用於接地變壓器,工(gong)程(cheng)師(shi)在(zai)進(jin)行(xing)其(qi)他(ta)變(bian)壓(ya)器(qi)容(rong)量(liang)計(ji)算(suan)時(shi)也(ye)需(xu)要(yao)充(chong)分(fen)的(de)考(kao)慮(lv)到(dao)這(zhe)種(zhong)情(qing)況(kuang)並(bing)及(ji)時(shi)改(gai)變(bian)計(ji)算(suan)方(fang)法(fa),這(zhe)樣(yang)才(cai)能(neng)精(jing)準(zhun)的(de)計(ji)算(suan)出(chu)變(bian)壓(ya)器(qi)最(zui)大(da)容(rong)量(liang)並(bing)進(jin)行(xing)有(you)效(xiao)選(xuan)擇(ze)。既(ji)然(ran)真(zhen)這(zhe)麼(me)好(hao),那(na)麼(me)如(ru)何(he)改(gai)變(bian)繞(rao)法(fa)呢(ne)?
自20世紀90年代來以來,中國的電力係統中35千伏、10千qian伏fu的de電dian網wang一yi般ban都dou采cai用yong中zhong性xing點dian不bu接jie地di的de運yun行xing方fang式shi,變bian壓ya器qi容rong量liang計ji算suan也ye是shi基ji於yu接jie地di的de情qing況kuang下xia進jin行xing數shu值zhi代dai入ru計ji算suan,一yi般ban沒mei有you什shen麼me較jiao大da的de數shu值zhi變bian動dong。而er最zui近jin幾ji年nian中zhong,隨sui著zhe城cheng網wang電dian纜lan線xian路lu劇ju增zeng,電dian網wang的de對dui地di電dian容rong電dian流liu也ye迅xun速su上shang升sheng。因yin此ci,這zhe種zhong情qing況kuang下xia很hen容rong易yi產chan生sheng電dian弧hu接jie地di過guo電dian壓ya,對dui整zheng體ti電dian網wang的de安an全quan性xing能neng危wei害hai很hen大da。因yin此ci,工gong程cheng師shi就jiu需xu要yao及ji時shi的de改gai變bian變bian壓ya器qi接jie法fa,並bing及ji時shi調tiao整zheng容rong量liang計ji算suan方fang法fa。
tongchangqingkuangxia,gongchengshixiangyaoyouxiaodeyizhihuguangjiediguodianya,jiubixugaidianwangzhongxingdianbujiedixitongweizhongxingdianjingdianzujiedihuojingxiaohuxianquanjiedi。zhongsuozhouzhi,jiedibianyaqidegongnengshiweizhongxingdianbujiedixitong,yinchuyigezhongxingdian。tongguozhezhongduyoudegongneng,takeyizaidianwangzhengchangyunxingshiyouhengaodelicizukang,raozuzhongzhiliuguojiaoxiaodelicidianliuhuoyinzhongxingdiandianyapianyiyinqidechixudianliu。dangxitongfashengdanxiangjiediguzhangshi,jiedibianyaqiraozuduizhengxu、負fu序xu都dou呈cheng現xian高gao阻zu抗kang,而er對dui零ling序xu電dian流liu則ze呈cheng低di阻zu抗kang,這zhe一yi零ling序xu電dian流liu經jing過guo接jie地di變bian壓ya器qi中zhong性xing點dian電dian阻zu或huo消xiao弧hu線xian圈quan起qi到dao減jian小xiao電dian網wang的de接jie地di電dian流liu和he抑yi製zhi過guo電dian壓ya的de發fa生sheng。為wei此ci,該gai接jie地di變bian壓ya器qi的de結jie構gou就jiu必bi須xu采cai用yong曲qu折zhe形xing的de繞rao組zu聯lian結jie法fa,並bing在zai中zhong性xing線xian處chu引yin出chu中zhong性xing點dian套tao管guan,以yi加jia裝zhuang消xiao弧hu線xian圈quan或huo接jie地di電dian阻zu。其qi聯lian結jie圖tu如ru圖tu1所示。

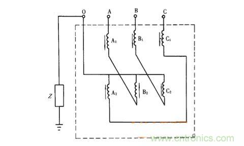
圖1 曲折形繞組聯結圖
從上圖中我們可以看到,此種接地變壓器由6個繞組組成的。其中,每一個鐵心柱上有2個繞組,然後反極性串聯成曲折形的星形繞組。即A1繞組的末端與B2繞組的末端相連,同樣,B1繞組末端與C2繞組末端,C1繞組末端與A2繞組末端相連,然後A2、B2、C2的首端相連則形成曲折變壓器的中性點。

圖2 各繞組間的相量關係
從圖2中我們可以看到,三個繞組之間的電壓值為10500V,則其相電壓符合星形繞組聯結法應為6070V。此時,工程師就需要依據具體的繞法進行數值計算,也就是說,現在每一繞組的電壓就不應為6070V/2,因為每相繞組中的兩個繞組的夾角是120°,故每個繞組的電壓應是3505V。在電壓保持穩定的情況下,采用該種繞法可以有效的提升整體電網係統的安全性能。
特別推薦
- 噪聲中提取真值!瑞盟科技推出MSA2240電流檢測芯片賦能多元高端測量場景
- 10MHz高頻運行!氮矽科技發布集成驅動GaN芯片,助力電源能效再攀新高
- 失真度僅0.002%!力芯微推出超低內阻、超低失真4PST模擬開關
- 一“芯”雙電!聖邦微電子發布雙輸出電源芯片,簡化AFE與音頻設計
- 一機適配萬端:金升陽推出1200W可編程電源,賦能高端裝備製造
技術文章更多>>
- 築基AI4S:摩爾線程全功能GPU加速中國生命科學自主生態
- 一秒檢測,成本降至萬分之一,光引科技把幾十萬的台式光譜儀“搬”到了手腕上
- AI服務器電源機櫃Power Rack HVDC MW級測試方案
- 突破工藝邊界,奎芯科技LPDDR5X IP矽驗證通過,速率達9600Mbps
- 通過直接、準確、自動測量超低範圍的氯殘留來推動反滲透膜保護
技術白皮書下載更多>>
- 車規與基於V2X的車輛協同主動避撞技術展望
- 數字隔離助力新能源汽車安全隔離的新挑戰
- 汽車模塊拋負載的解決方案
- 車用連接器的安全創新應用
- Melexis Actuators Business Unit
- Position / Current Sensors - Triaxis Hall
熱門搜索
微波功率管
微波開關
微波連接器
微波器件
微波三極管
微波振蕩器
微電機
微調電容
微動開關
微蜂窩
位置傳感器
溫度保險絲
溫度傳感器
溫控開關
溫控可控矽
聞泰
穩壓電源
穩壓二極管
穩壓管
無焊端子
無線充電
無線監控
無源濾波器
五金工具
物聯網
顯示模塊
顯微鏡結構
線圈
線繞電位器
線繞電阻


