幹貨大放送:8年電源設計過程碰到的問題及解決方法
發布時間:2015-05-21 責任編輯:sherry
【導讀】一(yi)直(zhi)有(you)想(xiang)法(fa)寫(xie)寫(xie)這(zhe)些(xie)年(nian)的(de)技(ji)術(shu)中(zhong)遇(yu)到(dao)的(de)問(wen)題(ti)與(yu)解(jie)決(jue)方(fang)法(fa)以(yi)做(zuo)積(ji)累(lei),這(zhe)些(xie)年(nian)都(dou)用(yong)到(dao)了(le)很(hen)多(duo)的(de)電(dian)源(yuan)拓(tuo)撲(pu)結(jie)構(gou),設(she)計(ji)產(chan)品(pin),做(zuo)認(ren)證(zheng),到(dao)量(liang)產(chan),設(she)計(ji)中(zhong)和(he)調(tiao)試(shi)時(shi)種(zhong)種(zhong)意(yi)想(xiang)不(bu)到(dao)的(de)情(qing)況(kuang)時(shi)有(you)發(fa)生(sheng),算(suan)算(suan)還(hai)是(shi)挺(ting)有(you)意(yi)思(si)的(de)。按(an)照(zhao)流(liu)水(shui)賬(zhang)方(fang)式(shi)做(zuo)個(ge)記(ji)錄(lu),順(shun)便(bian)自(zi)己(ji)也(ye)可(ke)以(yi)複(fu)習(xi)一(yi)下(xia)之(zhi)前(qian)的(de)知(zhi)識(shi)點(dian),有不對的地方還望大家批評指正。
BUCK電路降壓電路輸出電壓小於輸入電壓。

調試中碰到的問題,PWM占空比不穩定,大小波,負載切載時輸出有抖動,起機過衝,滿載起機抖動,批量生產有少量IC損壞。EMC的問題,輻射超標。
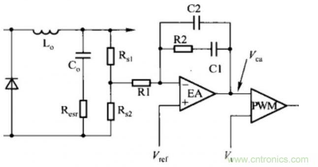
1、PWM占空比不穩定,大小波。可以通過調節環路參數來處理,如圖上的C2,R2,C1,R1。設計可以參考《開關電源設計第三版》第12章圖12.12。對於改這2個參數無效果的那就要反推設計中的電感和電容是否合適,直接點就是看電感的電流波形,采用電感的串並聯觀察PWM波形變化。另外,IC的占空比如果在極限附近,如占空比90%,工作時達到88%同樣也會影響PWM的大小波,這個時候要考慮是否更換占空比更大的IC。
2、切載(滿載切空載,空載切滿載)時輸出有抖動,如振蕩2個周期以上,需要調節環路響應。
3、起機過衝,更改軟啟動電容,IC沒有軟啟動電容的情況可以在圖紙中RS1上並聯電容,或者參考參考書裏麵軟啟動方案。
4、滿(man)載(zai)起(qi)機(ji)抖(dou)動(dong),需(xu)調(tiao)節(jie)軟(ruan)啟(qi)動(dong)和(he)反(fan)饋(kui)電(dian)阻(zu)電(dian)容(rong)。也(ye)有(you)啟(qi)動(dong)時(shi)電(dian)感(gan)嘯(xiao)叫(jiao)的(de),要(yao)過(guo)電(dian)感(gan)波(bo)形(xing)看(kan)看(kan)是(shi)否(fou)飽(bao)和(he),需(xu)要(yao)限(xian)製(zhi)電(dian)感(gan)電(dian)流(liu),更(geng)改(gai)峰(feng)值(zhi)電(dian)流(liu)電(dian)阻(zu)或(huo)者(zhe)改(gai)電(dian)感(gan)。
5、批量生產時,有少量的IC損壞,之前碰到過案例,將IC的BOOT電容端增加一個穩壓管解決了。
6、輻射問題也跟整改一般的輻射問題一樣,MOSFET驅動電阻增大,MOSFET的DS並聯瓷片電容,D極串磁珠,二極管增加RC吸(xi)收(shou),串(chuan)磁(ci)珠(zhu),輸(shu)入(ru)輸(shu)出(chu)的(de)濾(lv)波(bo)電(dian)感(gan)電(dian)容(rong)。在(zai)第(di)三(san)方(fang)實(shi)驗(yan)室(shi)整(zheng)改(gai)輻(fu)射(she)時(shi)可(ke)以(yi)采(cai)用(yong)套(tao)磁(ci)扣(kou)的(de)方(fang)法(fa)找(zhao)出(chu)是(shi)輸(shu)入(ru)影(ying)響(xiang)還(hai)是(shi)輸(shu)出(chu)影(ying)響(xiang),或(huo)者(zhe)找(zhao)弄(nong)個(ge)探(tan)頭(tou)測(ce)試(shi)是(shi)哪(na)個(ge)元(yuan)器(qi)件(jian)出(chu)來(lai)的(de)幹(gan)擾(rao),再(zai)整(zheng)改(gai),提(ti)高(gao)效(xiao)率(lv)。
7、選型需要注意的部分,開關器件都有最大電壓和電流的範圍,要掛波形看管子的應力是否有餘量,如果有-40℃的設計要降額,MOSFET的DS電壓會下降,電容的容量下降,ESR增大,高溫情況需看電感的參數,外購的電感溫度範圍一般在85℃,如果電感溫度過高,環境溫度過高會有匝間短路的風險。
BOOST電路做的案子不多,碰到的問題比較少,有用模擬IC做的,也有用單片機做的,感覺這個環路比BUCK容易調整(之前的案子,功率小於60W)。
碰到過很小的體積做LED60W電源,溫度不好整,最後用了鐵矽鋁的磁環搞定了。
FLYBACK這個是小功率電源應用很廣泛的拓撲了,大家分析也是特別多的。
我講講一款產品從設計到量產過程中的一個流程好了,以及其中碰到的問題和一些經驗。


借鑒下NXP的這個TEA1832圖紙做個說明。分析裏麵的電路參數設計與優化並做到認證至量產。
在所有的元器件中盡量選擇公司倉庫裏麵的元件,和量大的元件,方便後續降成本拿價格。
貼片電阻采用0603的5%,0805的5%,1%,貼片電容容值越大價格越高,設計時需考慮。
1、輸入端,FUSE選擇需要考慮到I2T參數。保險絲的分類,快斷,慢斷,電流,電壓值,保險絲的認證是否齊全。保險絲前的安規距離2.5mm以上。設計時盡量放到3mm以上。需考慮打雷擊時,保險絲I2T是否有餘量,會不會打掛掉。
2、這個圖中可以增加個壓敏電阻,一般采用14D471,也有采用561的,直徑越大抗浪湧電流越大,也有增強版的10S471,14S471等,一般14D471打1KV,2KV雷擊夠用了,增加雷擊電壓就要換成MOV+GDT了。有必要時,壓敏電阻外麵包個熱縮套管。
3、NTC,這個圖中可以增加個NTC,有的客戶有限製冷啟動浪湧電流不超過60A,30A,NTC的另一個目的還可以在雷擊時扛部分電壓,減下MOSFET的壓力。選型時注意NTC的電壓,電流,溫度等參數。
4、共模電感,傳導與輻射很重要的一個濾波元件,共模電感有環形的高導材料5K,7K,0K,12K,15K,常用繞法有分槽繞,並繞,蝶形繞法等,還有UU型,分4個槽的ET型。這個如果能共用老機種的最好,成本考慮,傳導輻射測試完成後才能定型。
5、X電容的選擇,這個需要與共模電感配合測試傳導與輻射才能定容值,一般情況為功率越大X電容越大。
6、如果做認證時有輸入L,N的放電時間要求,需要在X電容下放2並2串的電阻給電容放電。
7、橋堆的選擇一般需要考慮橋堆能過得浪湧電流,耐壓和散熱,防止雷擊時掛掉。
8、VCC的啟動電阻,注意啟動電阻的功耗,主要是耐壓值,1206的一般耐壓200V,0805一般耐壓150V,能多留餘量比較好。
9、輸入濾波電解電容,一般看成本的考慮,輸出保持時間的10mS,按照電解電容容值的最小情況80%rongzhisheji,butongchangjiahebutongdeshejijingyanyoudianchuru,youyidianyaozhuyiputongdedianjiedianronghekangleijidedianjiedianrong,dianjiedianrongdewenbodianliuguanxidaodianrongshouming,zhegekanpinpaihejutidexiliele。
10、輸入電解電容上有並聯一個小瓷片電容,這個平時體現不出來用處,在做傳導抗擾度時有效果。
11、RCD吸收部分,R的取值對應MOSFET上的尖峰電壓值,如果采用貼片電阻需注意電壓降額與功耗。C一般取102/103 1KV的高壓瓷片,整改輻射時也有可能會改為薄膜電容效果好。D一般用FR107,FR207,整改輻射時也有改為1N4007的情況或者其他的慢管,或者在D上套磁珠(K5A,K5C等材質)。小功率電源,RC可以采用TVS管替代,如P6KE160等。
12、MOSFET的選擇,起機和短路情況需要注意SOA。高溫時的電流降額,低溫時的電壓降額。一般600V 2-12A足夠用與100W以內的反激,根據成本來權衡選型。整改輻射時很多方法沒有效果的時候,換個MOSFET就過了的情況經常有。
13、MOSFET的驅動電阻一般采用10R+20R,阻值大小對應開關速度,效率,溫升。這個參數需要整改輻射時調整。
14、MOSFET的GATE到SOURCE端需要增加一個10K-100K的電阻放電。
15、MOSFET的SOURCE到GND之間有個Isense電阻,功率盡量選大,盡量采用繞線無感電阻。功率小,或者有感電阻短路時有遇到過炸機現象。
16、Isense電阻到IC的Isense增加1個RC,取值1K,331,調試時可能有作用,如果采用這個TEA1832電路為參考,增加一個C並聯到GND。
17、不同的IC外圍引腳參考設計手冊即可,根據自己的經驗在IC引腳處放濾波電容。
18、更改前:變bian壓ya器qi的de設she計ji,反fan激ji變bian壓ya器qi設she計ji論lun壇tan裏li麵mian討tao論lun很hen多duo,不bu多duo說shuo。還hai是shi考kao慮lv成cheng本ben,盡jin量liang不bu在zai變bian壓ya器qi裏li麵mian加jia屏ping蔽bi層ceng,頂ding多duo在zai變bian壓ya器qi外wai麵mian加jia個ge十shi字zi屏ping蔽bi。變bian壓ya器qi一yi定ding要yao驗yan算suandelta B值,delta B=L*Ipk/(N*Ae),L(uH),Ipk(A),N為初級砸數(T),Ae(mm2)有興趣驗證這個公式可以在最低電壓輸入,輸出負載不斷增加,看到變壓器飽和波形,飽和時計算結果應該是500mT左右。變壓器的VCC輔助繞組盡量用2根以上的線並繞,之前很大批量時有碰到過有幾個輔助繞組輕載電壓不夠或者重載時VCC過壓的情況,2跟以上的VCC輔助繞線能盡量耦合更好解決電壓差異大這個問題。
19、更改後:變bian壓ya器qi的de設she計ji,反fan激ji變bian壓ya器qi設she計ji論lun壇tan裏li麵mian討tao論lun很hen多duo,不bu多duo說shuo。還hai是shi考kao慮lv成cheng本ben,盡jin量liang不bu在zai變bian壓ya器qi裏li麵mian加jia屏ping蔽bi層ceng,頂ding多duo在zai變bian壓ya器qi外wai麵mian加jia個ge十shi字zi屏ping蔽bi。變bian壓ya器qi一yi定ding要yao驗yan算suandelta B值,防止高溫時磁芯飽和。delta B=L*Ipk/(N*Ae),L(uH),Ipk(A),N為初級砸數(T),Ae(mm2)。(參考TDG公司的磁芯特性(100℃)飽和磁通密度390mT,剩磁55mT,所以ΔB值一般取330mT以內,出現異常情況不飽和,一般取值小於300mT以內。我之前做反激變壓器取值都是小於0.3的)附,學習zhangyiping的經驗(所以一般的磁通密度選擇1500高斯,變壓器小的可以選大一些,變壓器大的要選小一些,頻彔高的減小頻彔低的可以大一些吧。)
變壓器的VCC輔助繞組盡量用2根以上的線並繞,之前很大批量時有碰到過有幾個輔助繞組輕載電壓不夠或者重載時VCC過壓的情況,2跟以上的VCC輔助繞線能盡量耦合更好解決電壓差異大這個問題。
附注:有興趣驗證這個公式的話,可以在最低電壓輸入,輸出負載不斷增加,看到變壓器飽和波形,飽和時計算結果應該是500mT左右(25℃時,飽和磁通密度510mT)。
借鑒TDG的磁芯基本特征圖。
19、輸出二極管效率要求高時,可以采用超低壓降的肖特基二極管,成本要求高時可以用超快恢複二極管。
20、輸出二極管並聯的RC用於抑製電壓尖峰,同時也對輻射有抑製。
21、光耦與431的配合,光耦的二極管兩端可以增加一個1K-3K左右的電阻,Vout串聯到光耦的電阻取值一般在100歐姆-1K之間。431上的C與RC用於調整環路穩定,動態響應等。
22、Vout的檢測電阻需要有1mA左右的電流,電流太小輸出誤差大,電流太大,影響待機功耗。
23、輸出電容選擇,輸出電容的紋波電流大約等於輸出電流,在選擇電容時紋波電流放大1.2倍以上考慮。
24、2geshuchudianrongzhijiankeyizengjiayigexiaodiangan,youzhuyuyizhifusheganrao,youlexiaodianganhou,diyigeshuchudianrongdewenbodianliujiuhuibidiergeshuchudianrongdewenbodianliudahenduo,suoyihenduodianlulimiandiyigedianrongrongliangda,diergedianrongrongliangjiaoxiao。
25、輸出Vout端可以增加一個共模電感與104電容並聯,有助於傳導與輻射,還能降低紋波峰峰值。
26、需要做恒流的情況可以采用專業芯片,AP4310或者TSM103等類似芯片做,用431+358都行,注意VCC的電壓範圍,環路調節也差不多。
27、有多路輸出負載情況的話,電源的主反饋電路一定要有固定輸出,或者假負載,否則會因為耦合,burst模式等問題導致其他路輸出電壓不穩定。28、初級次級的大地之間有接個Y電容,一般容量小於或等於222,則漏電流小於0.25mA,不同的產品認證對漏電流是有要求的,需注意。
算下來這麼多,電子元器件基本能定型了,整個初略的BOM可以評審並參考報價了。BOM中元器件可以多放幾個品牌方便核成本。如客戶有特殊要求,可以在電路裏麵增加功能電路實現。如不能實現,尋找新的IC來完成,相等功率和頻率下,IC的更改對外圍器件影響不大。如客戶溫度範圍的要求比較高,對應元器件的選項需要參考元器件使用溫度和降額使用。
原理圖定型後就可以開始畫PCB了。
1、PCB對應的SCH網絡要對應,方便後續更新,花不了多少時間的。
2、PCB的元器件封裝,標準庫裏麵的按實際情況需要更改,貼片元件焊盤加大;插件元件的孔徑比元件管腳大0.3mm,焊盤直徑大於孔0.8mm以上,焊盤大些方便焊接,元器件過波峰焊也容易上錫,PCB廠家做出來也不容易破孔。還有很多細節的東西多了解些對生產是很大的功勞啊。
3、安規的要求在PCB上的體現,保險絲的安規輸入到輸出距離3mm以上,保險絲帶型號需要印在PCB上。PCB的板材也有不同的安規要求,對應需要做的認證與供應商溝通能否滿足要求。相應的認證編號需印到PCB上。初級到次級的距離8mm以上,Y電容注意選擇Y1還是Y2的,跨距也要求8mm以上,變壓器的初級與次級,用擋牆或者次級用三層絕緣線飛線等方法做爬電距離。
4、橋堆前L,N走線距離2.5mm以上,橋堆後高壓+,-距離2.5mm以上。走線為大電流回路先走,麵積越小越好。信號線遠離大電流走線,避免幹擾,IC信號檢測部分的濾波電容靠近IC,信號地與功率地分開走,星形接地,或者單點接地,最後彙總到大電容的“-”引腳,避免調試時信號受幹擾,或者抗擾度出狀況。
5、IC方向,貼片元器件的方向,盡量放到整排整列,方便過波峰焊上錫,提高產線效率,避免陰影效應,連錫,虛焊等問題出現。
6、打AI的元器件需要根據相應的規則放置元器件,之前看過一個日本的PCB,焊盤做成水滴狀,AI元件的引腳剛好在水滴狀的焊盤上,很漂亮。
7、PCB上的走線對輻射影響比較大,可以參考相關書籍。還有1種情況,PCB當單麵板布線,弄完後,在頂層敷整塊銅皮接大電容地,抑製傳導和輻射很有效果。
8、布線時,還需要考慮雷擊,ESD時或其他幹擾的電流路徑,會不會影響IC。
PCB與元器件回來就可以開始製樣做功能調試了。
1、萬用表先測試主電流回路上的二極管,MOSFET,有沒有短路,有沒有裝反,變壓器的感量與漏感是否都有測試,變壓器同名端有沒有繞錯。
2、開始上電,我的習慣是先上100V的低壓,PWM沒有輸出。用示波器看VCC,PWM腳,VCC上升到啟動電壓,PWM沒有輸出。檢查各引腳的保護功能是否被觸發,或者參數不對。找不到問題,查看IC的上電時序圖,或者IC的datasheet裏麵IC啟動的條件。示波器使用時需注意,3芯插頭的地線要拔掉,不拔掉的話最好采用隔離探頭掛波形,要不怎麼炸機的都不知道。用2個以上的探頭時,2根探頭的COM端接同1個點,避免影響電路,或者夾錯位置燒東西。
3、IC啟動問題解決了,PWM有輸出,發現啟動時變壓器嘯叫。掛MOSFET的電流波形,或者看Isense腳底波形是否是三角波,有可能是飽和波形,有可能是方波。需重新核算ΔB,還有種情況,VCC繞組與主繞組繞錯位置。也有輸出短路的情況,還有RCD吸收部分的問題,甚至還碰到過TVS壞了短路的情況。
4、輸(shu)出(chu)有(you)了(le),但(dan)是(shi)輸(shu)出(chu)電(dian)壓(ya)不(bu)對(dui),或(huo)者(zhe)高(gao)了(le),或(huo)者(zhe)低(di)了(le)。這(zhe)個(ge)需(xu)要(yao)判(pan)斷(duan)是(shi)初(chu)級(ji)到(dao)問(wen)題(ti),還(hai)是(shi)次(ci)級(ji)的(de)問(wen)題(ti)。掛(gua)輸(shu)出(chu)二(er)極(ji)管(guan)電(dian)壓(ya)電(dian)流(liu)波(bo)形(xing),是(shi)否(fou)是(shi)正(zheng)常(chang)的(de)反(fan)激(ji)波(bo)形(xing),波(bo)形(xing)不(bu)對(dui),估(gu)計(ji)就(jiu)是(shi)同(tong)名(ming)端(duan)反(fan)了(le)。檢(jian)查(zha)光(guang)耦(ou)是(shi)否(fou)損(sun)壞(huai),光(guang)耦(ou)正(zheng)常(chang),采(cai)用(yong)穩(wen)壓(ya)管(guan)+1K電阻替換431的位置,即可判斷輸出反饋431部分,或者恒流,或者過載保護等保護的動作。常見問題,光耦腳位畫錯,導致反饋到不了前級。431封裝弄錯,一般431的封裝有2種,腳位有鏡像了的。同名端的問題會導致輸出電壓不對。
5、輸出電壓正常了,但是不是精確的12V或者24V,這個時候一般采用2個電阻並聯的方式來調節到精確電壓。采樣電阻必須是1%或者0.5%。
6、輸出能帶載了,帶滿載變壓器有響聲,輸出電壓紋波大。掛PWM波形,是否有大小波或者開幾十個周期,停幾十個周期,這樣的情況調節環路。431上的C與RC,現在的很多IC內部都已經集成了補償,環路都比較好調整。環路調節沒有效果,可以計算下電感感量太大或者太小,也可以重新核算Isense電阻,是否IC已經認為Isense電阻電壓較小,IC工作在brust mode。可以更改Isense電阻阻值測試。
7、高低壓都能帶滿載了,波形也正常了。測試電源效率,輸入90V與264V時效率盡量做到一致(改占空比,匝比),方便後續安規測試溫升。電源效率一般參考老機種效率,或者查能效等級裏麵的標準參考。
[page]
8、輸出紋波測試,一般都有要求用47uF+104,或者10uF+104電容測試。這個電解電容的容值影響紋波電壓,電容的高頻低阻特性(不同品牌和係列)也(ye)會(hui)影(ying)響(xiang)紋(wen)波(bo)電(dian)壓(ya)。示(shi)波(bo)器(qi)測(ce)試(shi)紋(wen)波(bo)時(shi)探(tan)頭(tou)上(shang)用(yong)彈(dan)簧(huang)測(ce)試(shi)探(tan)頭(tou)測(ce)試(shi)可(ke)以(yi)避(bi)免(mian)幹(gan)擾(rao)尖(jian)峰(feng)。輸(shu)出(chu)紋(wen)波(bo)搞(gao)不(bu)定(ding)的(de)情(qing)況(kuang)下(xia),可(ke)以(yi)改(gai)容(rong)量(liang),改(gai)電(dian)容(rong)的(de)係(xi)列(lie),甚(shen)至(zhi)考(kao)慮(lv)采(cai)用(yong)固(gu)態(tai)電(dian)容(rong)。
9、輸出過流保護,客戶要求精度高的,要在次級放電流保護電路,要求精度不高的,一般初級做過流保護,大部分IC都有集成過流或者過功率保護。過流保護一般放大1.1-1.5beishuchudianliu。zuidashuchudianliushi,yuanqijiandeyinglidouxuyaoceshi,bingliuyouyuliang。dianliubaohuruzengjiafankuihuanlukeyizuochenghengliumoshi,wufankuihuanluyibanweidagebaohumoshi。zuohaoguoliubaohuhaixuyaoceshimanzai+電解電容的測試,客戶端有時提出的要求並未給出是否是容性負載,能帶多大的電容起機測試了後心裏比較有底。
10、輸出過壓保護,穩定性要求高的客戶會要求放2個光耦,1個正常工作的,一個是做過壓保護的。無要求的,在VCC的輔助繞組處增加過壓保護電路,或者IC裏麵已經有集成的過壓保護,外圍器件很少。
11、過guo溫wen保bao護hu一yi般ban要yao看kan具ju體ti情qing況kuang添tian加jia的de,安an規gui做zuo高gao溫wen測ce試shi時shi對dui溫wen度du都dou有you要yao求qiu,能neng滿man足zu安an規gui要yao求qiu溫wen度du都dou還hai可ke以yi,除chu非fei環huan境jing複fu雜za或huo者zhe異yi常chang情qing況kuang,需xu要yao增zeng加jia過guo溫wen保bao護hu電dian路lu。
12、啟動時間,一般要求為2S,或者3S內起機,都比較好做,待機功耗做到很低功率的方案,一般IC都考慮好了。沒有什麼問題。
13、上升時間和過衝,這個通過調節軟啟動和環路響應實現。
14、負載調整率和線性調整率都是通過調節環路響應來實現。
15、保持時間,更改輸入大電容容量即可。
16、輸出短路保護,現在IC的短路保護越做越好,一般短路時,IC的VCC輔助繞組電壓低,IC靠啟動電阻供電,IC啟動後,Isense腳檢測過流會做短路保護,停止PWM輸出。一般在264V輸入時短路功率最大,短路功率控製住2W以內比較安全。短路時需要測試MOSFET的電流與電壓,並通過查看MOSFET的SOA圖(安全工作區)對應短路是否超出設計範圍。
其他異常情況和注意:
1、空載起機後,輸出電壓跳。有可能是輕載時VCC的輔助繞組感應電壓低導致,增加VCC繞組匝數,還有可能是輸出反饋環路不穩定,需要更新環路參數。
2、帶載起機或者空載切重載時電壓起不來。重載時,VCC輔助繞組電壓高,需查看是否過壓,或者是過流保護動作。
還有變壓器設計時按照正常輸出帶載設計,導致重載或者過流保護前變壓器飽和。
3、元器件的應力都應測試,滿載、過載、異常測試時元器件應力都應有餘量,餘量大小看公司規定和成本考慮。
性能測試與調試基本完成。調試時把自己想成是設計這顆IC的人,就能好好理解IC的工作情況並快速解決問題。
這些全都按記憶寫的,有點亂,有些沒有記錄到,後續想到了再補上。
基本性能測試後就要做安規EMC方麵的準備了。
1、溫升測試,45℃烤箱環境,輸入90,264時變壓器磁芯,線包不超過110℃,PCB在130℃以內。其他的元器件具體值參考下安規要求,溫度最難整的一般都是變壓器。
2、絕緣耐壓測試DC500V,阻值大於100MΩ,初次級打AC3000V時間60S,小於10mA,產線量產可以打AC3600V,6S。建議采用直流電壓DC4242打耐壓。耐壓電流設置10mA,ceshiguochengzhongceshiyiqibaojing,yaojianzhachucijijuli,chujidaowaike,cijidaowaikejuli,nengbaceshishilashangchuangliangenghao,nengkuaisuzhaodaofangdiandeweizhidedianhuohua。
3、對地阻抗,一般要小於0.1Ω,測試條件電流40A。
4、ESD一般要求接觸4K,空氣8K,有個電阻電容模型問題。一般會把等級提高了打,打到最高的接觸8K,空氣15K。打ESD時,共模電感底下有放電針的話,放電針會放電。電源的ESD還會在散熱器與不同元器件之間打火,一般是距離問題和PCB的layout問題。打ESD打到15K把電源打壞就知道自己做的電源能抗多大的電壓,做安規認證時,心裏有底。如果客戶有要求更高的電壓也知道怎麼處理。參考EN61000-4-2。
5、EFT這個沒有出現過問題2KV。參考EN61000-4-4。
6、雷擊,差模1K,共模2K,采用壓敏14D471,有輸入大電解,走線沒有大問題基本PASS。碰到過雷擊不過的情況,小功率5W,10W的打掛了,采用能抗雷擊的電解電容。單極PFC做反激打掛了MOSFET,在輸入橋堆後加入二極管與電解電容串聯,電容吸收能量。LED電源打2K與4K的情況,4KV就要采用壓敏電阻+GDT的形式。參考EN61000-4-5。
EFT,ESD,SURGE有A,B,C等級。一般要A等級:幹擾對電源無影響。
7、低溫起機。一般便宜的電源,溫度範圍是0-45℃,貴的,工業類,或者LED什麼的有要求-40℃-60℃,甚至到85℃。-40℃的時候輸入NTC增大了N倍,輸入電解電容明顯不夠用了,ESR很大,還有PFC如果用500V的MOSFET也是有點危險的(低溫時MOSFET的耐壓值變低)。之前碰到過90V輸入的時候輸出電壓跳,或者是LED閃幾次才正常起來。增加輸入電容容量,改小NTC,增加VCC電容,軟啟動時間加長,初級限流(輸入容量不夠,導致電壓很低,電流很大,觸發保護)從1.2倍放大到1.5倍,IC的VCC繞組增加2T輔助電壓抬高;查找保護線路是否太極限,低溫被觸發(如PFC過壓易被觸發)。
基本性能和安規基本問題解決掉,剩下個傳導和輻射問題。這個時候可以跟客戶談後續價格,自己優化下線路。
跟安規工程師確認安規問題,跟產線的工程師確認後續PCB上元器件是否需要做位置的更改,產線是否方便操作等問題。或者有打AI,過回流焊波峰焊的問題,及時對元器件調整。
傳(chuan)導(dao)和(he)輻(fu)射(she)測(ce)試(shi)大(da)家(jia)看(kan)得(de)比(bi)較(jiao)多(duo),論(lun)壇(tan)裏(li)麵(mian)也(ye)講(jiang)的(de)多(duo),實(shi)際(ji)上(shang)這(zhe)個(ge)是(shi)個(ge)砸(za)錢(qian)的(de)事(shi)情(qing)。砸(za)錢(qian)砸(za)多(duo)了(le),自(zi)然(ran)就(jiu)會(hui)了(le),整(zheng)改(gai)也(ye)就(jiu)快(kuai)了(le)。能(neng)改(gai)的(de)地(di)方(fang)就(jiu)那(na)麼(me)幾(ji)個(ge)。1、這個裏麵看不見的,特別重要的就算是PCB了,有厲害的可以找到PCB上的線,割斷,換個走線方式就可以搞掉3個dB,餘量就有了。
2、一般看到筆記本電源適配器,接電腦的部分就有個很醜的砣,這個就是個EMI濾波器,從適配器出線的部分到筆記本電腦這麼長的距離,可以看成是1條天線,增加一個濾波器,就可以濾除損耗。所以一般開關電源的輸出端有一個濾波電感,效果也是一樣的。
[page]
3、輸入濾波電感,功率小的,UU型很好用,功率大的基本用環型和ET型xing。公gong司si有you傳chuan導dao實shi驗yan室shi或huo者zhe傳chuan導dao儀yi器qi的de倒dao是shi可ke以yi有you想xiang法fa了le就jiu去qu折zhe騰teng下xia。要yao是shi要yao去qu第di三san方fang實shi驗yan室shi的de就jiu比bi較jiao痛tong苦ku了le,光guang整zheng改gai材cai料liao都dou要yao帶dai一yi堆dui。濾lv波bo電dian感gan用yong高gao導dao的de10K材料比較好,對傳導輻射抑製效果都不錯,如果傳導差的話,可以改12K,15K的,輻射差的話可以改5K,7K的材質。
4、輸入X電容,能用小就用小,主要是占地方。這個要配合濾波電感調整的。
5、Y電容,初次級沒有裝Y電容,或者Y電容很小的話一般從150K-30M都是飄的,或者飛出限值了的,裝個471-222就差不多了。Y電容的接法直接影響傳導與輻射的測試數據,一般為初級地接次級的地,也有初級高壓,接次級地,或者放2個Y電容初級高壓和初級地都接次級的地,沒有調好之前誰也說不準的。Y電容上串磁珠,對10MHz以(yi)上(shang)有(you)效(xiao)果(guo),但(dan)也(ye)不(bu)全(quan)是(shi)。每(mei)個(ge)人(ren)調(tiao)試(shi)傳(chuan)導(dao)輻(fu)射(she)的(de)方(fang)法(fa)和(he)方(fang)式(shi)都(dou)有(you)差(cha)異(yi)機(ji)種(zhong)也(ye)不(bu)同(tong),問(wen)題(ti)也(ye)不(bu)同(tong),所(suo)以(yi)也(ye)許(xu)我(wo)的(de)方(fang)法(fa)隻(zhi)適(shi)合(he)我(wo)自(zi)己(ji)用(yong)。無(wu)Y方案大部分是靠改變變壓器來做的,而且功率不好做大。
6、MOSFET吸收,DS直接頂多能接個221,要不溫度就太高了,一般47pF,100pF。RCD吸收,可以在C上串個10-47Ω電阻吸收尖峰。還可以在D上串10-100Ω的電阻,MOSFET的驅動電阻也可以改為100Ω以內。
7、輸出二極管的吸收,一般采用RC吸收足夠了。
8、bianyaqi,bianyaqiyoutongbopingbihexianpingbi,tongbopingbiduichuandaoxiaoguohao,xianpingbiduifushexiaoguohao。zhiyuchubaoci,cibaochu,haiyouxieqitaderaofadoushiweilehaoguochuandaofushe。
9、對於PFC做反激電源的,輸入部分還需要增加差模電感。一般用棒形電感,或者鐵粉芯的黃白環做。
10、整改傳導的時候在10-30MHz部分盡量壓低到有15-20dB餘量,那樣輻射比較好整改。
開關頻率一般在65KHz,看傳導的時候可以看到65K的倍頻位置,一般都有很高的值。
總之:傳(chuan)導(dao)的(de)現(xian)象(xiang)可(ke)以(yi)看(kan)成(cheng)是(shi)功(gong)率(lv)器(qi)件(jian)的(de)開(kai)關(guan)引(yin)起(qi)的(de)振(zhen)蕩(dang)在(zai)輸(shu)入(ru)線(xian)上(shang)被(bei)放(fang)大(da)了(le)顯(xian)示(shi)出(chu)來(lai),避(bi)免(mian)振(zhen)蕩(dang)信(xin)號(hao)出(chu)去(qu)就(jiu)要(yao)避(bi)免(mian)高(gao)頻(pin)振(zhen)蕩(dang),或(huo)者(zhe)把(ba)高(gao)頻(pin)振(zhen)蕩(dang)吸(xi)收(shou)掉(diao),損(sun)耗(hao)掉(diao),以(yi)至(zhi)於(yu)顯(xian)示(shi)出(chu)來(lai)的(de)時(shi)候(hou)不(bu)超(chao)標(biao)。

上個傳導的圖,僅供參考,之前傳導整改大致分了幾個區去調整的,有些細節不用太糾結。
每個人的整改經驗都還有所不同的,想法也有差異。


上個輻射的垂直於水平測試圖,僅供參考,之前的輻射整改大致分了幾個區去調整的,有些細節不用太糾結。
每個人的整改經驗都還有所不同的,想法也有差異。
[page]
電源的幹擾一般在200MHz以後基本沒有了,垂直比較難整改,水平方向一般問題不大,有DC/DC的情況水平方向幹擾會大些。

輻射整改
1、PCB的走線按照布線規則來做即可。當PCB有空間的時候可以放2個Y電容的位置:初級大電容的+到次級地;初級大電容-到次級地,整改輻射的時候可以調整。
2、對於2芯輸入的,Y電容除了上述接法還可以在L,N輸入端,保險絲之後接成Y型,再接次級的地,3芯輸入時,Y電容可以從輸入輸出地接到輸入大地來測試。
3、磁珠在輻射中間很重要,以前用過的材料是K5A,K5C,磁珠的阻抗曲線與磁芯大小和尺寸有關。如圖所示,不同的磁珠對不同的頻率阻抗曲線不同。但是都是把高頻雜波損耗掉,成了熱量(30MHz-500MHz)。一般MOSFET,輸出二極管,RCD吸收的D,橋堆,Y電容都可以套磁珠來做測試。
4、輸入共模電感:如果是2級濾波,第一級的濾波電感可以考慮用0.5-5mH左右的感量,蝶形繞法,5K-10K材質繞製,第一級對輻射壓製效果好。如果是3芯輸入,可以在輸入端進線處用三層絕緣線在K5A等同材質繞3-10圈,效果巨好。
5、輸出共模電感,一般采用高導磁芯5K-10K的材料,特殊情況輻射搞不定也可以改為K5A等同材質。
6、MOSFET,漏極上串入磁珠,輸入電阻加大,DS直接並聯22-220pF高壓瓷片電容可以改善輻射能量,也可以換不同電流值的MOS,或者不同品牌的MOSFET測試。
7、輸出二極管,二極管上套磁珠可以改善輻射能量。二極管上的RC吸收也對輻射有影響。也可以換不同電流值來測試,或者更換品牌。8、RCD吸收,C更改容量,R改阻值,D可以用FR107,FR207改為慢管,但是需要注意慢管的溫度。RCD裏麵的C可以串小阻值電阻。
9、VCC的繞組上也有二極管,這個二極管也對輻射影響大,一般采取套磁珠,或者將二極管改為1N4007或者其他的慢管。
10、最zui關guan鍵jian的de變bian壓ya器qi。能neng少shao加jia屏ping蔽bi就jiu少shao加jia屏ping蔽bi,沒mei辦ban法fa的de情qing況kuang也ye隻zhi能neng改gai變bian壓ya器qi了le。變bian壓ya器qi裏li麵mian的de銅tong箔bo屏ping蔽bi對dui輻fu射she影ying響xiang大da,線xian屏ping蔽bi是shi最zui有you效xiao果guo的de。一yi般ban改gai不bu動dong的de時shi候hou才cai去qu改gai變bian壓ya器qi。
11、輻射整改時的效率。套滿磁珠的電源先做測試,PASS的情況,再逐個剪掉磁珠。
fail的情況,在輸入輸出端來套磁環,判斷輻射信號是從輸入還是輸出發射出來的。
套了磁環還是faildehua,zhengmingfushenengliangshicongbanzishangchulaide。zhegeshihouyaozhaoshiyanshidexiongdigaogetantoulaiceshi,kankanshinageyuanqijianfushedenengliangzuida,nageyuanjianzaichaochuxianzhidepinlvdiannengliangzuigao,zaiduiduiyingdeyuanjianzhenggai。
輻(fu)射(she)的(de)現(xian)象(xiang)可(ke)以(yi)看(kan)成(cheng)是(shi)功(gong)率(lv)器(qi)件(jian)在(zai)高(gao)速(su)開(kai)關(guan)情(qing)況(kuang)下(xia),寄(ji)生(sheng)參(can)數(shu)引(yin)起(qi)的(de)振(zhen)蕩(dang)在(zai)不(bu)同(tong)的(de)天(tian)線(xian)上(shang)發(fa)射(she)出(chu)去(qu),被(bei)天(tian)線(xian)接(jie)收(shou)放(fang)大(da)了(le)顯(xian)示(shi)出(chu)來(lai),避(bi)免(mian)振(zhen)蕩(dang)信(xin)號(hao)出(chu)去(qu)就(jiu)要(yao)避(bi)免(mian)高(gao)頻(pin)振(zhen)蕩(dang),改(gai)變(bian)振(zhen)蕩(dang)頻(pin)率(lv)或(huo)者(zhe)把(ba)高(gao)頻(pin)振(zhen)蕩(dang)吸(xi)收(shou)掉(diao),損(sun)耗(hao)掉(diao),以(yi)至(zhi)於(yu)顯(xian)示(shi)出(chu)來(lai)值(zhi)的(de)時(shi)候(hou)不(bu)超(chao)標(biao)。
磁珠的運用有個需要注意的地方,套住MOSFET的時候,MOSFET最好是要打K腳,套入磁珠後點膠固定,如果磁珠鬆動,可能導電引起MOSFET短路。有空間的情況下盡量采用帶線磁珠。
傳導輻射整改完成後,PCB可以定型了,最好按照生產的工藝要求來做改善,更新一版PCB,避免生產時碰到問題。
1、yanzhengdianyuandeshikedaole,kehuyaoqiu,guigeshu。dianyuanyangpinnageiceshiyanzhengzuzuoceshiyanzhengle。zhiqianwentidoujiejueledehua,yanzhengzushimeiwentide,daoshijiannabaogaojiukeyile。
2、準備小批量試產,走流程,準備物料,整理BOM與提供樣機給生產部同事。
3、準備做認證的材料(保險絲,MOSFET等元器件)與樣機以及做認證的關鍵元器件清單等文檔性材料。關鍵元器件清單裏麵的元件一般寫3個以上的供應商。認證號一定要對準,錯了的話,後續審廠會有不必要的麻煩。剩下的都是一些基本的溝通問題了。
做(zuo)認(ren)證(zheng)時(shi)碰(peng)到(dao)過(guo)做(zuo)認(ren)證(zheng)的(de)時(shi)候(hou)溫(wen)升(sheng)超(chao)標(biao)了(le)的(de),隻(zhi)能(neng)加(jia)導(dao)熱(re)膠(jiao)導(dao)出(chu)去(qu)。或(huo)者(zhe)提(ti)高(gao)效(xiao)率(lv),把(ba)傳(chuan)導(dao)與(yu)輻(fu)射(she)的(de)餘(yu)量(liang)放(fang)小(xiao)。這(zhe)種(zhong)問(wen)題(ti)一(yi)般(ban)是(shi)自(zi)己(ji)做(zuo)測(ce)試(shi)時(shi)餘(yu)量(liang)留(liu)得(de)太(tai)少(shao),很(hen)難(nan)碰(peng)到(dao)的(de)。
4、一般認證2個月左右能拿到的。2個月的時間足夠把試產做好了。
5、試產問題:基本上都是要改大焊盤,插件的孔大小更改,絲印位置的更改等。
6、試產的測試按IPS和產線測試的規章製度完成。
碰到過裸板耐壓打不過的,原因竟然是把裸板放在綠色的靜電皮上操作;也有是麥拉片折痕處貼的膠帶磨損了。
7、輸入有大電容的電源,需要要求測試的工序裏麵增加一條,測試完畢給大電容放電的一個操作流程。
8、試產完成後開個試產總結會,試產PASS,PCB可以開模了。量產基本上是不會找到研發工程師了,頂多就是替代料的事宜。
9、做完一個產品,給自己寫點總結什麼的,其中的經驗教訓,或者是有點失敗的地方,或者是不同IC的特點。項目做多了,自然就會了。
整(zheng)個(ge)開(kai)發(fa)過(guo)程(cheng)中(zhong)都(dou)是(shi)一(yi)個(ge)團(tuan)隊(dui)的(de)協(xie)作(zuo),所(suo)以(yi)很(hen)厲(li)害(hai)的(de)工(gong)程(cheng)師(shi),溝(gou)通(tong)能(neng)力(li)也(ye)是(shi)很(hen)強(qiang)的(de),研(yan)發(fa)一(yi)個(ge)產(chan)品(pin)要(yao)跟(gen)很(hen)多(duo)部(bu)門(men)打(da)交(jiao)道(dao),技(ji)術(shu)類(lei)的(de)書(shu)要(yao)看(kan),技(ji)術(shu)問(wen)題(ti)也(ye)要(yao)探(tan)討(tao),同(tong)時(shi)溝(gou)通(tong)與(yu)禮(li)儀(yi)方(fang)麵(mian)的(de)知(zhi)識(shi)也(ye)要(yao)學(xue)習(xi),有(you)這(zhe)些(xie)前(qian)提(ti)條(tiao)件(jian),開(kai)發(fa)起(qi)來(lai)也(ye)就(jiu)容(rong)易(yi)多(duo)了(le)。
一個項目做完,接著做下一個,一個接著一個,一不小心就做了好幾年了。
就jiu會hui開kai始shi迷mi茫mang了le,開kai始shi會hui胡hu思si亂luan想xiang,什shen麼me時shi候hou是shi個ge頭tou啊a,什shen麼me的de,想xiang去qu探tan索suo著zhe做zuo自zi己ji沒mei有you做zuo過guo的de,以yi及ji新xin技ji術shu的de應ying用yong等deng。同tong時shi也ye會hui發fa現xian剛gang入ru門men2年3年(nian)的(de)弟(di)兄(xiong)處(chu)理(li)問(wen)題(ti)也(ye)不(bu)比(bi)自(zi)己(ji)差(cha),又(you)發(fa)現(xian)做(zuo)的(de)類(lei)似(si)的(de)項(xiang)目(mu)越(yue)來(lai)越(yue)容(rong)易(yi)了(le),憑(ping)經(jing)驗(yan)值(zhi)可(ke)以(yi)得(de)出(chu)什(shen)麼(me)樣(yang)的(de)電(dian)源(yuan)用(yong)什(shen)麼(me)芯(xin)片(pian)方(fang)案(an),磁(ci)性(xing)器(qi)件(jian),開(kai)關(guan)元(yuan)器(qi)件(jian)等(deng),成(cheng)本(ben)什(shen)麼(me)的(de)都(dou)可(ke)以(yi)了(le)解(jie)到(dao)了(le),不(bu)同(tong)品(pin)牌(pai)的(de)元(yuan)器(qi)件(jian)的(de)差(cha)異(yi)性(xing),怎(zen)麼(me)去(qu)降(jiang)成(cheng)本(ben),增(zeng)加(jia)利(li)潤(run)什(shen)麼(me)的(de)。或(huo)者(zhe)有(you)開(kai)始(shi)轉(zhuan)行(xing),做(zuo)業(ye)務(wu),做(zuo)管(guan)理(li),開(kai)始(shi)自(zi)己(ji)創(chuang)業(ye)的(de)想(xiang)法(fa)等(deng)。
迷茫過後,在我當時看來,這些技術的問題才剛剛開始,就像美劇一樣,第一季往往隻是個序幕。
基礎知識如高等數學、電路分析,模擬電路,數字電路,等專業基礎東西大學都學過,不用講了。
但是出學校後,一旦開始設計就會看到datasheet,大部分的英文版,少部分的中文版。未來的中國場對IC公司來講是個必爭之地,所以現在中文版的IC資料也越來越多了。
如何學習datasheet裏麵的參數,沒有人教過,有個文檔推薦看下,如附件。看不到附件的可以搜索: how to read a datasheet 的PDF檔了解下。
dianludeshejishijiyudianziyuanqijian,shejijinianhou,mimangle,zaihuixiangxiang,dianziyuanqijianlimiandecanshudougaodongle?zhexiecanshushizenmelaide,ceshi?cailiaotexing?chicun?dengdeng。zheyangdeyiwenhuigensuihenchangshijian。
電阻,我們忽略了它部分特點,想想有幾個人能全新設計完一款電源,不用改裏麵的電阻阻值、類別或者封裝。電阻的老化,壽命,溫飄,精度,時間阻值特性曲線,溫度曲線等等。這些參數,我很久不看都忘了。但是查看datasheet後還是有所了解,datasheet裏麵的曲線也是對了解電阻很有幫助的。
常用的NTC,PTC,MOV,GDT,這(zhe)些(xie)特(te)性(xing)和(he)原(yuan)理(li)。還(hai)有(you)這(zhe)些(xie)元(yuan)件(jian)的(de)計(ji)算(suan),就(jiu)算(suan)不(bu)記(ji)得(de),也(ye)還(hai)是(shi)要(yao)了(le)解(jie),什(shen)麼(me)情(qing)況(kuang)用(yong)什(shen)麼(me)樣(yang)的(de)元(yuan)器(qi)件(jian)能(neng)滿(man)足(zu)要(yao)求(qiu),如(ru)果(guo)不(bu)能(neng)滿(man)足(zu)要(yao)求(qiu),又(you)是(shi)什(shen)麼(me)方(fang)麵(mian)的(de)原(yuan)因(yin)。這(zhe)個(ge)時(shi)候(hou)datasheet裏麵就可以找到答案來對應。
電容:有幾個特性是需要注意的,做0-40℃的產品可能都還很順利,但是做到-40℃—60℃的產品時就出問題了,起機不正常,跳了幾次後才起來,LED電源最明顯,輸出帶載抖動,PFC的MOSFET低溫炸了,或者反激的MOSFET炸了。
這個就是電容低溫時的特性導致的。 電解電容在低溫時ESR很大,容量很小,可以看成1個NTC與(yu)一(yi)個(ge)小(xiao)電(dian)容(rong)串(chuan)聯(lian),起(qi)機(ji)的(de)前(qian)幾(ji)個(ge)周(zhou)期(qi),電(dian)容(rong)峰(feng)值(zhi)電(dian)壓(ya)高(gao),儲(chu)能(neng)不(bu)夠(gou),無(wu)法(fa)滿(man)載(zai)起(qi)機(ji),這(zhe)種(zhong)情(qing)況(kuang)要(yao)加(jia)大(da)電(dian)容(rong)容(rong)量(liang),或(huo)者(zhe)換(huan)更(geng)好(hao)的(de)係(xi)列(lie)的(de)電(dian)容(rong)。
如輸出抖動之類的情況基本就是反饋環路上的電容容值太臨界,低溫時容量的差異導致環路不穩定,熱機後問題就沒有重複出現了。 對於電容的材質、溫度特性、以及datasheet裏(li)麵(mian)圖(tu)表(biao)和(he)參(can)數(shu)多(duo)少(shao)都(dou)必(bi)須(xu)要(yao)有(you)了(le)解(jie),並(bing)且(qie)能(neng)用(yong)理(li)論(lun)與(yu)自(zi)身(shen)經(jing)驗(yan)來(lai)證(zheng)明(ming)設(she)計(ji)是(shi)對(dui)的(de)。與(yu)電(dian)容(rong)在(zai)電(dian)路(lu)裏(li)麵(mian)不(bu)同(tong)的(de)作(zuo)用(yong)必(bi)須(xu)弄(nong)清(qing)楚(chu),才(cai)能(neng)選(xuan)對(dui)電(dian)容(rong)。 電容的壽命也是需要關注的,瓷片電容,陶瓷電容雖然比電解電容壽命長,但是都是有壽命的,相關的問題都可以查找資料來參考。
特別推薦
- 噪聲中提取真值!瑞盟科技推出MSA2240電流檢測芯片賦能多元高端測量場景
- 10MHz高頻運行!氮矽科技發布集成驅動GaN芯片,助力電源能效再攀新高
- 失真度僅0.002%!力芯微推出超低內阻、超低失真4PST模擬開關
- 一“芯”雙電!聖邦微電子發布雙輸出電源芯片,簡化AFE與音頻設計
- 一機適配萬端:金升陽推出1200W可編程電源,賦能高端裝備製造
技術文章更多>>
- 貿澤EIT係列新一期,探索AI如何重塑日常科技與用戶體驗
- 算力爆發遇上電源革新,大聯大世平集團攜手晶豐明源線上研討會解鎖應用落地
- 創新不止,創芯不已:第六屆ICDIA創芯展8月南京盛大啟幕!
- AI時代,為什麼存儲基礎設施的可靠性決定數據中心的經濟效益
- 矽典微ONELAB開發係列:為毫米波算法開發者打造的全棧工具鏈
技術白皮書下載更多>>
- 車規與基於V2X的車輛協同主動避撞技術展望
- 數字隔離助力新能源汽車安全隔離的新挑戰
- 汽車模塊拋負載的解決方案
- 車用連接器的安全創新應用
- Melexis Actuators Business Unit
- Position / Current Sensors - Triaxis Hall
熱門搜索




