知識梳理!開關電源間歇振蕩的3大故障緣由
發布時間:2015-01-07 責任編輯:sherryyu
【導讀】作為一種常見的電源故障現象,開關dianyuandejianxiezhendangxiangxindajiabingbumosheng。jianyukaiguandianyuanjianxiezhendangdegaoguzhanglv,benwenjiangweidajiashuliyixiahuidaozhikaiguandianyuanjianxiezhendangdesangehenchangjiandeguzhangyuanyin。bangzhugongchengshipengyoumenguzhangweixiu!
開關電源的間歇振蕩,是一種較為常見的故障現象,故障率遠遠高於無輸出電壓、輸出電壓偏高或偏低,其檢修難度和故障表現,也複雜於上述三種故障。其表現為:輸出電壓時高時低或時有時無,伴隨輕微的“嗒、嗒”聲,或“唧咦,唧咦”聲。
如果簡單梳理一下,其故障原因,可分述為過載型、欠電壓型、空載型等三種情況。
1、過載型
該型故障在四種故障中,較為常見,檢修難度為二星級。通常由開關變壓器二次側的整流二極管擊穿、濾波電容漏電,或負載電路的IC器件、散熱風扇等損壞所致。當解除相應負載支路後,或摘除電源本身故障元件後,電源即由間歇振蕩轉為正常輸出狀態。
①若屬電壓采樣,如+5V負載支路或電源本身產生的故障(如濾波電容漏電),測其它支路的輸出電壓上衝最大值,可能會略超過額定電壓,如+15V輸出可能會上衝至+17V;
②若屬穩壓采樣以外的供電或負載支路產生的故障,則輸出電壓上衝最大值一般會小額定值。如+15V輸出上衝為8V。
雖屬間歇振蕩,但輸出電壓有一定的幅度。
2、欠電壓型
通常由於3844的7腳供電支路不良,或開關變壓器一次繞組所並聯開關管反向電流吸收回路有漏電元件所造成,檢修難度為三星級或四星級。
①由於3844的7腳供電支路不良,如整流二極管低效(測量正、反向電阻和導通壓降,都是好的)、濾波電容失效,如從100u變為10u。不能正常提供振蕩芯片所需的工作能量(開關管的激勵能量),馬兒不能吃飽,也就拉不動車。
此類故障,如果確認其穩壓環節尚屬正常的話,為3844的7、5腳提供外加DC18V電源後,電源即由失常變為正常,若此時檢查濾波電容無問題,要毫不猶豫地換掉整流二極管!
②kaiguanbianyaqiyiciraozusuobingliankaiguanguanfanxiangdianliuxishouhuiluyouloudianyuanjian,shizigongdianraozudeganshengdianyadaweijiangdi,yebuzuyitigongzhendangxinpianhekaiguanguansuoxudegongzuonengliang。jianzha3844的7腳jiao供gong電dian支zhi路lu無wu異yi常chang後hou,檢jian查zha重zhong點dian,就jiu應ying該gai轉zhuan移yi至zhi本ben電dian路lu上shang來lai。故gu障zhang產chan生sheng的de根gen源yuan以yi高gao速su高gao反fan壓ya二er極ji管guan或huo穩wen壓ya管guan的de漏lou電dian最zui為wei常chang見jian,而er困kun難nan的de是shi,測ce量liang二er極ji管guan或huo穩wen壓ya器qi,感gan覺jiao又you是shi好hao的de。可ke以yi暫zan時shi斷duan開kai吸xi收shou回hui路lu,或huo代dai換huan元yuan件jian試shi驗yan,往wang往wang能neng快kuai速su解jie決jue問wen題ti。
對於欠電壓故障,測開關變壓器二次繞組輸出的各路電壓,均較低,如在零點幾伏至幾伏以內波動,感覺電源就沒有勁兒輸出。哈哈。
3、空載型
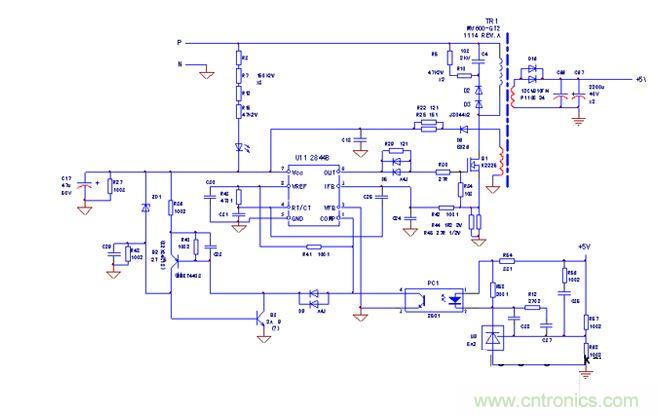
這是一個故障特型。隻在單獨檢修開關電源/驅動板時,才會碰到。檢修難度為幾星,我就不說了。如下圖電源所示,①該反饋光耦的輸出側直接與3844的12腳相連;②開kai關guan變bian壓ya器qi二er次ci繞rao組zu,尤you其qi是shi采cai樣yang電dian壓ya繞rao組zu的de濾lv波bo電dian容rong,其qi容rong量liang較jiao為wei,為wei千qian微wei安an級ji。當dang負fu載zai支zhi路lu空kong載zai時shi,因yin不bu能neng形xing成cheng最zui小xiao的de穩wen定ding負fu載zai電dian流liu,致zhi使shi能neng源yuan供gong給gei一yi方fang因yin失shi去qu供gong給gei目mu標biao,而er無wu所suo適shi從cong,不bu是shi配pei給gei多duo了le就jiu是shi配pei給gei少shao了le,也ye就jiu形xing成cheng了le間jian歇xie振zhen蕩dang。
賽恩開關電源電路原理圖
這本身不是故障,而是因負載支路“懸空”所引起,當與MCU直接連接時(尤其注意連接顯示麵板,數碼管需用較大的工作電流),電源即會正常工作,一定意義上講,無須檢修。可單獨檢修時,以必須將電路“動”一下,使開關電源能正常工作,以利檢修的開展。方法是,在圖中C87電容兩端並聯2W,30~100Ω負載電阻,就中。

如果當成是一種故障,則有一個顯著的表現特征:當測量開關變壓器二次側各路輸出電壓,會發現波動範圍較大,而且電壓上衝值會遠高於額定電壓值,如+5V變為8V,或+15V,變為20V以上。而下衝值,可至0V。
特別推薦
- 噪聲中提取真值!瑞盟科技推出MSA2240電流檢測芯片賦能多元高端測量場景
- 10MHz高頻運行!氮矽科技發布集成驅動GaN芯片,助力電源能效再攀新高
- 失真度僅0.002%!力芯微推出超低內阻、超低失真4PST模擬開關
- 一“芯”雙電!聖邦微電子發布雙輸出電源芯片,簡化AFE與音頻設計
- 一機適配萬端:金升陽推出1200W可編程電源,賦能高端裝備製造
技術文章更多>>
- 貿澤EIT係列新一期,探索AI如何重塑日常科技與用戶體驗
- 算力爆發遇上電源革新,大聯大世平集團攜手晶豐明源線上研討會解鎖應用落地
- 創新不止,創芯不已:第六屆ICDIA創芯展8月南京盛大啟幕!
- AI時代,為什麼存儲基礎設施的可靠性決定數據中心的經濟效益
- 矽典微ONELAB開發係列:為毫米波算法開發者打造的全棧工具鏈
技術白皮書下載更多>>
- 車規與基於V2X的車輛協同主動避撞技術展望
- 數字隔離助力新能源汽車安全隔離的新挑戰
- 汽車模塊拋負載的解決方案
- 車用連接器的安全創新應用
- Melexis Actuators Business Unit
- Position / Current Sensors - Triaxis Hall
熱門搜索




