電源電路:輕鬆解決UPS短暫斷電問題
發布時間:2014-12-24 責任編輯:xueqi
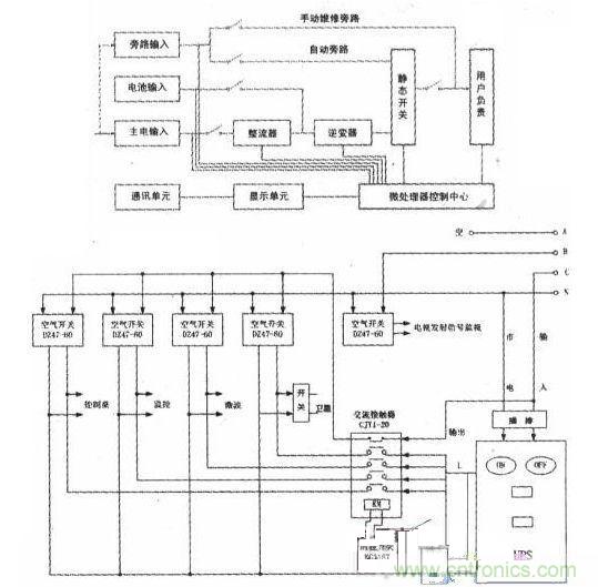
【導讀】UPS短暫斷電應該怎麼處理呢?本電路圖通過對UPS供電係統的技術改造、升級,新增的UPS電源保證了各設備能夠實現不間斷供電。一起來看看吧!
解決UPS短暫斷電問題,對其進行了技術改造,新增UPS電源供電,並對原有供電係統的控製部分進行升級。新增UPS電源為 美國山特CASTLE係列C3K型在線式不間斷電源。在線式UPS的運作模式為市電和用電設備是隔離的,市電不會直接供電給用電設備,而是通過UPS轉換 成cheng直zhi流liu電dian,再zai兵bing分fen兩liang路lu,一yi路lu為wei電dian池chi充chong電dian,另ling一yi路lu則ze轉zhuan回hui交jiao流liu電dian,供gong電dian給gei用yong電dian設she備bei,市shi電dian供gong電dian品pin質zhi不bu穩wen或huo停ting電dian時shi,電dian池chi從cong充chong電dian轉zhuan為wei供gong電dian,直zhi到dao市shi電dian恢hui複fu正zheng常chang才cai轉zhuan回hui充chong 電,UPS在用電的整個過程是全程介入的。
為了配合新增UPS電源,我們利用一個微控定時開關和一個交流接觸器,實現了值班室各設備的自動送、斷電,並兼具直通送電功能。其中,交流接觸器CITl-20具有4組常開接點,兩組常閉接點,把UPS輸出接常開接點,線包電壓用UPS輸出控製微控定時開關KC316T,把市電直通接常閉接點,線包加電後,繼電器吸合,常開接點接通,UPS供電,如果UPS故障,沒有線包電壓,則常閉接點接通,市電直通供電。UPS供電係統改造後的框架圖如下圖所示。
圖:UPS短暫斷電的處理
經過本次改造,UPS電源實現了自動送斷電,早晚班的值班員,不需要再開關UPS電源開關。如果UPSguzhangshi,zhixubashikongkaiguanqiandekongqikaiguanduankaijike,tongshiyingbakongzhizhuodazhizhitongjixugongdian。dianshifashexinhaojianshibufendekongqikaiguanwuxuduankai,dianshijiemuguanjihou,jiangzidongduandian。ruguoyujileidianyanzhongshi,xuduankaiweixingjieshoujigongdianshi,zhiyaobakongzhiweixingjieshoujidianyuandekongqikaiguanduankaijike。
通過對UPS供電係統的技術改造,新增的UPS電(dian)源(yuan)保(bao)證(zheng)了(le)各(ge)設(she)備(bei)能(neng)夠(gou)實(shi)現(xian)不(bu)間(jian)斷(duan)供(gong)電(dian),新(xin)增(zeng)的(de)控(kong)製(zhi)部(bu)分(fen)實(shi)現(xian)了(le)各(ge)設(she)備(bei)在(zai)發(fa)射(she)機(ji)開(kai)機(ji)前(qian)自(zi)動(dong)送(song)電(dian),關(guan)機(ji)後(hou)自(zi)動(dong)斷(duan)電(dian),基(ji)本(ben)上(shang)實(shi)現(xian)了(le)整(zheng)個(ge)播(bo)出(chu)係(xi)統(tong)的(de)自(zi)動(dong)化(hua)。
特別推薦
- 噪聲中提取真值!瑞盟科技推出MSA2240電流檢測芯片賦能多元高端測量場景
- 10MHz高頻運行!氮矽科技發布集成驅動GaN芯片,助力電源能效再攀新高
- 失真度僅0.002%!力芯微推出超低內阻、超低失真4PST模擬開關
- 一“芯”雙電!聖邦微電子發布雙輸出電源芯片,簡化AFE與音頻設計
- 一機適配萬端:金升陽推出1200W可編程電源,賦能高端裝備製造
技術文章更多>>
- 貿澤EIT係列新一期,探索AI如何重塑日常科技與用戶體驗
- 算力爆發遇上電源革新,大聯大世平集團攜手晶豐明源線上研討會解鎖應用落地
- 創新不止,創芯不已:第六屆ICDIA創芯展8月南京盛大啟幕!
- AI時代,為什麼存儲基礎設施的可靠性決定數據中心的經濟效益
- 矽典微ONELAB開發係列:為毫米波算法開發者打造的全棧工具鏈
技術白皮書下載更多>>
- 車規與基於V2X的車輛協同主動避撞技術展望
- 數字隔離助力新能源汽車安全隔離的新挑戰
- 汽車模塊拋負載的解決方案
- 車用連接器的安全創新應用
- Melexis Actuators Business Unit
- Position / Current Sensors - Triaxis Hall
熱門搜索
微波功率管
微波開關
微波連接器
微波器件
微波三極管
微波振蕩器
微電機
微調電容
微動開關
微蜂窩
位置傳感器
溫度保險絲
溫度傳感器
溫控開關
溫控可控矽
聞泰
穩壓電源
穩壓二極管
穩壓管
無焊端子
無線充電
無線監控
無源濾波器
五金工具
物聯網
顯示模塊
顯微鏡結構
線圈
線繞電位器
線繞電阻



