基於虛擬儀器的電機監控係統的電路設計
發布時間:2014-12-19 責任編輯:echolady
【導讀】利li用yong虛xu擬ni儀yi器qi構gou建jian監jian控kong係xi統tong,有you效xiao地di提ti高gao了le開kai關guan磁ci阻zu電dian機ji控kong製zhi係xi統tong的de實shi用yong性xing和he可ke靠kao性xing,能neng夠gou快kuai速su實shi現xian監jian測ce和he調tiao整zheng電dian機ji運yun行xing時shi的de參can數shu。下xia麵mian是shi電dian路lu設she計ji詳xiang解jie。
該方案以裝有數據采集卡的 PC機和 DSP作為硬件基礎,利用 LabVIEW軟件將各類傳感器傳送的信號進行實時處 理,同時記錄和顯示各項數據,然後再利用相應的算法完成對數據的分析。數據是采用PCI-6143數據采集卡,並以LabVIEW8.6為開發環境編寫程序而獲取的。考慮到該係統可能在比較惡劣的工作環境下使用,為了更安全有效地實現實時控製,同時利用DSP 作為PC 機的備用處理器。實驗用樣機是一台8/6極,功率為150 W 的SRM。
位置信號檢測

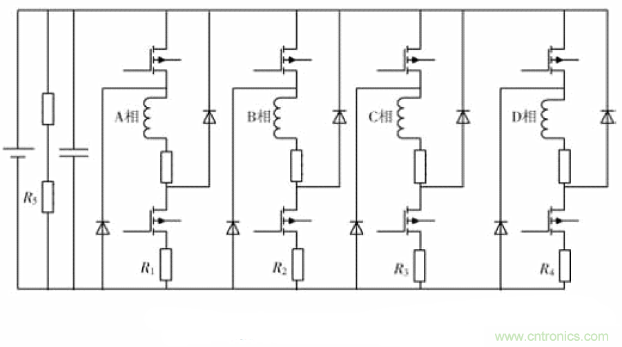
dangran,zaiwentaiyunxingshi,jueduiweizhibianmaqiyewanquankeyiqudaiguangdianweizhichuanganqiyitigonggengweizhunquedezhuansuxinxi。zhishixiangduiyuguangdianweizhichuanganqilaishuo,jueduiweizhibianmaqijiageanggui,qiejiaoyisunhuai,bingbushiheyuzhendongjiaojuliedechanghe。shiyandianjidedianlujiegourutu2所示。其中,R1~R4分別為與電機四相串聯的小電阻,R5則為用於測量繞組電壓的分壓電阻。
相關閱讀:
案例解析:直流電機調速與測速電路模塊的設計
名廠專家:新型傳感器如何提升電機性能降低功耗
惡補電機知識:世上最全單相電機電容接線圖
特別推薦
- 噪聲中提取真值!瑞盟科技推出MSA2240電流檢測芯片賦能多元高端測量場景
- 10MHz高頻運行!氮矽科技發布集成驅動GaN芯片,助力電源能效再攀新高
- 失真度僅0.002%!力芯微推出超低內阻、超低失真4PST模擬開關
- 一“芯”雙電!聖邦微電子發布雙輸出電源芯片,簡化AFE與音頻設計
- 一機適配萬端:金升陽推出1200W可編程電源,賦能高端裝備製造
技術文章更多>>
- 一秒檢測,成本降至萬分之一,光引科技把幾十萬的台式光譜儀“搬”到了手腕上
- AI服務器電源機櫃Power Rack HVDC MW級測試方案
- 突破工藝邊界,奎芯科技LPDDR5X IP矽驗證通過,速率達9600Mbps
- 通過直接、準確、自動測量超低範圍的氯殘留來推動反滲透膜保護
- 從技術研發到規模量產:恩智浦第三代成像雷達平台,賦能下一代自動駕駛!
技術白皮書下載更多>>
- 車規與基於V2X的車輛協同主動避撞技術展望
- 數字隔離助力新能源汽車安全隔離的新挑戰
- 汽車模塊拋負載的解決方案
- 車用連接器的安全創新應用
- Melexis Actuators Business Unit
- Position / Current Sensors - Triaxis Hall
熱門搜索
按鈕開關
白色家電
保護器件
保險絲管
北鬥定位
北高智
貝能科技
背板連接器
背光器件
編碼器型號
便攜產品
便攜醫療
變容二極管
變壓器
檳城電子
並網
撥動開關
玻璃釉電容
剝線機
薄膜電容
薄膜電阻
薄膜開關
捕魚器
步進電機
測力傳感器
測試測量
測試設備
拆解
場效應管
超霸科技



