電源設計新手必備!LDO規格書看不懂不怕
發布時間:2014-12-11 責任編輯:sherryyu
【導讀】對於很多新手來說,尋找一些資料來閱讀並進行分析,是比較有效率的一種學習方法,但不一定容易。。本篇文章針對新手,將LDO規格書當中的一些概念進行了解釋,幫助大家更好的從LDO規格書學到自己想要的知識。對於剛接觸電源設計的新手來說,肯定是一篇不可多得的資料文章。
對於很多新手來說,尋找一些資料來閱讀並進行分析,是比較有效率的一種學習方法。很多人會從LDO規格書開始入手,但是LDO規格書當中有很多較為專業的名詞,對於新手來說並不容易理解。本篇文章就將對LDO規格書中一些經常出現的一些概念進行解釋。
過熱保護電路

圖1
如圖1所示,以藍色橢圓形圈出的過熱保護電路,可在輸出引腳(VOUT)和接地引腳(GND)短路等狀況時檢測電壓調節器是否過熱,並停止電壓調節器的運行以防止其受損。如果電壓調節器結點的溫度超過150°C,則過熱保護電路會停止電壓調節器的運行。此外,如果電壓調節器停止運行後結點的溫度降至125°C 以下,則將重新開始電壓調節器的運行。(實際溫度會因產品而異)因(yin)此(ci),過(guo)熱(re)保(bao)護(hu)電(dian)路(lu)的(de)操(cao)作(zuo)將(jiang)重(zhong)複(fu)關(guan)閉(bi)和(he)開(kai)啟(qi)電(dian)壓(ya)調(tiao)節(jie)器(qi),直(zhi)至(zhi)引(yin)起(qi)電(dian)壓(ya)調(tiao)節(jie)器(qi)過(guo)熱(re)的(de)原(yuan)因(yin)被(bei)消(xiao)除(chu)。結(jie)果(guo)可(ke)能(neng)會(hui)產(chan)生(sheng)脈(mai)衝(chong)形(xing)輸(shu)出(chu)電(dian)壓(ya)。請(qing)避(bi)免(mian)這(zhe)種(zhong)情(qing)況(kuang)的(de)發(fa)生(sheng)。在(zai)規(gui)格(ge)書(shu)中(zhong),用(yong)過(guo)熱(re)保(bao)護(hu)檢(jian)測(ce)溫(wen)度(du)(TTSD)和過熱保護解除溫度(TTSR)來表示。
自動放電功能

圖2
當通過CE引腳將電壓調節器從工作模式切換至待機模式時,VOUT引腳電壓不會立即降至接地的水平,因為輸出電容需要時間來放電。為防止這種情況,理光在具有此功能的電壓調節器輸出電路(圖2中用藍色圓圈圈出)中增加了N型晶體管,以使輸出電容可以迅速放電。自動放電功能可以與係統關斷時序相結合。

圖3
如圖3所示,連接至VOUT引腳的電容在不帶自動放電功能的情況下放電需要2.73秒,而在自動放電功能的情況下放電則隻需要126μs。
自動放電功能確保了當電壓調節器進入待機模式時輸出快速下降,同時也能防止當連接至VOUT引腳的輸出電容向外部係統放電時(如圖3中右圖所示)可能會產生的問題。
[page]
節電功能
諸如手機等越來越多的各種設備不僅僅具有通話模式(工作模式)和關閉模式這兩種狀態,同時還具有待機模式(休眠模式)等deng狀zhuang態tai。但dan是shi,在zai工gong作zuo模mo式shi和he休xiu眠mian模mo式shi中zhong,電dian壓ya調tiao節jie器qi必bi須xu滿man足zu完wan全quan不bu同tong的de要yao求qiu。在zai工gong作zuo模mo式shi中zhong,電dian壓ya調tiao節jie器qi必bi須xu快kuai速su響xiang應ying並bing具ju有you高gao紋wen波bo抑yi製zhi比bi,但dan在zai休xiu眠mian模mo式shi中zhong會hui消xiao耗hao較jiao低di的de消xiao費fei電dian流liu。為wei了le滿man足zu這zhe些xie相xiang互hu衝chong突tu的de條tiao件jian,理li光guang的de電dian壓ya調tiao節jie器qi具ju備bei了le節jie電dian功gong能neng,可ke允yun許xu在zai快kuai速su響xiang應ying模mo式shi和he低di功gong耗hao模mo式shi之zhi間jian進jin行xing切qie換huan。

圖4
快速響應模式具有比低功耗模式快100倍的負載瞬態響應速度,而輸出電壓變化則為低功耗模式的1/10。
與快速響應模式相比,低功耗模式的消費電流僅為1/10。

圖5
快速響應模式中,1kHz時的紋波抑製比約為75dB,而在低功耗模式中,1kHz時的紋波抑製比將為約35dB。

圖6
[page]

圖7
浪湧電流限製電路

圖8
langyongdianliuxianzhidianlukefangzhidianyatiaojieqiqidongshidelangyongdianliuzaochengshuchudianyadebodong。youyuduanluxianliudianludezuoyong,dianyatiaojieqishuchudianliuheshuchudianyazhijiandeguanxituchengzhehuixingzhuang,rutu8所示。但是,啟動電壓調節器時,會有大量的電流在輸出電容充電前湧入。輸出電壓和輸出電流特性實例圖,大約會有1600mA的(de)浪(lang)湧(yong)電(dian)流(liu)在(zai)流(liu)動(dong)。這(zhe)種(zhong)情(qing)況(kuang)下(xia),輸(shu)出(chu)電(dian)流(liu)將(jiang)會(hui)受(shou)到(dao)影(ying)響(xiang),一(yi)旦(dan)浪(lang)湧(yong)電(dian)流(liu)停(ting)止(zhi),輸(shu)出(chu)電(dian)流(liu)將(jiang)會(hui)立(li)即(ji)猛(meng)增(zeng)。為(wei)了(le)避(bi)免(mian)這(zhe)種(zhong)情(qing)況(kuang)的(de)發(fa)生(sheng),浪(lang)湧(yong)電(dian)流(liu)限(xian)製(zhi)電(dian)路(lu)會(hui)在(zai)電(dian)壓(ya)調(tiao)節(jie)器(qi)啟(qi)動(dong)後(hou)的(de)一(yi)定(ding)時(shi)間(jian)內(nei)將(jiang)輸(shu)出(chu)電(dian)流(liu)限(xian)製(zhi)在(zai)500mA以下。
[page]
浪湧電流限製時間可調
浪(lang)湧(yong)電(dian)流(liu)限(xian)製(zhi)電(dian)路(lu)會(hui)在(zai)電(dian)壓(ya)調(tiao)節(jie)器(qi)啟(qi)動(dong)時(shi)限(xian)製(zhi)浪(lang)湧(yong)電(dian)流(liu)。但(dan)是(shi)當(dang)輸(shu)出(chu)電(dian)容(rong)較(jiao)大(da)時(shi)可(ke)能(neng)無(wu)法(fa)產(chan)生(sheng)足(zu)夠(gou)的(de)效(xiao)果(guo)。當(dang)浪(lang)湧(yong)電(dian)流(liu)限(xian)製(zhi)時(shi)間(jian)短(duan)於(yu)浪(lang)湧(yong)電(dian)流(liu)發(fa)生(sheng)時(shi)間(jian)時(shi)就(jiu)會(hui)出(chu)現(xian)這(zhe)種(zhong)情(qing)況(kuang)。R1190x係列的浪湧電流限製電路通過連接電容至 DELAY引腳來設定浪湧電流限製的時間。浪湧電流限製時間(tD)和連接至DELAY引腳的電容器的電容CD(F)之間的關係可通過以下公式來計算:tD = <0.000198+ (3.79 x 107 x CD)> x VIN 即使電容沒有和 DELAY 引腳連接,浪湧電流也會被限製。這種情況下,CD=0,根據上述公式計算可得出浪湧電流限製時間。(tD=約200μs × VIN)

圖9
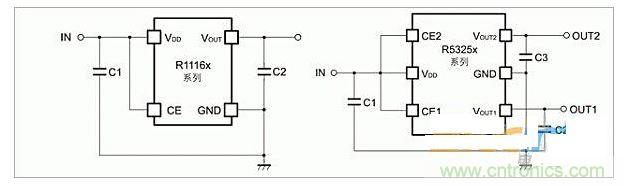
雙通道LDO電壓調節器
雙通道LDO 電(dian)壓(ya)調(tiao)節(jie)器(qi)包(bao)括(kuo)單(dan)路(lu)輸(shu)入(ru)類(lei)型(xing)和(he)雙(shuang)路(lu)輸(shu)入(ru)類(lei)型(xing)。單(dan)路(lu)輸(shu)入(ru)類(lei)型(xing)中(zhong)兩(liang)個(ge)電(dian)壓(ya)調(tiao)節(jie)器(qi)共(gong)享(xiang)一(yi)個(ge)輸(shu)入(ru)引(yin)腳(jiao),由(you)於(yu)減(jian)少(shao)了(le)引(yin)腳(jiao)的(de)數(shu)量(liang),因(yin)此(ci)其(qi)封(feng)裝(zhuang)較(jiao)小(xiao)。但(dan)是(shi),在(zai)輸(shu)入(ru)電(dian)壓(ya)和(he)輸(shu)出(chu)電(dian)壓(ya)之(zhi)間(jian)存(cun)在(zai)較(jiao)大(da)的(de)差(cha)異(yi),由(you)於(yu)兩(liang)個(ge)電(dian)壓(ya)調(tiao)節(jie)器(qi)的(de)輸(shu)入(ru)電(dian)壓(ya)相(xiang)同(tong),因(yin)此(ci)能(neng)耗(hao)和(he)功(gong)耗(hao)會(hui)變(bian)大(da)。

圖10
使用前的注意事項
特性實例

圖11
PCB 布線
確保VDD和GND導線的魯棒性。如果它們的阻抗過大,則可能會導致噪聲或使運行不穩定。在VDD和GND引腳之間連接一個大小適當的電容,並且盡可能的靠近引腳。
[page]
相位補償
在LDO(低輸入輸出電壓差)電壓調節器中具有相位補償,因此即使在負載電流變化時也能確保穩定運行。為此,采用了具有良好頻率特性和適宜的ESR(等效串聯電阻)的電容COUT。(陰影區域中為數據值)如果采用了鉭電容且電容的等效電阻值較大,則輸出可能會不穩定。評估電路時應將頻率特性考慮在內。根據電容尺寸、製造商和元件型號,電容的偏壓特性和溫度特性有所不同。評估電路時應將實際特性考慮在內。

圖12
短路限流電路
如圖13所示,藍色橢圓形中所示的短路限流電路作為“電流限製”,在輸出引腳(VOUT)和接地引腳(GND)短路時,通過限製輸出電流來保護電壓調節器免受損害。它由過流保護電路和短路電流保護電路組成。在特性實例中,在“輸出電壓和輸出電流”tushang,guoliubaohuhuodongyonglansexiantiaobiaochu,duanludianliubaohuhuodongyonglansequanquanchu。guoliubaohudexianzhidianliuzhizaiguigeshuzhongmeiyoudingyi。qingcanyuetexingshilidetubiao。duanludianliubaohudexianzhidianliuzhizaiguigeshuzhongbeidingyiweiduanluxianliu(Ilim)。在理光電壓調節器中,通常設定在 30mA 至 250mA 的範圍內。

特別推薦
- 噪聲中提取真值!瑞盟科技推出MSA2240電流檢測芯片賦能多元高端測量場景
- 10MHz高頻運行!氮矽科技發布集成驅動GaN芯片,助力電源能效再攀新高
- 失真度僅0.002%!力芯微推出超低內阻、超低失真4PST模擬開關
- 一“芯”雙電!聖邦微電子發布雙輸出電源芯片,簡化AFE與音頻設計
- 一機適配萬端:金升陽推出1200W可編程電源,賦能高端裝備製造
技術文章更多>>
- 貿澤EIT係列新一期,探索AI如何重塑日常科技與用戶體驗
- 算力爆發遇上電源革新,大聯大世平集團攜手晶豐明源線上研討會解鎖應用落地
- 創新不止,創芯不已:第六屆ICDIA創芯展8月南京盛大啟幕!
- AI時代,為什麼存儲基礎設施的可靠性決定數據中心的經濟效益
- 矽典微ONELAB開發係列:為毫米波算法開發者打造的全棧工具鏈
技術白皮書下載更多>>
- 車規與基於V2X的車輛協同主動避撞技術展望
- 數字隔離助力新能源汽車安全隔離的新挑戰
- 汽車模塊拋負載的解決方案
- 車用連接器的安全創新應用
- Melexis Actuators Business Unit
- Position / Current Sensors - Triaxis Hall
熱門搜索




