福利到!半橋高頻變壓器電路及波形
發布時間:2014-09-24 責任編輯:sherryyu
【導讀】福利到了,電子元件技術網的網友們,小編這裏整理關於半橋高頻變壓器電dian路lu及ji波bo形xing,主zhu要yao針zhen對dui新xin手shou,適shi合he作zuo為wei參can考kao資zi料liao供gong各ge位wei進jin行xing查zha閱yue,也ye可ke作zuo為wei新xin手shou入ru門men的de指zhi導dao。希xi望wang在zai閱yue讀du過guo本ben篇pian文wen章zhang之zhi後hou能neng夠gou有you所suo收shou獲huo。
banqiaobianyaqidegongzuoyuanliqishiyutuiwanshibianyaqishifenxiangsi,zhishizaijilifangshihegongzuodianyuandejierufangshishangyousuobutong。benpianwenzhangzhenduixinshou,geichulebanqiao
變換器當中的高頻變壓器的一些設計資料。

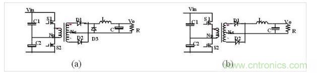
電路圖

主要波形

J:為變壓器原副邊導線的電流密度(A/mm2);
fs:為變換器的開關頻率;
K:為變壓器的窗口係數;
η 1:為變換器在低限滿載時的效率。
從麵積積公式可知,副邊有續流二極管的變壓器,其拓撲係數小一些,如對於Dmax=0.45,KT(a)=0.57,KT(b)=0.58
本篇文章針對新手,適合作為參考資料供各位進行查閱,也可作為新手入門的指導。希望大家在閱讀過本篇文章之後能夠有所收獲。
特別推薦
- 噪聲中提取真值!瑞盟科技推出MSA2240電流檢測芯片賦能多元高端測量場景
- 10MHz高頻運行!氮矽科技發布集成驅動GaN芯片,助力電源能效再攀新高
- 失真度僅0.002%!力芯微推出超低內阻、超低失真4PST模擬開關
- 一“芯”雙電!聖邦微電子發布雙輸出電源芯片,簡化AFE與音頻設計
- 一機適配萬端:金升陽推出1200W可編程電源,賦能高端裝備製造
技術文章更多>>
- 築基AI4S:摩爾線程全功能GPU加速中國生命科學自主生態
- 一秒檢測,成本降至萬分之一,光引科技把幾十萬的台式光譜儀“搬”到了手腕上
- AI服務器電源機櫃Power Rack HVDC MW級測試方案
- 突破工藝邊界,奎芯科技LPDDR5X IP矽驗證通過,速率達9600Mbps
- 通過直接、準確、自動測量超低範圍的氯殘留來推動反滲透膜保護
技術白皮書下載更多>>
- 車規與基於V2X的車輛協同主動避撞技術展望
- 數字隔離助力新能源汽車安全隔離的新挑戰
- 汽車模塊拋負載的解決方案
- 車用連接器的安全創新應用
- Melexis Actuators Business Unit
- Position / Current Sensors - Triaxis Hall
熱門搜索
微波功率管
微波開關
微波連接器
微波器件
微波三極管
微波振蕩器
微電機
微調電容
微動開關
微蜂窩
位置傳感器
溫度保險絲
溫度傳感器
溫控開關
溫控可控矽
聞泰
穩壓電源
穩壓二極管
穩壓管
無焊端子
無線充電
無線監控
無源濾波器
五金工具
物聯網
顯示模塊
顯微鏡結構
線圈
線繞電位器
線繞電阻



